ZHCSDF7C July   2009  – August 2014 OPA1611 , OPA1612

PRODUCTION DATA.  

  1. 特性
  2. 应用
  3. 概述
  4. 修订历史
  5. 引脚配置和功能描述
  6. 技术规格
    1. 6.1 绝对最大额定值
    2. 6.2 操作参数
    3. 6.3 建议的工作条件
    4. 6.4 电性能特性:VS = ±2.25V 至 ±18V
    5. 6.5 典型特性
  7. 详细说明
    1. 7.1 概要
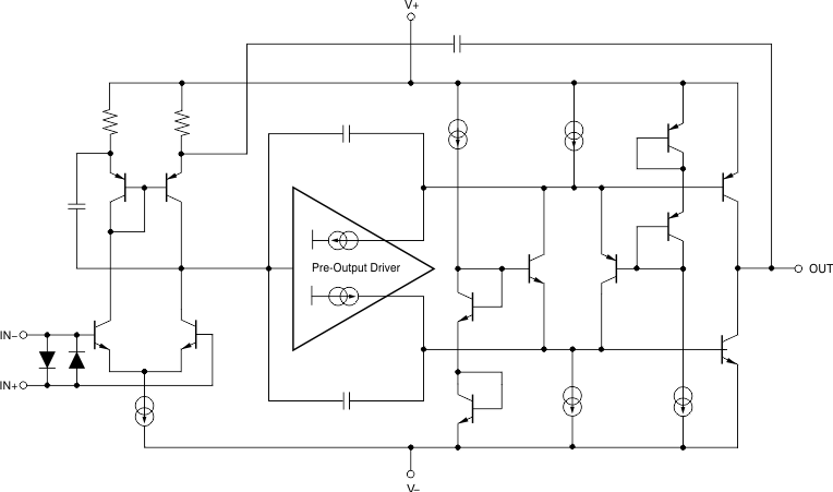
    2. 7.2 功能框图
    3. 7.3 特性描述
      1. 7.3.1 功耗
      2. 7.3.2 电气过载
      3. 7.3.3 工作电压
      4. 7.3.4 输入保护
  8. 应用和实施
    1. 8.1 应用信息
    2. 8.2 噪声性能
      1. 8.2.1 详细设计流程
      2. 8.2.2 应用曲线
      3. 8.2.3 基本噪声计算
    3. 8.3 总谐波失真测定
    4. 8.4 容性负载
    5. 8.5 应用电路
  9. 电源相关建议
  10. 10布局布线
    1. 10.1 布局布线指南
    2. 10.2 布局示例
  11. 11器件和文档支持
    1. 11.1 文档支持
      1. 11.1.1 相关文档 
    2. 11.2 相关链接
    3. 11.3 商标
    4. 11.4 静电放电警告
    5. 11.5 术语表
  12. 12机械、封装和可订购信息

封装选项

机械数据 (封装 | 引脚)
散热焊盘机械数据 (封装 | 引脚)
订购信息

1 特性

  • 出色音质
  • 超低噪声:1kHz 时为 1.1nV/√Hz
  • 超低失真:
    1kHz 时为 0.000015%
  • 高压摆率:27V/μs
  • 高带宽:40MHz (G = +1)
  • 高开环增益:130dB
  • 单位增益稳定
  • 低静态电流:
    每通道 3.6mA
  • 轨到轨输出
  • 宽电源电压范围:±2.25V 至 ±18V
  • 提供单通道和双通道两种型号

2 应用

  • 专业音频设备
  • 麦克风前置放大器
  • 模数混合控制台
  • 播音室设备
  • 音频测试和测量
  • 高端 A/V 接收器

3 概述

OPA1611(单通道)和 OPA1612(双通道)双极型输入运算放大器在 1kHz 时可实现很低的噪声密度
(1.1nV/√Hz) 和超低失真 (0.000015%)。 OPA1611 和 OPA1612 在 2-kΩ 负载下能够提供摆幅在距离电源轨 600mV 的范围内的轨到轨输出,这有助于实现动态范围最大化。 此外,这些器件还具有 ±30mA 高输出驱动能力。

这些器件支持 ±2.25V 到 ±18V 的宽电源电压范围,每通道电源电流仅为 3.6mA。 OPA1611 与 OPA1612 运算放大器的单位增益稳定,在宽范围负载条件下可保持出色的动态性能。

双通道型号具有完全独立的电路,即便在过驱或过载时也可以实现通道间最低串扰和零交互。

OPA1611 采用小外形尺寸集成电路 (SOIC)-8 封装,OPA1612 采用小外形尺寸无引线 (SON)-8 封装。 这些器件额定工作温度范围为 -40°C 至 +85°C。

器件信息(1)

器件型号 封装 封装尺寸(标称值)
OPA1611 SOIC (8) 4.90mm x 3.91mm
OPA1612 SOIC (8) 4.90mm x 3.91mm
SON (8) 3.00mm x 3.00mm
  1. 如需了解所有可用封装,请见数据表末尾的可订购产品附录。

THD+N 比与输出幅值间的关系

OPA1611 OPA1612 tc_thdn_vout_amp_bos450.gif

功能方框图

OPA1611 OPA1612 pg1_fbd_bos450.gif