ZHCSI49C September 2014 – March 2021
PRODUCTION DATA
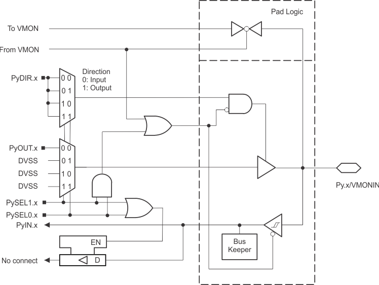
Figure 9-11 shows the pin diagram. Table 9-14 summarizes the selection of the pin function.

| PIN NAME (P2.x) | x | FUNCTION | CONTROL BITS OR SIGNALS(1) | ||
|---|---|---|---|---|---|
| P2DIR.x | P2SEL1.x | P2SEL0.x | |||
| P2.3/VMONIN | 3 | P2.3 (I/O) | I: 0; O: 1 | 0 | 0 |
| N/A | 0 | 0 | 1 | ||
| DVSS | 1 | ||||
| N/A | 0 | 1 | 0 | ||
| DVSS | 1 | ||||
| VMONIN(2) | X | 1 | 1 | ||