ZHCS136B November   2010  – June 2018 MSP430AFE221 , MSP430AFE222 , MSP430AFE223 , MSP430AFE231 , MSP430AFE232 , MSP430AFE233 , MSP430AFE251 , MSP430AFE252 , MSP430AFE253

PRODUCTION DATA.  

  1. 1器件概述
    1. 1.1 特性
    2. 1.2 应用
    3. 1.3 说明
    4. 1.4 功能框图
  2. 2修订历史记录
  3. 3Device Comparison
    1. 3.1 Related Products
  4. 4Terminal Configuration and Functions
    1. 4.1 Pin Diagrams
    2. 4.2 Signal Descriptions
      1. Table 4-1 Terminal Functions
  5. 5Specifications
    1. 5.1  Absolute Maximum Ratings
    2. 5.2  ESD Ratings
    3. 5.3  Recommended Operating Conditions
    4. 5.4  Thermal Resistance Characteristics for PW-24 Package
    5. 5.5  Active Mode Supply Current (Into DVCC and AVCC) Excluding External Current
    6. 5.6  Typical Characteristics – Active-Mode Supply Current (Into DVCC and AVCC)
    7. 5.7  Low-Power-Mode Supply Currents (Into VCC) Excluding External Current
    8. 5.8  Typical Characteristics – LPM4 Current
    9. 5.9  Schmitt-Trigger Inputs (Ports Px and RST/NMI)
    10. 5.10 Leakage Current (Ports Px)
    11. 5.11 Outputs (Ports Px)
    12. 5.12 Output Frequency (Ports Px)
    13. 5.13 Typical Characteristics – Outputs
    14. 5.14 POR, BOR
    15. 5.15 Typical Characteristics – POR, BOR
    16. 5.16 Supply Voltage Supervisor (SVS), Supply Voltage Monitor (SVM)
    17. 5.17 Main DCO Characteristics
    18. 5.18 DCO Frequency
    19. 5.19 Calibrated DCO Frequencies – Tolerance
    20. 5.20 Wake-up Times From Lower-Power Modes (LPM3, LPM4)
    21. 5.21 Typical Characteristics – DCO Clock Wake-up Time
    22. 5.22 Internal Very-Low-Power Low-Frequency Oscillator (VLO)
    23. 5.23 Crystal Oscillator (XT2)
    24. 5.24 Typical Characteristics – XT2 Oscillator
    25. 5.25 SD24_A, Power Supply
    26. 5.26 SD24_A, Input Range
    27. 5.27 SD24_A, Performance
    28. 5.28 SD24_A, Temperature Sensor and Built-In VCC Sense
    29. 5.29 SD24_A, Built-In Voltage Reference
    30. 5.30 SD24_A, Reference Output Buffer
    31. 5.31 SD24_A, External Reference Input
    32. 5.32 USART0
    33. 5.33 Timer_A3
    34. 5.34 Flash Memory
    35. 5.35 RAM
    36. 5.36 JTAG and Spy-Bi-Wire Interface
    37. 5.37 JTAG Fuse
  6. 6Detailed Description
    1. 6.1  CPU
    2. 6.2  Instruction Set
    3. 6.3  Operating Modes
    4. 6.4  Interrupt Vector Addresses
    5. 6.5  Special Function Registers
      1. Table 6-4 Interrupt Enable Register 1 Field Descriptions
      2. Table 6-5 Interrupt Flag Register 1 Field Descriptions
      3. Table 6-6 Module Enable Register 1 Field Descriptions
    6. 6.6  Memory Organization
    7. 6.7  Flash Memory
    8. 6.8  Peripherals
    9. 6.9  Oscillator and System Clock
    10. 6.10 Brownout, Supply Voltage Supervisor
    11. 6.11 Digital I/O
    12. 6.12 Watchdog Timer (WDT+)
    13. 6.13 Timer_A3
    14. 6.14 USART0
    15. 6.15 Hardware Multiplier
    16. 6.16 SD24_A
    17. 6.17 Peripheral File Map
    18. 6.18 I/O Port Schematics
      1. 6.18.1 Port P1 Pin Schematic: P1.0 Input/Output With Schmitt Trigger
      2. 6.18.2 Port P1 Pin Schematic: P1.1 and P1.2 Input/Output With Schmitt Trigger
      3. 6.18.3 Port P1 Pin Schematic: P1.3 Input/Output With Schmitt Trigger
      4. 6.18.4 Port P1 Pin Schematic: P1.4 Input/Output With Schmitt Trigger
      5. 6.18.5 Port P1 Pin Schematic: P1.5 to P1.7 Input/Output With Schmitt Trigger
      6. 6.18.6 Port P2 Pin Schematic: P2.0 Input/Output With Schmitt Trigger
      7. 6.18.7 Port P2 Pin Schematic: P2.6, Input/Output With Schmitt Trigger
      8. 6.18.8 Port P2 Pin Schematic: P2.7, Input/Output With Schmitt Trigger
      9. 6.18.9 JTAG Fuse Check Mode
  7. 7器件和文档支持
    1. 7.1 使用入门
    2. 7.2 Device Nomenclature
    3. 7.3 工具与软件
    4. 7.4 文档支持
    5. 7.5 相关链接
    6. 7.6 社区资源
    7. 7.7 商标
    8. 7.8 静电放电警告
    9. 7.9 术语表
  8. 8机械、封装和可订购信息

封装选项

机械数据 (封装 | 引脚)
散热焊盘机械数据 (封装 | 引脚)
订购信息

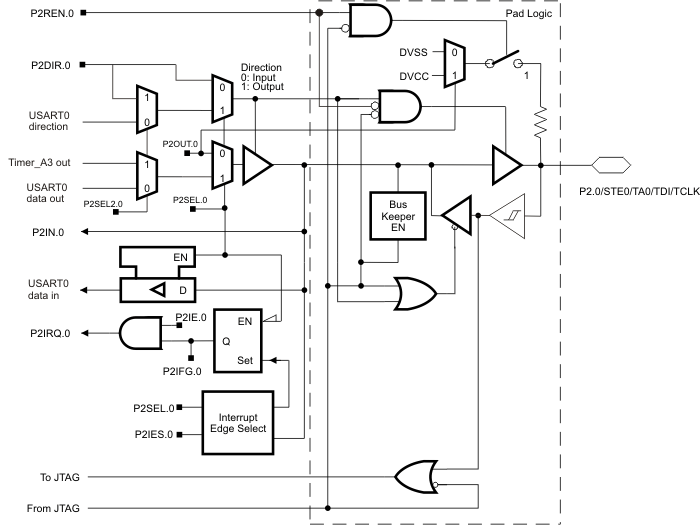
Port P2 Pin Schematic: P2.0 Input/Output With Schmitt Trigger

Figure 6-13 shows the port schematic. Table 6-17 summarizes the selection of the pin functions.

MSP430AFE253 MSP430AFE252 MSP430AFE251 MSP430AFE233 MSP430AFE232 MSP430AFE231 MSP430AFE223 MSP430AFE222 MSP430AFE221 p2_0_slas701.gifFigure 6-13 Port P2 (P2.0) Schematic

Table 6-17 Port P2 (P2.0) Pin Functions

PIN NAME (P2.x) x FUNCTION CONTROL BITS OR SIGNALS(1)
P2DIR.x P2SEL.x P2SEL2.x JTAG Mode(2)
P2.0/STE0/TA0/TDI/TCLK 0 P2.0 (I/O) I: 0; O: 1 0 X 0
STE0 X 1 0 0
Timer_A3.TA0 1 1 1 0
TDI/TCLK X X X 1
X = don't care
JTAG Mode is not a register bit but signal generated internally when the 4-wire JTAG option is selected in the IDE.