ZHCSDA5F June   2012  – February 2015 LMH6881

PRODUCTION DATA.  

  1. 特性
  2. 应用
  3. 说明
  4. 修订历史记录
  5. Pin Configuration and Functions
  6. Specifications
    1. 6.1 Absolute Maximum Ratings
    2. 6.2 ESD Ratings
    3. 6.3 Recommended Operating Conditions
    4. 6.4 Thermal Information
    5. 6.5 Electrical Characteristics
    6. 6.6 Typical Characteristics
      1. 6.6.1 Single-Ended Input
  7. Detailed Description
    1. 7.1 Overview
    2. 7.2 Functional Block Diagram
    3. 7.3 Feature Description
    4. 7.4 Device Functional Modes
    5. 7.5 Programming
      1. 7.5.1 Digital Control of the Gain and Power-Down Pins
        1. 7.5.1.1 Parallel Interface
        2. 7.5.1.2 SPI-Compatible Serial Interface
  8. Application and Implementation
    1. 8.1 Application Information
      1. 8.1.1 Input Characteristics
      2. 8.1.2 Output Characteristics
      3. 8.1.3 Interfacing to an ADC
        1. 8.1.3.1 ADC Noise Filter
        2. 8.1.3.2 AC Coupling to ADC
        3. 8.1.3.3 DC Coupling to ADC
      4. 8.1.4 Figure of Merit: Dynamic Range Figure
    2. 8.2 Typical Applications
      1. 8.2.1 LMH6881 Typical Application
        1. 8.2.1.1 Design Requirements
        2. 8.2.1.2 Detailed Design Procedure
        3. 8.2.1.3 Application Curves
      2. 8.2.2 LMH6881 Used as Twisted-Pair Cable Driver
        1. 8.2.2.1 Design Requirements
        2. 8.2.2.2 Detailed Design Procedure
        3. 8.2.2.3 Application Curves
  9. Power Supply Recommendations
  10. 10Layout
    1. 10.1 Layout Guidelines
      1. 10.1.1 Uncontrolled Impedance Traces
    2. 10.2 Layout Example
    3. 10.3 Thermal Considerations
  11. 11器件和文档支持
    1. 11.1 文档支持
      1. 11.1.1 相关文档 
    2. 11.2 商标
    3. 11.3 静电放电警告
    4. 11.4 术语表
  12. 12机械封装和可订购信息

封装选项

机械数据 (封装 | 引脚)
散热焊盘机械数据 (封装 | 引脚)
订购信息

8 Application and Implementation

NOTE

Information in the following applications sections is not part of the TI component specification, and TI does not warrant its accuracy or completeness. TI’s customers are responsible for determining suitability of components for their purposes. Customers should validate and test their design implementation to confirm system functionality.

8.1 Application Information

8.1.1 Input Characteristics

The LMH6881 has internally terminated inputs. The INMD and INPD pins are intended to be the differential input pins and have an internal 100-Ω resistive termination. An example differential circuit is shown in Figure 37. When using the differential inputs, the single-ended inputs should be left disconnected.

The INMS and INPS pins are intended to be used for single-ended inputs and have been designed to support single-ended termination of 50 Ω working as an active termination. For single-ended signals an external 50-Ω resistor is required as shown in Figure 38. When using the single-ended inputs, the differential inputs should be left disconnected.

All of the input pins are self biased to 2.5 V. When using the LMH6881 for DC-coupled applications it is possible to externally bias the input pins to voltages from 1.5 V to 3.5 V. Performance is best at the 2.5-V level specified. Performance will degrade slightly as the common mode shifts away from 2.5 V.

The first stage of the LMH6881 is a low-noise amplifier that can accommodate a maximum input signal of 2 Vppd on the differential input pins and 1 Vpp on either of the single-ended pins. Signals larger than this will cause severe distortion. Although the inputs are protected against ESD, sustained electrical overstress will damage the part. Signal power over 13 dBm should not be applied to the amplifier differential inputs continuously. On the single-ended pins the power limit is 10 dBm for each pin.

8.1.2 Output Characteristics

The LMH6881 has a low-impedance output very similar to a traditional Op-amp output. This means that a wide range of loads can be driven with good performance. Matching load impedance for proper termination of filters is as easy as inserting the proper value of resistor between the filter and the amplifier (See Figure 47 for example.) This flexibility makes system design and gain calculations very easy. By using a differential output stage the LMH6881 can achieve large voltage swings on a single 5-V supply. This is illustrated in Figure 42. This figure shows how a voltage swing of 4 VPPD is realized while only swinging 2 VPP on each output. A 1-VP signal on one branch corresponds to 2 VPP on that branch and 4 VPPD when looking at both branches (positive and negative).

LMH6881 30195866.gifFigure 42. Differential Output Voltage

The LMH6881 has been designed for both AC-coupled and DC-coupled applications. To give more flexibility in DC-coupled applications, the common mode voltage of the output pins is set by the OCM pin. The OCM pin needs to be driven from an external low-noise source. If the OCM pin is left floating, the output common mode is undefined, and the amplifier will not operate properly.

There is a DC gain of 2 between the OCM pin and the output pins so that the OCM voltage should be from 1 V to 1.5 V. This will set the output common mode voltage from 2 V to 3 V. Output common mode voltages outside the recommended range will exhibit poor voltage swing and distortion performance. The amplifier will give optimum performance when the output common mode is set to half of the supply voltage (2.5 V or 1.25 V at the OCM pin).

The ability of the LMH6881 to drive low-impedance loads while maintaining excellent OIP3 performance creates an opportunity to greatly increase power gain and drive low-impedance filters. This gives the system designer much needed flexibility in filter design. In many cases using a lower impedance filter will provide better component values for the filter. Another benefit of low-impedance filters is that they are less likely to be influenced by circuit board parasitic reactances such as pad capacitance or trace inductance. The output stage is a low-impedance voltage amplifier, so voltage gain is constant over different load conditions. Power gain will change based on load conditions. See Figure 43 for details on power gain with respect to different load conditions. The graph was prepared for the 26-dB voltage gain. Other gain settings will behave similarly.

All measurements in this data sheet, unless specified otherwise, refer to voltage or power at the device output pins. For instance, in an OIP3 measurement the power out will be equal to the output voltage at the device pins squared, divided by the total load voltage. In back terminated applications, power to the load would be 3 dB less. Common back terminated applications include driving a matched filter or driving a transmission line.

LMH6881 30195879.gifFigure 43. Power Gain as a Function of the Load

Printed-circuit-board (PCB) design is critical to high-frequency performance. To ensure output stability the load-matching resistors should be placed as close to the amplifier output pins as possible. This allows the matching resistors to mask the board parasitics from the amplifier output circuit. An example of this is shown in Figure 47. Also note that the low-pass filters in Figure 45 and Figure 46 use center-tapped capacitors. Having capacitors to ground provides a path for high-frequency, common-mode energy to dissipate. This is equally valuable for the ADC, so there are also capacitors to ground on the ADC side of the filter. The LMH6881EVAL evaluation board is available to serve as a guide for system board layout. See SNOA869 for more details.

8.1.3 Interfacing to an ADC

The LMH6881 is an excellent choice for driving high-speed ADCs such as the ADC12D1800RF, ADC12D1600RF or the ADS5400. The following sections will detail several elements of ADC system design, including noise filters, and AC- and DC-coupling options.

8.1.3.1 ADC Noise Filter

When connecting a broadband amplifier to an analog-to-digital converter, it is nearly always necessary to filter the signal before sampling it with the ADC. Figure 44 shows a schematic of a second order Butterworth filter, and Table 6 shows component values for some common IF frequencies. These filters offer a good compromise between bandwidth, noise rejection and cost. This filter topology is the same as is used on the ADC14V155KDRB High IF Receiver reference design board. This filter topology is adequate for reducing aliasing of broadband noise and will also provide rejection of harmonic distortion and many of the images that are commonly created by mixers.

LMH6881 30195813.gifFigure 44. ADC Noise Filter Schematic

Table 6. Filter Component Values(1)

CENTER FREQUENCY BANDWIDTH R1, R2 L1, L2 C1, C2 C3 L5 R3, R4
75 MHz 40 MHz 90 Ω 390 nH 10 pF 22 pF 220 nH 100 Ω
150 MHz 60 MHz 90 Ω 370 nH 3 pF 19 pF 62 nH 100 Ω
180 MHz 75 MHz 90 Ω 300 nH 2.7 pF 15 pF 54 nH 100 Ω
250 MHz 100 MHz 90 Ω 225 nH 1.9 pF 11 pF 36 nH 100 Ω
(1) Resistor values are approximate, but have been reduced due to the internal 10 Ω of output resistance per pin.

8.1.3.2 AC Coupling to ADC

AC coupling is an effective method for interfacing to an ADC for many communications systems. In many applications this will be the best choice. The LMH6881 evaluation board is configured for AC coupling as shipped from the factory. Coupling with capacitors is usually the most cost-effective method. Transformers can provide both AC coupling and impedance transformation as well as single-ended to differential conversion. One of the key benefits to AC coupling is that each stage of the system can be biased to the ideal DC operating point. Many systems operate with lower overall power dissipation when DC bias currents are eliminated between stages.

8.1.3.3 DC Coupling to ADC

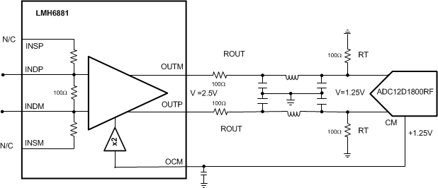
The LMH6881 supports DC-coupled signals. In order to successfully implement a DC-coupled signal chain the common-mode voltage requirements of every stage need to be met. This will require careful planning, and in some cases there will be signal level, gain or termination compromises required to meet the requirements of every part. Figure 45 and Figure 46 show a method using resistors to change the 2.5-V common mode of the amplifier output to a common mode compatible for the input of a low-input-voltage ADC such as the ADC12D1800RF. This DC level shift is achieved while maintaining an AC impedance match with the filter in Figure 45, while in Figure 46 there is a small mismatch between the amplifier termination resistors and the ADC input. Because there is no universal ADC input common mode and some ADCs have impedance controlled input, each design will require a different resistor ratio. For high-speed data conversion systems it is very important to keep the physical distance between the amplifier and the ADC electrically short. When connections between the amplifier and the ADC are electrically short, termination mismatches are not critical.

LMH6881 30195868.gifFigure 45. DC-Coupled ADC Driver Example 1, High-Input Impedance ADC
LMH6881 30195883.gifFigure 46. DC-Coupled ADC Driver Example 2, Terminated Input ADC

8.1.4 Figure of Merit: Dynamic Range Figure

The dynamic range figure (DRF) as illustrated in Figure 4, is defined as the input third order intercept point (IIP3) minus the noise figure (NF). The combination of noise figure and linearity gives a good proxy for the total dynamic range of an amplifier. In some ways this figure is similar to the SFDR of an analog-to-digital converter. In contrast to an ADC, though, an amplifier will not have a full-scale input to use as a reference point. With amplifiers, there is no one point where signal amplitude hits “full scale”. Yet, there are real limitations to how large of a signal the amplifier can handle. Normally, the distortion products produced by the amplifier will determine the upper limit to signal amplitude. The intermodulation intercept point is an imaginary point that gives a well understood figure of merit for the maximum signal an amplifier can handle. For low-amplitude signals the noise figure gives a threshold of the lowest signal that the amplifier can reproduce. By combining the third-order input intercepts point and the noise figure the DRF gives a very good indication of the available dynamic range offered.

Table 7. Compatible High Speed ADCs

PRODUCT NUMBER MAX SAMPLING RATE (MSPS) RESOLUTION CHANNELS
ADC12D1800RF 1800 12 DUAL
ADC12D1600RF 1600 12 DUAL
12D1000 RF 1000 12 DUAL
ADC12D800RF 800 12 DUAL
ADS5400 1000 12 SINGLE
ADC12C105 105 12 SINGLE
ADC10D1500 1500 10 DUAL
ADC12C170 170 12 SINGLE
ADC12V170 170 12 SINGLE
ADC14C105 105 14 SINGLE
ADC14DS105 105 14 DUAL
ADC14155 155 14 SINGLE
ADC14V155 155 14 SINGLE
ADC16V130 130 16 SINGLE
ADC16DV160 160 16 DUAL
ADC08D500 500 8 DUAL
ADC08500 500 8 SINGLE
ADC08D1000 1000 8 DUAL
ADC081000 1000 8 SINGLE
ADC08D1500 1500 8 DUAL
ADC081500 1500 8 SINGLE
ADC08(B)3000 3000 8 SINGLE
ADC08100 100 8 SINGLE
ADCS9888 170 8 SINGLE
ADC08(B)200 200 8 SINGLE
ADC11C125 125 11 SINGLE
ADC11C170 170 11 SINGLE

8.2 Typical Applications

8.2.1 LMH6881 Typical Application

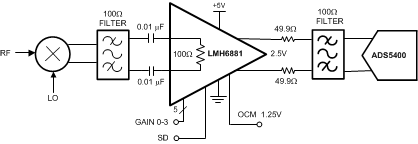
LMH6881 30195834.gifFigure 47. LMH6881 Typical Application

8.2.1.1 Design Requirements

Table 8 shows a design example for an IF amplifier in a typical direct-IF receiver application and LMH6882 meets these requirements.

Table 8. Example Design Requirement for an IF Receiver Application

SPECIFICATION EXAMPLE DESIGN REQUIREMENT
Supply Voltage and Current 4.75 V to 5.25 V, with a minimum 150-mA supply current
Input structure and Impedance DC-coupled Single-ended or Differential with 100-Ω input differential impedance
Output control DC coupled with output common mode control capability
RF input frequency range DC to 250 MHz
Voltage Gain Range 26 dB to 6 dB
OIP3 in RF input frequency range for Pout = 4 dBm/tone with RL = 200 Ω > 38 dBm at 200 MHz for Max Gain
Noise Figure < 12 dB at Max Gain across RF input frequency
Attenuation Control Parallel control as well as SPI control

8.2.1.2 Detailed Design Procedure

The LMH6881 device can be included in most receiver applications by following these basic procedures:

  • Select an appropriate input drive circuitry to the LMH6881 by frequency planning the signal chain properly such that the down-converted input signal is within the input frequency specifications of the device. Identify whether dc-or ac-coupling is required or filtering is needed to optimize the system. Follow the guidelines mentioned in Input Characteristics for interfacing the LMH6881 inputs.
  • Choose the right speed grade ADC that meets the signal bandwidth application. Based upon the noise filtering and anti-aliasing requirement , determine the right order and type for the anti-aliasing filter. Follow the guidelines mentioned in Output Characteristics and Interfacing to an ADC when interfacing the device to an anti-aliasing filter.
  • Optimize the signal chain gain leading up to the ADC for best SNR and SFDR performance by employing the device in automatic gain control (AGC) loop using serial or parallel digital interface.
  • While interfacing the digital inputs, verify the electrical and functional compatibility of the LMH6881 digital input pins with the external microcontroller (µC).
  • Choose the appropriate power-supply architecture and supply bypass filtering devices to provide stable, low noise supplies as mentioned in the Power Supply Recommendations.

8.2.1.3 Application Curves

LMH6881 30195856.gifFigure 48. OIP3 vs Frequency
LMH6881 30195850.gifFigure 49. Noise Figure vs Voltage Gain

8.2.2 LMH6881 Used as Twisted-Pair Cable Driver

LMH6881 30195840.gifFigure 50. LMH6881 Used as Twisted-Pair Cable Driver

8.2.2.1 Design Requirements

Table 9 shows a design example for LMH6881 used as cable driver for driving unshielded twisted-pair (UTP) CAT-5 cables.

Table 9. Example Design Requirement for a Cable Driver

SPECIFICATION EXAMPLE DESIGN REQUIREMENT
Supply Voltage and Current 4.75 V to 5.25 V, with a minimum 150-mA supply current
Input to Output Device Configuration Single-ended input to differential output
Input frequency range 0.1 to 100 MHz
Voltage Gain Range 26-dB to 6-dB gain range
Output voltage swing 4 Vppdiff into a 200-Ω load at the output
Cable length to be driven 300 to 400 feet

8.2.2.2 Detailed Design Procedure

The LMH6881 device can be used as a cable driver to drive (UTP) CAT-5 cable by following these basic procedures:

  • Select an appropriate input buffer or drive circuitry to the LMH6881 that provides pre-equalization in the frequency range of interest that needs to be driven down the CAT-5 cable. The cable usually presents attenuation of the signal at the receive end which is proportional to the length of the cable and the frequency being transmitted. In some cases, use of the pre-equalization buffer is not possible which mandates the use of a post-equalizer at the receive end to gain up the received signal.
  • Determine the maximum output swing required to be transmitted in-order to receive the signal with good signal integrity. When driving long cable lengths, there is a possibility of corruption of differential signals due to common mode signals which requires the use of devices that offer good common mode rejection. Also, care must be taken to match the source impedance with the characteristic impedance of the CAT-5 cable to minimize signal reflections at higher frequencies. The LMH6881 offers low differential output resistance that makes source matching of driven cable very convenient.
  • Verify the electrical and functional compatibility when interfacing LMH6881 digital input pins with the external microcontroller (µC).
  • Also, use appropriate power-supply architecture and supply bypass filtering devices to provide stable, low noise supplies as mentioned in the Power Supply Recommendations.

8.2.2.3 Application Curves

LMH6881 30195885.gifFigure 51. Output Power vs Input Power
LMH6881 30195841.gifFigure 52. Common Mode Rejection (Sdc21) vs Frequency