ZHCSIP3G June   2005  – August 2018 LMH6572

PRODUCTION DATA.  

  1. 特性
  2. 应用
  3. 说明
    1.     Device Images
  4. 修订历史记录
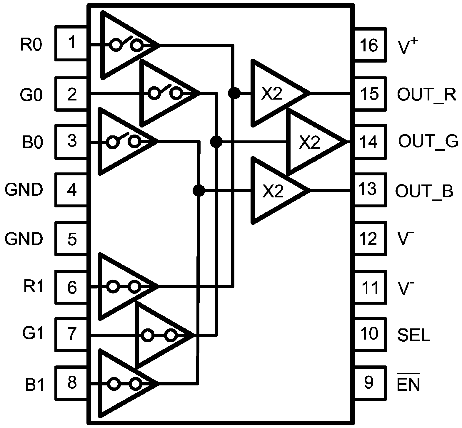
  5. Pin Configuration and Functions
    1.     Truth Table
  6. Specifications
    1. 6.1 Absolute Maximum Ratings
    2. 6.2 ESD Ratings
    3. 6.3 Recommended Operating Conditions
    4. 6.4 Thermal Information
    5. 6.5 ±5V Electrical Characteristics
    6. 6.6 ±3.3V Electrical Characteristics
    7. 6.7 Typical Characteristics
  7. Detailed Description
    1. 7.1 Overview
    2. 7.2 Feature Description
      1. 7.2.1 Single Supply Operation
      2. 7.2.2 Video Performance
      3. 7.2.3 Gain Accuracy
      4. 7.2.4 Expanding the Multiplexer
      5. 7.2.5 Other Applications
        1. 7.2.5.1 Driving Capacitive Loads
  8. Power Supply Recommendations
    1. 8.1 Power Dissipation
    2. 8.2 ESD Protection
  9. Layout
    1. 9.1 Layout Guidelines
      1. 9.1.1 Evaluation Boards
  10. 10器件和文档支持
    1. 10.1 接收文档更新通知
    2. 10.2 社区资源
    3. 10.3 商标
    4. 10.4 静电放电警告
    5. 10.5 术语表
  11. 11机械、封装和可订购信息

封装选项

机械数据 (封装 | 引脚)
散热焊盘机械数据 (封装 | 引脚)
订购信息

Device Images

LMH6572 20109605.png