SNAS254B October   2006  – April 2017 LM98714

PRODUCTION DATA.  

  1. Features
  2. Applications
  3. Description
  4. Revision History
  5. Pin Configuration and Functions
  6. Specifications
    1. 6.1 Absolute Maximum Ratings
    2. 6.2 ESD Ratings
    3. 6.3 Recommended Operating Conditions
    4. 6.4 Thermal Information
    5. 6.5 Electrical Characteristics
    6. 6.6 AC Timing Specifications
    7. 6.7 Typical Characteristics
  7. Detailed Description
    1. 7.1 Overview
    2. 7.2 Functional Block Diagram
    3. 7.3 Feature Description
      1. 7.3.1  Input Clock Introduction
      2. 7.3.2  Modes of Operation
        1. 7.3.2.1 Mode 3 - Three Channel Input/Synchronous Pixel Sampling
        2. 7.3.2.2 Mode 2 - Two Channel Input/Synchronous Pixel Sampling
        3. 7.3.2.3 Mode 1a - One Channel Input/One, Two, Three, Four, or Five Color Sequential Line Sampling
        4. 7.3.2.4 Mode 1b - One Channel Input Per Line/Sequential Line (Input) Sampling/Three Channel Processing
      3. 7.3.3  Input Bias and Clamping
        1. 7.3.3.1 CDS Mode
        2. 7.3.3.2 Input Source Follower Buffers
        3. 7.3.3.3 VCLP DAC
      4. 7.3.4  Coarse Pixel Phase Alignment
      5. 7.3.5  Internal Sample Timing
      6. 7.3.6  Automatic Black Level Correction Loop
        1. 7.3.6.1 Black Level Offset DAC
        2. 7.3.6.2 Black Level Clamp (BLKCLP)
        3. 7.3.6.3 Pixel Averaging
        4. 7.3.6.4 Target Black Level
        5. 7.3.6.5 Offset Integration
        6. 7.3.6.6 Line Averaging
      7. 7.3.7  Internal Timing Generation
        1. 7.3.7.1 Pix Signal Generator OR/NOR Modes
        2. 7.3.7.2 SH2 and SH3 Generation
      8. 7.3.8  CCD Timing Generator Master/Slave Modes
        1. 7.3.8.1 Master Timing Generator Mode
        2. 7.3.8.2 Slave Timing Generator Mode
      9. 7.3.9  LVDS Output Mode
        1. 7.3.9.1 LVDS Output Format
        2. 7.3.9.2 LVDS Output Timing Details
        3. 7.3.9.3 LVDS Control Bit Coding
        4. 7.3.9.4 LVDS Data Latency Diagrams
        5. 7.3.9.5 LVDS Test Modes
          1. 7.3.9.5.1 Test Mode 1 - Worst Case Transitions
          2. 7.3.9.5.2 Test Mode 2 - Ramp
          3. 7.3.9.5.3 Test Mode 3 - Fixed Output Data
      10. 7.3.10 CMOS Output Mode
        1. 7.3.10.1 CMOS Output Data Format
      11. 7.3.11 CMOS Output Data Latency Diagrams
    4. 7.4 Device Functional Modes
      1. 7.4.1 Mode 3 - Three Channel Input/Synchronous Pixel Sampling
      2. 7.4.2 Mode 2 - Two Channel Input/Synchronous Pixel Sampling
      3. 7.4.3 Mode 1a - One Channel Input/One, Two, Three, Four, Or Five Color Sequential Line Sampling
      4. 7.4.4 Mode 1b - One Channel Color Input Per Line/Sequential Line (Input) Sampling/Three Channel Processing
    5. 7.5 Programming
      1. 7.5.1 Serial Interface
        1. 7.5.1.1 Writing To The Serial Registers
        2. 7.5.1.2 Reading The Serial Registers
        3. 7.5.1.3 Serial Interface Timing Details
    6. 7.6 Register Maps
      1. 7.6.1 Configuration Registers
      2. 7.6.2 Register Definition
  8. Application and Implementation
    1. 8.1 Typical Application
  9. Device and Documentation Support
    1. 9.1 Documentation Support
      1. 9.1.1 Device Support
        1. 9.1.1.1 Development Support
      2. 9.1.2 Related Documentation
    2. 9.2 Receiving Notification of Documentation Updates
    3. 9.3 Community Resources
    4. 9.4 Trademarks
    5. 9.5 Electrostatic Discharge Caution
    6. 9.6 Glossary
  10. 10Mechanical, Packaging, and Orderable Information

封装选项

机械数据 (封装 | 引脚)
散热焊盘机械数据 (封装 | 引脚)
订购信息

Application and Implementation

NOTE

Information in the following applications sections is not part of the TI component specification, and TI does not warrant its accuracy or completeness. TI’s customers are responsible for determining suitability of components for their purposes. Customers should validate and test their design implementation to confirm system functionality.

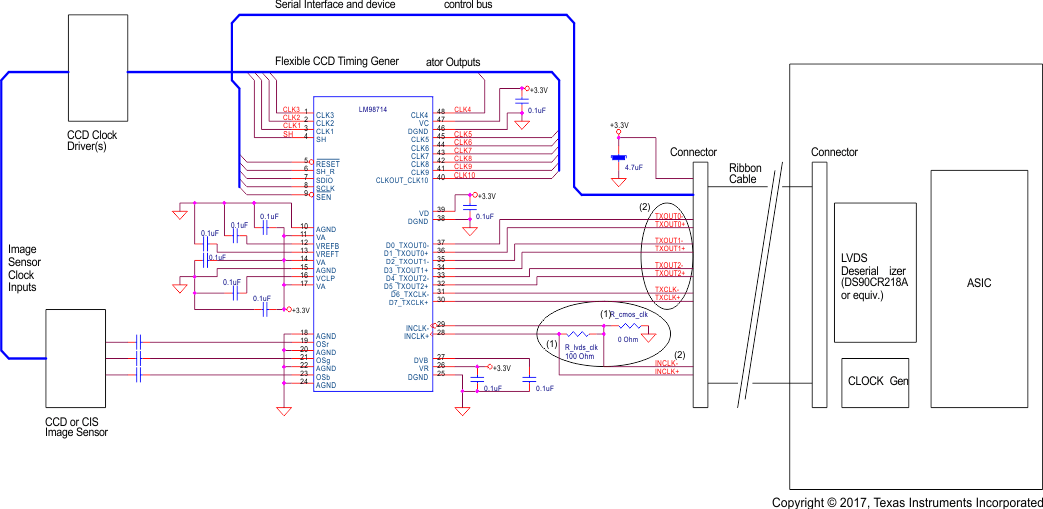
Typical Application

LM98714 Typical_Application_Schematic_Landscape_Border.gif
If using an LVDS input clock, terminate the clock at the pins with a 100-Ω resistor and remove the 0-Ω resistor from INCLK- to ground.
If using a CMOS input clock, short the INCLK- pin to ground and remove the 100-Ω LVDS termination resistor.
Maintain 100-Ω impedance for all LVDS differential pair paths.
Figure 61. Typical Application Diagram