ZHCSMT1 September   2021 LM74700-EP

PRODUCTION DATA  

  1. 特性
  2. 应用
  3. 说明
  4. Revision History
  5. Pin Configuration and Functions
  6. Specifications
    1. 6.1 Absolute Maximum Ratings
    2. 6.2 ESD Ratings
    3. 6.3 Recommended Operating Conditions
    4. 6.4 Thermal Information
    5. 6.5 Electrical Characteristics
    6. 6.6 Switching Characteristics
    7. 6.7 Typical Characteristics
  7. Parameter Measurement Information
  8. Detailed Description
    1. 8.1 Overview
    2. 8.2 Functional Block Diagram
    3. 8.3 Feature Description
      1. 8.3.1 Input Voltage
      2. 8.3.2 Charge Pump
      3. 8.3.3 Gate Driver
      4. 8.3.4 Enable
    4. 8.4 Device Functional Modes
      1. 8.4.1 Shutdown Mode
      2. 8.4.2 Conduction Mode
        1. 8.4.2.1 Regulated Conduction Mode
        2. 8.4.2.2 Full Conduction Mode
        3. 8.4.2.3 Reverse Current Protection Mode
  9. Application and Implementation
    1. 9.1 Application Information
    2. 9.2 Typical Application
      1. 9.2.1 Design Requirements
      2. 9.2.2 Detailed Design Procedure
        1. 9.2.2.1 Design Considerations
        2. 9.2.2.2 MOSFET Selection
        3. 9.2.2.3 Charge Pump VCAP, input and output capacitance
      3. 9.2.3 Selection of TVS Diodes for 12-V Battery Protection Applications
      4. 9.2.4 Selection of TVS Diodes and MOSFET for 24-V Battery Protection Applications
      5. 9.2.5 Application Curves
    3. 9.3 OR-ing Application Configuration
  10. 10Power Supply Recommendations
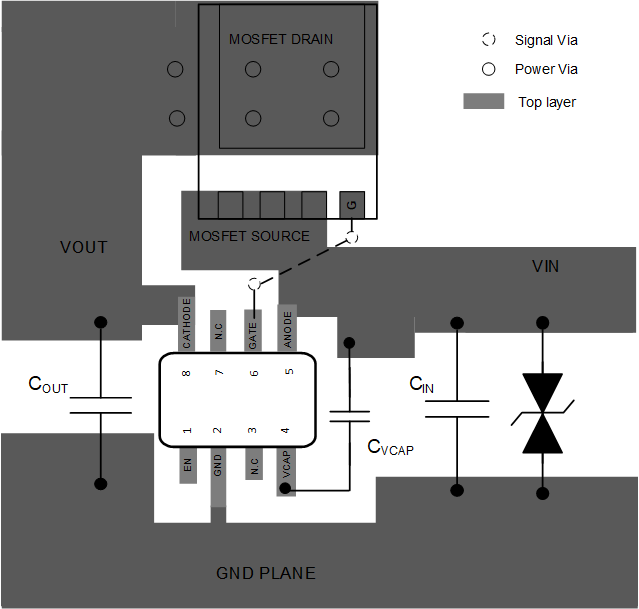
  11. 11Layout
    1. 11.1 Layout Guidelines
    2. 11.2 Layout Example
  12. 12Device and Documentation Support
    1. 12.1 接收文档更新通知
    2. 12.2 支持资源
    3. 12.3 Trademarks
    4. 12.4 Electrostatic Discharge Caution
    5. 12.5 术语表
  13. 13Mechanical, Packaging, and Orderable Information

封装选项

机械数据 (封装 | 引脚)
散热焊盘机械数据 (封装 | 引脚)
订购信息

Layout Example

GUID-20201020-CA0I-BVND-LZ1X-VRDJKF2CB9WT-low.gifFigure 11-1 LM74700-EP DDF Package Layout Example