ZHCSI78E April   2000  – September 2014 LM6132 , LM6134

PRODUCTION DATA.  

  1. 1特性
  2. 2应用
  3. 3说明
    1.     Device Images
      1.      电源电流与电源电压间的关系
      2.      失调电压与电源电压间的关系
  4. 4修订历史记录
  5. 5引脚配置和功能
    1.     SOT-23 的
  6. 6规格
    1. 6.1  最大绝对额定值
    2. 6.2  处理额定值
    3. 6.3  建议的运行条件
    4. 6.4  热性能信息,8 引脚
    5. 6.5  热性能信息,14 引脚
    6. 6.6  5.0V 直流电气特性
    7. 6.7  5.0V 交流电气特性
    8. 6.8  2.7V 直流电气特性
    9. 6.9  2.7V 交流电气特性
    10. 6.10 24V 直流电气特性
    11. 6.11 24V 交流电气特性
    12. 6.12 典型性能特性
  7. 7应用和实现
    1. 7.1 应用信息
    2. 7.2 增强的压摆率
      1. 7.2.1 驱动容性负载
    3. 7.3 典型 应用
      1. 7.3.1 具有轨至轨输入和输出并由三个运算放大器组成的仪表放大器
      2. 7.3.2 平板显示器缓冲
  8. 8器件和文档支持
    1. 8.1 相关链接
    2. 8.2 商标
    3. 8.3 静电放电警告
    4. 8.4 术语表
  9. 9机械、封装和可订购信息

封装选项

机械数据 (封装 | 引脚)
散热焊盘机械数据 (封装 | 引脚)
订购信息

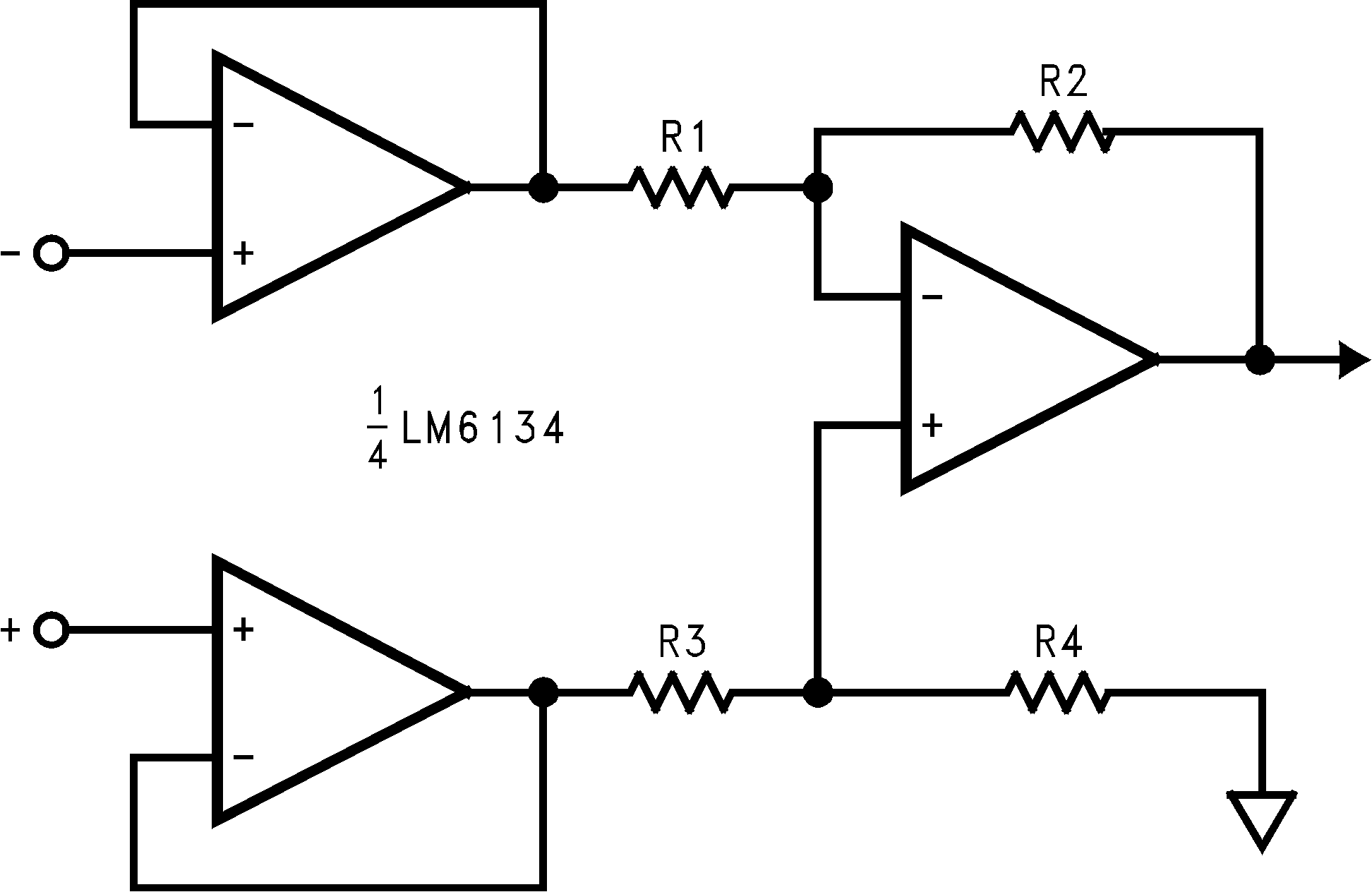
具有轨至轨输入和输出并由三个运算放大器组成的仪表放大器

使用 LM6134 可以设计出一种具有轨至轨输入和轨至轨输出并由 3 个运算放大器组成的仪表放大器。这些 特性 使这些仪表放大器非常适合单电源系统。

一些制造商使用由 5 个电阻器组成的精密分压器阵列来分割共模电压,从而获得轨至轨或更大的输入范围。这种方法的问题在于它也会将信号分割,所以为了获得单位增益,放大器必须以高闭环增益运行。这样就会按照内部增益系数提高噪声和漂移,并降低输入阻抗。此外,这些精密电阻器有任何不匹配都会降低 CMR。使用 LM6134,所有这些问题都能得到解决。

在以下示例中,放大器 A 和 B 充当差分级的缓冲器(Figure 35)。这些缓冲器可确保输入阻抗超过 100MΩ,并且消除了在输入级使用精密匹配电阻器的必要。它们还能确保差分放大器通过电压源驱动。为了维持 CMR(通过匹配 R1-R2 与 R3-R4 进行设定),这是必要的。

LM6132 LM6134 01234944.pngFigure 35. 仪表放大器