ZHCSHT2B August   2010  – March 2018 LM3535

PRODUCTION DATA.  

  1. 特性
  2. 待机功耗
  3. 说明
    1.     Device Images
      1.      典型应用
  4. 修订历史记录
  5. Pin Configuration and Functions
    1.     Pin Functions
  6. Specifications
    1. 6.1 Absolute Maximum Ratings
    2. 6.2 ESD Ratings
    3. 6.3 Recommended Operating Conditions
    4. 6.4 Thermal Information
    5. 6.5 Electrical Characteristics
    6. 6.6 Typical Characteristics
  7. Detailed Description
    1. 7.1 Overview
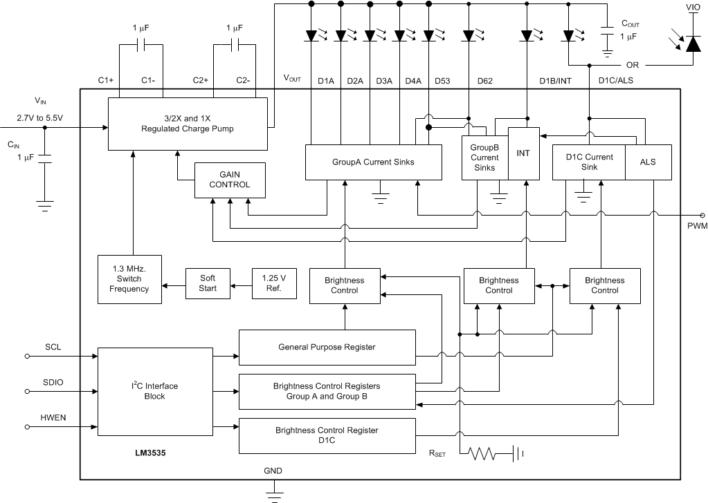
    2. 7.2 Functional Block Diagram
    3. 7.3 Feature Description
      1. 7.3.1 Charge Pump
      2. 7.3.2 Diode Current Sinks
      3. 7.3.3 Ambient Light Sensing (ALS) And Interrupt
      4. 7.3.4 Dynamic Backlight Control Input (PWM Pin)
      5. 7.3.5 LED Forward Voltage Monitoring
      6. 7.3.6 Configurable Gain Transition Delay
      7. 7.3.7 Hardware Enable (HWEN)
    4. 7.4 Device Functional Modes
      1. 7.4.1 Shutdown
      2. 7.4.2 Standby
      3. 7.4.3 Active Mode
    5. 7.5 Programming
      1. 7.5.1 I2C Compatible Interface
        1. 7.5.1.1 Data Validity
        2. 7.5.1.2 Start and Stop Conditions
        3. 7.5.1.3 Transferring Data
        4. 7.5.1.4 I2C Compatible Chip Address
        5. 7.5.1.5 Internal Registers of LM3535
  8. Application and Implementation
    1. 8.1 Application Information
    2. 8.2 Typical Application
      1. 8.2.1 Design Requirements
      2. 8.2.2 Detailed Design Procedure
        1. 8.2.2.1 Ambient Light Sensing
          1. 8.2.2.1.1 Ambient Light Sensor Block
          2. 8.2.2.1.2 ALS Operation
            1. 8.2.2.1.2.1 ALS Configuration Example
          3. 8.2.2.1.3 ALS Averaging Time
          4. 8.2.2.1.4 Ambient Light Current Control + PWM
            1. 8.2.2.1.4.1 ALS + PWM Example
        2. 8.2.2.2 LED Configurations
        3. 8.2.2.3 Maximum Output Current, Maximum LED Voltage, Minimum Input Voltage
          1. 8.2.2.3.1 Total Output Current Capability
        4. 8.2.2.4 Parallel Connected and Unused Outputs
        5. 8.2.2.5 Power Efficiency
        6. 8.2.2.6 Power Dissipation
        7. 8.2.2.7 Thermal Protection
        8. 8.2.2.8 Capacitor Selection
      3. 8.2.3 Application Curves
  9. Power Supply Recommendations
  10. 10Layout
    1. 10.1 Layout Guidelines
    2. 10.2 Layout Example
  11. 11器件和文档支持
    1. 11.1 接收文档更新通知
    2. 11.2 社区资源
    3. 11.3 商标
    4. 11.4 静电放电警告
    5. 11.5 Glossary
  12. 12机械、封装和可订购信息

封装选项

机械数据 (封装 | 引脚)
散热焊盘机械数据 (封装 | 引脚)
订购信息

Functional Block Diagram

LM3535 block.gif