ZHCSGG2 June   2017 LM338-MIL

PRODUCTION DATA.  

  1. 特性
  2. 应用
  3. 说明
  4. 修订历史记录
  5. Pin Configuration and Functions
  6. Specifications
    1. 6.1 Absolute Maximum Ratings
    2. 6.2 Recommended Operating Conditions
    3. 6.3 Thermal Information
    4. 6.4 Electrical Characteristics
    5. 6.5 Typical Characteristics
  7. Detailed Description
    1. 7.1 Overview
    2. 7.2 Functional Block Diagram
    3. 7.3 Feature Description
      1. 7.3.1 NPN Darlington Output Drive
      2. 7.3.2 Overload Block
      3. 7.3.3 Programmable Feedback
    4. 7.4 Device Functional Modes
      1. 7.4.1 Normal Operation
      2. 7.4.2 Operation With Low Input Voltage
      3. 7.4.3 Operation at Light Loads
      4. 7.4.4 Operation in Self Protection
  8. Application and Implementation
    1. 8.1 Application Information
    2. 8.2 Typical Applications
      1. 8.2.1 Constant 5-V Regulator
        1. 8.2.1.1 Design Requirements
        2. 8.2.1.2 Detailed Design Procedure
          1. 8.2.1.2.1 External Capacitors
          2. 8.2.1.2.2 Load Regulation
          3. 8.2.1.2.3 Protection Diodes
        3. 8.2.1.3 Application Curves
    3. 8.3 System Examples
  9. Power Supply Recommendations
  10. 10Layout
    1. 10.1 Layout Guidelines
    2. 10.2 Layout Example
  11. 11器件和文档支持
    1. 11.1 接收文档更新通知
    2. 11.2 社区资源
    3. 11.3 商标
    4. 11.4 静电放电警告
    5. 11.5 Glossary
  12. 12机械、封装和可订购信息

封装选项

机械数据 (封装 | 引脚)
散热焊盘机械数据 (封装 | 引脚)
订购信息

Detailed Description

Overview

The LM338 device is an adjustable, three-terminal, positive-voltage regulator capable of supplying more than 5 A over an output-voltage range of 1.2 V to 32 V. It requires only two external resistors to set the output voltage. The device feature a typical line regulation of 0.005% and typical load regulation of 0.1%. It includes time-dependent current limiting, thermal overload protection, and safe operating area protection. Overload protection remains functional even if the ADJUST terminal is disconnected.

The LM338 device is versatile in its applications, including uses in programmable output regulation and local on-card regulation. Or, by connecting a fixed resistor between the ADJUST and OUTPUT terminals, the LM338 device can function as a precision current regulators. An optional output capacitor can be added to improve transient response. The ADJUST terminal can be bypassed to achieve very high ripple-rejection ratios, which are difficult to achieve with standard three-terminal regulators.

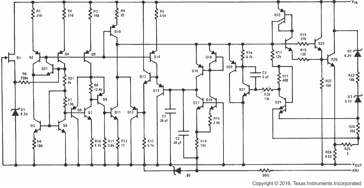
Functional Block Diagram

LM338-MIL 00906009.png

Feature Description

NPN Darlington Output Drive

NPN Darlington output topology provides naturally low output impedance and an output capacitor is optional. To support maximum current and lowest temperature, 3-V headroom is recommended (VI – VO).

Overload Block

Overcurrent and overtemperature shutdown protects the device against overload or damage from operating in excessive heat.

Programmable Feedback

Op amp with 1.25-V offset input at the ADJUST terminal provides easy output voltage or current (not both) programming. For current regulation applications, a single resistor whose resistance value is 1.25 V/IO and power rating is greater than 1.25 V2/R must be used. For voltage regulation applications, two resistors set the output voltage.

Device Functional Modes

Normal Operation

The device OUTPUT pin sources current necessary to make OUTPUT pin 1.25 V greater than ADJUST terminal to provide output regulation.

Operation With Low Input Voltage

The device requires up to 3-V headroom (VI – VO) to operate in regulation. With less headroom, the device may drop out and OUTPUT voltage is INPUT voltage minus drop out voltage.

Operation at Light Loads

The device passes its bias current to the OUTPUT pin. The load or feedback must consume this minimum current for regulation or the output may be too high. A 250-Ω feedback resistor between OUTPUT and ADJUST consumes the worst case minimum load current of 5 mA.

Operation in Self Protection

When an overload occurs, the device shuts down Darlington NPN output stage or reduces the output current to prevent device damage. The device automatically resets from the overload. The output may be reduced or alternate between on and off until the overload is removed.