ZHCSOW0J January   2000  – March 2022 LM158-N , LM258-N , LM2904-N , LM358-N

PRODUCTION DATA  

  1. 特性
  2. 应用
  3. 说明
  4. Revision History
  5. Pin Configuration and Functions
  6. Specifications
    1. 6.1 Absolute Maximum Ratings
    2. 6.2 ESD Ratings
    3. 6.3 Recommended Operating Conditions
    4. 6.4 Thermal Information
    5. 6.5 Electrical Characteristics: LM158A, LM358A, LM158, LM258
    6. 6.6 Electrical Characteristics: LM358, LM2904
    7. 6.7 Typical Characteristics
  7. Detailed Description
    1. 7.1 Overview
    2. 7.2 Functional Block Diagram
    3. 7.3 Feature Description
    4. 7.4 Device Functional Modes
  8. Application and Implementation
    1. 8.1 Application Information
    2. 8.2 Typical Applications
      1. 8.2.1 Noninverting DC Gain
        1. 8.2.1.1 Design Requirements
        2. 8.2.1.2 Detailed Design Procedure
        3. 8.2.1.3 Application Curve
      2. 8.2.2 System Examples
        1. 8.2.2.1 Typical Single-Supply Applications
  9. Power Supply Recommendations
  10. 10Layout
    1. 10.1 Layout Guidelines
    2. 10.2 Layout Example
  11. 11Device and Documentation Support
    1. 11.1 接收文档更新通知
    2. 11.2 支持资源
    3. 11.3 Trademarks
    4. 11.4 Electrostatic Discharge Caution
    5. 11.5 术语表
  12. 12Mechanical, Packaging, and Orderable Information

封装选项

机械数据 (封装 | 引脚)
散热焊盘机械数据 (封装 | 引脚)
订购信息

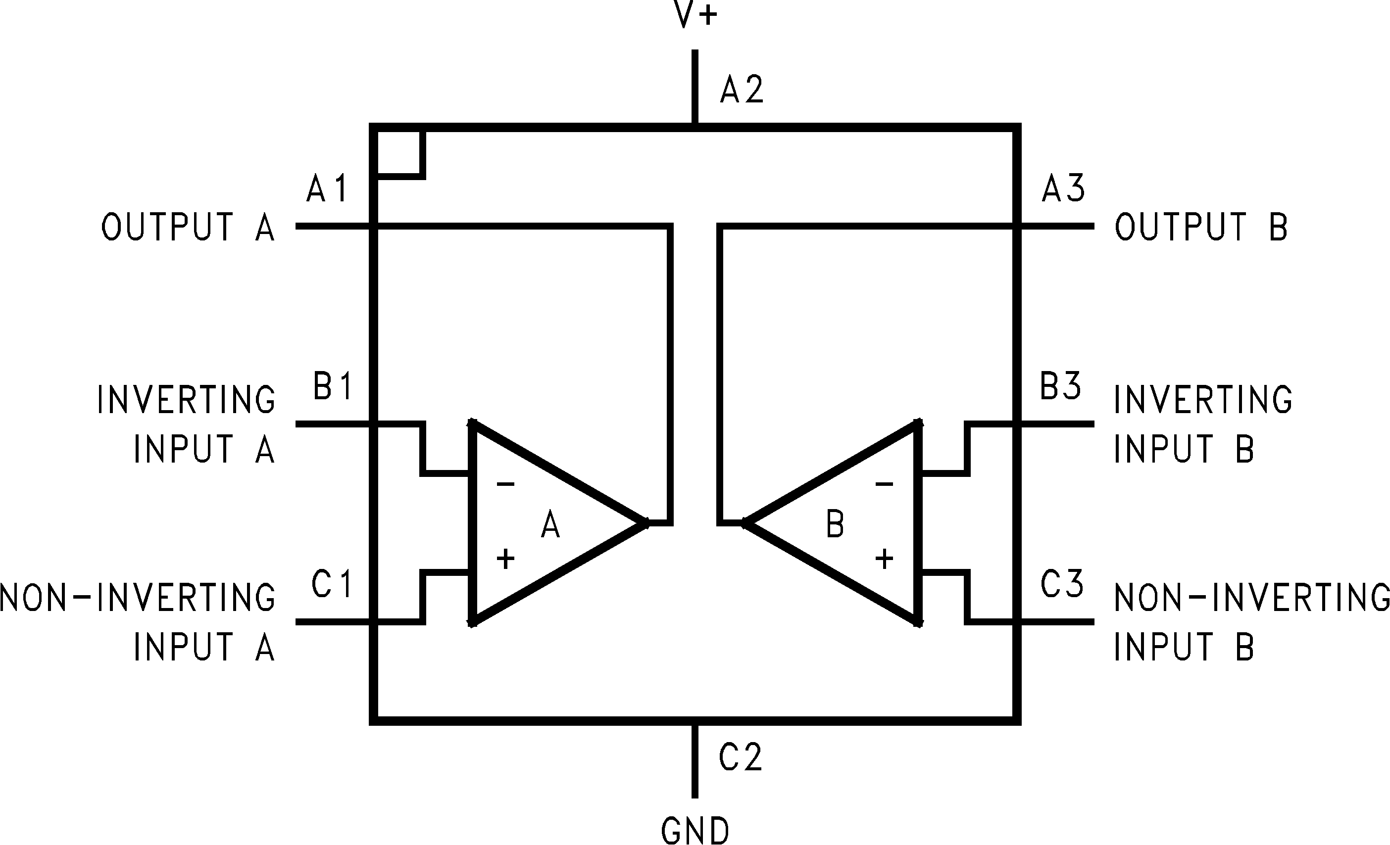
Pin Configuration and Functions

GUID-C9542A0B-B6DE-4780-9507-F45C3254DE49-low.pngFigure 5-1 D, P, and NAB Package8-Pin SOIC, PDIP, and CDIP(Top View)
GUID-CC7F6866-3165-4E61-9C1B-E487CA8704D6-low.pngFigure 5-3 YPB Package8-Pin DSBGA Top View
GUID-E6168984-8523-418B-8617-BD1893D1CC11-low.pngFigure 5-2 LMC Package8-Pin TO-99Top View
Table 5-1 Pin Functions
PIN TYPE(1) DESCRIPTION
NAME D/P/LMC YPB
OUTA 1 A1 O Output, channel A
–INA 2 B1 I Inverting input, channel A
+INA 3 C1 I Non-inverting input, channel A
GND / V– 4 C2 P Ground for single-supply configurations. Negative supply for dual-supply configurations.
+INB 5 C3 I Non-inverting input, channel B
–INB 6 B3 I Inverting input, channel B
OUTB 7 A3 O Output, channel B
V+ 8 A2 P Positive supply
Signal Types: I = Input, O = Output, I/O = Input or Output, P = Power