ZHCSHW2I June   2007  – September 2018 LM2735

PRODUCTION DATA.  

  1. 特性
  2. 应用
  3. 说明
    1.     Device Images
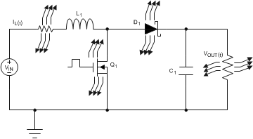
      1.      典型的升压应用电路
      2.      效率与负载电流间的关系(VO = 12V)
  4. 修订历史记录
  5. Pin Configuration and Functions
    1.     Pin Functions
  6. Specifications
    1. 6.1 Absolute Maximum Ratings
    2. 6.2 ESD Ratings: LM2735
    3. 6.3 Recommended Operating Conditions
    4. 6.4 Thermal Information
    5. 6.5 Electrical Characteristics
    6. 6.6 Typical Characteristics
  7. Detailed Description
    1. 7.1 Overview
      1. 7.1.1 Theory of Operation
    2. 7.2 Functional Block Diagram
    3. 7.3 Feature Description
      1. 7.3.1 Current Limit
      2. 7.3.2 Thermal Shutdown
      3. 7.3.3 Soft Start
      4. 7.3.4 Compensation
    4. 7.4 Device Functional Modes
      1. 7.4.1 Enable Pin and Shutdown Mode
  8. Application and Implementation
    1. 8.1 Application Information
    2. 8.2 Typical Applications
      1. 8.2.1  LM2735X SOT-23 Design Example 1
        1. 8.2.1.1 Design Requirements
        2. 8.2.1.2 Detailed Design Procedure
          1. 8.2.1.2.1 Custom Design With WEBENCH® Tools
          2. 8.2.1.2.2 Inductor Selection
          3. 8.2.1.2.3 Input Capacitor
          4. 8.2.1.2.4 Output Capacitor
          5. 8.2.1.2.5 Setting the Output Voltage
        3. 8.2.1.3 Application Curves
      2. 8.2.2  LM2735Y SOT-23 Design Example 2
      3. 8.2.3  LM2735X WSON Design Example 3
      4. 8.2.4  LM2735Y WSON Design Example 4
      5. 8.2.5  LM2735Y MSOP-PowerPAD Design Example 5
      6. 8.2.6  LM2735X SOT-23 Design Example 6
      7. 8.2.7  LM2735Y SOT-23 Design Example 7
      8. 8.2.8  LM2735X SOT-23 Design Example 8
      9. 8.2.9  LM2735Y SOT-23 Design Example 9
      10. 8.2.10 LM2735X WSON Design Example 10
      11. 8.2.11 LM2735Y WSON Design Example 11
      12. 8.2.12 LM2735X WSON SEPIC Design Example 12
      13. 8.2.13 LM2735Y MSOP-PowerPAD SEPIC Design Example 13
      14. 8.2.14 LM2735X SOT-23 LED Design Example 14
      15. 8.2.15 LM2735Y WSON FlyBack Design Example 15
      16. 8.2.16 LM2735X SOT-23 LED Design Example 16 VRAIL > 5.5 V Application
      17. 8.2.17 LM2735X SOT-23 LED Design Example 17 Two-Input Voltage Rail Application
      18. 8.2.18 SEPIC Converter
        1. 8.2.18.1 Detailed Design Procedure
          1. 8.2.18.1.1 SEPIC Design Guide
          2. 8.2.18.1.2 Small Ripple Approximation
          3. 8.2.18.1.3 Steady State Analysis With Loss Elements
  9. Power Supply Recommendations
  10. 10Layout
    1. 10.1 Layout Guidelines
      1. 10.1.1 WSON Package
    2. 10.2 Layout Examples
    3. 10.3 Thermal Considerations
      1. 10.3.1 Definitions
      2. 10.3.2 PCB Design With Thermal Performance in Mind
      3. 10.3.3 LM2735 Thermal Models
      4. 10.3.4 Calculating Efficiency, and Junction Temperature
        1. 10.3.4.1 Example Efficiency Calculation
      5. 10.3.5 Calculating RθJA and RΨJC
        1. 10.3.5.1 Procedure
        2. 10.3.5.2 Example From Previous Calculations
  11. 11器件和文档支持
    1. 11.1 器件支持
      1. 11.1.1 第三方产品免责声明
      2. 11.1.2 开发支持
        1. 11.1.2.1 使用 WEBENCH® 工具创建定制设计
    2. 11.2 文档支持
      1. 11.2.1 相关文档
    3. 11.3 社区资源
    4. 11.4 商标
    5. 11.5 静电放电警告
    6. 11.6 术语表
  12. 12机械、封装和可订购信息

封装选项

机械数据 (封装 | 引脚)
散热焊盘机械数据 (封装 | 引脚)
订购信息

LM2735 Thermal Models

Heat is dissipated from the LM2735 and other devices. The external loss elements include the Schottky diode, inductor, and loads. All loss elements will mutually increase the heat on the PCB, and therefore increase each other’s temperatures.

LM2735 20215843.gifFigure 47. Thermal Schematic
LM2735 20215844.gifFigure 48. Associated Thermal Model