ZHCSIR2 September   2018 LM2735-Q1

PRODUCTION DATA.  

  1. 特性
  2. 应用
  3. 说明
    1.     Device Images
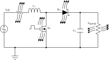
      1.      典型的升压应用电路
      2.      效率与负载电流间的关系(VO = 12V)
  4. 修订历史记录
  5. Pin Configuration and Functions
    1.     Pin Functions
  6. Specifications
    1. 6.1 Absolute Maximum Ratings
    2. 6.2 ESD Ratings
    3. 6.3 Recommended Operating Conditions
    4. 6.4 Thermal Information
    5. 6.5 Electrical Characteristics
    6. 6.6 Typical Characteristics
  7. Detailed Description
    1. 7.1 Overview
      1. 7.1.1 Theory of Operation
    2. 7.2 Functional Block Diagram
    3. 7.3 Feature Description
      1. 7.3.1 Current Limit
      2. 7.3.2 Thermal Shutdown
      3. 7.3.3 Soft Start
      4. 7.3.4 Compensation
    4. 7.4 Device Functional Modes
      1. 7.4.1 Enable Pin and Shutdown Mode
  8. Application and Implementation
    1. 8.1 Application Information
    2. 8.2 Typical Applications
      1. 8.2.1  LM2735X-Q1 SOT-23 Design Example 1
        1. 8.2.1.1 Design Requirements
        2. 8.2.1.2 Detailed Design Procedure
          1. 8.2.1.2.1 Custom Design With WEBENCH® Tools
          2. 8.2.1.2.2 Inductor Selection
          3. 8.2.1.2.3 Input Capacitor
          4. 8.2.1.2.4 Output Capacitor
          5. 8.2.1.2.5 Setting the Output Voltage
        3. 8.2.1.3 Application Curves
      2. 8.2.2  LM2735Y-Q1 SOT-23 Design Example 2
      3. 8.2.3  LM2735X-Q1 WSON Design Example 3
      4. 8.2.4  LM2735Y-Q1 WSON Design Example 4
      5. 8.2.5  LM2735X-Q1 SOT-23 Design Example 6
      6. 8.2.6  LM2735Y-Q1 SOT-23 Design Example 7
      7. 8.2.7  LM2735X-Q1 SOT-23 Design Example 8
      8. 8.2.8  LM2735Y-Q1 SOT-23 Design Example 9
      9. 8.2.9  LM2735X-Q1 WSON Design Example 10
      10. 8.2.10 LM2735Y-Q1 WSON Design Example 11
      11. 8.2.11 LM2735X-Q1 WSON SEPIC Design Example 12
      12. 8.2.12 LM2735X-Q1 SOT-23 LED Design Example 14
      13. 8.2.13 LM2735Y-Q1 WSON FlyBack Design Example 15
      14. 8.2.14 LM2735X-Q1 SOT-23 LED Design Example 16 VRAIL > 5.5 V Application
      15. 8.2.15 LM2735X-Q1 SOT-23 LED Design Example 17 Two-Input Voltage Rail Application
      16. 8.2.16 SEPIC Converter
        1. 8.2.16.1 Detailed Design Procedure
          1. 8.2.16.1.1 SEPIC Design Guide
          2. 8.2.16.1.2 Small Ripple Approximation
          3. 8.2.16.1.3 Steady State Analysis With Loss Elements
  9. Power Supply Recommendations
  10. 10Layout
    1. 10.1 Layout Guidelines
      1. 10.1.1 WSON Package
    2. 10.2 Layout Examples
    3. 10.3 Thermal Considerations
      1. 10.3.1 Definitions
      2. 10.3.2 PCB Design With Thermal Performance in Mind
      3. 10.3.3 LM2735-Q1 Thermal Models
      4. 10.3.4 Calculating Efficiency, and Junction Temperature
        1. 10.3.4.1 Example Efficiency Calculation
      5. 10.3.5 Calculating RθJA and RΨJC
        1. 10.3.5.1 Procedure
        2. 10.3.5.2 Example From Previous Calculations
  11. 11器件和文档支持
    1. 11.1 器件支持
      1. 11.1.1 第三方产品免责声明
    2. 11.2 使用 WEBENCH® 工具创建定制设计方案
    3. 11.3 文档支持
      1. 11.3.1 相关文档
    4. 11.4 接收文档更新通知
    5. 11.5 社区资源
    6. 11.6 商标
    7. 11.7 静电放电警告
    8. 11.8 术语表
  12. 12机械、封装和可订购信息

封装选项

机械数据 (封装 | 引脚)
散热焊盘机械数据 (封装 | 引脚)
订购信息

LM2735-Q1 Thermal Models

Heat is dissipated from the LM2735-Q1 and other devices. The external loss elements include the Schottky diode, inductor, and loads. All loss elements mutually increase the heat on the PCB, and therefore increase each other’s temperatures.

LM2735-Q1 20215843.gifFigure 45. Thermal Schematic
LM2735-Q1 20215844.gifFigure 46. Associated Thermal Model