SLRS008D September   1986  – January 2016 L293 , L293D

PRODUCTION DATA.  

  1. Features
  2. Applications
  3. Description
  4. Revision History
  5. Pin Configuration and Functions
  6. Specifications
    1. 6.1 Absolute Maximum Ratings
    2. 6.2 ESD Ratings
    3. 6.3 Recommended Operating Conditions
    4. 6.4 Thermal Information
    5. 6.5 Electrical Characteristics
    6. 6.6 Switching Characteristics
    7. 6.7 Typical Characteristics
  7. Parameter Measurement Information
  8. Detailed Description
    1. 8.1 Overview
    2. 8.2 Functional Block Diagram
    3. 8.3 Feature Description
    4. 8.4 Device Functional Modes
  9. Application and Implementation
    1. 9.1 Application Information
    2. 9.2 Typical Application
      1. 9.2.1 Design Requirements
      2. 9.2.2 Detailed Design Procedure
      3. 9.2.3 Application Curve
    3. 9.3 System Examples
      1. 9.3.1 L293D as a Two-Phase Motor Driver
      2. 9.3.2 DC Motor Controls
      3. 9.3.3 Bipolar Stepping-Motor Control
  10. 10Power Supply Recommendations
  11. 11Layout
    1. 11.1 Layout Guidelines
    2. 11.2 Layout Example
  12. 12Device and Documentation Support
    1. 12.1 Related Links
    2. 12.2 Community Resources
    3. 12.3 Trademarks
    4. 12.4 Electrostatic Discharge Caution
    5. 12.5 Glossary
  13. 13Mechanical, Packaging, and Orderable Information

封装选项

机械数据 (封装 | 引脚)
散热焊盘机械数据 (封装 | 引脚)
订购信息

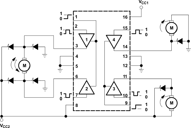
8 Detailed Description

8.1 Overview

The L293 and L293D are quadruple high-current half-H drivers. These devices are designed to drive a wide array of inductive loads such as relays, solenoids, DC and bipolar stepping motors, as well as other high-current and high-voltage loads. All inputs are TTL compatible and tolerant up to 7 V.

Each output is a complete totem-pole drive circuit, with a Darlington transistor sink and a pseudo-Darlington source. Drivers are enabled in pairs, with drivers 1 and 2 enabled by 1,2EN and drivers 3 and 4 enabled by 3,4EN. When an enable input is high, the associated drivers are enabled, and their outputs are active and in phase with their inputs. When the enable input is low, those drivers are disabled, and their outputs are off and in the high-impedance state. With the proper data inputs, each pair of drivers forms a full-H (or bridge) reversible drive suitable for solenoid or motor applications.

On the L293, external high-speed output clamp diodes should be used for inductive transient suppression. On the L293D, these diodes are integrated to reduce system complexity and overall system size. A VCC1 terminal, separate from VCC2, is provided for the logic inputs to minimize device power dissipation. The L293 and L293D are characterized for operation from 0°C to 70°C.

8.2 Functional Block Diagram

L293 L293D FBD.gif
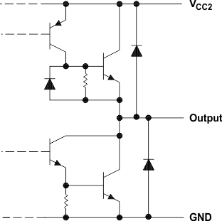
Output diodes are internal in L293D.

8.3 Feature Description

The L293x has TTL-compatible inputs and high voltage outputs for inductive load driving. Current outputs can get up to 2 A using the L293.

8.4 Device Functional Modes

Table 1 lists the fuctional modes of the L293x.

Table 1. Function Table (Each Driver)(1)

INPUTS (2) OUTPUT (Y)
A EN
H H H
L H L
X L Z
(1) H = high level, L = low level, X = irrelevant, Z = high impedance (off)
(2) In the thermal shutdown mode, the output is in the high-impedance state, regardless of the input levels.
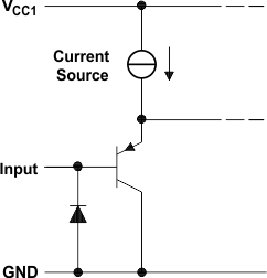
L293 L293D IO_293_1.gif Figure 3. Schematic of Inputs for the L293x
L293 L293D IO_293_2.gif Figure 4. Schematic of Outputs for the L293
L293 L293D IO_293D_3.gif Figure 5. Schematic of Outputs for the L293D