SLRS008D September   1986  – January 2016 L293 , L293D

PRODUCTION DATA.  

  1. Features
  2. Applications
  3. Description
  4. Revision History
  5. Pin Configuration and Functions
  6. Specifications
    1. 6.1 Absolute Maximum Ratings
    2. 6.2 ESD Ratings
    3. 6.3 Recommended Operating Conditions
    4. 6.4 Thermal Information
    5. 6.5 Electrical Characteristics
    6. 6.6 Switching Characteristics
    7. 6.7 Typical Characteristics
  7. Parameter Measurement Information
  8. Detailed Description
    1. 8.1 Overview
    2. 8.2 Functional Block Diagram
    3. 8.3 Feature Description
    4. 8.4 Device Functional Modes
  9. Application and Implementation
    1. 9.1 Application Information
    2. 9.2 Typical Application
      1. 9.2.1 Design Requirements
      2. 9.2.2 Detailed Design Procedure
      3. 9.2.3 Application Curve
    3. 9.3 System Examples
      1. 9.3.1 L293D as a Two-Phase Motor Driver
      2. 9.3.2 DC Motor Controls
      3. 9.3.3 Bipolar Stepping-Motor Control
  10. 10Power Supply Recommendations
  11. 11Layout
    1. 11.1 Layout Guidelines
    2. 11.2 Layout Example
  12. 12Device and Documentation Support
    1. 12.1 Related Links
    2. 12.2 Community Resources
    3. 12.3 Trademarks
    4. 12.4 Electrostatic Discharge Caution
    5. 12.5 Glossary
  13. 13Mechanical, Packaging, and Orderable Information

封装选项

机械数据 (封装 | 引脚)
散热焊盘机械数据 (封装 | 引脚)
订购信息

9 Application and Implementation

NOTE

Information in the following applications sections is not part of the TI component specification, and TI does not warrant its accuracy or completeness. TI’s customers are responsible for determining suitability of components for their purposes. Customers should validate and test their design implementation to confirm system functionality.

9.1 Application Information

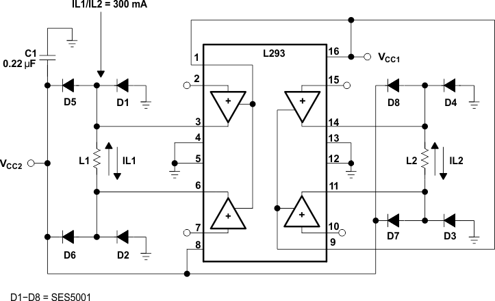
A typical application for the L293 device is driving a two-phase motor. Below is an example schematic displaying how to properly connect a two-phase motor to the L293 device.

Provide a 5-V supply to VCC1 and valid logic input levels to data and enable inputs. VCC2 must be connected to a power supply capable of supplying the needed current and voltage demand for the loads connected to the outputs.

9.2 Typical Application

L293 L293D two_phase_motor_293.gif Figure 6. Two-Phase Motor Driver (L293)

9.2.1 Design Requirements

The design techniques in the application above as well as the applications below should fall within the following design requirements.

  1. VCC1 should fall within the limits described in the Recommended Operating Conditions.
  2. VCC2 should fall within the limits described in the Recommended Operating Conditions.
  3. The current per channel should not exceed 1 A for the L293 (600mA for the L293D).

9.2.2 Detailed Design Procedure

When designing with the L293 or L293D, careful consideration should be made to ensure the device does not exceed the operating temperature of the device. Proper heatsinking will allow for operation over a larger range of current per channel. Refer to the Power Supply Recommendations as well as the Layout Example.

9.2.3 Application Curve

Refer to Power Supply Recommendations for additional information with regards to appropriate power dissipation. Figure 7 describes thermal dissipation based on Figure 14.

L293 L293D max_power_thermal_resist.gif Figure 7. Maximum Power and Junction vs Thermal Resistance

9.3 System Examples

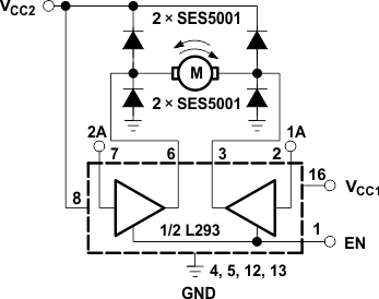
9.3.1 L293D as a Two-Phase Motor Driver

Figure 8 below depicts a typical setup for using the L293D as a two-phase motor driver. Refer to the Recommended Operating Conditions when considering the appropriate input high and input low voltage levels to enable each channel of the device.

L293 L293D two_phase_motor_293D.gif Figure 8. Two-Phase Motor Driver (L293D)

9.3.2 DC Motor Controls

Figure 9 and Figure 10 below depict a typical setup for using the L293 device as a controller for DC motors. Note that the L293 device can be used as a simple driver for a motor to turn on and off in one direction, and can also be used to drive a motor in both directions. Refer to the function tables below to understand unidirectional vs bidirectional motor control. Refer to the Recommended Operating Conditions when considering the appropriate input high and input low voltage levels to enable each channel of the device.

L293 L293D dc_motor_controls.gif
Connections to ground and to supply voltage
Figure 9. DC Motor Controls

Table 2. Unidirectional DC Motor Control

EN 3A M1(1) 4A M2
H H Fast motor stop H Run
H L run L Fast motor stop
L X Free-running motor stop X Free-running motor stop
(1) L = low, H = high, X = don’t care
L293 L293D bidirectional_dc_motor_ctrl.gif Figure 10. Bidirectional DC Motor Control

Table 3. Bidrectional DC Motor Control

EN 1A 2A FUNCTION(1)
H L H Turn right
H H L Turn left
H L L Fast motor stop
H H H Fast motor stop
L X X Free-running motor stop
(1) L = low, H = high, X = don’t care

9.3.3 Bipolar Stepping-Motor Control

Figure 11 below depicts a typical setup for using the L293D as a two-phase motor driver. Refer to the Recommended Operating Conditions when considering the appropriate input high and input low voltage levels to enable each channel of the device.

L293 L293D bipolar_stepping_motor_ctrl.gif Figure 11. Bipolar Stepping-Motor Control