ZHCSFU6F November 2016 – October 2024 ISO7730-Q1 , ISO7731-Q1
PRODUCTION DATA
请参考 PDF 数据表获取器件具体的封装图。
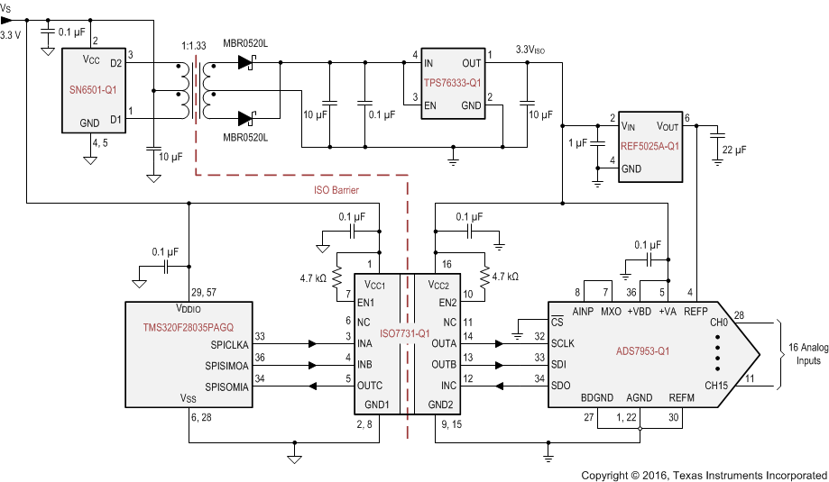
The ISO7731-Q1 device combined with Texas Instruments' Piccolo™ microcontroller, analog-to-digital receiver, transformer driver, and voltage regulator can create an isolated serial peripheral interface (SPI) as shown in Figure 8-1.
