ZHCS786C March   2012  – March 2019 ISO7421E-Q1

PRODUCTION DATA.  

  1. 特性
  2. 应用
  3. 说明
    1.     简化原理图
  4. Pin Configuration and Functions
    1. Table 1. Pin Functions
  5. 静电放电警告
    1.     Device Images
      1. 5.1 Device Function Table
      2. 5.2 Available Options
  6. Absolute Maximum Ratings
  7. Thermal Information
  8. Recommended Operating Conditions
  9. Electrical Characteristics
  10. 10Switching Characteristics
  11. 11Electrical Characteristics
  12. 12Switching Characteristics
  13. 13Electrical Characteristics
  14. 14Switching Characteristics
  15. 15Electrical Characteristics
  16. 16Switching Characteristics
  17. 17Parameter Measurement Information
  18. 18Device Information
    1. 18.1 Package Characteristics
    2. 18.2 IEC 60664-1 Ratings Table
    3. 18.3 Insulation Characteristics
    4. 18.4 Regulatory Information
    5. 18.5 IEC Safety Limiting Values
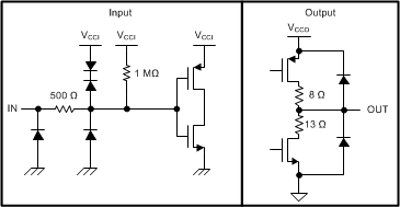
    6. 18.6 Equivalent Input And Output Schematic Diagrams
  19. 19Typical Characteristics
  20. 20Revision History

封装选项

机械数据 (封装 | 引脚)
散热焊盘机械数据 (封装 | 引脚)
订购信息

Equivalent Input And Output Schematic Diagrams

ISO7421E-Q1 IO_sch_llse39.gifFigure 6. I/O Schematic