ZHCSXH8W September   2007  – October 2025 ISO7240C , ISO7240CF , ISO7240M , ISO7241C , ISO7241M , ISO7242C , ISO7242M

PRODUCTION DATA  

  1.   1
  2. 特性
  3. 应用
  4. 说明
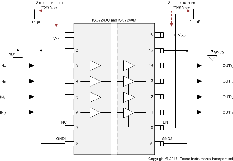
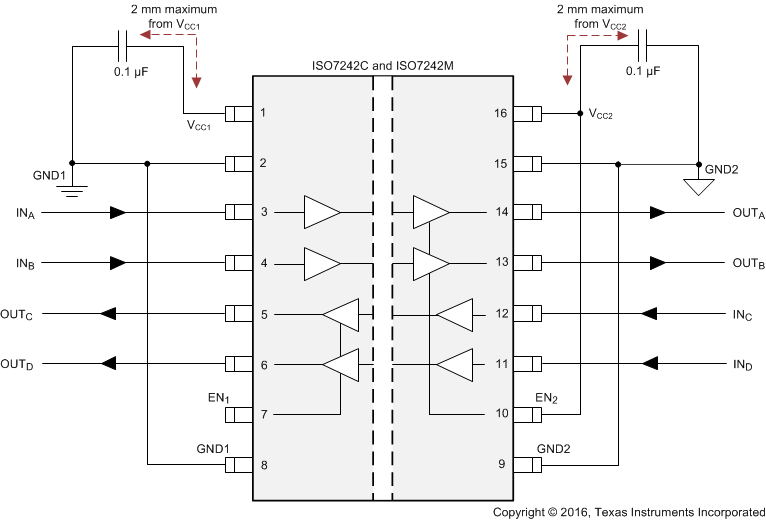
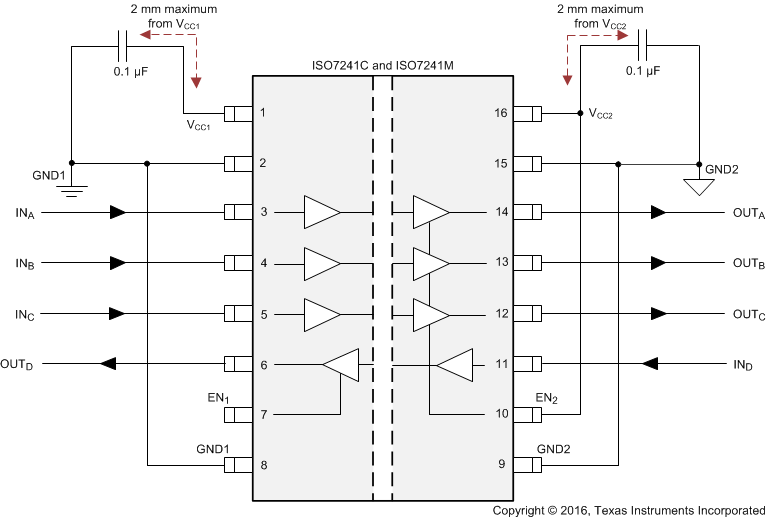
  5. 引脚配置和功能
  6. 规格
    1. 5.1  绝对最大额定值
    2. 5.2  ESD 等级
    3. 5.3  建议运行条件
    4. 5.4  热性能信息
    5. 5.5  功率等级
    6. 5.6  绝缘规格
    7. 5.7  安全相关认证
    8. 5.8  安全限值
    9. 5.9  电气特性:VCC1 和 VCC2 为 5V 运行
    10. 5.10 电源电流特性:VCC1 和 VCC2 为 5V 运行
    11. 5.11 电气特性:VCC1 为 5V,VCC2 为 3.3V 运行
    12. 5.12 电源电流特性:VCC1 为 5V,VCC2 为 3.3V 运行
    13. 5.13 电气特性:VCC1 为 3.3V,VCC2 为 5V 运行
    14. 5.14 电源电流特性:VCC1 为 3.3V,VCC2 为 5V 运行
    15. 5.15 电气特性:VCC1 和 VCC2 为 3.3V 运行
    16. 5.16 电源电流特性:VCC1 和 VCC2 为 3.3V 运行
    17. 5.17 开关特性:VCC1 和 VCC2 为 5V 运行
    18. 5.18 开关特性:VCC1 为 5V,VCC2 为 3.3V 运行
    19. 5.19 开关特性:VCC1 为 3.3V 且 VCC2 为 5V 运行
    20. 5.20 开关特性:VCC1 和 VCC2 为 3.3V 运行
    21. 5.21 绝缘特性曲线
    22. 5.22 典型特性
  7. 参数测量信息
  8. 详细说明
    1. 7.1 概述
    2. 7.2 功能方框图
    3. 7.3 特性说明
    4. 7.4 器件功能模式
      1. 7.4.1 器件 I/O 原理图
  9. 应用和实施
    1. 8.1 应用信息
    2. 8.2 典型应用
      1. 8.2.1 用于过程控制的隔离式数据采集系统
        1. 8.2.1.1 设计要求
        2. 8.2.1.2 详细设计过程
        3. 8.2.1.3 应用曲线
      2. 8.2.2 用于具有 16 个输入的模拟输入模块的隔离式 SPI
        1. 8.2.2.1 设计要求
        2. 8.2.2.2 详细设计过程
        3. 8.2.2.3 应用曲线
      3. 8.2.3 隔离式 RS-232 接口
        1. 8.2.3.1 设计要求
        2. 8.2.3.2 详细设计过程
        3. 8.2.3.3 应用曲线
    3. 8.3 电源相关建议
    4. 8.4 布局
      1. 8.4.1 布局指南
        1. 8.4.1.1 PCB 材料
      2. 8.4.2 布局示例
  10. 器件和文档支持
    1. 9.1 文档支持
      1. 9.1.1 相关文档
    2. 9.2 接收文档更新通知
    3. 9.3 支持资源
    4. 9.4 商标
    5. 9.5 静电放电警告
    6. 9.6 术语表
  11. 10修订历史记录
  12. 11机械、封装和可订购信息

封装选项

机械数据 (封装 | 引脚)
散热焊盘机械数据 (封装 | 引脚)
订购信息

详细设计过程

ISO7240CF ISO7240C ISO7240M ISO7241C ISO7241M ISO7242C ISO7242M ISO7240x 典型电路组装图 8-2 ISO7240x 典型电路组装
ISO7240CF ISO7240C ISO7240M ISO7241C ISO7241M ISO7242C ISO7242M ISO7240CF 典型电路组装图 8-3 ISO7240CF 典型电路组装
ISO7240CF ISO7240C ISO7240M ISO7241C ISO7241M ISO7242C ISO7242M ISO7241x 典型电路组装图 8-4 ISO7241x 典型电路组装
ISO7240CF ISO7240C ISO7240M ISO7241C ISO7241M ISO7242C ISO7242M ISO7242x 典型电路组装图 8-5 ISO7242x 典型电路组装