ZHCSIX9B october 2018 – october 2020 ISO1042-Q1
PRODUCTION DATA
Figure 7-1 Driver Voltage, Current and Test Definitions
Figure 7-2 Bus Logic State Voltage Definitions
Figure 7-4 Receiver Voltage and Current Definitions
| INPUT | OUTPUT | |||
|---|---|---|---|---|
| VCANH | VCANL | |VID| | RXD | |
| -29.5 V | -30.5 V | 1000 mV | L | VOL |
| 30.5 V | 29.5 V | 1000 mV | L | |
| -19.55 V | -20.45 V | 900 mV | L | |
| 20.45 V | 19.55 V | 900 mV | L | |
| -19.75 V | -20.25 V | 500 mV | H | VOH |
| 20.25 V | 19.75 V | 500 mV | H | |
| -29.8 V | -30.2 V | 400 mV | H | |
| 30.2 V | 29.8 V | 400 mV | H | |
| Open | Open | X | H | |
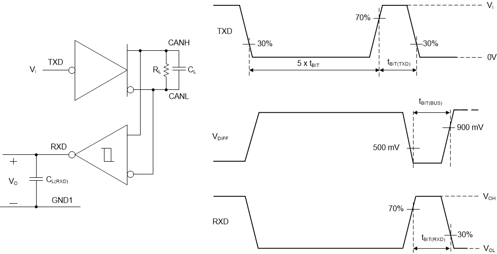
Figure 7-6 tLOOP Test Circuit and Voltage Waveforms
Figure 7-7 CAN FD Timing Parameter Measurement
Figure 7-9 Driver Short-Circuit Current Test Circuit and Waveforms
Figure 7-10 Common-Mode Transient Immunity Test Circuit