ZHCSOW3 September   2020 INA848

PRODUCTION DATA  

  1. 特性
  2. 应用
  3. 说明
  4. Revision History
  5. Device Comparison Table
  6. Pin Configuration and Functions
  7. Specifications
    1. 7.1 Absolute Maximum Ratings
    2. 7.2 ESD Ratings
    3. 7.3 Recommended Operating Conditions
    4. 7.4 Thermal Information
    5. 7.5 Electrical Characteristics
    6. 7.6 Typical Characteristics
  8. Detailed Description
    1. 8.1 Overview
    2. 8.2 Functional Block Diagram
    3. 8.3 Feature Description
      1. 8.3.1 Topology
      2. 8.3.2 Input Common-Mode Range
      3. 8.3.3 Input Protection
    4. 8.4 Device Functional Modes
  9. Application and Implementation
    1. 9.1 Application Information
      1. 9.1.1 Filter Pin
        1. 9.1.1.1 RC Filter Network
        2. 9.1.1.2 RLC Filter Network
      2. 9.1.2 Input Bias Current Return Path
    2. 9.2 Typical Application
      1. 9.2.1 Design Requirements
      2. 9.2.2 Detailed Design Procedure
        1. 9.2.2.1 Reference Pin
        2. 9.2.2.2 Noise Analysis
          1. 9.2.2.2.1 Reference Voltage Noise Contribution
      3. 9.2.3 Application Curves
  10. 10Power Supply Recommendations
  11. 11Layout
    1. 11.1 Layout Guidelines
    2. 11.2 Layout Example
  12. 12Device and Documentation Support
    1. 12.1 Documentation Support
      1. 12.1.1 Related Documentation
    2. 12.2 Receiving Notification of Documentation Updates
    3. 12.3 支持资源
    4. 12.4 Trademarks
    5. 12.5 静电放电警告
    6. 12.6 术语表
  13. 13Mechanical, Packaging, and Orderable Information

封装选项

机械数据 (封装 | 引脚)
散热焊盘机械数据 (封装 | 引脚)
订购信息

说明

INA848 是一款固定增益仪表放大器,针对高精度测量(例如超小的快速差动输入信号)进行了优化。TI 的超 β 拓扑提供了非常低的输入偏置电流和电流噪声。匹配良好的晶体管有助于实现非常低的失调电压和温漂。匹配内部电阻器可在整个输入电压范围内产生 132dB 的较高共模抑制比,以及超低的增益漂移误差 5ppm/⁰C(最大值)。

INA848 的电流反馈拓扑可在固定增益为 2000 的情况下产生 2.8MHz 的宽带宽,从而无需后续增益级。1.3nV/√Hz 的超低本底噪声更大限度地降低了与高分辨率模数转换器 (ADC) 对接时对等效位数 (ENOB) 的影响。INA848 提供了在增益级(引脚 2 和 3)之间添加滤波器的灵活性,可保持足够的信号完整性。

凭借这些独特的特性,INA848 成为要求高精度测量(例如高端医疗仪器、脑电图、振动传感和位移测量)的应用的理想选择。

该器件专为 8V 至 36V 单电源或 ±4V 至 ±18V 双电源而设计。

器件信息
器件型号(1)封装封装尺寸(标称值)
INA848SOIC (8)4.90mm × 3.91mm
如需了解所有可用封装,请参阅数据表末尾的封装选项附录。
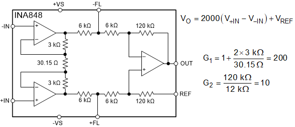
GUID-6C77C25A-5A79-4DC2-ADA0-C00F0DBDE1F9-low.gifINA848 简化版内部原理图
输入失调电压的典型分布