ZHCSDQ7 May 2015 HD3SS3212
PRODUCTION DATA.
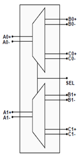
HD3SS3212 是一款高速双向无源开关,可采用复用或解复用两种配置,适用于支持 USB3.1 第 1 代和第 2 代数据传输速率的 USB Type-C™ 应用。 该器件可通过控制引脚 SEL 在两个差分通道(端口 B 到端口 A,或者端口 C 到端口 A)间切换。
HD3SS3212 是一款通用模拟差分无源开关,可满足任何高速接口应用对于 0-2V 共模电压范围和差分幅值高达 1800mVpp 的差分信令的需求。 该器件采用自适应跟踪,可确保信道在整个共模电压范围内保持不变。
该器件具有出色的动态特性,可在信号眼图衰减最小的情况下实现高速转换,并且附加抖动极少。 该器件在工作模式下的功耗 < 2mW,关断模式下的功耗 < 20µW(可通过 OEn 引脚切换模式)。
| 器件型号 | 封装 | 封装尺寸(标称值) |
|---|---|---|
| HD3SS3212 | VQFN (20) | 2.50mm × 4.50mm × 0.5mm 间距 |
| HD3SS3212I |

