ZHCSQI3A April   2022  – July 2022 ESD341

PRODUCTION DATA  

  1. 特性
  2. 应用
  3. 说明
  4. Revision History
  5. Pin Configuration and Functions
  6. Specifications
    1.     Absolute Maximum Ratings
    2. 6.1 ESD Ratings—JEDEC Specification
    3. 6.2 ESD Ratings—IEC Specification
    4.     Recommended Operating Conditions
    5. 6.3 Thermal Information
    6. 6.4 Electrical Characteristics
    7. 6.5 Typical Characteristics
  7. Detailed Description
    1. 7.1 Overview
    2. 7.2 Functional Block Diagram
    3. 7.3 Feature Description
      1. 7.3.1 IEC 61000-4-2 ESD Protection
      2. 7.3.2 IEC 61000-4-5 Surge Protection
      3. 7.3.3 IO Capacitance
      4. 7.3.4 DC Breakdown Voltage
      5. 7.3.5 Ultra Low Leakage Current
      6. 7.3.6 Low ESD Clamping Voltage
      7. 7.3.7 Supports High Speed Interfaces
      8. 7.3.8 Industrial Temperature Range
    4. 7.4 Device Functional Modes
  8. Application and Implementation
    1. 8.1 Application Information
    2. 8.2 Typical Application
      1. 8.2.1 Design Requirements
      2. 8.2.2 Detailed Design Procedure
        1. 8.2.2.1 Signal Range
        2. 8.2.2.2 Operating Frequency
      3. 8.2.3 Application Curves
  9. Power Supply Recommendations
  10. 10Layout
    1. 10.1 Layout Guidelines
    2. 10.2 Layout Example
  11. 11Device and Documentation Support
    1. 11.1 Documentation Support
      1. 11.1.1 Related Documentation
    2. 11.2 接收文档更新通知
    3. 11.3 支持资源
    4. 11.4 Trademarks
    5. 11.5 Electrostatic Discharge Caution
    6. 11.6 术语表
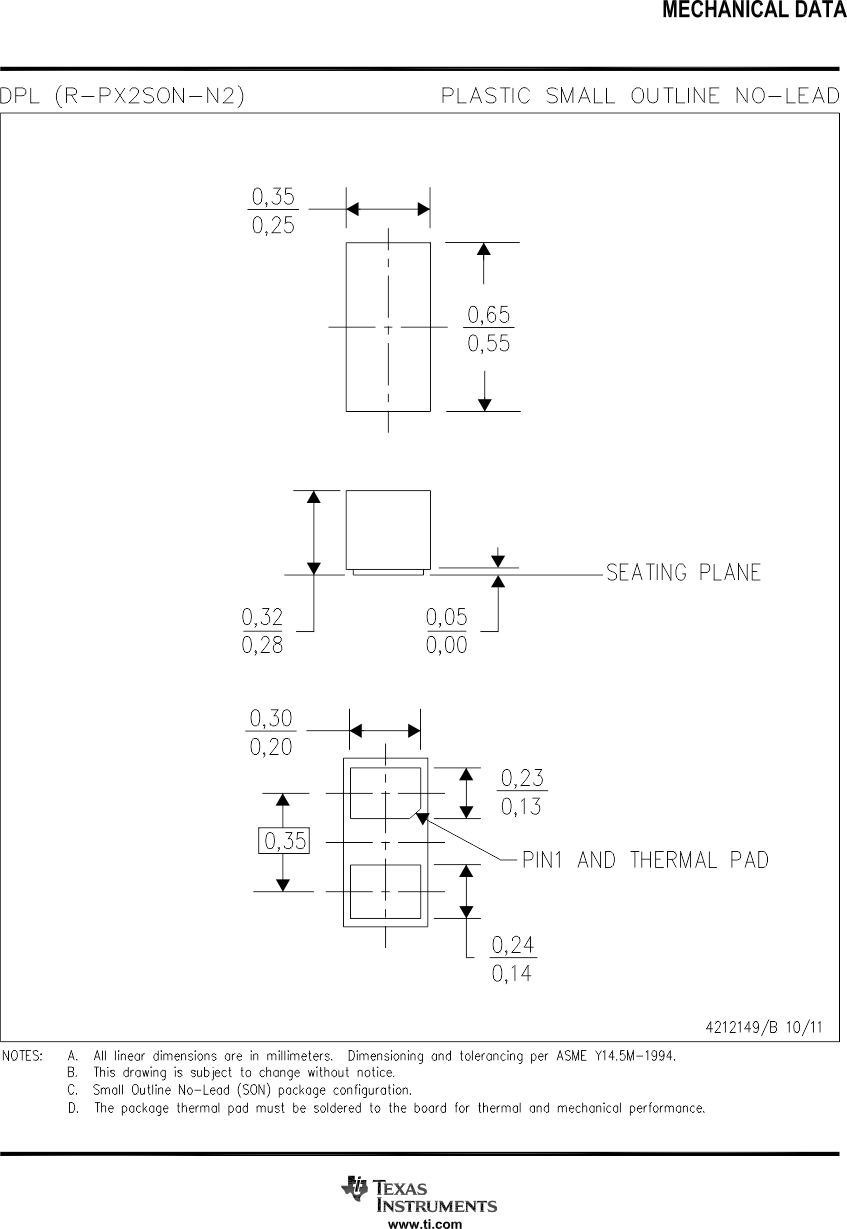
  12. 12Mechanical, Packaging, and Orderable Information
    1. 12.1 Tape and Reel Information

封装选项

请参考 PDF 数据表获取器件具体的封装图。

机械数据 (封装 | 引脚)
  • DPL|2
散热焊盘机械数据 (封装 | 引脚)
订购信息

Mechanical, Packaging, and Orderable Information

The following pages include mechanical, packaging, and orderable information. This information is the most current data available for the designated devices. This data is subject to change without notice and revision of this document. For browser-based versions of this data sheet, refer to the left-hand navigation.

GUID-20220331-SS0I-W8FP-GSN5-2W0NQJ6N1QR7-low.gif