ZHCSET3A November   2015  – December 2015 DS90CR286AT-Q1

PRODUCTION DATA.  

  1. 特性
  2. 应用
  3. 说明
  4. 修订历史记录
  5. Pin Configuration and Functions
  6. Specifications
    1. 6.1 Absolute Maximum Ratings
    2. 6.2 ESD Ratings
    3. 6.3 Recommended Operating Conditions
    4. 6.4 Thermal Information
    5. 6.5 Electrical Characteristics
    6. 6.6 Switching Characteristics
    7. 6.7 Typical Characteristics
  7. Detailed Description
    1. 7.1 Overview
    2. 7.2 Functional Block Diagram
    3. 7.3 Feature Description
      1. 7.3.1 LVDS Receivers
        1. 7.3.1.1 Input Termination
      2. 7.3.2 Phase Locked Loop (PLL)
      3. 7.3.3 Serial LVDS-to-Parallel LVCMOS Converter
      4. 7.3.4 LVCMOS Drivers
    4. 7.4 Device Functional Modes
      1. 7.4.1 Power Down Mode
  8. Application and Implementation
    1. 8.1 Application Information
    2. 8.2 Typical Application
      1. 8.2.1 Design Requirements
      2. 8.2.2 Detailed Design Procedure
        1. 8.2.2.1 Bit Resolution and Operating Frequency Compatibility
        2. 8.2.2.2 Data Mapping between Receiver and Endpoint Panel Display
        3. 8.2.2.3 RSKM Interoperability
      3. 8.2.3 Application Curves
  9. Power Supply Recommendations
  10. 10Layout
    1. 10.1 Layout Guidelines
    2. 10.2 Layout Example
  11. 11器件和文档支持
    1. 11.1 文档支持
      1. 11.1.1 相关文档 
    2. 11.2 社区资源
    3. 11.3 商标
    4. 11.4 静电放电警告
    5. 11.5 Glossary
  12. 12机械、封装和可订购信息

封装选项

机械数据 (封装 | 引脚)
散热焊盘机械数据 (封装 | 引脚)
订购信息

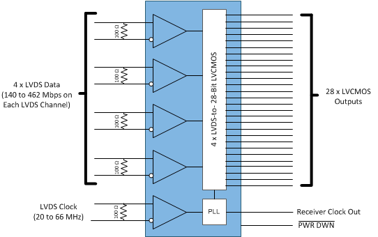
7 Detailed Description

7.1 Overview

The DS90CR286AT-Q1 is an AEC-Q100 Grade 2 receiver that converts four LVDS (Low Voltage Differential Signaling) data streams back into parallel 28 bits of LVCMOS data (24 bits of RGB and 4 bits of HSYNC, VSYNC, DE, and CNTL). An internal PLL locks to the incoming LVDS clock ranging from 20 to 66 MHz. The locked PLL then ensures a stable clock to sample the output LVCMOS data on the Receiver Clock Out rising edge. The DS90CR286AT-Q1 features a PWR DWN pin to put the device into low power mode when there is no active input data.

7.2 Functional Block Diagram

DS90CR286AT-Q1 simplified_block_diagram.gif
Figure 20. DS90CR286AT-Q1 Block Diagram

7.3 Feature Description

The DS90CR286AT-Q1 consists of several key blocks:

  • LVDS Receivers
  • Phase Locked Loop (PLL)
  • Serial LVDS-to-Parallel LVCMOS Converter
  • LVCMOS Drivers

7.3.1 LVDS Receivers

There are five differential LVDS inputs to the DS90CR286AT-Q1. Four of the LVDS inputs contain serialized data originating from a 28-bit source transmitter. The remaining LVDS input contains the LVDS clock associated with the data pairs.

7.3.1.1 Input Termination

The DS90CR286AT-Q1 requires a single 100 Ω terminating resistor across the positive and negative lines on each differential pair of the receiver input. To prevent reflections due to stubs, this resistor should be placed as close to the device input pins as possible. Figure 21 shows an example.

DS90CR286AT-Q1 lvds_interface.gif Figure 21. LVDS Serialized Link Termination

7.3.2 Phase Locked Loop (PLL)

The Channel Link I devices use an internal PLL to recover the clock transmitted across the LVDS interface. The recovered clock is then used as a reference to determine the sampling position of the seven serial bits received per clock cycle. The width of each bit in the serialized LVDS data stream is one-seventh the clock period. Differential skew (Δt within one differential pair), interconnect skew (Δt of one differential pair to another), and clock jitter will all reduce the available window for sampling the LVDS serial data streams. Individual bypassing of each VCC to ground will minimize the noise passed on to the PLL, thus creating a low jitter LVDS clock to improve the overall jitter budget.

7.3.3 Serial LVDS-to-Parallel LVCMOS Converter

After the PLL locks to the incoming LVDS clock, the receiver deserializes each LVDS differential data pair into seven parallel LVCMOS data outputs per clock cycle. For the DS90CR286AT-Q1, the LVDS data inputs map to LVCMOS outputs according to Figure 6.

7.3.4 LVCMOS Drivers

The LVCMOS outputs from the DS90CR286AT-Q1 are the deserialized single-ended data from the serialized LVDS data pairs. Each LVCMOS output is clocked by the PLL and should be strobed on the RxCLKOUT rising edge by the endpoint device. All unused DS90CR286AT-Q1 RxOUT outputs can be left floating.

7.4 Device Functional Modes

7.4.1 Power Down Mode

The DS90CR286AT-Q1 receiver may be placed into a power down mode at any time by asserting the PWR DWN pin (active low). The DS90CR286AT-Q1 is also designed to protect from accidental loss of power to either the transmitter or receiver. If power to the transmitter is lost, the receiver clocks (input and output) stop. The data outputs (RxOUT) retain the states they were in when the clocks stopped. When the receiver loses power, the receiver inputs are shorted to VCC through an internal diode. Current is limited to 5 mA per input, thus avoiding the potential for latch-up when powering the device.