SNLS334G April   2011  – January 2015 DS80PCI800

PRODUCTION DATA.  

  1. Features
  2. Applications
  3. Description
  4. Revision History
  5. Pin Configuration and Functions
  6. Specifications
    1. 6.1 Absolute Maximum Ratings
    2. 6.2 ESD Ratings
    3. 6.3 Recommended Operating Ratings
    4. 6.4 Electrical Characteristics
    5. 6.5 Electrical Characteristics — Serial Management Bus Interface
    6. 6.6 Typical Characteristics
  7. Parameter Measurement Information
  8. Detailed Description
    1. 8.1 Overview
    2. 8.2 Functional Block Diagram
    3. 8.3 Feature Description
      1. 8.3.1 4-Level Input Configuration Guidelines
    4. 8.4 Device Functional Modes
      1. 8.4.1 Pin Control Mode
      2. 8.4.2 SMBUS Mode
    5. 8.5 Programming
      1. 8.5.1 System Management Bus (SMBus) and Configuration Registers
      2. 8.5.2 Transfer of Data Through the SMBus
      3. 8.5.3 Writing a Register
      4. 8.5.4 Reading a Register
      5. 8.5.5 SMBus Master Mode
    6. 8.6 Register Maps
  9. Application and Implementation
    1. 9.1 Application Information
      1. 9.1.1 DS80PCI800 versus DS80PCI810
      2. 9.1.2 Signal Integrity in PCIe Applications
    2. 9.2 Typical Application
      1. 9.2.1 Design Requirements
      2. 9.2.2 Detailed Design Procedure
      3. 9.2.3 Application Curves
  10. 10Power Supply Recommendations
    1. 10.1 3.3-V or 2.5-V Supply Mode Operation
    2. 10.2 Power Supply Bypassing
  11. 11Layout
    1. 11.1 Layout Guidelines
      1. 11.1.1 PCB Layout Considerations for Differential Pairs
    2. 11.2 Layout Example
  12. 12Device and Documentation Support
    1. 12.1 Device Support
      1. 12.1.1 Third-Party Products Disclaimer
    2. 12.2 Trademarks
    3. 12.3 Electrostatic Discharge Caution
    4. 12.4 Glossary
  13. 13Mechanical, Packaging, and Orderable Information

封装选项

机械数据 (封装 | 引脚)
散热焊盘机械数据 (封装 | 引脚)
订购信息

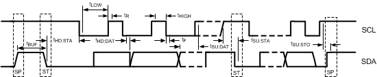
7 Parameter Measurement Information

edge.gifFigure 4. CML Output and Rise and Fall Transition Time
30156903.gifFigure 5. Propagation Delay Timing Diagram
30133304.gifFigure 6. Transmit IDLE-DATA and DATA-IDLE Response Time
30133305.gifFigure 7. SMBus Timing Parameters