ZHCSKE8D March   2016  – October 2019 DS250DF410

PRODUCTION DATA.  

  1. 特性
  2. 应用
  3. 说明
    1.     Device Images
      1.      简化原理图
  4. 修订历史记录
  5. 说明 (续)
  6. Pin Configuration and Functions
    1.     Pin Functions
  7. Specifications
    1. 7.1  Absolute Maximum Ratings
    2. 7.2  ESD Ratings
    3. 7.3  Recommended Operating Conditions
    4. 7.4  Thermal Information
    5. 7.5  Electrical Characteristics
    6. 7.6  Timing Requirements, Retimer Jitter Specifications
    7. 7.7  Timing Requirements, Retimer Specifications
    8. 7.8  Timing Requirements, Recommended Calibration Clock Specifications
    9. 7.9  Recommended SMBus Switching Characteristics (Slave Mode)
    10. 7.10 Recommended SMBus Switching Characteristics (Master Mode)
    11. 7.11 Recommended JTAG Switching Characteristics
    12. 7.12 Typical Characteristics
  8. Detailed Description
    1. 8.1 Overview
    2. 8.2 Functional Block Diagram
    3. 8.3 Feature Description
      1. 8.3.1  Device Data Path Operation
      2. 8.3.2  Signal Detect
      3. 8.3.3  Continuous Time Linear Equalizer (CTLE)
      4. 8.3.4  Variable Gain Amplifier (VGA)
      5. 8.3.5  Cross-Point Switch
      6. 8.3.6  Decision Feedback Equalizer (DFE)
      7. 8.3.7  Clock and Data Recovery (CDR)
      8. 8.3.8  Calibration Clock
      9. 8.3.9  Differential Driver with FIR Filter
        1. 8.3.9.1 Setting the Output VOD, Pre-Cursor, and Post-Cursor Equalization
        2. 8.3.9.2 Output Driver Polarity Inversion
      10. 8.3.10 Debug Features
        1. 8.3.10.1 Pattern Generator
        2. 8.3.10.2 Pattern Checker
        3. 8.3.10.3 Eye Opening Monitor
      11. 8.3.11 Interrupt Signals
      12. 8.3.12 JTAG Boundary Scan
    4. 8.4 Device Functional Modes
      1. 8.4.1 Supported Data Rates
      2. 8.4.2 SMBus Master Mode
      3. 8.4.3 Device SMBus Address
    5. 8.5 Programming
      1. 8.5.1 Bit Fields in the Register Set
      2. 8.5.2 Writing to and Reading from the Global/Shared/Channel Registers
    6. 8.6 Register Maps
  9. Application and Implementation
    1. 9.1 Application Information
    2. 9.2 Typical Applications
      1. 9.2.1 Front-Port Jitter Cleaning Applications
        1. 9.2.1.1 Design Requirements
        2. 9.2.1.2 Detailed Design Procedure
        3. 9.2.1.3 Application Curves
      2. 9.2.2 Active Cable Applications
        1. 9.2.2.1 Design Requirements
        2. 9.2.2.2 Detailed Design Procedure
        3. 9.2.2.3 Application Curves
      3. 9.2.3 Backplane and Mid-plane Applications
        1. 9.2.3.1 Design Requirements
        2. 9.2.3.2 Detailed Design Procedure
        3. 9.2.3.3 Application Curves
  10. 10Power Supply Recommendations
  11. 11Layout
    1. 11.1 Layout Guidelines
    2. 11.2 Layout Example
  12. 12器件和文档支持
    1. 12.1 文档支持
      1. 12.1.1 开发支持
    2. 12.2 文档支持
      1. 12.2.1 相关文档
    3. 12.3 接收文档更新通知
    4. 12.4 支持资源
    5. 12.5 商标
    6. 12.6 静电放电警告
    7. 12.7 Glossary
  13. 13机械、封装和可订购信息

封装选项

机械数据 (封装 | 引脚)
散热焊盘机械数据 (封装 | 引脚)
订购信息

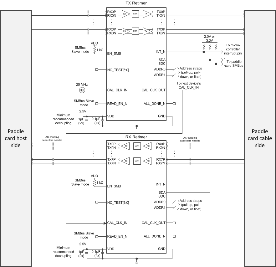
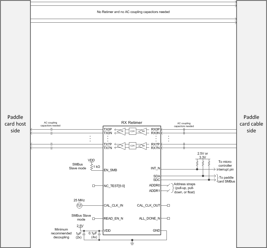
Active Cable Applications

The DS250DF410 has strong equalization capabilities that allow it to recover data over long and/or thin-gauge copper cables. A single DS250DF410 can be used on a QSFP28 paddle card to create a half-active cable assembly which is longer and/or thinner than passive cables. Alternatively, two DS250DF410 devices can be used on a QSFP28 paddle card to create a full-active cable assembly and achieve even longer reach and/or thinner cables.

Figure 20 illustrates these configurations, Figure 21 shows an example simplified schematic for a half-active cable application, and Figure 22 shows an example simplified schematic for a full-active cable application.

DS250DF410 Apps_AC_block_diagram.gifFigure 20. Active Cable Application Block Diagram
DS250DF410 Apps_AC_HA_schematic.gifFigure 21. Half-Active Cable Application Schematic
DS250DF410 Apps_AC_FA_schematic.gifFigure 22. Full-Active Cable Application Schematic