ZHCSKE8D March   2016  – October 2019 DS250DF410

PRODUCTION DATA.  

  1. 特性
  2. 应用
  3. 说明
    1.     Device Images
      1.      简化原理图
  4. 修订历史记录
  5. 说明 (续)
  6. Pin Configuration and Functions
    1.     Pin Functions
  7. Specifications
    1. 7.1  Absolute Maximum Ratings
    2. 7.2  ESD Ratings
    3. 7.3  Recommended Operating Conditions
    4. 7.4  Thermal Information
    5. 7.5  Electrical Characteristics
    6. 7.6  Timing Requirements, Retimer Jitter Specifications
    7. 7.7  Timing Requirements, Retimer Specifications
    8. 7.8  Timing Requirements, Recommended Calibration Clock Specifications
    9. 7.9  Recommended SMBus Switching Characteristics (Slave Mode)
    10. 7.10 Recommended SMBus Switching Characteristics (Master Mode)
    11. 7.11 Recommended JTAG Switching Characteristics
    12. 7.12 Typical Characteristics
  8. Detailed Description
    1. 8.1 Overview
    2. 8.2 Functional Block Diagram
    3. 8.3 Feature Description
      1. 8.3.1  Device Data Path Operation
      2. 8.3.2  Signal Detect
      3. 8.3.3  Continuous Time Linear Equalizer (CTLE)
      4. 8.3.4  Variable Gain Amplifier (VGA)
      5. 8.3.5  Cross-Point Switch
      6. 8.3.6  Decision Feedback Equalizer (DFE)
      7. 8.3.7  Clock and Data Recovery (CDR)
      8. 8.3.8  Calibration Clock
      9. 8.3.9  Differential Driver with FIR Filter
        1. 8.3.9.1 Setting the Output VOD, Pre-Cursor, and Post-Cursor Equalization
        2. 8.3.9.2 Output Driver Polarity Inversion
      10. 8.3.10 Debug Features
        1. 8.3.10.1 Pattern Generator
        2. 8.3.10.2 Pattern Checker
        3. 8.3.10.3 Eye Opening Monitor
      11. 8.3.11 Interrupt Signals
      12. 8.3.12 JTAG Boundary Scan
    4. 8.4 Device Functional Modes
      1. 8.4.1 Supported Data Rates
      2. 8.4.2 SMBus Master Mode
      3. 8.4.3 Device SMBus Address
    5. 8.5 Programming
      1. 8.5.1 Bit Fields in the Register Set
      2. 8.5.2 Writing to and Reading from the Global/Shared/Channel Registers
    6. 8.6 Register Maps
  9. Application and Implementation
    1. 9.1 Application Information
    2. 9.2 Typical Applications
      1. 9.2.1 Front-Port Jitter Cleaning Applications
        1. 9.2.1.1 Design Requirements
        2. 9.2.1.2 Detailed Design Procedure
        3. 9.2.1.3 Application Curves
      2. 9.2.2 Active Cable Applications
        1. 9.2.2.1 Design Requirements
        2. 9.2.2.2 Detailed Design Procedure
        3. 9.2.2.3 Application Curves
      3. 9.2.3 Backplane and Mid-plane Applications
        1. 9.2.3.1 Design Requirements
        2. 9.2.3.2 Detailed Design Procedure
        3. 9.2.3.3 Application Curves
  10. 10Power Supply Recommendations
  11. 11Layout
    1. 11.1 Layout Guidelines
    2. 11.2 Layout Example
  12. 12器件和文档支持
    1. 12.1 文档支持
      1. 12.1.1 开发支持
    2. 12.2 文档支持
      1. 12.2.1 相关文档
    3. 12.3 接收文档更新通知
    4. 12.4 支持资源
    5. 12.5 商标
    6. 12.6 静电放电警告
    7. 12.7 Glossary
  13. 13机械、封装和可订购信息

封装选项

机械数据 (封装 | 引脚)
散热焊盘机械数据 (封装 | 引脚)
订购信息

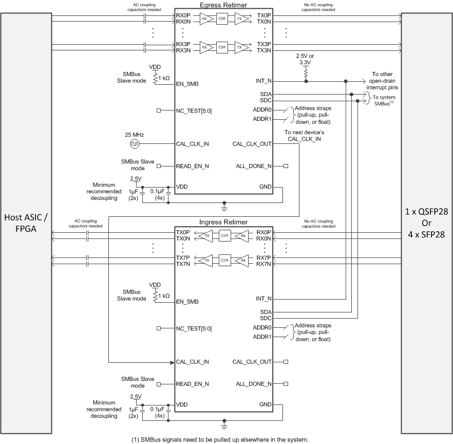
Front-Port Jitter Cleaning Applications

The DS250DF410 has strong equalization capabilities that allow it to equalize insertion loss, reduce jitter, and extend the reach of front-port interfaces. A single DS250DF410 can be used to support all four egress channels for a 100GbE port. Another DS250DF410 can be used to support all four ingress channels for the same 100GbE ports. Alternatively, a single DS250DF410 can be used to support all egress channels for four 25GbE ports, and another DS250DF410 can be used to support all four ingress channels for the same four 25GbE ports.

For applications which require IEEE802.3 100GBASE-CR4 or 25GBASE-CR auto-negotiation and link training, a linear repeater device such as the DS280BR810 (or similar) is recommended.

Figure 16 illustrates this configuration, and Figure 17 shows an example simplified schematic for a typical front-port application.

DS250DF410 Apps_FP_block_diagram.gifFigure 16. Front-Port Application Block Diagram
DS250DF410 Apps_FP_schematic.gifFigure 17. Front-Port Application Schematic