ZHCSD85F August   2012  – November 2018 DS125BR800

PRODUCTION DATA.  

  1. 特性
  2. 应用
  3. 说明
    1.     Device Images
      1.      典型应用
  4. 修订历史记录
  5. 说明 (续)
  6. Pin Configuration and Functions
    1.     Pin Functions
  7. Specifications
    1. 7.1 Absolute Maximum Ratings
    2. 7.2 ESD Ratings
    3. 7.3 Recommended Operating Conditions
    4. 7.4 Thermal Information
    5. 7.5 Electrical Characteristics
    6. 7.6 Electrical Characteristics: Serial Management Bus Interface
    7. 7.7 Timing Requirements
    8. 7.8 Typical Characteristics
  8. Detailed Description
    1. 8.1 Overview
    2. 8.2 Functional Block Diagram
    3. 8.3 Feature Description
      1. 8.3.1 4-Level Input Configuration Guidelines
      2. 8.3.2 PCIe Signal Integrity
        1. 8.3.2.1 RX-Detect in SAS/SATA (up to 6 Gbps) Applications
          1. 8.3.2.1.1 Signal Detect Control for Datarates above 8 Gbps
        2. 8.3.2.2 MODE Operation with SMBus Registers
    4. 8.4 Device Functional Modes
      1. 8.4.1 Pin Control Mode
      2. 8.4.2 SMBus Mode
    5. 8.5 Programming
      1. 8.5.1 SMBus Master Mode
      2. 8.5.2 Transfer of Data Via the SMBus
      3. 8.5.3 System Management Bus (SMBus) and Configuration Registers
      4. 8.5.4 SMBus Transactions
      5. 8.5.5 Writing a Register
      6. 8.5.6 Reading a Register
    6. 8.6 Register Maps
  9. Application and Implementation
    1. 9.1 Application Information
    2. 9.2 Typical Application
      1. 9.2.1 Design Requirements
      2. 9.2.2 Detailed Design Procedure
      3. 9.2.3 Application Curves
  10. 10Power Supply Recommendations
    1. 10.1 3.3-V or 2.5-V Supply Mode Operation
    2. 10.2 Power Supply Bypassing
  11. 11Layout
    1. 11.1 Layout Guidelines
    2. 11.2 Layout Example
  12. 12器件和文档支持
    1. 12.1 文档支持
      1. 12.1.1 相关文档
    2. 12.2 接收文档更新通知
    3. 12.3 商标
    4. 12.4 静电放电警告
    5. 12.5 术语表
  13. 13机械、封装和可订购信息

封装选项

机械数据 (封装 | 引脚)
散热焊盘机械数据 (封装 | 引脚)
订购信息

Timing Requirements

MIN TYP MAX UNIT
SERIAL BUS INTERFACE TIMING SPECIFICATIONS
FSMB Bus Operating Frequency(1) ENSMB = VDD (Slave Mode) 400 kHz
ENSMB = FLOAT (Master Mode) 280 400 520 kHz
TBUF Bus Free Time Between Stop and Start Condition 1.3 µs
THD:STA Hold time after (Repeated) Start Condition. After this period, the first clock is generated. At IPULLUP, Max 0.6 µs
TSU:STA Repeated Start Condition Setup Time 0.6 µs
TSU:STO Stop Condition Setup Time 0.6 µs
THD:DAT Data Hold Time 0 ns
TSU:DAT Data Setup Time 100 ns
TLOW Clock Low Period 1.3 µs
THIGH Clock High Period (2) 0.6 50 µs
tF Clock/Data Fall Time (2) 300 ns
tR Clock/Data Rise Time (2) 300 ns
tPOR Time in which a device must be operational after power-on reset (2)(3) 500 ms
In Master Mode, a serial EEPROM with a minimum rating of 520 KHz is required.
Compliant to SMBus 2.0 physical layer specification. See System Management Bus (SMBus) Specification Version 2.0, section 3.1.1 SMBus common AC specifications for details.
Specified by Design. Parameter not tested in production.
DS125BR800 edge.gifFigure 1. CML Output and Rise and FALL Transition Time
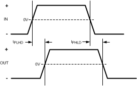
DS125BR800 30201603.gifFigure 2. Propagation Delay Timing Diagram
DS125BR800 30201604.gifFigure 3. Transmit IDLE-DATA and DATA-IDLE Response Time
DS125BR800 30201605.gifFigure 4. SMBus Timing Parameters