ZHCSJB5B September   2019  – December 2019 DRV8904-Q1 , DRV8906-Q1 , DRV8908-Q1 , DRV8910-Q1 , DRV8912-Q1

UNLESS OTHERWISE NOTED, this document contains PRODUCTION DATA.  

  1. 特性
  2. 应用
  3. 说明
    1.     简化原理图
  4. 修订历史记录
  5. Device Comparison Table
  6. Pin Configuration and Functions
    1.     Pin Functions—DRV8912-Q1
    2.     Pin Functions—DRV8910-Q1
    3.     Pin Functions—DRV8908-Q1
    4.     Pin Functions—DRV8906-Q1
    5.     Pin Functions—DRV8904-Q1
  7. Specifications
    1. 7.1 Absolute Maximum Ratings
    2. 7.2 ESD Ratings
    3. 7.3 Recommended Operating Conditions
    4. 7.4 Thermal Information
    5. 7.5 Electrical Characteristics
    6. 7.6 Timing Requirements
    7. 7.7 Typical Characteristics
  8. Detailed Description
    1. 8.1 Overview
    2. 8.2 Functional Block Diagram
    3. 8.3 Feature Description
      1. 8.3.1 Half Bridge Drivers
        1. 8.3.1.1 Control Modes
          1. 8.3.1.1.1 Continuous Mode (Without PWM)
          2. 8.3.1.1.2 Chopping Mode (With PWM)
            1. 8.3.1.1.2.1 PWM Configuration
            2. 8.3.1.1.2.2 Free-Wheeling Mode (Synchronous Rectification) Disable / Enable
            3. 8.3.1.1.2.3 PWM Channels Mapping
            4. 8.3.1.1.2.4 PWM Channels Configuration (PWM Frequency and PWM Duty)
            5. 8.3.1.1.2.5 Half-Bridge Enable
          3. 8.3.1.1.3 Parallel Mode (Continuous Operation)
          4. 8.3.1.1.4 Parallel Mode (PWM Operation)
            1. 8.3.1.1.4.1 PWM Configuration
            2. 8.3.1.1.4.2 Free-Wheeling Mode (Synchronous Rectification) Disable / Enable
            3. 8.3.1.1.4.3 PWM Channels Mapping
            4. 8.3.1.1.4.4 PWM Channels Configuration (PWM Frequency and PWM Duty)
            5. 8.3.1.1.4.5 PWM Generators Disable
            6. 8.3.1.1.4.6 Half-Bridge Enable
            7. 8.3.1.1.4.7 PWM Generators Enable
        2. 8.3.1.2 Half-Bridge Drive Architecture
          1. 8.3.1.2.1 Slew Rate
          2. 8.3.1.2.2 Cross Conduction (Dead Time)
          3. 8.3.1.2.3 Propagation Delay
      2. 8.3.2 Pin Diagrams
        1. 8.3.2.1 Logic Level Input Pin (nSLEEP, SCLK and SDI)
        2. 8.3.2.2 Logic Level Input Pin (nSCS)
        3. 8.3.2.3 Open Drain Output Pin (nFAULT)
        4. 8.3.2.4 Push Pull Output Pin (SDO)
      3. 8.3.3 Protection Circuits
        1. 8.3.3.1 VM Supply Undervoltage Lockout (UVLO)
        2. 8.3.3.2 VM Supply Overvoltage Protection (OVP)
        3. 8.3.3.3 Logic Supply Power on Reset (POR)
        4. 8.3.3.4 Overcurrent Protection (OCP)
        5. 8.3.3.5 Open-load detection (OLD)
          1. 8.3.3.5.1 Active OLD
            1. 8.3.3.5.1.1 Negative-current OLD
          2. 8.3.3.5.2 Low-current OLD
          3. 8.3.3.5.3 Passive OLD
        6. 8.3.3.6 Thermal Warning (OTW)
        7. 8.3.3.7 Thermal Shutdown (OTSD)
    4. 8.4 Device Functional Modes
      1. 8.4.1 Sleep Mode (nSLEEP = 0)
      2. 8.4.2 Operating Mode (nSLEEP = 1)
      3. 8.4.3 Fault Mode
    5. 8.5 Programming
      1. 8.5.1 SPI
      2. 8.5.2 SPI Format
      3. 8.5.3 SPI Interface for Multiple Slaves
        1. 8.5.3.1 SPI Interface for Multiple Slaves in Daisy Chain
    6. 8.6 Register Map
      1. 8.6.1 DRV8912-Q1 and DRV8910-Q1 Register Maps
        1. 8.6.1.1 Status Registers
          1. 8.6.1.1.1 IC Status (IC_STAT) Register (Address = 0x00) [reset = 0x00]
            1. Table 20. IC Status Register Field Descriptions
          2. 8.6.1.1.2 Overcurrent Protection (OCP) Status 1 (OCP_STAT_1) Register (Address = 0x01) [reset = 0x00]
            1. Table 21. Overcurrent Protection (OCP) Status 1 Register Field Descriptions
          3. 8.6.1.1.3 Overcurrent Protection (OCP) Status 2 (OCP_STAT_2) Register (Address = 0x02) [reset = 0x00]
            1. Table 22. Overcurrent Protection (OCP) Status 2 Register Field Descriptions
          4. 8.6.1.1.4 Overcurrent Protection (OCP) Status 3 (OCP_STAT_3) Register (Address = 0x03) [reset = 0x00]
            1. Table 23. Overcurrent Protection (OCP) Status 3 Register Field Descriptions
          5. 8.6.1.1.5 Open-Load Detect (OLD) Status 1 (OLD_STAT_1) Register (Address = 0x04) [reset = 0x00]
            1. Table 24. Open-Load Detect (OLD) Status 1 Register Field Descriptions
          6. 8.6.1.1.6 Open-Load Detect (OLD) Status 2 (OLD_STAT_2) Register (Address = 0x05) [reset = 0x00]
            1. Table 25. Open-Load Detect (OLD) Status 2 Register Field Descriptions
          7. 8.6.1.1.7 Open-Load Detect (OLD) Status 3 (OLD_STAT_3) Register (Address = 0x06) [reset = 0x00]
            1. Table 26. Open-Load Detect (OLD) Status 3 Register Field Descriptions
        2. 8.6.1.2 Control Registers
          1. 8.6.1.2.1  Configuration (CONFIG_CTRL) Register (Address = 0x07) [reset = 0x00]
            1. Table 28. Configuration Register Field Descriptions
          2. 8.6.1.2.2  Operation Control 1 (OP_CTRL_1) Register (Address = 0x08) [reset = 0x00]
            1. Table 29. Operation Control 1 Register Field Descriptions
          3. 8.6.1.2.3  Operation Control 2 (OP_CTRL_2) Register (Address = 0x09) [reset = 0x00]
            1. Table 30. Operation Control 2 Register Field Descriptions
          4. 8.6.1.2.4  Operation Control 3 (OP_CTRL_3) Register (Address = 0x0A) [reset = 0x00]
            1. Table 31. Operation Control 3 Register Field Descriptions
          5. 8.6.1.2.5  PWM Control 1 (PWM_CTRL_1) Register (Address = 0x0B) [reset = 0x00]
            1. Table 32. PWM Control 1 Register Field Descriptions
          6. 8.6.1.2.6  PWM Control 2 (PWM_CTRL_2) Register (Address = 0x0C) [reset = 0x00]
            1. Table 33. PWM Control 2 Register Field Descriptions
          7. 8.6.1.2.7  Free-Wheeling Control 1 (FW_CTRL_1) Register (Address = 0x0D) [reset = 0x00]
            1. Table 34. Free-Wheeling Control 1 Register Field Descriptions
          8. 8.6.1.2.8  Free-Wheeling Control 2 (FW_CTRL_2) Register (Address = 0x0E) [reset = 0x00]
            1. Table 35. Free-Wheeling Control 2 Register Field Descriptions
          9. 8.6.1.2.9  PWM Map Control 1 (PWM_MAP_CTRL_1) Register (Address = 0x0F) [reset = 0x00]
            1. Table 36. PWM Map Control 1 Register Field Descriptions
          10. 8.6.1.2.10 PWM Map Control 2 (PWM_MAP_CTRL_2) Register (Address = 0x10) [reset = 0x00]
            1. Table 37. PWM Map Control 2 Register Field Descriptions
          11. 8.6.1.2.11 PWM Map Control 3 (PWM_MAP_CTRL_3) Register (Address = 0x11) [reset = 0x00]
            1. Table 38. PWM Map Control 3 Register Field Descriptions
          12. 8.6.1.2.12 PWM Frequency Control (PWM_FREQ_CTRL) Register (Address = 0x12) [reset = 0x00]
            1. Table 39. PWM Frequency Control Register Field Descriptions
          13. 8.6.1.2.13 PWM Duty Control Channel 1 (PWM_DUTY_CH1) Register (Address = 0x13) [reset = 0x00]
            1. Table 40. PWM Duty Control Channel 1 Register Field Descriptions
          14. 8.6.1.2.14 PWM Duty Control Channel 2 (PWM_DUTY_CH2) Register (Address = 0x14) [reset = 0x00]
            1. Table 41. PWM Duty Control Channel 2 Register Field Descriptions
          15. 8.6.1.2.15 PWM Duty Control Channel 3 (PWM_DUTY_CH3) Register (Address = 0x15) [reset = 0x00]
            1. Table 42. PWM Duty Control Channel 3 Register Field Descriptions
          16. 8.6.1.2.16 PWM Duty Control Channel 4 (PWM_DUTY_CH4) Register (Address = 0x16) [reset = 0x00]
            1. Table 43. PWM Duty Control Channel 4 Register Field Descriptions
          17. 8.6.1.2.17 Slew Rate Control 1 (SR_CTRL_1) Register (Address = 0x17) [reset = 0x00]
            1. Table 44. Slew Rate Control 1 Register Field Descriptions
          18. 8.6.1.2.18 Slew Rate Control 2 (SR_CTRL_2) Register (Address = 0x18) [reset = 0x00]
            1. Table 45. Slew Rate Control 2 Register Field Descriptions
          19. 8.6.1.2.19 Open-Load Detect (OLD) Control 1 (OLD_CTRL_1) Register (Address = 0x19) [reset = 0x00]
            1. Table 46. Open-Load Detect (OLD) Control (OLD_CTRL_1) Register Field Descriptions
          20. 8.6.1.2.20 Open-Load Detect (OLD) Control 2 (OLD_CTRL_2) Register (Address = 0x1A) [reset = 0x00]
            1. Table 47. Open-Load Detect (OLD) Control (OLD_CTRL_2) Register Field Descriptions
          21. 8.6.1.2.21 Open-Load Detect (OLD) Control 3 (OLD_CTRL_3) Register (Address = 0x1B) [reset = 0x00]
            1. Table 48. Open-Load Detect (OLD) Control (OLD_CTRL_3) Register Field Descriptions
          22. 8.6.1.2.22 Open-Load Detect (OLD) Control 4 (OLD_CTRL_4) Register (Address = 0x24) [reset = 0x00]
            1. Table 49. Open-Load Detect (OLD) Control (OLD_CTRL_4) Register Field Descriptions
      2. 8.6.2 DRV8908-Q1, DRV8906-Q1 and DRV8904-Q1 Register Maps
        1. 8.6.2.1 Status Registers
          1. 8.6.2.1.1 IC Status (IC_STAT) Register (Address = 0x00) [reset = 0x00]
            1. Table 54. IC Status Register Field Descriptions
          2. 8.6.2.1.2 Overcurrent Protection (OCP) Status 1 (OCP_STAT_1) Register (Address = 0x01) [reset = 0x00]
            1. Table 55. Overcurrent Protection (OCP) Status 1 Register Field Descriptions
          3. 8.6.2.1.3 Overcurrent Protection (OCP) Status 2 (OCP_STAT_2) Register (Address = 0x02) [reset = 0x00]
            1. Table 56. Overcurrent Protection (OCP) Status 2 Register Field Descriptions
          4. 8.6.2.1.4 Overcurrent Protection (OCP) Status 3 (OCP_STAT_3) Register (Address = 0x03) [reset = 0x00]
            1. Table 57. Overcurrent Protection (OCP) Status 3 Register Field Descriptions
          5. 8.6.2.1.5 Open-Load Detect (OLD) Status 1 (OLD_STAT_1) Register (Address = 0x04) [reset = 0x00]
            1. Table 58. Open-Load Detect (OLD) Status 1 Register Field Descriptions
          6. 8.6.2.1.6 Open-Load Detect (OLD) Status 2 (OLD_STAT_2) Register (Address = 0x05) [reset = 0x00]
            1. Table 59. Open-Load Detect (OLD) Status 2 Register Field Descriptions
          7. 8.6.2.1.7 Open-Load Detect (OLD) Status 3 (OLD_STAT_3) Register (Address = 0x06) [reset = 0x00]
            1. Table 60. Open-Load Detect (OLD) Status 3 Register Field Descriptions
        2. 8.6.2.2 Control Registers
          1. 8.6.2.2.1  Configuration (CONFIG_CTRL) Register (Address = 0x07) [reset = 0x00]
            1. Table 62. Configuration Register Field Descriptions
          2. 8.6.2.2.2  Operation Control 1 (OP_CTRL_1) Register (Address = 0x08) [reset = 0x00]
            1. Table 63. Operation Control 1 Register Field Descriptions
          3. 8.6.2.2.3  Operation Control 2 (OP_CTRL_2) Register (Address = 0x09) [reset = 0x00]
            1. Table 64. Operation Control 2 Register Field Descriptions
          4. 8.6.2.2.4  Operation Control 3 (OP_CTRL_3) Register (Address = 0x0A) [reset = 0x00]
            1. Table 65. Operation Control 3 Register Field Descriptions
          5. 8.6.2.2.5  PWM Control 1 (PWM_CTRL_1) Register (Address = 0x0B) [reset = 0x00]
            1. Table 66. PWM Control 1 Register Field Descriptions
          6. 8.6.2.2.6  PWM Control 2 (PWM_CTRL_2) Register (Address = 0x0C) [reset = 0x00]
            1. Table 67. PWM Control 2 Register Field Descriptions
          7. 8.6.2.2.7  Free-Wheeling Control 1 (FW_CTRL_1) Register (Address = 0x0D) [reset = 0x00]
            1. Table 68. Free-Wheeling Control 1 Register Field Descriptions
          8. 8.6.2.2.8  Free-Wheeling Control 2 (FW_CTRL_2) Register (Address = 0x0E) [reset = 0x00]
            1. Table 69. Free-Wheeling Control 2 Register Field Descriptions
          9. 8.6.2.2.9  PWM Map Control 1 (PWM_MAP_CTRL_1) Register (Address = 0x0F) [reset = 0x00]
            1. Table 70. PWM Map Control 1 Register Field Descriptions
          10. 8.6.2.2.10 PWM Map Control 2 (PWM_MAP_CTRL_2) Register (Address = 0x10) [reset = 0x00]
            1. Table 71. PWM Map Control 2 Register Field Descriptions
          11. 8.6.2.2.11 PWM Map Control 3 (PWM_MAP_CTRL_3) Register (Address = 0x11) [reset = 0x00]
            1. Table 72. PWM Map Control 3 Register Field Descriptions
          12. 8.6.2.2.12 PWM Map Control 4 (PWM_MAP_CTRL_4) Register (Address = 0x12) [reset = 0x00]
            1. Table 73. PWM Map Control 4 Register Field Descriptions
          13. 8.6.2.2.13 PWM Frequency Control 1 (PWM_FREQ_CTRL_1) Register (Address = 0x13 [reset = 0x00]
            1. Table 74. PWM Frequency Control 1 Register Field Descriptions
          14. 8.6.2.2.14 PWM Frequency Control 2 (PWM_FREQ_CTRL_2) Register (Address = 0x14 [reset = 0x00]
            1. Table 75. PWM Frequency Control 2 Register Field Descriptions
          15. 8.6.2.2.15 PWM Duty Control Channel 1 (PWM_DUTY_CH1) Register (Address = 0x15) [reset = 0x00]
            1. Table 76. PWM Duty Control Channel 1 Register Field Descriptions
          16. 8.6.2.2.16 PWM Duty Control Channel 2 (PWM_DUTY_CH2) Register (Address = 0x16) [reset = 0x00]
            1. Table 77. PWM Duty Control Channel 2 Register Field Descriptions
          17. 8.6.2.2.17 PWM Duty Control Channel 3 (PWM_DUTY_CH3) Register (Address = 0x17) [reset = 0x00]
            1. Table 78. PWM Duty Control Channel 3 Register Field Descriptions
          18. 8.6.2.2.18 PWM Duty Control Channel 4 (PWM_DUTY_CH4) Register (Address = 0x18) [reset = 0x00]
            1. Table 79. PWM Duty Control Channel 4 Register Field Descriptions
          19. 8.6.2.2.19 PWM Duty Control Channel 5 (PWM_DUTY_CH5) Register (Address = 0x19) [reset = 0x00]
            1. Table 80. PWM Duty Control Channel 5 Register Field Descriptions
          20. 8.6.2.2.20 PWM Duty Control Channel 6 (PWM_DUTY_CH6) Register (Address = 0x1A) [reset = 0x00]
            1. Table 81. PWM Duty Control Channel 6 Register Field Descriptions
          21. 8.6.2.2.21 PWM Duty Control Channel 7 (PWM_DUTY_CH7) Register (Address = 0x1B) [reset = 0x00]
            1. Table 82. PWM Duty Control Channel 7 Register Field Descriptions
          22. 8.6.2.2.22 PWM Duty Control Channel 8 (PWM_DUTY_CH8) Register (Address = 0x1C) [reset = 0x00]
            1. Table 83. PWM Duty Control Channel 8 Register Field Descriptions
          23. 8.6.2.2.23 Slew Rate Control 1 (SR_CTRL_1) Register (Address = 0x1D [reset = 0x00]
            1. Table 84. Slew Rate Control 1 Register Field Descriptions
          24. 8.6.2.2.24 Slew Rate Control 2 (SR_CTRL_2) Register (Address = 0x1E) [reset = 0x00]
            1. Table 85. Slew Rate Control 2 Register Field Descriptions
          25. 8.6.2.2.25 Open-Load Detect (OLD) Control 1 (OLD_CTRL_1) Register (Address = 0x1F) [reset = 0x00]
            1. Table 86. Open-Load Detect (OLD) Control (OLD_CTRL_1) Register Field Descriptions
          26. 8.6.2.2.26 Open-Load Detect (OLD) Control 2 (OLD_CTRL_2) Register (Address = 0x20) [reset = 0x00]
            1. Table 87. Open-Load Detect (OLD) Control (OLD_CTRL_2) Register Field Descriptions
          27. 8.6.2.2.27 Open-Load Detect (OLD) Control 3 (OLD_CTRL_3) Register (Address = 0x21) [reset = 0x00]
            1. Table 88. Open-Load Detect (OLD) Control (OLD_CTRL_3) Register Field Descriptions
          28. 8.6.2.2.28 Open Load Detect (OLD) Control 4 (OLD_CTRL_4) Register (Address = 0x22) [reset = 0x00]
            1. Table 89. Open Load Detect (OLD) Control (OLD_CTRL_4) Register Field Descriptions
          29. 8.6.2.2.29 Open Load Detect (OLD) Control 5 (OLD_CTRL_5) Register (Address = 0x23) [reset = 0x00]
            1. Table 90. Open Load Detect (OLD) Control (OLD_CTRL_5) Register Field Descriptions
          30. 8.6.2.2.30 Open Load Detect (OLD) Control 6 (OLD_CTRL_6) Register (Address = 0x24) [reset = 0x00]
            1. Table 91. Open Load Detect (OLD) Control (OLD_CTRL_6) Register Field Descriptions
  9. Application and Implementation
    1. 9.1 Application Information
    2. 9.2 Typical Application
      1. 9.2.1 Primary Application
        1. 9.2.1.1 Design Requirements
        2. 9.2.1.2 Detailed Design Procedure
          1. 9.2.1.2.1 Motor Current Rating
          2. 9.2.1.2.2 Power Dissipation
      2. 9.2.2 Alternative Application
        1. 9.2.2.1 Design Requirements
        2. 9.2.2.2 Detailed Design Procedure
          1. 9.2.2.2.1 H-Bridge Requirements for Parallel Operation
      3. 9.2.3 Application Curves
    3. 9.3 Thermal Application
      1. 9.3.1 Power Dissipation
        1. 9.3.1.1 Power Dissipation Due to Device On-State Resistance (RDS(ON))
        2. 9.3.1.2 Power Dissipation Due to Switching Losses
        3. 9.3.1.3 Power Dissipation Due to Quiescent Current
        4. 9.3.1.4 Total Power Dissipation
      2. 9.3.2 PCB Types
      3. 9.3.3 Thermal Parameters
      4. 9.3.4 Transient Thermal
      5. 9.3.5 Device Junction Temperature Estimation
  10. 10Power Supply Recommendations
    1. 10.1 Bulk Capacitance Sizing
  11. 11Layout
    1. 11.1 Layout Guidelines
    2. 11.2 Layout Example
  12. 12器件和文档支持
    1. 12.1 文档支持
      1. 12.1.1 相关文档
    2. 12.2 相关链接
    3. 12.3 接收文档更新通知
    4. 12.4 社区资源
    5. 12.5 商标
    6. 12.6 静电放电警告
    7. 12.7 Glossary
  13. 13机械、封装和可订购信息
    1. 13.1 Package Option Addendum
      1. 13.1.1 Packaging Information
      2. 13.1.2 Tape and Reel Information

封装选项

机械数据 (封装 | 引脚)
散热焊盘机械数据 (封装 | 引脚)
订购信息

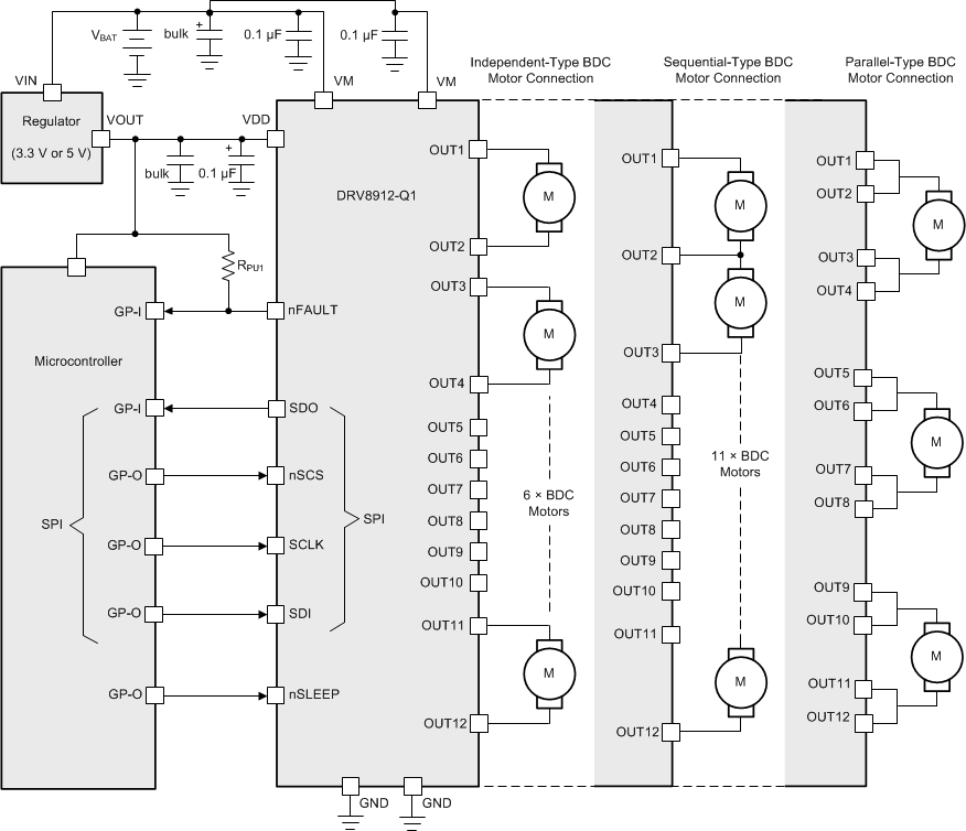
Primary Application

The DRV89xx-Q1 is primarily used for the control of multiple brushed DC motors which can be connected in independent-type, sequential-type or the parallel-type motor connection as shown in Figure 134.

An automotive battery powers the device to power supply pin (VM). A 3.3-V regulated power supply is generated for the supplying power to the digital core (VDD) of the device. A micro-controller is connected to the DRV89XX-Q1 device with the SPI interface (4-lines) for control, configuration and diagnostics. The device operating or sleep state is controlled by the nSLEEP pin and nFAULT pins is used as an additional hardware diagnostics.

DRV8904-Q1 DRV8906-Q1 DRV8908-Q1 DRV8910-Q1 DRV8912-Q1 drv8912-apps-diagram.gifFigure 134. Primary Application Schematic (Automotive HVAC Application)