ZHCS016E January   2011  – July 2015 DRV8833

PRODUCTION DATA.  

  1. 特性
  2. 应用
  3. 说明
  4. 修订历史记录
  5. Pin Configuration and Functions
  6. Specifications
    1. 6.1 Absolute Maximum Ratings
    2. 6.2 ESD Ratings
    3. 6.3 Recommended Operating Conditions
    4. 6.4 Thermal Information
    5. 6.5 Electrical Characteristics
    6. 6.6 Typical Characteristics
  7. Detailed Description
    1. 7.1 Overview
    2. 7.2 Functional Block Diagram
    3. 7.3 Feature Description
      1. 7.3.1 Fixed-Frequency PWM Motor Drivers
      2. 7.3.2 Bridge Control and Decay Modes
      3. 7.3.3 Current Control
      4. 7.3.4 nSLEEP Operation
      5. 7.3.5 Protection Circuits
        1. 7.3.5.1 Overcurrent Protection (OCP)
        2. 7.3.5.2 Thermal Shutdown (TSD)
        3. 7.3.5.3 Undervoltage Lockout (UVLO)
    4. 7.4 Device Functional Modes
  8. Application and Implementation
    1. 8.1 Application Information
    2. 8.2 Typical Application
      1. 8.2.1 Design Requirements
      2. 8.2.2 Detailed Design Procedure
        1. 8.2.2.1 Motor Voltage
        2. 8.2.2.2 Motor Current Trip Point
        3. 8.2.2.3 Sense Resistor
      3. 8.2.3 Application Curve
  9. Power Supply Recommendations
    1. 9.1 Bulk Capacitance
    2. 9.2 Power Supply and Logic Sequencing
  10. 10Layout
    1. 10.1 Layout Guidelines
      1. 10.1.1 Heatsinking
    2. 10.2 Layout Example
    3. 10.3 Thermal Considerations
      1. 10.3.1 Maximum Output Current
      2. 10.3.2 Thermal Protection
    4. 10.4 Power Dissipation
  11. 11器件和文档支持
    1. 11.1 文档支持
      1. 11.1.1 相关文档 
    2. 11.2 社区资源
    3. 11.3 商标
    4. 11.4 静电放电警告
    5. 11.5 Glossary
  12. 12机械、封装和可订购信息

封装选项

请参考 PDF 数据表获取器件具体的封装图。

机械数据 (封装 | 引脚)
  • PW|16
  • RTY|16
  • PWP|16
散热焊盘机械数据 (封装 | 引脚)
订购信息

Application and Implementation

NOTE

Information in the following applications sections is not part of the TI component specification, and TI does not warrant its accuracy or completeness. TI’s customers are responsible for determining suitability of components for their purposes. Customers should validate and test their design implementation to confirm system functionality.

Application Information

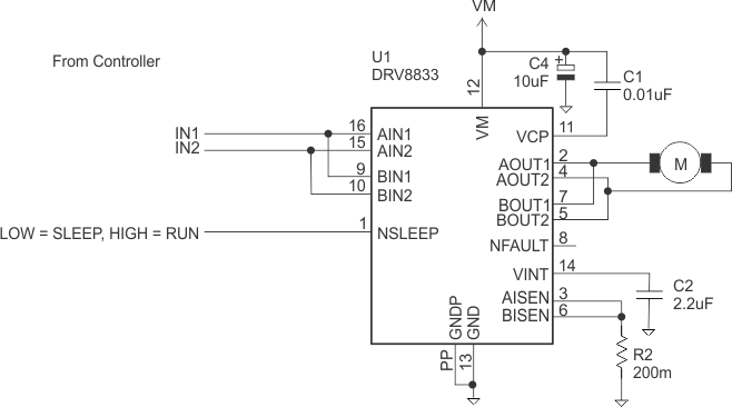
The DRV8833 is used in brushed DC or stepper motor control. The following design procedure can be used to configure the DRV8833 in a brushed DC motor application. The inputs and outputs are connected in parallel to achieve higher current.

Typical Application

The two H-bridges in the DRV8833 can be connected in parallel for double the current of a single H-bridge. The internal dead time in the DRV8833 prevents any risk of cross-conduction (shoot-through) between the two bridges due to timing differences between the two bridges. Figure 7 shows the connections.

DRV8833 parallel_mode1_lvsar1.gif Figure 7. Parallel Mode

Design Requirements

Table 5. Design Parameters

DESIGN PARAMETER REFERENCE EXAMPLE VALUE
Motor voltage VM 10 V
Motor RMS current IRMS 0.8 A
Motor start-up current ISTART 2 A
Motor current trip point ITRIP 2.5 A

Detailed Design Procedure

Motor Voltage

The motor voltage to use will depend on the ratings of the motor selected and the desired RPM. A higher voltage spins a brushed DC motor faster with the same PWM duty cycle applied to the power FETs. A higher voltage also increases the rate of current change through the inductive motor windings.

Motor Current Trip Point

When the voltage on pin xISEN exceeds VTRIP (0.2 V), current regulation is activated. The RISENSE resistor should be sized to set the desired ICHOP level.

Equation 2. RISENSE = 0.2 V / ICHOP

To set ICHOP to 1 A, RSENSE = 0.2 V / 1 A = 0.2 Ω.

Sense Resistor

For optimal performance, it is important for the sense resistor to be:

  • Surface-mount
  • Low inductance
  • Rated for high enough power
  • Placed closely to the motor driver

The power dissipated by the sense resistor equals IRMS2 × R. For example, if peak motor current is 3 A, RMS motor current is 2 A, and a 0.05-Ω sense resistor is used, the resistor will dissipate 2 A2× 0.05 Ω = 0.2 W. The power quickly increases with higher current levels.

Resistors typically have a rated power within some ambient temperature range, along with a derated power curve for high ambient temperatures. When a PCB is shared with other components generating heat, margin should be added. For best practice, measure the actual sense resistor temperature in a final system, along with the power MOSFETs, as those are often the hottest components.

Because power resistors are larger and more expensive than standard resistors, the common practice is to use multiple standard resistors in parallel, between the sense node and ground. This distributes the current and heat dissipation.

Application Curve

DRV8833 DRV8833_Current_Regulation.png
Figure 8. Current Regulation