ZHCSML3B June   2020  – May 2022 DRV8436

PRODUCTION DATA  

  1. 特性
  2. 应用
  3. 说明
  4. 修订历史记录
  5. 引脚配置和功能
    1. 5.1 引脚功能
  6. 规格
    1. 6.1 绝对最大额定值
    2. 6.2 ESD 额定值
    3. 6.3 建议运行条件
    4. 6.4 热性能信息
    5. 6.5 电气特性
    6. 6.6 分度器时序要求
    7. 6.7 典型特性
  7. 详细说明
    1. 7.1 概述
    2. 7.2 功能模块图
    3. 7.3 特性描述
      1. 7.3.1  步进电机驱动器电流额定值
        1. 7.3.1.1 峰值电流额定值
        2. 7.3.1.2 均方根电流额定值
        3. 7.3.1.3 满量程电流额定值
      2. 7.3.2  PWM 电机驱动器
      3. 7.3.3  微步进分度器
      4. 7.3.4  通过 MCU DAC 控制 VREF
      5. 7.3.5  电流调节
      6. 7.3.6  衰减模式
        1. 7.3.6.1 上升和下降电流阶段均为慢速衰减
        2. 7.3.6.2 上升电流阶段为慢速衰减,下降电流阶段混合衰减
        3. 7.3.6.3 上升和下降电流阶段均为混合衰减
        4. 7.3.6.4 智能调优动态衰减
        5. 7.3.6.5 智能调优纹波控制
        6. 7.3.6.6 PWM 关断时间
        7. 7.3.6.7 消隐时间
      7. 7.3.7  电荷泵
      8. 7.3.8  线性稳压器
      9. 7.3.9  逻辑电平、三电平和四电平引脚图
        1. 7.3.9.1 nFAULT 引脚
      10. 7.3.10 保护电路
        1. 7.3.10.1 VM 欠压锁定 (UVLO)
        2. 7.3.10.2 VCP 欠压锁定 (CPUV)
        3. 7.3.10.3 过流保护 (OCP)
          1. 7.3.10.3.1 锁存关断
          2. 7.3.10.3.2 自动重试
        4. 7.3.10.4 热关断 (OTSD)
        5. 7.3.10.5 故障条件汇总
    4. 7.4 器件功能模式
      1. 7.4.1 睡眠模式 (nSLEEP = 0)
      2. 7.4.2 禁用模式(nSLEEP = 1,ENABLE = 0)
      3. 7.4.3 工作模式(nSLEEP = 1,ENABLE = Hi-Z/1)
      4. 7.4.4 nSLEEP 复位脉冲
      5. 7.4.5 功能模式汇总
  8. 应用和实现
    1. 8.1 应用信息
    2. 8.2 典型应用
      1. 8.2.1 设计要求
      2. 8.2.2 详细设计过程
        1. 8.2.2.1 步进电机转速
        2. 8.2.2.2 电流调节
        3. 8.2.2.3 衰减模式
      3. 8.2.3 应用曲线
  9. 热应用
    1. 9.1 功率损耗
      1. 9.1.1 导通损耗
      2. 9.1.2 开关损耗
      3. 9.1.3 由于静态电流造成的功率损耗
      4. 9.1.4 总功率损耗
    2. 9.2 器件结温估算
      1.      电源相关建议
        1. 10.1 大容量电容
  10. 10布局
    1. 10.1 布局指南
    2. 10.2 布局示例
  11. 11器件和文档支持
    1. 11.1 文档支持
      1. 11.1.1 相关文档
    2. 11.2 接收文档更新通知
    3. 11.3 社区资源
    4. 11.4 商标
  12. 12机械、封装和可订购信息

封装选项

机械数据 (封装 | 引脚)
散热焊盘机械数据 (封装 | 引脚)
订购信息

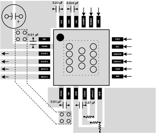
布局示例

GUID-FC3BDDB0-1485-4B41-93C5-AAACA27D88E0-low.jpg图 10-1 HTSSOP 布局示例
GUID-B78794F4-28BE-4039-9271-44BEE773EBFA-low.jpg图 10-2 QFN 布局示例