ZHCSHZ0A April   2018  – July 2018 DRV8306

PRODUCTION DATA.  

  1. 特性
  2. 应用
  3. 说明
    1.     简化原理图
  4. 修订历史记录
  5. Pin Configuration and Functions
    1.     Pin Functions
  6. Specifications
    1. 6.1 Absolute Maximum Ratings
    2. 6.2 ESD Ratings
    3. 6.3 Recommended Operating Conditions
    4. 6.4 Thermal Information
    5. 6.5 Electrical Characteristics
    6. 6.6 Typical Characteristics
  7. Detailed Description
    1. 7.1 Overview
    2. 7.2 Functional Block Diagram
    3. 7.3 Feature Description
      1. 7.3.1 Three Phase Smart Gate Drivers
        1. 7.3.1.1 PWM Control Mode (1x PWM Mode)
        2. 7.3.1.2 Hardware Interface Mode
        3. 7.3.1.3 Gate Driver Voltage Supplies
        4. 7.3.1.4 Smart Gate Drive Architecture
          1. 7.3.1.4.1 IDRIVE: MOSFET Slew-Rate Control
          2. 7.3.1.4.2 TDRIVE: MOSFET Gate Drive Control
          3. 7.3.1.4.3 Gate Drive Clamp
          4. 7.3.1.4.4 Propagation Delay
          5. 7.3.1.4.5 MOSFET VDS Monitors
          6. 7.3.1.4.6 VDRAIN Sense Pin
      2. 7.3.2 DVDD Linear Voltage Regulator
      3. 7.3.3 Pulse-by-Pulse Current Limit
      4. 7.3.4 Hall Comparators
      5. 7.3.5 FGOUT Signal
      6. 7.3.6 Pin Diagrams
      7. 7.3.7 Gate-Driver Protective Circuits
        1. 7.3.7.1 VM Supply Undervoltage Lockout (UVLO)
        2. 7.3.7.2 VCP Charge-Pump Undervoltage Lockout (CPUV)
        3. 7.3.7.3 MOSFET VDS Overcurrent Protection (VDS_OCP)
        4. 7.3.7.4 VSENSE Overcurrent Protection (SEN_OCP)
        5. 7.3.7.5 Gate Driver Fault (GDF)
        6. 7.3.7.6 Thermal Shutdown (OTSD)
    4. 7.4 Device Functional Modes
      1. 7.4.1 Gate Driver Functional Modes
        1. 7.4.1.1 Sleep Mode
        2. 7.4.1.2 Operating Mode
        3. 7.4.1.3 Fault Reset (ENABLE Reset Pulse)
  8. Application and Implementation
    1. 8.1 Application Information
      1. 8.1.1 Hall Sensor Configuration and Connection
        1. 8.1.1.1 Typical Configuration
        2. 8.1.1.2 Open Drain Configuration
        3. 8.1.1.3 Series Configuration
        4. 8.1.1.4 Parallel Configuration
    2. 8.2 Typical Application
      1. 8.2.1 Primary Application
        1. 8.2.1.1 Design Requirements
        2. 8.2.1.2 Detailed Design Procedure
          1. 8.2.1.2.1 External MOSFET Support
            1. 8.2.1.2.1.1 Example
          2. 8.2.1.2.2 IDRIVE Configuration
            1. 8.2.1.2.2.1 Example
          3. 8.2.1.2.3 VDS Overcurrent Monitor Configuration
            1. 8.2.1.2.3.1 Example
        3. 8.2.1.3 Application Curves
  9. Power Supply Recommendations
    1. 9.1 Bulk Capacitance Sizing
  10. 10Layout
    1. 10.1 Layout Guidelines
    2. 10.2 Layout Example
  11. 11器件和文档支持
    1. 11.1 器件支持
      1. 11.1.1 器件命名规则
    2. 11.2 文档支持
      1. 11.2.1 相关文档
    3. 11.3 接收文档更新通知
    4. 11.4 社区资源
    5. 11.5 商标
    6. 11.6 静电放电警告
    7. 11.7 术语表
  12. 12机械、封装和可订购信息

封装选项

机械数据 (封装 | 引脚)
散热焊盘机械数据 (封装 | 引脚)
订购信息

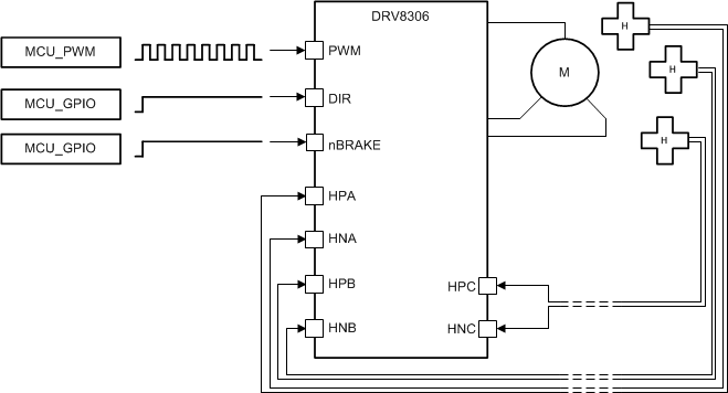
PWM Control Mode (1x PWM Mode)

The DRV8306 device provides a 1x PWM control mode for driving the BLDC motor into trapezoidal current-control mode. The DRV8306 device uses 6-step block commutation tables that are stored internally. This feature lets a three-phase BLDC motor be controlled using a single PWM sourced from a simple controller. The PWM is applied on the PWM pin and determines the output frequency and duty cycle of the half-bridges.

The half-bridge output states are managed by the HPA, HNA, HPB, HNB, HPC and HNC pins which are used as state logic inputs. The state inputs are the position feedback of the BLDC motor. The device always operates with synchronous rectification.

The DIR pin controls the direction of BLDC motor in either clockwise or counter-clockwise direction. Tie the DIR pin low if this feature is not required.

The nBRAKE input halts the motor by turning off all high-side MOSFETs and turning on all low-side MOSFETs when it is pulled low. This brake is independent of the states of the other input pins. Tie the nBRAKE pin high if this feature is not required.

Table 2. Synchronous 1x PWM Mode

HALL INPUTS GATE-DRIVE OUTPUTS
STATE DIR = 0 DIR = 1 PHASE A PHASE B PHASE C DESCRIPTION
HALL_A HALL_B HALL_C HALL_A HALL_B HALL_C GHA GLA GHB GLB GHC GLC
Stop 0 0 0 0 0 0 L L L L L L Stop
Align 1 1 1 1 1 1 PWM !PWM L H L H Align
1 1 1 0 0 0 1 L L PWM !PWM L H B → C
2 1 0 0 0 1 1 PWM !PWM L L L H A → C
3 1 0 1 0 1 0 PWM !PWM L H L L A → B
4 0 0 1 1 1 0 L L L H PWM !PWM C → B
5 0 1 1 1 0 0 L H L L PWM !PWM C → A
6 0 1 0 1 0 1 L H PWM !PWM L L B → A

Figure 9 shows the configuration in 1x PWM mode.

DRV8306 drv8306-1x-pwm-simple-controller.gifFigure 9. 1x PWM Mode