ZHCSGG0B February 2017 – July 2017 DAC38RF86 , DAC38RF87 , DAC38RF96 , DAC38RF97
PRODUCTION DATA.
The DAC38RF86/96 is a family of high-performance, dual-channel, 14-bit, 9-GSPS, RF-sampling digital-to-analog converters (DACs) that are capable of synthesizing wideband signals from 0 to 4.5 GHz. The DAC38RF87/97 is also a family of high-performance, dual-channel, 14-bit, 6-GSPS, RF-sampling digital-to-analog converters (DACs) that are capable of synthesizing wideband signals from 0 to 3 GHz. A high dynamic range allows the DAC38RFxx family to generate signals for a wide range of applications including 3G/4G signals for wireless base-stations.
The devices feature a low-power JESD204B Interface with up to 8 lanes, and provides a maximum bit rate and input data rate of 12.5 Gbps and 1.25 GSPS complex per channel respectively. The DAC38RFxx provides two digital up-converters per channel, with multiple options for interpolation rates. A digital quadrature modulator with independent, frequency flexible NCOs are available to support multi-band operation. A GSM compliant low phase noise PLL/VCO is integrated to simplify the DAC sampling clock generation by allowing the use of a lower frequency reference clock
Figure 34. DAC38RF96, DAC38RF97 Block Diagram
The DAC38RFxx RX [0..7]+/- differential inputs are each internally terminated to a common point via 50 Ω, as shown in Figure 35.
Figure 35. Serial Lane Input Termination
Common mode termination is via a 50 pF capacitor to GND. The common mode voltage and termination of the differential signal can be controlled in a number of ways to suit a variety of applications via field TERM in register SRDS_CFG2 (8.5.87), as described in Table 1.
NOTE
AC coupling is recommended for JESD204B compliance.
| TERM | EFFECT |
|---|---|
| 000 | Reserved |
| 001 | Common point set to 0.7 V. This configuration is for AC coupled systems. The transmitter has no effect on the receiver common mode, which is set to optimize the input sensitivity of the receiver. Note: this mode is not compatible with JESD204B. |
| 01x | Reserved |
| 100 | Common point set to GND. This configuration is for applications that require a 0 V common mode. |
| 101 | Common point set to 0.25 V. This configuration is for applications that require a low common mode. |
| 110 | Reserved |
| 111 | Common point floating. This configuration is for DC coupled systems in which the common mode voltage is set by the attached transmit link partner to 0 and 0.6 V. Note: this mode is not compatible with JESD204B |
Input data is sampled by the differential sensing amplifier using clocks derived from the clock recovery algorithm. The polarity of RX+ and RX- can be inverted by setting the bit of the corresponding lane in field INVPAIR in register SRDS_POL (8.5.88) to “1”. This can potentially simplify PCB layout and improve signal integrity by avoiding the need to swap over the differential signal traces.
Due to processing effects, the devices in the RX+ and RX- differential sense amplifiers will not be perfectly matched and there will be some offset in switching threshold. The DAC38RFxx contains circuitry to detect and correct for this offset. This feature can be enabled by setting ENOC in register SRDS_CFG1 (8.5.86) to “1”. It is anticipated the most users will enable this feature. During the compensation process, LOOPBACK in register SRDS_CFG1 (8.5.86) must be set to “00”.
The DAC38RFxx has eight configurable JESD204B serial lanes. The highest speed of each SerDes lane is 12.5 Gbps. Because the primary operating frequency of the SerDes is determined by its reference clock and PLL multiplication factor, there is a limit on the lowest SerDes rate supported. To support lower speed application, each receiver should be configured to operate at half, quarter or eighth of the full rate via field RATE in register SRDS_CFG2 (8.5.87). Refer to Table 2 for details.
| RATE | EFFECT |
|---|---|
| 00 | Full rate. Four data samples taken per SerDes PLL output clock cycle. |
| 01 | Half rate. Two data samples taken per SerDes PLL output clock cycle. |
| 10 | Quarter rate. One data samples taken per SerDes PLL output clock cycle. |
| 11 | Eighth rate. One data samples taken every two SerDes PLL output clock cycles. |
The DAC38RFxx has two integrated PLLs, one PLL is to provide the clocking of DAC; the other PLL is to provide the clocking for the high speed SerDes. The reference frequency of the SerDes PLL can be in the range of 100-800 MHz nominal, and 300-800 MHz optimal. The reference frequency is derived from DACCLK divided down by the value in field SerDes_REFCLK_DIV in register SRDS_CLK_CFG (8.5.84), as shown in Figure 36. Field SerDes_CLK_SEL in register SRDS_CLK_CFG (8.5.84) determines if the DACCLK input or DAC PLL output is used as the source of the SerDes PLL reference. If the DACCLK input is used, a pre-divider set by field SerDes_REFCLK_PREDIV in register SRDS_CLK_CFG (8.5.84) should be used to reduce the frequency of the DACCLK.
Figure 36. Reference Clock of SerDes PLL
During normal operation, the clock generated by PLL is 4-25 times the reference frequency, according to the multiply factor selected via the field MPY] in register SRDS_PLL_CFG (8.5.85). In order to select the appropriate multiply factor and reference clock frequency, it is first necessary to determine the required PLL output clock frequency. The relationship between the PLL output clock frequency and the lane rate is determined by field RATE in register SRDS_CFG2 (8.5.87) is shown in Table 3. Having computed the PLL output frequency, the reference frequency can be obtained by dividing this by the multiply factor specified via MPY.
| RATE | LINE RATE | PLL OUTPUT FREQUENCY |
|---|---|---|
| 00 | x Gbps | 0.25x GHz |
| 01 | x Gbps | 0.5x GHz |
| 10 | x Gbps | 1x GHz |
| 11 | x Gbps | 2x GHz |
| MPY | EFFECT |
|---|---|
| 0x20 | 4x |
| 0x28 | 5x |
| 0x30 | 6x |
| 0x40 | 8x |
| 0x42 | 8.25x |
| 0x50 | 10x |
| 0x60 | 12x |
| 0x64 | 12.5x |
| 0x78 | 15x |
| 0x80 | 16x |
| 0x84 | 16.5x |
| 0xA0 | 20x |
| 0xB0 | 22x |
| 0xC8 | 25x |
| Other codes | Reserved |
The wide range of multiply factors combined with the different rate modes means it is often possible to achieve a given line rate from multiple different reference frequencies. The configuration which utilizes the highest reference frequency achievable is always preferable.
The SerDes PLL VCO must be in the nominal range of 1.5625 - 3.125 GHz. It is necessary to adjust the loop filter depending on the operating frequency of the VCO. If the PLL output frequency is below 2.17 GHz, VRANGE in register SRDS_PLL_CFG (8.5.84) should be set high.
Performance of the integrated PLL can be optimized according to the jitter characteristics of the reference clock by setting the appropriate loop bandwidth via field LB in register SRDS_PLL_CFG (8.5.84). The loop bandwidth is obtained by dividing the reference frequency by BWSCALE, where the BWSCALE is a function of both LB and PLL output frequency as shown in Table 5.
| LB | EFFECT | BWSCALE vs PLL OUTPUT FREQUENCY | ||
|---|---|---|---|---|
| 3.125 GHz | 2.17 GHz | 1.5625 GHz | ||
| 00 | Medium loop bandwidth | 13 | 14 | 16 |
| 01 | Ultra high loop bandwidth | 7 | 8 | 8 |
| 10 | Low loop bandwidth | 21 | 23 | 30 |
| 11 | High loop bandwidth | 10 | 11 | 14 |
An approximate loop bandwidth of 8 – 30 MHz is suitable and recommended for most systems where the reference clock is via low jitter clock input buffer. For systems where the reference clock is via a low jitter input cell, but of low quality, an approximate loop bandwidth of less than 8 MHz may offer better performance. For systems where the reference clock is cleaned via an ultra-low jitter LC-based cleaner PLL, a high loop bandwidth up to 60 MHz is more appropriate. Note that the use of ultra-high loop bandwidth setting is not recommended for PLL multiply factor of less than 8.
A free running clock output is available when field ENDIVCLK in register SRDS_PLL_CFG (8.5.85) is set high. It runs at a fixed divided-by-80 of the PLL output frequency and can be output on the ALARM pin by setting field DTEST to “0001” (lanes 0 – 3) or “0010” (lanes 4 – 7) in register DTEST (8.5.76).
All channels of the DAC38RFxx incorporate an adaptive equalizer, which can compensate for channel insertion loss by attenuating the low frequency components with respect to the high frequency components of the signal, thereby reducing inter-symbol interference. Figure 37 shows the response of the equalizer, which can be expressed in terms of the amount of low frequency gain and the frequency up to which this gain is applied (i.e., the frequency of the ’zero’). Above the zero frequency, the gain increases at 6 dB/octave until it reaches the high frequency gain.
Figure 37. Equalizer Frequency Response
The equalizer can be configured via fields EQ and EQHLD in register SRDS_CFG1 (8.5.86). Table 6 and Table 7 summarize the options. When enabled, the receiver equalization logic analyzes data patterns and transition times to determine whether the low frequency gain should be increased or decreased. The decision logic is implemented as a voting algorithm with a relatively long analysis interval. The slow time constant that results reduces the probability of incorrect decisions but allows the equalizer to compensate for the relatively stable response of the channel. The lock time for the adaptive equalizer is data dependent, and so it is not possible to specify a generally applicable absolute limit. However, assuming random data, the maximum lock time will be 6x106 divided by the CDR activity level. For field CDR in register SRDS_CFG1 (8.5.86) = 110, the activity level is 1.5 x 106 UI.
When EQ = 0, finer control of gain boost is available using the EQBOOST IEEE1500 tuning chain field, as shown in Table 8.
| EQ | EFFECT | |
|---|---|---|
| [1-0] | 00 | No equalization. The equalizer provides a flat response at the maximum gain. This setting may be appropriate if jitter at the receiver occurs predominantly as a result of crosstalk rather than frequency dependent loss. |
| 01 | Fully adaptive equalization. The zero position is determined by the selected operating rate, and the low frequency gain of the equalizer is determined algorithmically by analyzing the data patterns and transition positions in the received data. This setting should be used for most applications. | |
| 10 | Precursor equalization analysis. The data patterns and transition positions in the received data are analyzed to determine whether the transmit link partner is applying more or less precursor equalization than necessary. | |
| 11 | Postcursor equalization analysis. The data patterns and transition positions in the received data are analyzed to determine whether the transmit link partner is applying more or less post-cursor equalization than necessary. | |
| [2] | 0 | Default |
| 1 | Boost. Equalizer gain boosted by 6 dB, with a 20% reduction in bandwidth, and an increase of 5mW power consumption. May improve performance over long links. | |
| EQHOLD | EFFECT |
|---|---|
| 0 | Equalizer adaption enabled. The equalizer adaption and analysis algorithm is enabled. This should be the default state. |
| 1 | Equalizer adaption held. The equalizer is held in its current state. Additionally, the adaption and analysis algorithm is reset. |
| EQBOOST | GAIN BOOST (dB) | BANDWIDTH CHANGE (%) | POWER INCREASE (mW) |
|---|---|---|---|
| 00 | 0 | 0 | 0 |
| 01 | 2 | -30 | 0 |
| 01 | 4 | 10 | 5 |
| 11 | 6 | -20 | 5 |
When EQ is set to 010 or 011, the equalizer is reconfigured to provide analytical data about the amount of pre and post cursor equalization respectively present in the received signal. This can in turn be used to adjust the equalization settings of the transmitting link partner, where a suitable mechanism for communicating this data back to the transmitter exists. Status information is provided by setting field DTEST in register DTEST (8.5.76) to “0111” for EQOVER and “0110” for EQUNDER. The procedure is as follows:
NOTE
When changing EQ from one non-zero value to another, EQHLD must already be 1. If this is not the case, there is a chance the equalizer could be reset by a transitory input state (i.e., if EQ is momentarily 000). EQHLD can be set to 0 at the same time as EQ is changed.
As the equalizer adaption algorithm is designed to equalize the post cursor, EQOVER or EQUNDER will only be set during post cursor analysis if the amount of post cursor equalization required is more or less than the adaptive equalizer can provide.
The descrambler is a 16-bit parallel self-synchronous descrambler based on the polynomial 1 + x14 + x15. From the JESD204B specification, the scrambling/descrambling process only occurs on the user data, not on the code group synchronization or the ILA sequence. Each multi-DUC has a separate descrambler that can be enabled independently. The descrambler is enabled by field SCR in the multi-DUC paged register JESD_N_HD_SCR (8.5.49).
The DAC38RFxx may be programmed as a single or dual DAC device, with one JESD RX block designated for each DAC. The two JESD RX blocks can be programmed to operate as two separate links or as a single link.
The JESD204B defines the following parameters:
Fields K and L are found in multi-DUC paged register JESD_K_L (8.5.46), M and S in multi-DUC paged register JESD_M_S (8.5.48), and N, NPRIME and HD in multi-DUC paged register JESD_N_HD_SCR (8.5.49).
Table 9 lists the available JESD204B formats, interpolation rates and sample rate limits for the DAC38RFxx. The ranges are limited by the SerDes PLL VCO frequency range, the SerDes PLL reference clock range, the maximum SerDes line rate, and the maximum DAC sample frequency. Table 10 through Table 22 lists the frame formats for each mode. In the frame format tables, i CH (N) [x:y] and q CH (N) [x:y] are bits x through y of the I and Q samples at time N of DUC channel CH. If [x..y] is not listed, the full sample is assumed. For example, i0(0)[15:8] are bits 15 – 8 of the I sample at time 0 of DUC #0, and q1(1) is the full Q sample at time 1 of DUC #1.
| L-M-F-S-Hd 1 TX |
L-M-F-S-Hd 2 TX |
Frame Format | Input Resolution | IQ pairs per DAC | Interp | Input rate max (MSPS) | fDAC Max (MSPS) | DAC38RF86, DAC38RF87 |
DAC38RF96,DAC38RF97 |
|---|---|---|---|---|---|---|---|---|---|
| 82121 | NA | 1 TX: Table 10 | 16 | 1 | 6 | 1250 | 7500 | √ | |
| 16 | 1 | 8 | 1125 | 9000 | √ | ||||
| 16 | 1 | 12 | 750 | 9000 | √ | √ | |||
| 16 | 1 | 16 | 562.5 | 9000 | √ | √ | |||
| 42111 | 84111 | 1 TX: Table 11
2 TX: Table 12 |
16 | 1 | 6 | 1250 | 7500 | √ | |
| 16 | 1 | 8 | 1125 | 9000 | √ | ||||
| 16 | 1 | 10 | 900 | 9000 | √ | ||||
| 16 | 1 | 12 | 750 | 9000 | √ | √ | |||
| 16 | 1 | 16 | 562.5 | 9000 | √ | √ | |||
| 16 | 1 | 18 | 500 | 9000 | √ | √ | |||
| 16 | 1 | 24 | 375 | 9000 | √ | √ | |||
| 22210 | 44210 | 1 TX: Table 13
2 TX: Table 14 |
16 | 1 | 8 | 625 | 5000 | √ | |
| 16 | 1 | 12 | 625 | 7500 | √ | √ | |||
| 16 | 1 | 16 | 562.5 | 9000 | √ | √ | |||
| 16 | 1 | 18 | 500 | 9000 | √ | √ | |||
| 16 | 1 | 20 | 450 | 9000 | √ | √ | |||
| 16 | 1 | 24 | 375 | 9000 | √ | √ | |||
| 12410 | 24410 | 1 TX: Table 15
2 TX: Table 16 |
16 | 1 | 16 | 312.5 | 5000 | √ | √ |
| 16 | 1 | 24 | 312.5 | 7500 | √ | √ | |||
| 44210 | 88210 | 1 TX: Table 17
2 TX: Table 18 |
16 | 2 | 8 | 625 | 5000 | √ | |
| 16 | 2 | 12 | 625 | 7500 | √ | ||||
| 16 | 2 | 16 | 562.5 | 9000 | √ | ||||
| 16 | 2 | 24 | 375 | 9000 | √ | ||||
| 24410 | 48410 | 1 TX: Table 19
2 TX: Table 20 |
16 | 2 | 16 | 312.5 | 5000 | √ | |
| 16 | 2 | 24 | 312.5 | 7500 | √ | ||||
| 24310 | 48310 | 1 TX: Table 21
2 TX: Table 22 |
12 | 2 | 24 | 375 | 9000 | √ |
| # un bits | 4 | 8 |
| # en bits | 5 | 10 |
| Nibble | 1 | 2 |
| lane RX0 | i0[15:8] | |
| lane RX1 | i0[7:0] | |
| lane RX2 | i1[15:8] | |
| lane RX3 | i1[7:0] | |
| lane RX4 | q0[15:8] | |
| lane RX5 | q0[7:0] | |
| lane RX6 | q1[15:8] | |
| lane RX7 | q1[7:0] | |
| # un bits | 4 | 8 |
| # en bits | 5 | 10 |
| Nibble | 1 | 2 |
| lane RX0 | i0[15:8] | |
| lane RX1 | i0[7:0] | |
| lane RX2 | q0[15:8] | |
| lane RX3 | q0[7:0] | |
| # un bits | 4 | 8 |
| # en bits | 5 | 10 |
| Nibble | 1 | 2 |
| lane RX0 | A-i0[15:8](1) | |
| lane RX1 | A-i0[7:0](2) | |
| lane RX2 | A-q0[15:8] | |
| lane RX3 | A-q0[7:0] | |
| lane RX4 | B-i0[15:8] | |
| lane RX5 | B-i0[7:0] | |
| lane RX6 | B-q0[15:8] | |
| lane RX7 | B-q0[7:0] | |
| # un bits | 4 | 8 | 12 | 16 |
| # en bits | 5 | 10 | 15 | 20 |
| Nibble | 1 | 2 | 3 | 4 |
| lane RX0 | i0 | |||
| lane RX1 | q0 | |||
| # un bits | 4 | 8 | 12 | 16 |
| # en bits | 5 | 10 | 15 | 20 |
| Nibble | 1 | 2 | 3 | 4 |
| lane RX0 | A-i0(1) | |||
| lane RX1 | A-q0 | |||
| lane RX2 | B-i0 | |||
| lane RX3 | B-q0 | |||
| # un bits | 4 | 8 | 12 | 16 | 20 | 24 | 28 | 32 |
| # en bits | 5 | 10 | 15 | 20 | 25 | 30 | 35 | 40 |
| Nibble | 1 | 2 | 3 | 4 | 5 | 6 | 7 | 8 |
| lane RX0 | i0 | q0 | ||||||
| # un bits | 4 | 8 | 12 | 16 | 20 | 24 | 28 | 32 |
| # en bits | 5 | 10 | 15 | 20 | 25 | 30 | 35 | 40 |
| Nibble | 1 | 2 | 3 | 4 | 5 | 6 | 7 | 8 |
| lane RX0 | A-i0(1) | A-q0 | ||||||
| lane RX1 | B-i0 | B-q0 | ||||||
| # un bits | 4 | 8 | 12 | 16 |
| # en bits | 5 | 10 | 15 | 20 |
| Nibble | 1 | 2 | 3 | 4 |
| lane RX0 | A1-i0(1) | |||
| lane RX1 | A1-q0(2) | |||
| lane RX2 | A2-i0 | |||
| lane RX3 | A2-q0 | |||
| # un bits | 4 | 8 | 12 | 16 |
| # en bits | 5 | 10 | 15 | 20 |
| Nibble | 1 | 2 | 3 | 4 |
| lane RX0 | A1-i0(1) | |||
| lane RX1 | A1-q0 | |||
| lane RX2 | A2-i0 | |||
| lane RX3 | A2-q0 | |||
| lane RX4 | B1-i0 | |||
| lane RX5 | B1-q0 | |||
| lane RX6 | B2-i0 | |||
| lane RX7 | B1-q0 | |||
| # un bits | 4 | 8 | 12 | 16 | 20 | 24 | 28 | 32 |
| # en bits | 5 | 10 | 15 | 20 | 25 | 30 | 35 | 40 |
| Nibble | 1 | 2 | 3 | 4 | 5 | 6 | 7 | 8 |
| lane RX0 | A1-i0(1) | A1-q0 | ||||||
| lane RX1 | A2-i0 | A2-q0 | ||||||
| # un bits | 4 | 8 | 12 | 16 | 20 | 24 | 28 | 32 |
| # en bits | 5 | 10 | 15 | 20 | 25 | 30 | 35 | 40 |
| Nibble | 1 | 2 | 3 | 4 | 5 | 6 | 7 | 8 |
| lane RX0 | A1-i0(1) | A1-q0 | ||||||
| lane RX1 | A2-i0 | A2-q0 | ||||||
| lane RX2 | B1-i0 | B1-q0 | ||||||
| lane RX3 | B2-i0 | B2-q0 | ||||||
| # un bits | 4 | 8 | 12 | 16 | 20 | 24 |
| # en bits | 5 | 10 | 15 | 20 | 25 | 30 |
| Nibble | 1 | 2 | 3 | 4 | 5 | 6 |
| lane RX0 | A1-i0(1) | A1-q0 | ||||
| lane RX1 | A2-i0 | A2-q0 | ||||
| # un bits | 4 | 8 | 12 | 16 | 20 | 24 |
| # en bits | 5 | 10 | 15 | 20 | 25 | 30 |
| Nibble | 1 | 2 | 3 | 4 | 5 | 6 |
| lane RX0 | A1-i0(1) | A1-q0 | ||||
| lane RX1 | A2-i0 | A2-q0 | ||||
| lane RX2 | B1-i0 | B1-q0 | ||||
| lane RX3 | B2-i0 | B2-q0 | ||||
The DAC38RFxx JESD204B interface has two differential SYNC outputs called SYNC0 and SYNC1 to support one or two links. Alternatively, GPO0 and GPO1 can be used to output SYNC as a single-ended CMOS level. Each of the differential or CMOS outputs is enabled by a 2-bit register (fields GPO0_SEL, GPO1_SEL, SYNC0B_SEL, SYNC1B_SEL in register IO_CONFIG 8.5.2), with bit 0 enabling multi-DUC1 SYNC and bit 1 enabling multi-DUC2 SYNC. If both are enabled, the SYNC\ signals are OR’ed.
The SYNC signal can be asserted low by the receiver either to make a synchronization request to initialize/reinitialize the link or to report an error to the transmitter. Synchronization requests must have a minimum duration of five frames plus nine octets rounded up to the nearest whole number of frames. To report an error, the SYNC signal is asserted for exactly two frames. The transmitter interprets any negative edge of its SYNC input as an error and any SYNC assertion lasting four frames or longer as a synchronization request. See the following sections in the standard for more details.
The DAC38RFxx JESD204B interface can be configures with one or two links. The advantage of using two links, one for each DAC, is that one link can be re-established without affecting the other link and DAC.
The configuration for each mode of operation are:
In many applications, such as multi antenna systems where the various transmit channels information is correlated, it is required that the latency across the link is deterministic and multiple DAC devices are completely synchronized such that their outputs are phase aligned. The DAC38RFxx achieves the deterministic latency using SYSREF (JESD204B Subclass 1).
SYSREF is generated from the same clock domain as DACCLK. After having resynchronized its local multiframe clock (LMFC) to SYSREF, the DAC will request a link re-initialization via SYNC interface. Processing of the signal on the SYSREF input can be enabled and disabled via the SPI interface.
The SYSREF capture circuit and the timing requirements relative to device clock are described in SYSREF Capture Circuit.
The JESD204B standard for Device Subclass 1 introduces a SYSREF signal that can be used as a global timing reference to align the phase of the internal local multiframe clock (LMFC) and frame clock across multiple devices. This allows the system to achieve deterministic latency and align data samples across several data converters. The SYSREF signal accomplishes this goal by identifying a device clock edge for each chip that can be used as an alignment reference. In particular, the LMFC and frame clock align to the device clock edge upon which the SYSREF transition from “0” to “1” is sampled. SYSREF may be periodic, one-shot, or “gapped” periodic and its period must be a multiple of the LMFC period.
Figure 38. SYSREF Signal Timing
With high-speed device clocks, the phase of the SYSREF signals relative to the device clock must meet the setup/hold time requirements of each individual device clock. Historically, this has been done by controlling the board-level routing delay and/or employing commercial clock distribution capable of generating device clocks and SYSREF signals with programmable delays and with the option of splitting SYSREF into multiple SYSREFS, each with its own fine-tuned delay. Since the DAC38RFxx family supports device clock frequencies up to 9 GHz, a SYSREF capture circuit is includes in the DAC38RFxx that allows a relaxation in meeting the device clock setup and hold.
The SYSREF capture circuit provides:
The concepts behind the SYSREF capture scheme are illustrated in Figure 39.
Figure 39. SYSREF Capture Strategy and Phase Tolerance Windows
To understand Figure 39, to begin with we’ll ignore the SYSREF phase tolerance windows in the lower portion of the figure and focus on the blue clock waveform at the top of the figure. This waveform represents the device clock input to a particular DAC chip. The green arrows, labeled “R” and “F”, correspond to the rising and falling edges of this clock (ignoring for the moment the additional arrows labeled “ER” and "EF”). Lower frequency devices captured SYSREF only on the rising edge of the device clock, the new scheme samples SYSREF on the falling edge as well, which provides more flexibility when optimizing the setup and hold time of the SYSREF capture path. Moreover, each time a rising SYSREF edge is captured, the chip remembers the clock phase during which the event occurred, and the system designer can later read back the phase information to observe the SYSREF timing relative to the device clock at the internal capture point. If SYSREF transitions close to the rising or falling clock edge sampling points the capture flop setup and hold time may not be met and the observed phase may be unreliable and subject to meta-stability phenomenon.
To reduce the sensitivity to setup/hold/meta-stability concerns an “early” version of the device clock is generated within the DAC and additional SYSREF samples are taken at the “early falling” and “early rising” edges of the clock (labeled “EF” and “ER”, respectively, in Figure 39). The resulting set of four samples is used to narrow down the timing of the rising SYSREF edge to one of four possible clock phases. If the rising SYSREF transition takes place between the “EF” and “F” samples, then SYSREF is said to occur in phase θ1. Similarly, if it takes place between the “F” and “ER” samples, then it is said to occur in phase θ2. If SYSREF transitions between the “ER” and “R” samples, then it is said to occur in phase θ3. And, finally, if the SYSREF rising edge event happens between the “R” and “EF” samples, then it is said to occur in phase θ4. As mentioned before, the chip remembers all observed SYSREF phases and the user can later read them back. Since the delay between “early” and “on time” versions of the clock is intentionally chosen to be larger than the setup/hold/meta-stability window, at most one of the four samples can be affected even when the SYSREF transitions right at one of the four sampling points. Thus, the uncertainty in the observed SYSREF timing is limited to adjacent phases, and with twice as many sampling phases the resolution of the timing information is improved by a factor of two.
Referring to the lower portion of Figure 39, the user can now see how this information regarding the observed SYSREF phases is used to devise a reliable SYSREF capture methodology with a high degree of tolerance to manufacturing and environmental variations in SYSREF phase. Based on the SYSREF phases observed for a particular DAC chip during system characterization, the system designer can select one of four so-called “phase tolerance window” options (denoted “’00”, “01”, “10”, and “11”) to maximize immunity to manufacturing and environmental variations. For example, consider the default phase tolerance window labeled “window=00” in the figure. If, during characterization, the system designer observes (by reading back the recorded phase observations) that the rising SYSREF edge nominally occurs in either θ1 or θ2 or both (i.e. θ12) then he would program that particular DAC chip to use phase tolerance window “00”. This mapping is indicated in the figure with the label “θ1|θ12|θ2: window=00”. Having programmed the device to use window “00”, all future SYSREF events that occur in θ1 or θ2 would trigger the LMFC and frame clock to be aligned using the following rising clock edge as the alignment reference (as indicated by the red arrow pointing to rising clock edge “R” and labeled “Window=00/01 alignment edge”).
The full extent of each phase tolerance window is indicated in the figure using “box and whisker” plots. For the “window=00” example, the “box” portion of the plot indicates that the phase tolerance window is centered on θ12 (to be precise on the boundary between θ1 and θ2) and the “whisker” portion indicates that even if the rising edge of SYSREF occurs as early as the preceding θ4 or as late as the following θ3 it still results in LMFC and frame clock alignment to the same rising clock edge indicated by the red arrow labeled “Window=00/01 alignment edge”. When programmed for phase tolerance window “00”, the DAC chip is tolerant to variations in the SYSREF timing ranging from a rising SYSREF edge that occurs just after one rising edge of clock to just before the next rising edge of the clock. The qualifying phrases “just after” and “just before” are used here to indicate that the SYSREF transition must occur far enough away from the rising edges of the clock to avoid setup/hold violations and prevent the device from concluding that the SYSREF transition has crossed out off the phase tolerance window when in fact it has not. The tolerance range for window “00” is from rising clock edge to rising clock edge and is indicated in the figure by the green text labeled “tolerance = R↔R”.
Following the above example, if characterization reveals SYSREF timing centered on θ23 then phase tolerance window “01” (with tolerance for SYSREF rising edge events from EF to EF) should be chosen. Notice that this option is tolerant even to rising SYSREF edges that occur after the rising device clock edge (i.e. in θ4) and will treat them just as if they had occurred in one of the earlier three phases, aligning to the same rising device clock edge indicated by the red arrow labeled “Window=00/01 Alignment Edge”. This allows the system designer to tolerate PCB design errors and/or environmental and manufacturing variations – achieving his intended alignment without having to make physical changes to the board to adjust the SYSREF timing.
Similarly, if characterization indicates that SYSREF timing is centered on θ34 or θ41 then phase tolerance window “10” or “11” can be selected, resulting in tolerance for “F↔F” or “ER↔ER” SYSREF timing, respectively. Note, however, that in these two cases the alignment reference edge is by default taken to be the subsequent rising edge of the device clock. Since this may not be the desired behavior, the DAC38RFxx allows the user to program in an optional alignment offset of θ1 if the default offset of 0 does not achieve the desired alignment. This feature is illustrated in Figure 40 where the user can see that by setting the alignment offset to -1, phase tolerance windows “10” and “11” can be made to trigger alignment to the earlier rising device clock edge used by windows “00” and “01”. Alternatively, the window “00” and “01” alignment edge can be pushed one cycle later by setting their alignment offset to +1.
Figure 40. Optional SYSREF Alignment Offset
Several important controls related to SYSREF alignment and capture timing are contained in register SYSR_CAPTURE (8.5.78). For example, as mentioned before, the device is capable of monitoring the observed phases of the rising SYSREF edge events; however, in order to avoid unwanted noise coupling from the SYSREF circuits into the DAC output, the SYSREF monitoring circuits are disabled by default. Field SYSR_STATUS_ENA enables SYSREF status monitoring. Field SYSR_PHASE_WDW contains the the phase tolerance window selected for normal operation, which is optimized during characterization. Field SYSR_ALIGN_DLY contains the control that allows the system designer to optionally offset the SYSREF alignment event by ±1 device clock cycles. Field SYSR_STATUS_ENA enables the SYSREF capture alignment accumulation and will generate alarms when enabled. Writing a “1” to field SYSR_ALIGN_SYNC clears the accumulated SYSREF alignment statistics. The SYSREF alignment block can be bypassed completely by field SYSREF_BYPASS_ALIGN, in which case SYSREF is latched by the rising edge of DACCLK.
When field SYSR_STATUS_ENA is high the device records the phase associated with each SYSREF event for use in characterizing the SYSREF capture timing and selecting an appropriate phase tolerance window. The phase data is available in two forms. First, each of the four phases has a corresponding “sticky” alarm flag indicating which phases have been observed since the last time the register was cleared. In addition, the device also accumulates statistics on the relative number of occurrences of each phase spanning multiple SYSREF events using saturating 8-bit counters. These accumulated real-time SYSREF statistics allow us to account for time-varying effects during characterization such as potential timing differences between the 1st and Nth edges in a “gapped” SYSREF pulse train. The counters are fields PHASE1_CNT and PHASE2_CNT in register SYSREF12_CNT (8.5.10), PHASE3_CNT and PHASE4_CNT in register SYSREF34_CNT (8.5.11), and ALIGN_TO_R1_CNT and ALIGN_TO_R3_CNT in register SYSREF_ALIGN_R (8.5.9).
The accumulated SYSREF statistics can be cleared by writing ‘1’ to SYSR_ALIGN_SYNC. This sync signal affects only the SYSREF statistics monitors and does not cause a sync of any other portions of the design. Before collecting phase statistics, the user must first enable the SYSREF status monitoring logic by setting the SYSR_STATUS_ENA bit. The user must then generate a repeating SYSREF input before using SYSR_ALIGN_SYNC to clear the statistic counters. This is necessary to flush invalid data out of the status pipeline.
The “sticky” alarm flags indicating which of the four phases have been observed since the last SYSR_ALIGN_SYNC write of ‘1’ are fields ALM_SYSRPHASE1 to ALM_SYSRPHASE4 and are contained in the ALM_SYSREF_DET register (8.5.6).
Some functionality has been implemented to support Subclass 0 operation. Note that programming the SUBCLASSV configuration parameter has no functional impact on the logic. The value programmed for SUBCLASSV is only used in the initial lane alignment (ILA) sequence. The following configuration parameters are used to support Subclass 0 operation:
The DAC38RFxx supports a number of basic pattern generation and verification of SerDes via the serial interface. Three pseudo random bit stream (PRBS) sequences are available, along with an alternating 0/1 pattern and a 20-bit user-defined sequence. The 27 - 1, 231 - 1 or 223 – 1 sequences implemented can often be found programmed into standard test equipment, such as a Bit Error Rate Tester (BERT). Pattern generation and verification selection is via field TESTPATT in register SRDS_CFG1 (8.5.86), as shown in Table 23.
| TESTPATT | EFFECT |
|---|---|
| 000 | Test mode disabled. |
| 001 | Alternating 0/1 Pattern. An alternating 0/1 pattern with a period of 2 UI. |
| 010 | Verify 27 - 1 PRBS. Uses a 7-bit LFSR with feedback polynomial x7 + x6 + 1. |
| 011 | Verify 223 - 1 PRBS. Uses an ITU O.150 conformant 23-bit LFSR with feedback polynomial x23 + x18 + 1. |
| 100 | Verify 231 - 1 PRBS. Uses an ITU O.150 conformant 31-bit LFSR with feedback polynomial x31 + x28 + 1. |
| 101 | User-defined 20-bit pattern. Uses the USR PATT IEEE1500 Tuning instruction field to specify the pattern. The default value is 0x66666. |
| 11x | Reserved. |
Pattern verification compares the output of the serial to parallel converter with an expected pattern. When there is a mismatch, the TESTFAIL bit is driven high, which can be programmed to come out the ALARM terminal by setting field DTEST in register DTEST (8.5.76) to “0011”.
DAC38RFxx also provide a number of advanced diagnostic capabilities controlled by the IEEE 1500 interface. These are:
The SerDes blocks support the following IEEE1500 instructions:
| INSTRUCTION | OPCODE | DESCRIPTION |
|---|---|---|
| ws_bypass | 0x00 | Bypass. Selects a 1-bit bypass data register. Use when accessing other macros on the same IEEE1500 scan chain. |
| ws_cfg | 0x35 | Configuration. Write protection options for other instructions. |
| ws_core | 0x30 | Core. Fields also accessible via dedicated core-side ports. |
| ws_tuning | 0x31 | Tuning. Fields for fine tuning macro performance. |
| ws_debug | 0x32 | Debug. Fields for advanced control, manufacturing test, silicon characterization and debug. |
| ws_unshadowed | 0x34 | Unshadowed. Fields for silicon characterization. |
| ws_char | 0x33 | Char. Fields used for eye scan. |
The data for each SerDes instruction is formed by chaining together sub-components called head, body (receiver or transmitter) and tail. DAC38RFxx uses two SerDes receiver blocks R0 and R1, each of which contains 4 receive lanes (channels), the data for each IEEE1500 instruction is formed by chaining {head, receive lane 0, receive lane 1, receive lane 2, receive lane 3, tail}. A description of bits in head, body and tail for each instruction is given as follows:
NOTE
All multi-bit signals in each chain are packed with bits reversed e.g. mpy[7:0] in ws_core head subchain is packed as {retime, enpll, mpy[0:7], vrange, lb[0:1]}. All DATA REGISTER READS from SerDes Block R0 should read 1 bit more than the desired number of bits and discard the first bit received on TDO e.g., to read 40-bit data from R0 block, 41 bits should be read off from TDO and the first bit received should be discarded. Similarly, any data written to SerDes Block R0 Data Registers should be prefixed with an extra 0.
| FIELD | DESCRIPTION |
|---|---|
| HEAD (STARTING FROM THE MSB OF CHAIN) | |
| RETIME | No function. |
| CORE_WE | Core chain write enable. |
| RECEIVER (FOR EACH LANE 0, 1, 2, 3) | |
| CORE_WE | Core chain write enable. |
| TUNING_WE | Tuning chain write enable. |
| DEBUG_WE | Reserved. |
| CHAR_WE | Char chain write enable. |
| UNSHADOWED_WE | Reserved. |
| TAIL (ENDING WITH THE LSB OF CHAIN) | |
| CORE_WE | Core chain write enable. |
| TUNING_WE | Tuning chain write enable. |
| DEBUG_WE | Reserved. |
| RETIME | No function. |
| CHAIN LENGTH = 26 BITS | |
| FIELD | DESCRIPTION |
|---|---|
| HEAD (STARTING FROM THE MSB OF CHAIN) | |
| RETIME | No function. |
| ENPLL | PLL enable. |
| MPY[7:0] | PLL multiply. |
| VRANGE | VCO range. |
| ENDIVCLK | Enable DIVCLK output |
| LB[1:0] | Loop bandwidth |
| RECEIVER (FOR EACH LANE 0,1,2,3) | |
| ENRX | Receiver enable. |
| SLEEPRX | Receiver sleep mode. |
| BUSWIDTH[2:0] | Bus width. |
| RATE[1:0] | Operating rate. |
| INVPAIR | Invert polarity. |
| TERM[2:0] | Termination. |
| ALIGN[1:0] | Symbol alignment. |
| LOS[2:0] | Loss of signal enable. |
| CDR[2:0] | Clock/data recovery. |
| EQ[2:0] | Equalizer. |
| EQHLD | Equalizer hold. |
| ENOC | Offset compensation. |
| LOOPBACK[1:0] | Loopback. |
| BSINRXP | Boundary scan initialization. |
| BSINRXN | Boundary scan initialization. |
| RESERVED | Reserved. |
| Testpatt[2:0] | Test pattern selection. |
| TESTFAIL | Test failure (real time). |
| LOSTDTCT | Loss of signal detected (real time). |
| BSRXP | Boundary scan data. |
| BSRXN | Boundary scan data. |
| OCIP | Offset compensation in progress. |
| EQOVER | Receiver signal over equalized. |
| EQUNDER | Receiver signal under equalized. |
| LOSTDTCT | Loss of signal detected (sticky). |
| SYNC | Re-alignment done, or aligned comma output (sticky). |
| RETIME | No function. |
| TAIL (ENDING WITH THE LSB CHAIN) | |
| CLKBYP[1:0] | Clock bypass. |
| SLEEPPLL | PLL sleep mode. |
| RESERVED | Reserved. |
| LOCK | PLL lock (real time). |
| BSINITCLK | Boundary scan initialization clock. |
| ENBSTX | Enable TX boundary scan. |
| ENBSRX | Enable RX boundary scan. |
| ENBSPT | RX pulse boundary scan. |
| RESERVED | Reserved. |
| NEARLOCK | PLL near to lock. |
| UNLOCK | PLL lock (sticky). |
| CFG OVR | Configuration over-ride. |
| RETIME | No function. |
| CHAIN LENGTH = 196 BITS | |
| FIELD | DESCRIPTION |
|---|---|
| HEAD (STARTING FROM THE MSB OF CHAIN) | |
| RETIME | No function. |
| RECEIVER (FOR EACH LANE 0,1,2,3) | |
| PATTERRTHR[2:0] | Resync error threshold. |
| PATT TIMER | PRBS timer. |
| RXDSEL[3:0] | Status select. |
| ENCOR | Enable clear-on-read for error counter. |
| EQZERO[4:0] | EQZ OVRi Equalizer zero. |
| EQZ OVR | Equalizer zero over-ride. |
| EQLEVEL[15:0] | EQ OVRi Equalizer gain observe or set. |
| EQ OVR | Equalizer over-ride. |
| EQBOOST[1:0] | Equalizer gain boost. |
| RXASEL[2:0] | Selects amux output. |
| TAIL (ENDING WITH THE LSB CHAIN) | |
| ASEL[3:0] | Selects amux output. |
| USR PATT[19:0] | User-defined test pattern. |
| RETIME | No function. |
| CHAIN LENGTH = 174 BITS | |
| FIELD | DESCRIPTION |
|---|---|
| HEAD (STARTING FROM THE MSB OF CHAIN) | |
| RETIME | No function. |
| RECEIVER (FOR EACH LANE 0,1,2,3) | |
| TESTFAIL | Test failure (sticky). |
| ECOUNT[11:0] | Error counter. |
| ESWORD[7:0] | Eye scan word masking. |
| ES[3:0] | Eye scan. |
| ESPO[6:0] | Eye scan phase offset. |
| ES BIT SELECT[4:0] | Eye scan compare bit select. |
| ESVO[5:0] | Eye scan voltage offset. |
| ESVO OVR | Eye scan voltage offset override. |
| ESLEN[1:0] | Eye scan run length. |
| ESRUN | Eye scan run. |
| ESDONE | Eye scan done. |
| TAIL (ENDING WITH THE LSB CHAIN) | |
| RETIME | No function. |
| CHAIN LENGTH = 194 BITS | |
All receive channels include a 12-bit counter for accumulating pattern verification errors. This counter is accessible via the ECOUNT IEEE1500 Char field. It is an essential part of the eye scan capability (see the Eye Scan section).
The counter increments once for every cycle that the TESTFAIL bit is detected. The counter does not increment when at its maximum value (i.e., all 1s). When an IEEE1500 capture is performed, the count value is loaded into the ECOUNT scan elements (so that it can be scanned out), and the counter is then reset, provided NCOR is set high.
ECOUNT can be used to get a measure of the bit error rate. However, as the error rate increases, it becomes less accurate due to limitations of the pattern verification capabilities. Specifically, the pattern verifier checks multiple bits in parallel (as determined by the Rx bus width), and it is not possible to distinguish between 1 or more errors.
All receive channels provide features which facilitate mapping the received data eye or extracting a symbol response. A number of fields accessible via the IEEE1500 Char scan chain allow the required low level data to be gathered. The process of transforming this data into a map of the eye or a symbol response must then be performed externally, typically in software.
The basic principle used is as follows:
Alternatively, the algorithm can be configured to optimize the voltage offset at a specified phase offset, over a specified time interval.
Eye scan can be used in both synchronous and asynchronous systems, while receiving normal data traffic. The IEEE1500 Char fields used to directly control eye scan and symbol response extraction are ES, ESWORD, ES BIT SELECT, ESLEN, ESPO, ESVO, ESVO OVR, ESRUN and ESDONE. Eye scan errors are accumulated in ECOUNT.
The required eyescan mode is selected via the ES field, as shown in Table 29. When enabled, only data from the bit position within the 20-bit word specified via ES BIT SELECT is analyzed. In other words, only eye scan errors associated with data output at this bit position will accumulate in ECOUNT. The maximum legal ES BIT SELECT is 10011.
| ES[3:0] | EFFECT |
|---|---|
| 0000 | Disabled. Eye scan is disabled. |
| 0x01 | Compare. Counts mismatches between the normal sample and the eye scan sample if ES[2] = 0, and matches otherwise. |
| 0x10 | Compare zeros. As ES = 0x01, but only analyses zeros, and ignores ones. |
| 0x11 | Compare ones. As ES = 0x01, but only analyses ones, and ignores zeroes. |
| 0100 | Count ones. Increments ECOUNT when the eye scan sample is a 1. |
| 1x00 | Average. Adjusts ESVO to the average eye opening over the time interval specified by ESLEN. Analyses zeroes when ES[2] = 0, and ones when ES[2]= 1. |
| 1001 1110 |
Outer. Adjusts ESVO to the outer eye opening (i.e. lowest voltage zero, highest voltage 1) over the time interval specified by ESLEN. 1001 analyses zeroes, 1110 analyses ones. |
| 1010 1101 |
Inner. Adjusts ESVO to the inner eye opening (i.e. highest voltage zero, lowest voltage 1) over the time interval specified by ESLEN. 1010 analyses zeroes, 1101 analyses ones. |
| 1x11 | Timed Compare. As ES = 001x, but analyses over the time interval specified by ESLEN. Analyses zeroes when ES[2] = 0, and ones when ES[2] = 1. |
When ES[3] = 0, the selected analysis runs continuously. However, when ES[3] = 1, only the number of qualified samples specified by ESLed, as shown in Table 30. In this case, analysis is started by writing a 1 to ESRUN (it is not necessary to set it back to 0). When analysis completes, ESDONE is set to 1.
| ESLen | NUMBER OF SAMPLES ANALYZED |
|---|---|
| 00 | 127 |
| 01 | 1023 |
| 10 | 8095 |
| 11 | 65535 |
When ESVO OVR = 1, the ESVO field determines the amount of offset voltage that is applied to the eye scan data samplers associated with rxpi and rxni. The amount of offset is variable between 0 and 300 mV in increments of ~10 mV, as shown Table 31. When ES[3] = 1, ESVO OVR must be 0 to allow the optimized voltage offset to be read back via ESVO.
| ESVO | OFFSET (mV) |
|---|---|
| 100000 | -310 |
| … | … |
| 111110 | -20 |
| 111111 | -10 |
| 000000 | 0 |
| 000001 | 10 |
| 000010 | 20 |
| … | … |
| 011111 | 300 |
The phase position of the samplers associated with rxpi and rxni, is controlled to a precision of 1/32UI. When ES is not 00, the phase position can be adjusted forwards or backwards by more than one UI using the ESPO field, as shown in Table 32. In normal use, the range should be limited to ±0.5 UI (+15 to –16 phase steps).
| ESPO | OFFSET (1/32 UI) |
|---|---|
| 011111 | +63 |
| … | … |
| 000001 | +1 |
| 000000 | 0 |
| 111111 | -1 |
| … | … |
| 100000 | -64 |
The DAC38RFxx supports the following test patterns for JESD204B:
The DAC38RFxx expects the test samples, in a frame, transmitted by an logic device as per Table 33:
| JESD Mode | i0 | q0 | i1 | q1 |
|---|---|---|---|---|
| 82121 | 7CB8, F431 | 6DA9, E520 | n/a | n/a |
| 42111 | 7CB8 | F431 | n/a | n/a |
| 22210 | 7CB8 | F431 | n/a | n/a |
| 12410 | 7CB8 | F431 | n/a | n/a |
| 44210 | 7CB8 | F431 | 6DA9 | E520 |
| 24410 | 7CB8 | F431 | 6DA9 | E520 |
| 41121 | 7CB8, F431 | n/a | n/a | n/a |
| 81180 | 7C00, B800, F400, 3100, 6D00, A900, E500, 2000 | n/a | n/a | n/a |
| 24310 | 7CB0 | F430 | 6DA0 | E520 |
| 41380 | 7CB0, F430, 6DA0, E520, F870, E960, DA50, CB40 | n/a | n/a | n/a |
The short test pattern has duration of one frame period and is repeated continuously for the duration of the test. Each sample has a unique value that can be identified with the position of the sample in the user data format. The sample values are such that correct sample values will never be decoded at the receiver if there is a mismatch between the mapping formats being used at the transmitter and receiver devices. This can generally be accomplished by ensuring there are no repeating sub patterns within the stream of samples being transmitted.
Following are the steps required to execute the short test functionality in DAC38RFxx.
If the alarm read from the register is high, the short test has detected an error.
Each DAC output in the DAC38RFxx is supported by a dual band digital upconverter (DUC), which is called a multi-DUC.Figure 41 shows the signal processing features of each of the two multi-DUCs. The two paths are identical and independent. The SPI interface registers for the multi-DUCs are addressed through paging, with page 0 supporting multi-DUC1 and page 1 supporting multi-DUC2. Register PAGE_SET (8.5.8) is used to set the pages. Both pages can be selected at the same time to program both multi-DUCs simultaneously with the same settings.
Each multi-DUC has 2 DUC channels, called path AB and path CD. The output of one multi-DUC can be added to the signal of the other multi-DUC to allow a configuration with 4 total DUCs summed together for 1 DAC. After quadrature modulation is a sin(x)/x compensation filter, followed by the multiband summation block. The multi-band summation block had the ability to add the signals from the other multi-DUC for a combined 4 DUCs, each with independent frequency control. The final block is an output delay block with 0 – 15 sample range.
Figure 41. DAC38RFxx multi-DUC Signal Processing Block Diagram
Each multi-DUC, accepts data from up to 8 SerDes lanes. A crossbar switch allows any SerDes lane to be mapped to any other SerDes lane. The crossbar switch is controlled by fields OCTETPATHx_SEL (x = [0..7]) in Registers JESD_CROSSBAR1 (8.5.57) and JESD_CROSSBAR2 (8.5.58).
As shown in Table 9, the multiband DUC can be configured as either a single DUC with 1 IQ input, or a dual DUC with 2 IQ inputs, which is selected by asserting field DUAL_IQ in register MULTIDUC_CFG1 (8.5.13).
The digital upconverter first increases the sample rate of the IQ signal from the input sample rate to the final DAC sample rate through a series of interpolation filters. Different sets of filters are used to achieve different rates, as shown in Table 34. The interpolation rate is selected by field INTERP in register MULTIDUC_CFG1 (8.5.13).
| FILTERS USED | |||||||
|---|---|---|---|---|---|---|---|
| Interpolation Rate | FIR0 (2x) | FIR1 (2x) | LPFIR0_5X | FIR2 (2x) | LPFIR0_3X | FIR3 (2x) | LPFIR1_3X |
| 6 | x | x | |||||
| 8 | x | x | x | ||||
| 10 | x | x | |||||
| 12 | x | x | x | ||||
| 16 | x | x | x | x | |||
| 18 | x | x | x | ||||
| 20 | x | x | x | ||||
| 24 | x | x | x | x | |||
The FIR filter coefficients are shown in Table 35 The FIR filters are design with a passband BW of 0.4 x fINPUT, a stopband attenuation of 90 dBc and ripple of < 0.001 dB. The composite frequency response for each interpolation factor are shown in Figure 42 to Figure 49.
| tap | FIR0 | FIR1 | LPFIR0_5X | FIR2 | LPFIR0_3X | FIR3 | LPFIR1_3X | INVSINC |
|---|---|---|---|---|---|---|---|---|
| 1 | 6 | -12 | -6 | 29 | -14 | 3 | 25 | 1 |
| 2 | 0 | 0 | -22 | 0 | -61 | 0 | 88 | -4 |
| 3 | -19 | 84 | -51 | -214 | -125 | -25 | 22 | 13 |
| 4 | 0 | 0 | -89 | 0 | -95 | 0 | -576 | -50 |
| 5 | 47 | -336 | -117 | 1209 | 181 | 150 | -1764 | 592 |
| 6 | 0 | 0 | -106 | 2048 | 681 | 256 | -2263 | -50 |
| 7 | -100 | 1006 | -18 | 1209 | 972 | 150 | 491 | 13 |
| 8 | 0 | 0 | 171 | 0 | 347 | 0 | 8139 | -4 |
| 9 | 192 | -2691 | 449 | -214 | -1475 | -25 | 18625 | 1 |
| 10 | 0 | 0 | 745 | 0 | -3519 | 0 | 26365 | |
| 11 | -342 | 10141 | 930 | 29 | -3528 | 3 | 26365 | |
| 12 | 0 | 16384 | 841 | 707 | 18625 | |||
| 13 | 572 | 10141 | 338 | 9337 | 8139 | |||
| 14 | 0 | 0 | -618 | 19445 | 491 | |||
| 15 | -914 | -2691 | -1892 | 26299 | -2263 | |||
| 16 | 0 | 0 | -3147 | 26299 | -1764 | |||
| 17 | 1409 | 1006 | -3872 | 19445 | -576 | |||
| 18 | 0 | 0 | -3500 | 9337 | 22 | |||
| 19 | -2119 | -336 | -1564 | 707 | 88 | |||
| 20 | 0 | 0 | 2121 | -3528 | 25 | |||
| 21 | 3152 | 84 | 7336 | -3519 | ||||
| 22 | 0 | 0 | 13430 | -1475 | ||||
| 23 | -4729 | -12 | 19426 | 347 | ||||
| 24 | 0 | 24231 | 972 | |||||
| 25 | 7420 | 26904 | 681 | |||||
| 26 | 0 | 26904 | 181 | |||||
| 27 | -13334 | 24231 | -95 | |||||
| 28 | 0 | 19426 | -125 | |||||
| 29 | 41527 | 13430 | -61 | |||||
| 30 | 65536 | 7336 | -14 | |||||
| 31 | 41527 | 2121 | ||||||
| 32 | 0 | -1564 | ||||||
| 33 | -13334 | -3500 | ||||||
| 34 | 0 | -3872 | ||||||
| 35 | 7420 | -3147 | ||||||
| 36 | 0 | -1892 | ||||||
| 37 | -4729 | -618 | ||||||
| 38 | 0 | 338 | ||||||
| 39 | 3152 | 841 | ||||||
| 40 | 0 | 930 | ||||||
| 41 | -2119 | 745 | ||||||
| 42 | 0 | 449 | ||||||
| 43 | 1409 | 171 | ||||||
| 44 | 0 | -18 | ||||||
| 45 | -914 | -106 | ||||||
| 46 | 0 | -117 | ||||||
| 47 | 572 | -89 | ||||||
| 48 | 0 | -51 | ||||||
| 49 | -342 | -22 | ||||||
| 50 | 0 | -6 | ||||||
| 51 | 192 | |||||||
| 52 | 0 | |||||||
| 53 | -100 | |||||||
| 54 | 0 | |||||||
| 55 | 47 | |||||||
| 56 | 0 | |||||||
| 57 | -19 | |||||||
| 58 | 0 | |||||||
| 59 | 6 |
Table 36 lists the register field values required for each JESD204B mode, interpolation mode and clock phase. The register field addresses are listed in Table 37.
| Mode | Register Field Programming | ||||||||||
|---|---|---|---|---|---|---|---|---|---|---|---|
| L-M-F-S-Hd 1 TX/2TX |
Interp | CLOCK PHASES (1-0) |
INTERP (4-0) |
CLKJESD_DIV (3-0) |
CLKJESD_OUT_DIV (3-0) |
L_M1 (4-0) |
F_M1 (7-0) |
M_M1 (7-0) |
S_M1 (4-0) |
HD | N_M1/N’_M1 (4-0) |
| 82121/NA | 6 | 11 | 00011 | 0110 | 0011 | 00111 | 0x00 | 0x01 | 00001 | 1 | 01111 |
| 8 | 11 | 00100 | 0111 | 0100 | |||||||
| 12 | 11 | 00110 | 1010 | 0110 | |||||||
| 16 | 11 | 01000 | 1011 | 0111 | |||||||
| 42111/84111 | 6 | 10 | 00011 | 0010 | 0011 | 00011 | 0x00 | 0x01 | 00000 | 1 | 01111 |
| 8 | 11 | 00100 | 0011 | 0100 | |||||||
| 10 | 11 | 00101 | 0101 | 0101 | |||||||
| 12 | 11 | 00110 | 0110 | 0110 | |||||||
| 16 | 11 | 01000 | 0111 | 0111 | |||||||
| 18 | 11 | 01001 | 1001 | 1000 | |||||||
| 24 | 11 | 01100 | 1010 | 1010 | |||||||
| 22210/44210 | 8 | 01 | 00100 | 0001 | 0100 | 00001 | 0x01 | 0x01 | 00000 | 0 | 01111 |
| 12 | 10 | 00110 | 0010 | 0110 | |||||||
| 16 | 11 | 01000 | 0011 | 0111 | |||||||
| 18 | 11 | 01001 | 0100 | 1000 | |||||||
| 20 | 11 | 01010 | 0101 | 1001 | |||||||
| 24 | 11 | 01100 | 0110 | 1010 | |||||||
| 12410/24410 | 16 | 01 | 01000 | 0001 | 0111 | 00000 | 0x03 | 0x01 | 00000 | 0 | 01111 |
| 24 | 10 | 00110 | 0110 | 1010 | |||||||
| 44210/88210 | 8 | 01 | 00100 | 0001 | 0100 | 00011 | 0x01 | 0x03 | 00000 | 0 | 01111 |
| 12 | 10 | 00110 | 0010 | 0110 | |||||||
| 16 | 11 | 01000 | 0011 | 0111 | |||||||
| 24 | 11 | 01100 | 0110 | 1010 | |||||||
| 24410/48410 | 16 | 01 | 01000 | 0001 | 0111 | 00001 | 0x03 | 0x03 | 00000 | 0 | 01111 |
| 24 | 10 | 01100 | 0010 | 1010 | |||||||
| 24310/48310 | 24 | 11 | 01100 | 0011 | 1010 | 00001 | 0x02 | 0x03 | 00000 | 0 | 01011 |
| Register Field Name | Register | Register Address | Bit(s) | Hyperlink |
|---|---|---|---|---|
| INTERP | MULTIDUC_CFG1 | 0x0A | 12-8 | 8.5.13 |
| CLKJESD_DIV | SerDes_CLK | 0x25 | 15-12 | 8.5.28 |
| CLKJESD_OUT_DIV | 11-8 | |||
| L_M1 | JESD_K_L | 0x4C | 4-0 | 8.5.47 |
| F_M1 | JESD_RBD_F | 0x4B | 7-0 | 8.5.46 |
| M_M1 | JESD_M_S | 0x4D | 15-8 | 8.5.48 |
| S_M1 | 4-0 | |||
| HD | JESD_N_HD_SCR | 0x4E | 6 | 8.5.49 |
| N_M1 | 4-0 | |||
| N_M1’ (NPRIME_M1) | 12-8 | |||
| JESD_PHASE_MODE | JESD_LN_EN | 0x4A | 1-0 | 8.5.45 |
| All registers are paged! | ||||
Each DUC in the DAC38RFxx has digital quadrature modulator (DQM) blocks with independent Numerically Controlled Oscillators (NCO) that converts the complex input signal to a real signal with flexible frequency placement between 0 and fDAC/2. The NCOs are enabled by fields NCOAB_ENA and NCOCD_ENA in register MULTIDUC_CFG2 (8.5.14). The NCOs have 48-bit frequency registers (FREQ_NCOAB (8.5.25) and FREQ_NCOCD (8.5.26)) and 16-bit phase registers (PHASE_NCOAB (8.5.23) and PHASE_NCOCD (8.5.24)) that generate the sine and cosine terms for the complex mixing. The NCO block diagram is shown in Figure 50.
Figure 50. NCO Block Diagram
Synchronization of the NCOs occurs by resetting the NCO accumulators to zero. The synchronization source is selected by fields SYNCSEL_NCOAB and SYNCSEL_NCOCD in register SYNCSEL1 (8.5.29). The frequency word in the FREQ_NCOAB and FREQ_NCOCD registers are added to the accumulators every clock cycle, fDAC.
The frequency and phase offset of the NCOs are:


Treating the complex channels as complex vectors of the form I + j Q, the output of the DQM is:


Where t is the time since the last resetting of the NCO accumulator and the fields MIXERAB_GAIN and MIXERCD_GAIN in register MULTIDUC_CFG2 (8.5.13) are either 0 or 1.
The maximum output amplitude of the DQM occurs if IIN(t) and QIN(t) are simultaneously full scale amplitude and the sine and cosine arguments are equal to an integer multiple of π/4.
With MIXERAB_GAIN or MIXERCD_GAIN = 0, the gain through the DQM is sqrt(2)/2 or -3 dB. This loss in signal power is in most cases undesirable, and it is recommended that the gain function be used to increase the signal by 3 dB to compensate. With MIXERAB_GAIN or MIXERCD_GAIN = 1, the gain through the DQM is sqrt(2) or +3 dB, which can cause clipping of the signal if IIN(t) and QIN(t) are simultaneously near full scale amplitude and should therefore be used with caution.
In addition to the NCO the DAC38RFxx also has a coarse mixer block capable of shifting the input signal spectrum by the fixed mixing frequencies ±N x fDAC/8. Using the coarse mixer instead of the full mixers will result in lower power consumption.
Treating the two complex channels as complex vectors of the form I(t) + j Q(t), the outputs of the coarse mixer is equivalent to:


Where fCMIX_AB and fCMIX_CD and the fixed mixing frequency selected by fields CMIX_AB or CMIX_CD in register CMIX (8.5.21). The coarse mixer blocks are disabled by setting CMIX_AB and CMIX_CD to 0x0.
The NCO and coarse mixers can be enabled simultaneously, although this is not useful in most cases as the full frequency range can be covered by the NCO.
The DAC38RFxx have a 9-tap inverse Sinc filter (INVSINC) that runs at the DAC update rate (fDAC) that can be used to flatten the frequency response of the sample-and-hold output. The DAC sample-and-hold output sets the output current and holds it constant for one DAC clock cycle until the next sample, resulting in the well known sin(x)/x or Sinc(x) frequency response (Figure 51, red line). The inverse sinc filter response (Figure 51, blue line) has the opposite frequency response from 0 to 0.4 x fDAC, resulting in the combined response (Figure 51, green line). Between 0 to 0.4 x fDAC, the inverse sinc filter compensates the sample-and-hold roll-off with less than 0.03 dB error.
The inverse sinc filter has a gain > 1 at all frequencies. Therefore, the signal input to INVSINC must be reduced from full scale to prevent saturation in the filter. The amount of back-off required depends on the signal frequency, andis set such that at the signal frequencies the combination of the input signal and filter response is less than 1 (0 dB). For example, if the signal input to INVSINC is at 0.25 x fDAC, the response of INVSINC is 0.9 dB, and the signal must be backed off from full scale by 0.9 dB to avoid saturation. The advantage of INVSINC having a positive gain at all frequencies is that the user is then able to optimize the back-off of the signal based on its frequency.
The inverse Sinc filters are enabled by field ISFIR_ENA in register MULTIDUC_CFG1 (9.5.9).
Figure 51. Composite Magnitude Spectrum for INVSINC
When using the dual DUC modes, the outputs of the two AQM blocks are summed together to form a composite signal for the DAC output, configured by field OUTSUM_SEL in register OUTSUM (8.5.22). The input signals to the DUCs much be scaled such that the signal does not exceed fullscale during summation. This field can also be configures to add the signals from the adjacent multi-DUC to enable a four DUC signal.
The DAC38RFxx incorporates an optional power amplifier protection (PAP) block to monitor when the input signal is two large, for example when an interface error occurs, and reduces the output signal power of the DAC. The PAP block achieves the functionality of reducing the input signal that crosses the threshold through three main sub-blocks. These are PAP trigger generation block, PAP gain state machine and GAIN block.
The PAP block keeps track of the input signal power by maintaining a sliding window accumulation of last N samples. N is selectable to be 32, 64 or 128 based on the setting (Table 38) of fields PAPAB_SEL_DLY in register PAP_CFG_AB (8.5.35) and PAPCD_SEL_DLY in register PAP_CFG_CD (8.5.36). The average amplitude of input signal is computed by dividing accumulated value by the number of samples in the delay-line (N). The result is then compared against the threshold in fields PAPAB_THRESH in register PAP_CFG_AB (8.5.35) and PAPCD_THRESH in register PAP_CFG_CD (8.5.36). If the threshold is violated, gain state machine is triggered which generated gain value to ramp down the DAC output signal amplitude. After the input signal returns to normal value, the state machine ramps up the DAC output signal amplitude.
| pap_sel_dly[1:0] | # of samples averaged |
|---|---|
| 00 | 32 |
| 01 | 64 |
| 10 | 128 |
| 11 | Reserved |
The generation of the PAP trigger as explained as follows:
The PAP gain state machine generates the pap gain value to be applied on the output stream to reduce the output signal amplitude. The state machine below is used to control the attenuation of the DAC output and the gaining up of the signal again once the trigger is released.
Figure 52. PAP Gain State Machine
The normal operating condition for the PAP block is the NORMAL state in Figure 52. However, when the PAP block detects an error condition it sets the pap_trig signal to ‘1’ causing a state transition from NORMAL operation to the ATTENUATE state.
In the ATTENUTATE state the data path gain is scaled from 1.0 down to 0.0 by a programmable step amount set by fields PAPAB_GAIN_STEP in register PAP_GAIN_AB (8.5.31) and PAPCD_GAIN_STEP in register PAP_GAIN_CD (8.5.33). This value is always positive with the decimal place located between the MSB and MSB-1. Unity is equal to “1000000000”. Each clock cycle (16 samples) the PAP_GAIN is stepped down by PAPAB_GAIN_STEP and PAPCD_GAIN_STEP until the gain is 0.
After PAP_GAIN is 0, the state machine moves on to the WAIT state. Here a programmable counter counts clock cycles to allow the condition for the pap_trig to be fixed. Fields PAPAB_WAIT in register PAP_WAIT_AB (8.5.32) and PAPCD_WAIT in register PAP_WAIT_CD (8.5.34) are used to select the number of clock cycles (samples = 16 x PAPAB_WAIT or 16 x PAPCD_WAIT) to wait before moving to the next state. Once the WAIT counter equals zero and pap_trig=’0’, the state machine moves on to the GAIN state. If the WAIT equals 0 but pap_trig still equals ‘1’ then the state machine stays in the WAIT state until pap_trig =’0’.
The GAIN block also has additional output gain control through fields GAINAB in register GAINAB (8.5.39) and GAINCD in register GAINCD (8.5.40). Similar to PAP_GAIN value, the output gain is always positive with unity when GAINAB or GAINCD = ”010000000000”.
To reduce the power, the gain block clock has been gated whenever the pap is disabled and GAINAB or GAINCD is set to unity.
The OUTSUM block allows addition of samples from each DUC in the multi-DUC. It is also possible to add the output samples from the adjacent multi-DUC. Field OUTSUM_SEL in register OUTSUM (8.5.22) controls the summation for each multi-DUC. The functionality of the block can be represented by the following equation:

In order to avoid overflow, rounding operation is performed after the addition to reduce the word size back to 16-bits. Exact number of bits rounded depends on the number of channels added. Table 39 shows the description of round after the summation.
| # OF CHANNELS ADDED | # OF BITS ROUNDED |
|---|---|
| 0 | 0, Use bits[15:0] from the result |
| 1 | Use bits[16:1] from the result and bit[0] used for rounding |
| 2 | Use bits[17:2] from the result and bits[1:0] used for rounding |
| 3 | Use bits[18:3] from the result and bit[2:0] used for rounding |
| 4 | Use bits[19:4] from the result and bit[3:0] used for rounding |
The signal following output summation can be programmably delayed by 0-15 DACCLK cycles through field OUTPUT_DELAY in register OUTSUM (8.5.20). The block takes 16 sample words (vec16) from both the A and B paths and shifts the them to 32 sample long delay line.
The signal following the output delay can be inverted by a 2’s complement conversion allowing the + and - DAC outputs to be swapped by asserting field DAC_COMPLEMENT in register MULTIDUC_CFG1 (8.5.13).
The DAC38RFxx incorporates a temperature sensor block which monitors the die temperature by measuring the voltage across 2 transistors. The voltage is converted to an 8-bit digital word using a successive approximation (SAR) analog to digital conversion process. The result is scaled, limited and formatted as a twos complement value representing the temperature in degrees Celsius.
The sampling is controlled by the serial interface signals SDEN and SCLK. If the temperature sensor is enabled by writing a 0 to field TSENSE_SLEEP in register SLEEP_CONFIG (8.5.70), a conversion takes place each time the serial port is written or read. The data is only read and sent out by the digital block when the temperature sensor is read in field TEMPDATA in register TEMP_PLLVOLT (8.5.7). The conversion uses the first eight clocks of the serial clock as the capture and conversion clock, the data is valid on the falling eighth SCLK. The data is then clocked out of the chip on the rising edge of the ninth SCLK. No other clocks to the chip are necessary for the temperature sensor operation. As a result the temperature sensor is enabled even when the device is in sleep mode.
In order for the process described above to operate properly, the serial port read from register TEMP_PLLVOLT must be done with an SCLK period of at least 1 μs. If this is not satisfied the temperature sensor accuracy is greatly reduced.
The DAC38RFxx includes a flexible set of alarm monitoring that can be used to alert of a possible malfunction scenario. All the alarm events can be accessed either through the SIP registers and/or through the ALARM output. Once an alarm is set, the corresponding alarm bit must be reset through the serial interface to allow further testing. The set of alarms includes the following conditions:
Figure 53 shows the preferred configuration for driving the DACCLK+/- and SYSREF+/- with a differential ECL/PECL source.
Figure 53. Preferred Clock Input Configuration With a Differential ECL/PECL Clock Source
Figure 54 shows a schematic of the equivalent CMOS digital inputs of the DAC38RFxx. SDIO, SCLK, TCLK, SLEEP, TESTMODE and TXENABLE have internal pull-down resistors while SDEN, RESET, TMS, TDI and TRST have internal pull-up resistors. See the Specifications table for logic thresholds. The pull-up and pull-down circuitry is approximately equivalent to 10 kΩ.
Figure 54. CMOS Digital Equivalent Input
The DAC38RFxx uses a bandgap reference and control amplifier for biasing the full-scale output current. The DAC full scale output current is set by a combination of the fixed current through the external resistor RBIAS (connected to pin BIASJ) and current from course trim current sources:

The bias current IBIAS through resistor RBIAS is defined by the on-chip bandgap reference voltage VBG (nominally 0.9 V) and control amplifier. For normal operation, it is recommended that RBIAS is set to 3.6 kΩ for a fixed current through RBIAS of 250 µA. This current is scaled 128x internally, giving:

The course trim current sources are configured through SPI register field DACFS in register DACFS (8.5.72),as follows:

From the discussion above, the DAC full scale output current can be configured from 40 mA (DACFS[3:0] = 1111) down to 10 mA (DACFS[3:0] = 0000). In addition to the full scale signal current set by SPI register DACFS (8.5.72), an extra DC bias current is required to set the operating point of the output current sources(Table 40).
| DACFS (8.5.72) | Signal current (mA) | Total bias current (mA)(1) |
|---|---|---|
| 0 | 10 | 1 |
| 1 | 12 | 1 |
| 2 | 14 | 2 |
| 3 | 16 | 2 |
| 4 | 18 | 3 |
| 5 | 20 | 3 |
| 6 | 22 | 4 |
| 7 | 24 | 5 |
| 8 | 26 | 5 |
| 9 | 28 | 6 |
| 10 | 30 | 6 |
| 11 | 32 | 7 |
| 12 | 34 | 7 |
| 13 | 36 | 8 |
| 14 | 38 | 8 |
| 15 | 40 | 9 |
An external decoupling capacitor CEXT of 0.1 μF should be connected externally to terminal EXTIO for compensation. RBIAS of 3.6 kΩ is recommended for setting the full-scale output current.
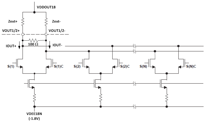
The DACs in the DAC38RFxx consist of a segmented array of NMOS current sources, capable of sinking a full-scale output current up to 40 mA (see Figure 55). Differential current switches direct the current to either one of the complimentary output nodes VOUT1/2+ or VOUT1/2-. These complementary output nodes are internal to the device because of the integrated balun.Complimentary output currents enable differential operation, thus canceling out common mode noise sources (digital feed-through, on-chip and PCB noise), dc offsets, even order distortion components, and increasing signal output power by a factor of four.
Figure 55. Current Steering DAC Architecture
Referring to Figure 55, the total output current IOUTFS is fixed, and is switched to either the + or – output by switches S(N):

Since the output stage is a current sinking architecture, we will denote current into the DAC as + current, and the current flows IOUT+ and IOUT- into terminals VOUT1/2+ and VOUT1/2- respectively. IOUT+ and IOUT- can be expressed as:


where CODE is the decimal representation of the 14-bit DAC core data input word. Note the signal path up to the DAC is 16-bits and the 2 LSBs are truncated for the DAC core data input word.
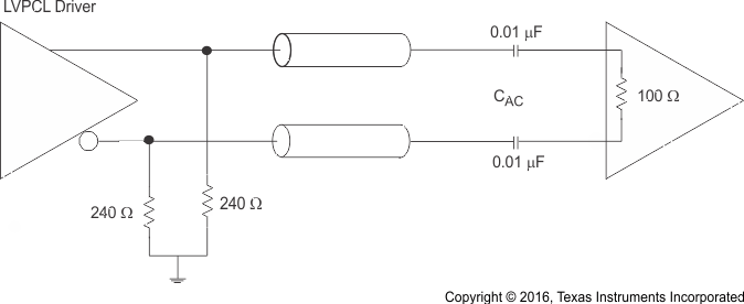
The DAC38RFxx has a wide bandwidth integrated balun (nominally 700 MHz to 3.8 GHz passband) to convert the DAC core differential signal to a single ended signal. The single ended output is expected to drive a 50-Ω load (see Figure 56). With full-scale current of 40 mA, the theoretical output power delivered to a 50-Ω load is 4 dBm. However the actual power delivered will be less than the theoretical value and Figure 13 shows the output power across frequency.
Figure 56. Driving a 50-Ω Load
The DAC38RFxx has both a single ended clock input DACCLKSE and a differential clock input DACCLK+/- to clock the device. The clock input is selected by field SEL_EXTCLK_DIFFSE in register CLK_PLL_CFG (8.5.79). The DAC38RFxx can be clocked directly with a high frequency input clock at the DAC sample rate (PLL Bypass Mode), or an optional on-chip low-jitter phase-locked loop (PLL) can be used to generate the high frequency DAC sample clock internally from a lower frequency reference clock input (PLL Mode).
In PLL bypass mode a high quality clock is sourced to the DACCLK inputs. This clock is used to directly clock the DAC38RFxx DAC cores. This mode gives the device best performance and is recommended for extremely demanding applications.
The bypass mode is selected by setting the following:
The DAC38RFxx has an internal clock generation circuit consisting of a PLL and two identical VCOs connected in parallel, as shown in Figure 57.
Figure 57. Internal PLL/VCO Block Diagram
The two parallel VCOs are tuned to a target center frequency of 5.9 GHz (low VCO) in DAC38RF87 and DAC38RF97. They are tuned to a target center frequency of 8.85 GHz (high VCO) in DAC38RF86 and DAC38RF96. The field PLL_VCOSEL in register PLL_CONFIG2 (8.5.81)must always be set to 0 in DAC38RF87/97 and always set to '1' in DAC38RF86/96/88/81. Also GSMPLL_ENA in register PLL_CONFIG2 must always be set to '1' in all devices to ensure the two identical VCOs are connected in parallel. The 7 bit VCO tuning code in field PLL_VCO in register PLL_CONFIG2 is used to tune the VCO frequency in the range of 5.24 GHz to 6.72 GHz for the low VCO and 7.96 GHz to 9.0 GHz for the high VCO. For the low VCO the center VCO frequency is achieved with PLL_VCO = 63decimal and for the high VCO the target VCO center frequency is also achieved with PLL_VCO = 63decimal.
The supply current, and therefore; the analog signal amplitude in the VCO is controlled using the field PLL_VCO_RDAC in register PLL_CONFIG1 (8.5.80). This control signal should be set 15decimal initially for 18 mA supply current in the VCO and ~1.4 VPP single ended oscillation amplitude.
The PLL has no prescaler, so the DAC sample rate is the VCO frequency. In the PLL feedback path a fixed ÷ 4 frequency divider block receives the VCO output clock and divides its frequency by 4. The maximum operating frequency of the phase-frequency detector (PFD) is approximately 550 MHz. The M (feedback) clock divider takes the output clock signal from the fixed ÷4 block and divides it by a programmable ratio set by the 8-bit field in field PLL_M_M1 in register PLL_CONFIG1 (8.5.80). The programmable division ratio range is ÷1 to ÷256, and is the value of the 8 bit unsigned binary code + 1. Although it is possible to program the M divider to ÷1, ÷2 and ÷3, these values should not be used. As stated previously the PFD and CP have a finite maximum operating frequency, which is the VCO frequency divided by the fixed divider ratio multiplied by the minimum allowable M divider ratio.

The N (reference) divider determines the ratio between the input reference clock frequency and the PFD operating frequency, and is set by the 5-bit field PLL_N_M1 in register CLK_PLL_CFG (8.5.79). The division ratio range is ÷1 to ÷32, and is the value of the 5-bit unsigned binary code + 1.
The charge pump output current amplitude is set using the 4-bit field PLL_CP_ADJ in in register PLL_CONFIG2 (8.5.81). The current amplitude is simply the digital code multiplied by the unit current amplitude of 100 µA. In a nominal condition, with the LF VCO running at 5.898 GHz, and with the M divider set to ÷4, the PFD will run at 368.625 MHz, and the change pump current should set to 6decimal, which gives 600 µA charge pump output current for a good phase margin of 69 degrees. If a higher M ratio (for lower PFD frequencies) are required the charge pump output current must be increased to maintain good loop stability and prevent excessive peaking in the phase noise response. The charge pump output current setting PLL_CP_ADJ should be adjusted in relation to the feedback (M) divider ratio PLL_M_M1 according to the following table to maintain a constant phase margin of 69 degrees.
| M | CP_ADJ |
|---|---|
| 4 | 6 |
| 6 | 9 |
| 8 | 12 |
| 10 | 15 |
Similarly for the HF VCO running at 8.847 GHz, and with the M divider set to ÷4, the PFD will run at 552.9375 MHz as shown above. Here the change pump current should set to 6decimal, which gives 600 µA charge pump output current for a good phase margin of 69 degrees.
The DAC38RFxx has a programmable output clock on CLKTX+/- balls that is a divided version of the internal DAC sample clock, either with or without PLL. Two frequency dividers, either DACCLK/3 or DACCLK/4, are available by programming field CLK_TX_DIV4 in register CLK_OUT (8.5.71). The output swing voltage is programmable from approximately 125 to 1460 mVPP-DIFF through field CLK_TX_SWING in register CLK_OUT (8.5.71).
Field CLK_TX_IDLE in register CLK_OUT (8.5.71) enables an idle state, in which the pins are driven to the proper common-mode levels in order to charge the external AC coupling caps but the clock output is disabled. The output clock circuit can be put to sleep by field CLK_TX_SLEEP in register SLEEP_CONFIG (8.5.70).
The serial port of the DAC38RFxx is a flexible serial interface which communicates with industry standard microprocessors and microcontrollers. The interface provides read/write access to all registers used to define the operating modes of DAC38RFxx. It is compatible with most synchronous transfer formats and can be configured as a 3 or 4 terminal interface by SIF4_ENA in register IO_CONFIG (8.5.2). In both configurations, SCLK is the serial interface input clock and SDEN is serial interface enable. For 3 terminal configuration, SDIO is a bidirectional terminal for both data in and data out. For 4 terminal configuration, SDIO is bidirectional and SDO is data out only. Data is input into the device with the rising edge of SCLK. Data is output from the device on the falling edge of SCLK.
The SPI registers are reset by writing a 1 to SPI_RESET in register RESET_CONFIG (8.5.1).
Each read/write operation is framed by signal SDEN (Serial Data Enable Bar) asserted low. The first frame byte is the instruction cycle which identifies the following data transfer cycle as read or write as well as the 7-bit address to be accessed. Figure 58 indicates the function of each bit in the instruction cycle and is followed by a detailed description of each bit. The data transfer cycle consists of two bytes.
| Bit | 7 (MSB) | 6 | 5 | 4 | 3 | 2 | 1 | 0 |
| Description | R/W | A6 | A5 | A4 | A3 | A2 | A1 | A0 |
| R/W - Identifies the following data transfer cycle as a read or write operation. A high indicates a read operation from DAC38RFxx and a low indicates a write operation to DAC38RFxx |
| A6:A0 - Identifies the address of the register to be accessed during the read or write operation. |
Figure 59 shows the serial interface timing diagram for a DAC38RFxx write operation. SCLK is the serial interface clock input to DAC38RFxx. Serial data enable SDEN is an active low input to DAC38RFxx. SDIO is serial data input. Input data to DAC38RFxx is clocked on the rising edges of SCLK.
Figure 59. Serial Interface Write Timing Diagram
Figure 60 shows the serial interface timing diagram for a DAC38RFxx read operation. SCLK is the serial interface clock input to DAC38RFxx. Serial data enable SDEN\ is an active low input to DAC38RFxx. SDIO is serial data input during the instruction cycle. In 3 pin configuration, SDIO is data out from the DAC38RFxx during the data transfer cycle, while SDO is in a high-impedance state. In 4 pin configuration, both SDIO and SDO are data out from the DAC38RFxx during the data transfer cycle. At the end of the data transfer, SDIO and SDO will output low on the final falling edge of SCLK until the rising edge of SDEN when they will 3-state.
Figure 60. Serial Interface Read Timing Diagram
n the SIF interface there are four types of registers:
The NORMAL register type allows data to be written and read from. All 16-bits of the data are registered at the same time. There is no synchronizing with an internal clock thus all register writes are asynchronous with respect to internal clocks. There are three subtypes of NORMAL:
These registers are just like NORMAL registers with one exception. They can be written and read, however, when the internal logic asynchronously sets a bit high in one of these registers, that bit stays high until it is written to ‘0’. This way interrupts will be captured and stay constant until cleared by the user.
| Address | Reset | Acronym | Register Name | Section |
|---|---|---|---|---|
| General Configuration Registers (PAGE_SET[2:0] = 000) | ||||
| 0x00 | 0x5803 | RESET_CONFIG | Chip Reset and Configuration | 8.5.1 |
| 0x01 | 0x1800 | IO_CONFIG | IO Configuration | 8.5.2 |
| 0x02 | 0xFFFF | ALM_SD_MASK | Lane Signal Detect Alarm Mask | 8.5.3 |
| 0x03 | 0xFFFF | ALM_CLK_MASK | Clock Alarms Mask | 8.5.4 |
| 0x04 | 0x0000 | ALM_SD_DET | SERDES Loss of Signal Detection Alarms | 8.5.5 |
| 0x05 | 0x0000 | ALM_SYSREF_DET | SYSREF Alignment Circuit Alarms | 8.5.6 |
| 0x06 | variable | TEMP_PLLVOLT | Temperature Sensor and PLL Loop Voltage | 8.5.7 |
| 0x07-0x08 | 0x0000 | Reserved | Reserved | |
| 0x09 | 0x0000 | PAGE_SET | Page Set | 8.5.8 |
| 0x0A-0x77 | 0x0000 | Reserved | Reserved | |
| 0x78 | 0x0000 | SYSREF_ALIGN_R | SYSERF Align to r1 and r3 Count | 8.5.9 |
| 0x79 | 0x0000 | SYSREF12_CNT | SYSREF Phase Count 1 and 2 | 8.5.10 |
| 0x7A | 0x0000 | SYSREF34_CNT | SYSREF Phase Count 3 and 4 | 8.5.11 |
| 0x7B-0x7E | 0x0000 | Reserved | Reserved | |
| 0x7F | 0x0008 | VENDOR_VER | Vendor ID and Chip Version | 8.5.12 |
| Multi-DUC Configuration Registers (PAGE_SET[0] = 1 for multi-DUC1, PAGE_SET[1] = 1 for multi-DUC2) | ||||
| 0x0A | 0x02B0 | MULTIDUC_CFG1 | Multi-DUC Configuration (PAP, Interpolation) | 8.5.13 |
| 0x0B | 0x0000 | Reserved | Reserved | |
| 0x0C | 0x2402 | MULTIDUC_CFG2 | Multi-DUC Configuration (Mixers) | 8.5.14 |
| 0x0D | 0x8300 | JESD_FIFO | JESD FIFO Control | 8.5.15 |
| 0x0E | 0x00FF | ALM_MASK1 | Alarm Mask 1 | 8.5.16 |
| 0x0F | 0x1F83 | ALM_MASK2 | Alarm Mask 2 | 8.5.17 |
| 0x10 | 0xFFFF | ALM_MASK3 | Alarm Mask 3 | 8.5.18 |
| 0x11 | 0xFFFF | ALM_MASK4 | Alarm Mask 4 | 8.5.19 |
| 0x12 | 0x0000 | JESD_LN_SKEW | JESD Lane Skew | 8.5.20 |
| 0x13-0x16 | 0x0000 | Reserved | Reserved | |
| 0x17 | 0x0000 | CMIX | CMIX Configuration | 8.5.21 |
| 0x18 | 0x0000 | Reserved | Reserved | |
| 0x19 | 0x0000 | OUTSUM | Output Summation and Delay | 8.5.22 |
| 0x1A-0x1B | 0x0000 | Reserved | Reserved | |
| 0x1C | 0x0000 | PHASE_NCOAB | Phase offset for AB path NCO | 8.5.23 |
| 0x1D | 0x0000 | PHASE_NCOCD | Phase offset for CD path NCO | 8.5.24 |
| 0x1E-0x20 | 0x0000 | FREQ_NCOAB | Frequency for AB path NCO | 8.5.25 |
| 0x21-0x23 | 0x0000 | FREQ_NCOCD | Frequency for CD path NCO | 8.5.26 |
| 0x24 | 0x0010 | SYSREF_CLKDIV | SYSREF Use for Clock Divider | 8.5.27 |
| 0x25 | 0x7700 | SERDES_CLK | Serdes Clock Control | 8.5.28 |
| 0x26 | 0x0000 | Reserved | Reserved | |
| 0x27 | 0x1144 | SYNCSEL1 | Sync Source Selection | 8.5.29 |
| 0x28 | 0x0000 | SYNCSEL2 | Sync Source Selection | 8.5.30 |
| 0x29 | 0x0000 | PAP_GAIN_AB | PAP path AB Gain Attenuation Step | 8.5.31 |
| 0x2A | 0x0000 | PAP_WAIT_AB | PAP path AB Wait Time at Gain = 0 | 8.5.32 |
| 0x2B | 0x0000 | PAP_GAIN_CD | PAP path CD Gain Attenuation Step | 8.5.33 |
| 0x2C | 0x0000 | PAP_WAIT_CD | PAP path CD Wait Time at Gain = 0 | 8.5.34 |
| 0x2D | 0x1FFF | PAP_CFG_AB | PAP path AB Configuration | 8.5.35 |
| 0x2E | 0x1FFF | PAP_CFG_CD | PAP path CD Configuration | 8.5.36 |
| 0x2F | 0x0000 | SPIDAC_TEST1 | Configuration for DAC SPI Constant | 8.5.37 |
| 0x30 | 0x0000 | SPIDAC_TEST2 | DAC SPI Constant | 8.5.38 |
| 0x31 | 0x0000 | Reserved | Reserved | |
| 0x32 | 0x0800 | GAINAB | Gain for path AB | 8.5.39 |
| 0x33 | 0x0800 | GAINCD | Gain for path CD | 8.5.40 |
| 0x34-0x40 | 0x0000 | Reserved | Reserved | |
| 0x41 | 0x0000 | JESD_ERR_CNT | JESD Error Counter | 8.5.41 |
| 0x42-0x45 | 0x0000 | Reserved | Reserved | |
| 0x46 | 0x0044 | JESD_ID1 | JESD ID 1 | 8.5.42 |
| 0x47 | 0x190A | JESD_ID2 | JESD ID 2 | 8.5.43 |
| 0x48 | 0x31C3 | JESD_ID3 | JESD ID 3 and Subclass | 8.5.44 |
| 0x49 | 0x0000 | Reserved | Reserved | |
| 0x4A | 0x0003 | JESD_LN_EN | JESD Lane Enable | 8.5.45 |
| 0x4B | 0x1300 | JESD_RBD_F | JESD RBD Buffer and Frame Octets | 8.5.46 |
| 0x4C | 0x1303 | JESD_K_L | JESD K and L Parameters | 8.5.47 |
| 0x4D | 0x0100 | JESD_M_S | JESD M and S Parameters | 8.5.48 |
| 0x4E | 0x0F4F | JESD_N_HD_SCR | JESD N, HD and SCR Parameters | 8.5.49 |
| 0x4F | 0x1CC1 | JESD_MATCH | JESD Character Match and Other | 8.5.50 |
| 0x50 | 0x0000 | JESD_LINK_CFG | JESD Link Configuration Data | 8.5.51 |
| 0x51 | 0x00FF | JESD_SYNC_REQ | JESD Sync Request | 8.5.52 |
| 0x52 | 0x00FF | JESD_ERR_OUT | JESD Error Output | 8.5.53 |
| 0x53 | 0x0100 | JESD_ILA_CFG1 | JESD Configuration Value used for ILA Check | 8.5.54 |
| 0x54 | 0x8E60 | JESD_ILA_CFG2 | JESD Configuration Value used for ILA Check | 8.5.55 |
| 0x55-0x5B | 0x0000 | Reserved | Reserved | |
| 0x5C | 0x0001 | JESD_SYSR_MODE | JESD SYSREF Mode | 8.5.56 |
| 0x5D-0x5E | 0x0000 | Reserved | Reserved | |
| 0x5F | 0x0123 | JESD_CROSSBAR1 | JESD Crossbar Configuration 1 | 8.5.57 |
| 0x60 | 0x4567 | JESD_CROSSBAR2 | JESD Crossbar Configuration 2 | 8.5.58 |
| 0x61-0x63 | 0x0000 | Reserved | Reserved | |
| 0x64 | 0x0000 | JESD_ALM_L0 | JESD Alarms for Lane 0 | 8.5.59 |
| 0x65 | 0x0000 | JESD_ ALM_L1 | JESD Alarms for Lane 1 | 8.5.60 |
| 0x66 | 0x0000 | JESD_ ALM_L2 | JESD Alarms for Lane 2 | 8.5.61 |
| 0x67 | 0x0000 | JESD_ALM_L3 | JESD Alarms for Lane 3 | 8.5.62 |
| 0x68 | 0x0000 | JESD_ALM_L4 | JESD Alarms for Lane 4 | 8.5.63 |
| 0x69 | 0x0000 | JESD_ALM_L5 | JESD Alarms for Lane 5 | 8.5.64 |
| 0x6A | 0x0000 | JESD_ALM_L6 | JESD Alarms for Lane 6 | 8.5.65 |
| 0x6B | 0x0000 | JESD_ALM_L7 | JESD Alarms for Lane 7 | 8.5.66 |
| 0x6C | 0x0000 | ALM_SYSREF_PAP | SYSREF and PAP Alarms | 8.5.67 |
| 0x6D | 0x0000 | ALM_CLKDIV1 | Clock Divider Alarms 1 | 8.5.68 |
| 0x6E-0x77 | 0x0000 | Reserved | Reserved | |
| Miscellaneous Configuration Registers (PAGE_SET[1:0] = 00, PAGE_SET[2] = 1) | ||||
| 0x0A | 0xFC03 | CLK_CONFIG | Clock Configuration | 8.5.69 |
| 0x0B | 0x0022 | SLEEP_CONFIG | Sleep Configuration | 8.5.70 |
| 0x0C | 0xA002 | CLK_OUT | Divided Output Clock Configuration | 8.5.71 |
| 0x0D | 0xF000 | DACFS | DAC Fullscale Current | 8.5.72 |
| 0x0E-0x0F | 0x0000 | Reserved | Reserved | |
| 0x10 | 0x0000 | LCMGEN | Internal sysref generator | 8.5.73 |
| 0x11 | 0x0000 | LCMGEN_DIV | Counter for internal sysref generator | 8.5.74 |
| 0x12 | 0x0000 | LCMGEN_SPISYSREF | SPI SYSREF for internal sysref generator | 8.5.75 |
| 0x13-0x1A | 0x0000 | Reserved | Reserved | |
| 0x1B | 0x0000 | DTEST | Digital Test Signals | 8.5.76 |
| 0x1C-0x22 | 0x0000 | Reserved | Reserved | |
| 0x23 | 0x03F3 | SLEEP_CNTL | Sleep Pin Control | 8.5.77 |
| 0x24 | 0x1000 | SYSR_CAPTURE | SYSREF Capture Circuit Control | 8.5.78 |
| 0x25-0x30 | 0x0000 | Reserved | Reserved | |
| 0x31 | 0x0200 | CLK_PLL_CFG | Clock Input and PLL Configuration | 8.5.79 |
| 0x32 | 0x0308 | PLL_CONFIG1 | PLL Configuration 1 | 8.5.80 |
| 0x33 | 0x4018 | PLL_CONFIG2 | PLL Configuration 2 | 8.5.81 |
| 0x34 | 0x0000 | LVDS_CONFIG | LVDS Output Configuration | 8.5.82 |
| 0x35 | 0x0018 | PLL_FDIV | Fuse farm clock divider | 8.5.83 |
| 0x36-0x3A | 0x0000 | Reserved | Reserved | |
| 0x3B | 0x0002 | SRDS_CLK_CFG | Serdes Clock Configuration | 8.5.84 |
| 0x3C | 0x8228 | SRDS_PLL_CFG | Serdes PLL Configuration | 8.5.85 |
| 0x3D | 0x0088 | SRDS_CFG1 | Serdes Configuration 1 | 8.5.86 |
| 0x3E | 0x0909 | SRDS_CFG2 | Serdes Configuration 2 | 8.5.87 |
| 0x3F | 0x0000 | SRDS_POL | Serdes Polarity Control | 8.5.88 |
| 0x40-0x75 | 0x0000 | Reserved | Reserved | |
| 0x76 | 0x0000 | SYNCBOUT | JESD204B SYNCB Output | 8.5.89 |
| 15 | 14 | 13 | 12 | 11 | 10 | 9 | 8 |
| 0 | 0 | 0 | 0 | 0 | 0 | 0 | x |
| RW | RW | RW | RW | RW | RW | RW | RW |
| 7 | 6 | 5 | 4 | 3 | 2 | 1 | 0 |
| 0 | 0 | 0 | 0 | 0 | 0 | 0 | 0 |
| RW | RW | RW | RW | RW | RW | RW | RW |
| LEGEND: R/W = Read/Write; R = Read only; -n = value after reset |
| Bit | Field | Type | Reset | Description |
|---|---|---|---|---|
| 15 | SPI_RESET | RW | 0 | This will reset all the SPI registers once programmed. |
| 14 | ALM_OUT_POL | RW | 1 | Changes the polarity of the alarm output. 0= active low 1= active high |
| 13 | ALM_OUT_ENA | RW | 0 | Turn on the alarm pin |
| 12 | SYSCLK_ENA | RW | 1 | Turns on the dividers for the SYSCLK to the Fusefarm |
| 11 | AUTOLOAD_TRIG | RW | 1 | Causes a Fuse AUTOLOAD to be executed. |
| 10:7 | Reserved | RW | 0000 | Reserved |
| 6 | ONE_DAC_ONLY | RW | 0 | When set high only the SLICE0 is available. |
| 5 | ONE_LINK_ONLY | RW | 0 | This needs to be set high when a single link setup is being programmed to get the correct TXENABLE signal generation |
| 4:2 | Reserved | RW | 000 | Reserved |
| 1 | INIT_SLICE1 | RW | 1 | Puts the multi-DAC2 JESD into initialization state |
| 0 | INIT_SLICE0 | RW | 1 | Puts the multi-DAC1 JESD into initialization state |
| 15 | 14 | 13 | 12 | 11 | 10 | 9 | 8 |
| 0 | 0 | 0 | 1 | 1 | 0 | 0 | x |
| R/W | R/W | R/W | R/W | R/W | R/W | R/W | R/W |
| 7 | 6 | 5 | 4 | 3 | 2 | 1 | 0 |
| 0 | 0 | 0 | 0 | 0 | 0 | 0 | 1 |
| R/W | R/W | R/W | R/W | R/W | R/W | R/W | R/W |
| LEGEND: R/W = Read/Write; R = Read only; -n = value after reset |
| Bit | Field | Type | Reset | Description |
|---|---|---|---|---|
| 15:14 | GPO0_SEL | RW | 00 | Selects the JESD SYNC_N signal coming out the GPO0 pin. Both bits can be asserted which does an oring of the SYNC_N signals from each multi-DUC. bit 0 = 1 then multi-DUC1 SYNC_N used bit 1 = 1 then multi-DUC2 SYNC_N is used |
| 13:12 | SYNC0B_SEL | RW | 01 | Selects the JESD SYNC_N signal coming out the SYNC0B pin. Both bits can be asserted which does an oring of the SYNC_N signals from each multi-DUC. bit 0 = 1 then multi-DUC1 SYNC_N used bit 1 = 1 then multi-DUC2 SYNC_N is used |
| 11:10 | SYNC1B_SEL | RW | 10 | Selects the JESD SYNC_N signal coming out the SYNC1B pin. Both bits can be asserted which does an oring of the SYNC_N signals from each multi-DUC. bit 0 = 1 then multi-DUC1 SYNC_N used bit 1 = 1 then multi-DUC2 SYNC_N is used |
| 9:8 | GPO1_SEL | RW | 00 | Selects the JESD SYNC_N signal coming out the GPO1 pin. Both bits can be asserted which does an oring of the SYNC_N signals from each multi-DUC. bit 0 = 1 then multi-DUC1 SYNC_N used bit 1 = 1 then multi-DUC2 SYNC_N is used |
| 7 | SPI4_ENA | RW | 0 | When set to a '1' the chip is in 4 pin SPI interface mode. |
| 6 | Reserved | RW | 0 | Reserved |
| 5:0 | ATEST | RW | 000000 | Select the analog test points: 000000: ATEST is off (ATEST Must be off during normal operation) 000001, 010001, 000110: VSSCLK 000010: VDDPLL1 000101: VDDCLK 000111, 001010, 010000: VDDAPLL18 001011: VDDAVCO18 001101: VDDS18 001110: VDDE1 001111, 111010, 111011, 111100: DGND 010011: VDDTX1 101001, 110001: AGND 101111, 111101, 111110, 11111: VDDDIG1 110000: VDDA18 |
| 15 | 14 | 13 | 12 | 11 | 10 | 9 | 8 |
| 0 | 0 | 0 | 0 | 0 | 0 | 0 | x |
| R/W | R/W | R/W | R/W | R/W | R/W | R/W | R/W |
| 7 | 6 | 5 | 4 | 3 | 2 | 1 | 0 |
| 0 | 0 | 0 | 0 | 0 | 0 | 1 | 0 |
| R/W | R/W | R/W | R/W | R/W | R/W | R/W | R/W |
| LEGEND: R/W = Read/Write; R = Read only; -n = value after reset |
| Bit | Field | Type | Reset | Description |
|---|---|---|---|---|
| 15:0 | ALM_SD_MASK | R/W | 0xFFFF | Used to mask alarms bit 15 - bit 8 : Reserved bit7 : lane 7 loss of signal detect bit6 : lane 6 loss of signal detect bit5 : lane 5 loss of signal detect bit4 : lane 4 loss of signal detect bit3 : lane 3 loss of signal detect bit2 : lane 2 loss of signal detect bit1 : lane1 loss of signal detect bit0 : lane 0 loss of signal detect |
| 15 | 14 | 13 | 12 | 11 | 10 | 9 | 8 |
| 0 | 0 | 0 | 0 | 0 | 0 | 0 | x |
| R/W | R/W | R/W | R/W | R/W | R/W | R/W | R/W |
| 7 | 6 | 5 | 4 | 3 | 2 | 1 | 0 |
| 0 | 0 | 0 | 0 | 0 | 0 | 1 | 1 |
| R/W | R/W | R/W | R/W | R/W | R/W | R/W | R/W |
| LEGEND: R/W = Read/Write; R = Read only; -n = value after reset |
| Bit | Field | Type | Reset | Description |
|---|---|---|---|---|
| 15:0 | ALM_CLK_MASK | R/W | 0xFFFF | Used to mask alarms bit 15 - bit 8 : Reserved bit 7 : alarm_sysrefphase4 bit 6 : alarm_sysrefphase3 bit 5 : alarm_sysrefphase2 bit 4 : alarm_sysrefphase1 bit 3 : alarm_align_to_r3 bit 2 : alarm_align_to_r1 bit 1 : alarm_sd0_pll bit 0 : alarm_sd1_pll |
| 15 | 14 | 13 | 12 | 11 | 10 | 9 | 8 |
| 0 | 0 | 0 | 0 | 0 | 0 | 0 | x |
| W0C | W0C | W0C | W0C | W0C | W0C | W0C | W0C |
| 7 | 6 | 5 | 4 | 3 | 2 | 1 | 0 |
| 0 | 0 | 0 | 0 | 0 | 1 | 0 | 0 |
| W0C | W0C | W0C | W0C | W0C | W0C | W0C | W0C |
| LEGEND: R/W = Read/Write; R = Read only; W0C = Write 0 to clear bit; -n = value after reset |
| Bit | Field | Type | Reset | Description |
|---|---|---|---|---|
| 15:8 | Reserved | W0C | 0x00 | Reserved |
| 7:0 | ALM_SD_LOSDET | W0C | 0x00 | Loss of signal detect outputs from the SERDES lanes: bit 7 = lane7 loss of signal bit 6 = lane6 loss of signal bit 5 = lane5 loss of signal bit 4 = lane4 loss of signal bit 3 = lane3 loss of signal bit 2 = lane2 loss of signal bit 1 = lane1 loss of signal bit 0 = lane0 loss of signal |
| 15 | 14 | 13 | 12 | 11 | 10 | 9 | 8 |
| 0 | 0 | 0 | 0 | 0 | 0 | 0 | x |
| W0C | W0C | W0C | W0C | W0C | W0C | W0C | W0C |
| 7 | 6 | 5 | 4 | 3 | 2 | 1 | 0 |
| 0 | 0 | 0 | 0 | 0 | 1 | 0 | 1 |
| W0C | W0C | W0C | W0C | W0C | W0C | W0C | W0C |
| LEGEND: R/W = Read/Write; R = Read only; W0C = Write 0 to clear bit; -n = value after reset |
| Bit | Field | Type | Reset | Description |
|---|---|---|---|---|
| 15:9 | Reserved | W0C | 0000000 | Reserved |
| 8 | ALM_SYSRPHASE4 | W0C | 0 | If high the sysrefphase4 state has been observed in the sysrefalign logic at least once since the last sysrefalign sync. |
| 7 | ALM_SYSRPHASE3 | W0C | 0 | If high the sysrefphase3 state has been observed in the sysrefalign logic at least once since the last sysrefalign sync. |
| 6 | ALM_SYSRPHASE2 | W0C | 0 | If high the sysrefphase2 state has been observed in the sysrefalign logic at least once since the last sysrefalign sync. |
| 5 | ALM_SYSRPHASE1 | W0C | 0 | If high the sysrefphase1 state has been observed in the sysrefalign logic at least once since the last sysrefalign sync. |
| 4 | ALM_ALIGN_TO_R3 | W0C | 0 | If high the align_to_r3 state has been observed in the sysrefalign logic at least once since the last sysrefalign sync. TI Internal use only. |
| 3 | ALM_ALIGN_TO_R1 | W0C | 0 | If high the align_to_r1 state has been observed in the sysrefalign logic at least once since the last sysrefalign sync. TI Internal use only. |
| 2 | ALM_SD0_PLL | W0C | 0 | Driven high if the PLL in the Serdes 0 block goes out of lock. A false alarm is generated at startup when the PLL is locking. User will have to reset this bit after start to monitor accurately. |
| 1 | ALM_SD1_PLL | W0C | 0 | Driven high if the PLL in the Serdes 1 block goes out of lock. A false alarm is generated at startup when the PLL is locking. User will have to reset this bit after start to monitor accurately. |
| 0 | PLL_LOCK | W0C | 0 | Asserted when PLL is unlocked. |
| 15 | 14 | 13 | 12 | 11 | 10 | 9 | 8 |
| 0 | 0 | 0 | 0 | 0 | 0 | 0 | x |
| R | R | R | R | R | R | R | R |
| 7 | 6 | 5 | 4 | 3 | 2 | 1 | 0 |
| 0 | 0 | 0 | 0 | 0 | 1 | 1 | 0 |
| R | R | R | R | R | R | R | R |
| LEGEND: R/W = Read/Write; R = Read only; -n = value after reset |
| Bit | Field | Type | Reset | Description |
|---|---|---|---|---|
| 15:8 | TEMPDATA | R | 0x00 | 8 bits of data from the tempurature sensor |
| 7:5 | PLL_LFVOLT | R | 0b000 | PLL Loop filter voltage |
| 4:0 | Reserved | R | 0b000 | Reserved |
| 15 | 14 | 13 | 12 | 11 | 10 | 9 | 8 |
| 0 | 0 | 0 | 0 | 0 | 0 | 0 | x |
| R/W | R/W | R/W | R/W | R/W | R/W | R/W | R/W |
| 7 | 6 | 5 | 4 | 3 | 2 | 1 | 0 |
| 0 | 0 | 0 | 0 | 1 | 0 | 0 | 1 |
| R/W | R/W | R/W | R/W | R/W | R/W | R/W | R/W |
| LEGEND: R/W = Read/Write; R = Read only; -n = value after reset |
| Bit | Field | Type | Reset | Description |
|---|---|---|---|---|
| 15:0 | PAGE_SET | R/W | 0x0000 | Each bit selects a page that is active. Multiple pages can be selected at the same time. No bits asserted means that MASTER is the only page selected. bit 0 = page0 : multi-DUC1 bit 1 = page1 : multi-DUC2 bit 2 = page2 : DIG_MISC bit 3-15: Reserved |
| 15 | 14 | 13 | 12 | 11 | 10 | 9 | 8 |
| 0 | 0 | 0 | 0 | 0 | 0 | 0 | x |
| R | R | R | R | R | R | R | R |
| 7 | 6 | 5 | 4 | 3 | 2 | 1 | 0 |
| 0 | 1 | 1 | 1 | 1 | 0 | 0 | 0 |
| R | R | R | R | R | R | R | R |
| LEGEND: R/W = Read/Write; R = Read only; -n = value after reset |
| Bit | Field | Type | Reset | Description |
|---|---|---|---|---|
| 15:8 | ALIGN_TO_R1_CNT | R | 0x00 | Part of the SYSREF Align block |
| 7:0 | ALIGN_TO_R3_CNT | R | 0x00 | Part of the SYSREF Align block |
| 15 | 14 | 13 | 12 | 11 | 10 | 9 | 8 |
| 0 | 0 | 0 | 0 | 0 | 0 | 0 | x |
| R | R | R | R | R | R | R | R |
| 7 | 6 | 5 | 4 | 3 | 2 | 1 | 0 |
| 0 | 1 | 1 | 1 | 1 | 0 | 0 | 1 |
| R | R | R | R | R | R | R | R |
| LEGEND: R/W = Read/Write; R = Read only; -n = value after reset |
| Bit | Field | Type | Reset | Description |
|---|---|---|---|---|
| 15:8 | PHASE2_CNT | R | 0x00 | Part of the SYSREF Align block |
| 7:0 | PHASE1_CNT | R | 0x00 | Part of the SYSREF Align block |
| 15 | 14 | 13 | 12 | 11 | 10 | 9 | 8 |
| 0 | 0 | 0 | 0 | 0 | 0 | 0 | x |
| R | R | R | R | R | R | R | R |
| 7 | 6 | 5 | 4 | 3 | 2 | 1 | 0 |
| 0 | 1 | 1 | 1 | 1 | 0 | 1 | 0 |
| R | R | R | R | R | R | R | R |
| LEGEND: R/W = Read/Write; R = Read only; -n = value after reset |
| Bit | Field | Type | Reset | Description |
|---|---|---|---|---|
| 15:8 | PHASE4_CNT | R | 0x00 | Part of the SYSREF Align block |
| 7:0 | PHASE3_CNT | R | 0x00 | Part of the SYSREF Align block |
| 15 | 14 | 13 | 12 | 11 | 10 | 9 | 8 |
| 0 | 0 | 0 | 0 | 0 | 0 | 0 | x |
| R | R | R | R | R | R | R | R |
| 7 | 6 | 5 | 4 | 3 | 2 | 1 | 0 |
| 0 | 1 | 1 | 1 | 1 | 1 | 1 | 1 |
| R | R | R | R | R | R | R | R |
| LEGEND: R/W = Read/Write; R = Read only; -n = value after reset |
| Bit | Field | Type | Reset | Description |
|---|---|---|---|---|
| 15 | AUTOLOAD_DONE | R | 0 | Asserted when the Fusefarm Autoload sequence is done |
| 14:10 | EFC_ERR | R | 00000 | The error output from the fuse farm. |
| 9:5 | Reserved | R | 00000 | Reserved |
| 4:3 | VENDORID | R | 01 | TI identification |
| 2:0 | VERSION | R | 001 | Bits to determine what version of build for the chip. |
| 15 | 14 | 13 | 12 | 11 | 10 | 9 | 8 |
| 0 | 0 | 0 | 0 | 0 | 0 | 0 | x |
| R/W | R/W | R/W | R/W | R/W | R/W | R/W | R/W |
| 7 | 6 | 5 | 4 | 3 | 2 | 1 | 0 |
| 1 | 0 | 0 | 0 | 1 | 0 | 1 | 0 |
| R/W | R/W | R/W | R/W | R/W | R/W | R/W | R/W |
| LEGEND: R/W = Read/Write; R = Read only; -n = value after reset |
| Bit | Field | Type | Reset | Description |
|---|---|---|---|---|
| 15 | DUAL_IQ | R/W | 0 | When asserted the SLICE uses both IQ paths |
| 14 | ISFIR_ENA | R/W | 0 | Turns on the inverse sync filter for the AB and CD paths when programmed to 1. |
| 13 | Not used | R/W | 0 | Not used |
| 12:8 | INTERP | R/W | 00010 | Determines the interpolation amount. 00000: 1x 00001: 2x 00010: 4x 00011: 6x 00100: 8x 00101: 10x 00110: 12x 01000: 16x 01001: 18x 01010: 20x 01100: 24x |
| 7 | ALM_ZEROS_TXEN | R/W | 1 | When asserted any alarm that isn’t masked will mid-level the DAC output by setting the txenable_from_dig to ‘0’ |
| 6 | DAC_COMPLEMENT | R/W | 0 | When asserted the DAC output will be 2's complemented. This helps with hookup at the board level. |
| 5 | ALM_ZEROS_JESD | R/W | 1 | When asserted any alarm that isn’t masked will zero the data coming out of the JESD block. |
| 4 | ALM_OUT_ENA | R/W | 1 | When asserted the output from the selected SLICE will be passed on to the MASTER alarm control if it is also turned on then the alarm will be sent to the pad_alarm pin. |
| 3 | PAPA_ENA | R/W | 0 | Turns on the Power Amp Protection logic for path A. |
| 2 | PAPB_ENA | R/W | 0 | Turns on the Power Amp Protection logic for path B. |
| 1 | PAPC_ENA | R/W | 0 | Turns on the Power Amp Protection logic for path C. |
| 0 | PAPD_ENA | R/W | 0 | Turns on the Power Amp Protection logic for path D. |
| 15 | 14 | 13 | 12 | 11 | 10 | 9 | 8 |
| 0 | 0 | 0 | 0 | 0 | 1 | 0 | x |
| R/W | R/W | R/W | R/W | R/W | R/W | R/W | R/W |
| 7 | 6 | 5 | 4 | 3 | 2 | 1 | 0 |
| 0 | 0 | 0 | 0 | 1 | 1 | 0 | 0 |
| R/W | R/W | R/W | R/W | R/W | R/W | R/W | R/W |
| LEGEND: R/W = Read/Write; R = Read only; -n = value after reset |
| 15 | 14 | 13 | 12 | 11 | 10 | 9 | 8 |
| 0 | 0 | 0 | 0 | 0 | 0 | 0 | x |
| R/W | R/W | R/W | R/W | R/W | R/W | R/W | R/W |
| 7 | 6 | 5 | 4 | 3 | 2 | 1 | 0 |
| 0 | 0 | 0 | 0 | 1 | 1 | 0 | 1 |
| R/W | R/W | R/W | R/W | R/W | R/W | R/W | R/W |
| LEGEND: R/W = Read/Write; R = Read only; -n = value after reset |
| Bit | Field | Type | Reset | Description |
|---|---|---|---|---|
| 15 | FIFO_ZEROS_DATA | R/W | 1 | When asserted FIFO errors zero the data out of the JESD block. For test purposes this could be turned off to allow test patterns in the FIFO. |
| 14:13 | NOT USED | R/W | 000 | Not Used |
| 12 | SRDS_FIFO_ALM_CLR | R/W | 0 | Set to 1 to clear FIFO errors. Must be set to 0 for proper FIFO operation |
| 11 | Not used | R/W | 0 | Not used |
| 10:8 | FIFO_OFFSET | R/W | 0000 | Used to set the difference between read and write pointers in the JESD FIFO. |
| 7:1 | Reserved | R/W | 0 | Reserved |
| 0 | SPI_TXENABLE | R/W | 0 | When asserted the internal value of txenable = '1' |
| 15 | 14 | 13 | 12 | 11 | 10 | 9 | 8 |
| 0 | 0 | 0 | 0 | 0 | 0 | 0 | x |
| R/W | R/W | R/W | R/W | R/W | R/W | R/W | R/W |
| 7 | 6 | 5 | 4 | 3 | 2 | 1 | 0 |
| 0 | 0 | 0 | 0 | 1 | 1 | 1 | 0 |
| R/W | R/W | R/W | R/W | R/W | R/W | R/W | R/W |
| LEGEND: R/W = Read/Write; R = Read only; -n = value after reset |
| Bit | Field | Type | Reset | Description |
|---|---|---|---|---|
| 15:0 | ALM_MASK1 | R/W | 0x00FF | Each bit is used to mask an alarm. Assertion masks the alarm: bit 15 = mask lane7 lane errors bit 14 = mask lane6 lane errors bit 13 = mask lane5 lane errors bit 12 = mask lane4 lane errors bit 11 = mask lane3 lane errors bit 10 = mask lane2 lane errors bit 9 = mask lane1 lane errors bit 8 = mask lane0 lane errors bit 7 = mask lane7 FIFO flags bit 6 = mask lane6 FIFO flags bit 5 = mask lane5 FIFO flags bit 4 = mask lane4 FIFO flags bit 3 = mask lane3 FIFO flags bit 2 = mask lane2 FIFO flags bit 1 = mask lane1 FIFO flags bit 0 = mask lane0 FIFO flags |
| 15 | 14 | 13 | 12 | 11 | 10 | 9 | 8 |
| 0 | 0 | 0 | 0 | 0 | 0 | 0 | x |
| R/W | R/W | R/W | R/W | R/W | R/W | R/W | R/W |
| 7 | 6 | 5 | 4 | 3 | 2 | 1 | 0 |
| 0 | 0 | 0 | 0 | 1 | 1 | 1 | 1 |
| R/W | R/W | R/W | R/W | R/W | R/W | R/W | R/W |
| LEGEND: R/W = Read/Write; R = Read only; -n = value after reset |
| Bit | Field | Type | Reset | Description |
|---|---|---|---|---|
| 15:0 | ALMS_MASK2 | R/W | 0xFFFF | Each bit is used to mask an alarm. Assertion masks the alarm: bit 15 = not used bit 14 = not used bit 13 = not used bit 12 = mask SYSREF errors on link0 bit 11 = mask alarm from JESD shorttest bit 10 = mask alarm from PAPD bit 9 = mask alarm from PAPC bit 8 = mask alarm from PAPB bit 7 = mask alarm from PAPA bit 6 = not used bit 5 = not used bit 4 = not used bit 3 = not used bit 2 = not used bit 1 = mask alarm_clkdiv192_eq_zero bit 0 = mask alarm_clkdiv192_eq_mult1 |
| 15 | 14 | 13 | 12 | 11 | 10 | 9 | 8 |
| 0 | 0 | 0 | 0 | 0 | 0 | x | |
| R/W | R/W | R/W | R/W | R/W | R/W | R/W | R/W |
| 7 | 6 | 5 | 4 | 3 | 2 | 1 | 0 |
| 0 | 0 | 0 | 1 | 0 | 0 | 0 | 0 |
| R/W | R/W | R/W | R/W | R/W | R/W | R/W | R/W |
| LEGEND: R/W = Read/Write; R = Read only; -n = value after reset |
| Bit | Field | Type | Reset | Description |
|---|---|---|---|---|
| 15:0 | ALMS_MASK3 | R/W | 0xFFFF | Each bit is used to mask an alarm. Assertion masks the alarm: bit 15 = mask alarm_clkdiv8_eq_zero bit 14 = mask alarm_clkdiv12_eq_zero bit 13 = mask alarm_clkdiv16_eq_zero bit 12 = mask alarm_clkdiv18_eq_zero bit 11 = mask alarm_clkdiv20_eq_zero bit 10 = mask alarm_clkdiv32_eq_zero bit 9 = mask alarm_clkdiv36_eq_zero bit 8 = mask alarm_clkdiv40_eq_zero bit 7 = mask alarm_clkdiv48_eq_zero bit 6 = mask alarm_clkdiv64_eq_zero bit 5 = mask alarm_clkdiv72_eq_zero bit 4 = mask alarm_clkdiv80_eq_zero bit 3 = mask alarm_clkdiv96_eq_zero bit 2 = maskalarm_ clkdiv128_eq_zero bit 1 = mask alarm_clkdiv144_eq_zero bit 0 = mask alarm_clkdiv160_eq_zero |
| 15 | 14 | 13 | 12 | 11 | 10 | 9 | 8 |
| 0 | 0 | 0 | 0 | 0 | 0 | 0 | x |
| R/W | R/W | R/W | R/W | R/W | R/W | R/W | R/W |
| 7 | 6 | 5 | 4 | 3 | 2 | 1 | 0 |
| 0 | 0 | 0 | 1 | 0 | 0 | 0 | 1 |
| R/W | R/W | R/W | R/W | R/W | R/W | R/W | R/W |
| LEGEND: R/W = Read/Write; R = Read only; -n = value after reset |
| Bit | Field | Type | Reset | Description |
|---|---|---|---|---|
| 15:0 | ALMS_MASK4 | R/W | 0xFFFF | Each bit is used to mask an alarm. Assertion masks the alarm: bit 15 = mask alarm_clkdiv8_eq_mult1 bit 14 = mask alarm_clkdiv12_eq_mult1 bit 13 = mask alarm_clkdiv16_eq_mult1 bit 12 = mask alarm_clkdiv18_eq_mult1 bit 11 = mask alarm_clkdiv20_eq_mult1 bit 10 = mask alarm_clkdiv32_eq_mult1 bit 9 = mask alarm_clkdiv36_eq_mult1 bit 8 = mask alarm_clkdiv40_eq_mult1 bit 7 = mask alarm_clkdiv48_eq_mult1 bit 6 = mask alarm_clkdiv64_eq_mult1 bit 5 = mask alarm_clkdiv72_eq_mult1 bit 4 = mask alarm_clkdiv80_eq_mult1 bit 3 = mask alarm_clkdiv96_eq_mult1 bit 2 = maskalarm_ clkdiv128_eq_mult1 bit 1 = mask alarm_clkdiv144_eq_mult1 bit 0 = mask alarm_clkdiv160_eq_mult1 |
| 15 | 14 | 13 | 12 | 11 | 10 | 9 | 8 |
| 0 | 0 | 0 | 0 | 0 | 0 | 0 | x |
| R | R | R | R | R | R | R | R |
| 7 | 6 | 5 | 4 | 3 | 2 | 1 | 0 |
| 0 | 0 | 0 | 1 | 0 | 0 | 1 | 0 |
| R | R | R | R | R | R | R | R |
| LEGEND: R/W = Read/Write; R = Read only; -n = value after reset |
| Bit | Field | Type | Reset | Description |
|---|---|---|---|---|
| 15:5 | NOT USED | R | 0x0000 | Not used |
| 4:0 | MEMIN_LANE_SKEW | R | 0b00000 | Measure of the lane skew for each link only. Bits are READ_ONLY |
| 15 | 14 | 13 | 12 | 11 | 10 | 9 | 8 |
| 0 | 0 | 0 | 0 | 0 | 0 | 0 | x |
| R/W | R/W | R/W | R/W | R/W | R/W | R/W | R/W |
| 7 | 6 | 5 | 4 | 3 | 2 | 1 | 0 |
| 0 | 0 | 0 | 1 | 0 | 1 | 1 | 1 |
| R/W | R/W | R/W | R/W | R/W | R/W | R/W | R/W |
| LEGEND: R/W = Read/Write; R = Read only; -n = value after reset |
| Bit | Field | Type | Reset | Description |
|---|---|---|---|---|
| 15:12 | CMIX_AB | R/W | 0x0 | These bits turn on the different coarse mixing options. Combining the different options together can result in every possible n x Fs/8 [n=0->7]. Below is the valid programming table: cmix=(mem_fs8; mem_fs4; mem_fs2; mem_fsm4) 0000 : no mixing 0001 : -fs/4 0010 : fs/2 0100 : fs/4 1000 : fs/8 1100 : 3fs/8 1010 : 5fs/8 1110 : 7fs/8 |
| 11:4 | Reserved | R/W | 000000000 | Reserved |
| 3:0 | CMIX_CD | R/W | 0x0 | These bits turn on the different coarse mixing options. Combining the different options together can result in every possible n x Fs/8 [n=0->7]. Below is the valid programming table: cmix=(mem_fs8; mem_fs4; mem_fs2; mem_fsm4) 0000 : no mixing 0001 : -fs/4 0010 : fs/2 0100 : fs/4 1000 : fs/8 1100 : 3fs/8 1010 : 5fs/8 1110 : 7fs/8 |
| 15 | 14 | 13 | 12 | 11 | 10 | 9 | 8 |
| 0 | 0 | 0 | 0 | 0 | 0 | 0 | x |
| R/W | R/W | R/W | R/W | R/W | R/W | R/W | R/W |
| 7 | 6 | 5 | 4 | 3 | 2 | 1 | 0 |
| 0 | 0 | 0 | 1 | 1 | 0 | 0 | 1 |
| R/W | R/W | R/W | R/W | R/W | R/W | R/W | R/W |
| LEGEND: R/W = Read/Write; R = Read only; -n = value after reset |
| 15 | 14 | 13 | 12 | 11 | 10 | 9 | 8 |
| 0 | 0 | 0 | 0 | 0 | 0 | 0 | x |
| R/W | R/W | R/W | R/W | R/W | R/W | R/W | R/W |
| 7 | 6 | 5 | 4 | 3 | 2 | 1 | 0 |
| 0 | 0 | 0 | 1 | 1 | 1 | 0 | 0 |
| R/W | R/W | R/W | R/W | R/W | R/W | R/W | R/W |
| LEGEND: R/W = Read/Write; R = Read only; -n = value after reset |
| Bit | Field | Type | Reset | Description |
|---|---|---|---|---|
| 15:0 | PHASE_NCO1 | Auto Sync | 0x0000 | The phase offset for the FULL NCO1 in the AB datapath. |
| 15 | 14 | 13 | 12 | 11 | 10 | 9 | 8 |
| 0 | 0 | 0 | 0 | 0 | 0 | 0 | 0 |
| R/W | R/W | R/W | R/W | R/W | R/W | R/W | R/W |
| 7 | 6 | 5 | 4 | 3 | 2 | 1 | 0 |
| 0 | 0 | 0 | 1 | 1 | 1 | 0 | 1 |
| R/W | R/W | R/W | R/W | R/W | R/W | R/W | R/W |
| LEGEND: R/W = Read/Write; R = Read only; -n = value after reset |
| Bit | Field | Type | Reset | Description |
|---|---|---|---|---|
| 15:0 | PHASE_NCO12 | Auto Sync | 0x0000 | The phase offset for the FULL NCO2 in the CD datapath. |
| 15 | 14 | 13 | 12 | 11 | 10 | 9 | 8 |
| 0 | 0 | 0 | 0 | 0 | 0 | 0 | x |
| R/W | R/W | R/W | R/W | R/W | R/W | R/W | R/W |
| 7 | 6 | 5 | 4 | 3 | 2 | 1 | 0 |
| 0 | 0 | 0 | 1 | 1 | 1 | 1 | 0 |
| R/W | R/W | R/W | R/W | R/W | R/W | R/W | R/W |
| LEGEND: R/W = Read/Write; R = Read only; -n = value after reset |
| Bit | Field | Type | Reset | Description |
|---|---|---|---|---|
| 47:0 | FREQ_NCOAB | R/W | 0x0000 0000 0000 |
NCO frequency word for AB data path. |
| 15 | 14 | 13 | 12 | 11 | 10 | 9 | 8 |
| 0 | 0 | 0 | 0 | 0 | 0 | 0 | x |
| R/W | R/W | R/W | R/W | R/W | R/W | R/W | R/W |
| 7 | 6 | 5 | 4 | 3 | 2 | 1 | 0 |
| 0 | 0 | 1 | 0 | 0 | 0 | 0 | 1 |
| R/W | R/W | R/W | R/W | R/W | R/W | R/W | R/W |
| LEGEND: R/W = Read/Write; R = Read only; -n = value after reset |
| Bit | Field | Type | Reset | Description |
|---|---|---|---|---|
| 47:0 | FREQ_NCOCD | R/W | 0x0000 0000 0000 |
NCO frequency word for CD data path. |
| 15 | 14 | 13 | 12 | 11 | 10 | 9 | 8 |
| 0 | 0 | 0 | 0 | 0 | 0 | 0 | x |
| R/W | R/W | R/W | R/W | R/W | R/W | R/W | R/W |
| 7 | 6 | 5 | 4 | 3 | 2 | 1 | 0 |
| 0 | 0 | 1 | 0 | 0 | 1 | 0 | 0 |
| R/W | R/W | R/W | R/W | R/W | R/W | R/W | R/W |
| LEGEND: R/W = Read/Write; R = Read only; -n = value after reset |
| Bit | Field | Type | Reset | Description |
|---|---|---|---|---|
| 15 | Reserved | R/W | 0 | Reserved |
| 14:12 | CDRVSER_SYSREF_DLY | R/W | 000 | Programmable delay the SYSREF by N dacclk cycles to the CDRV_SER clock dividers. By offsetting the clock to the different multi-DUC blocks, clock mixing could potentially be reduced. |
| 11:7 | Not used | R/W | 00000 | Not used |
| 6:4 | SYSREF_MODE | R/W | 001 | Determines how SYSREF is used to sync the clock dividers in the CDRV_SER block. 000 = Don’t use SYSREF pulse 001 = Use all SYSREF pulses 010 = Use only the next SYSREF pulse 011 = Skip one SYSREF pulse then use only the next one 100 = Skip one SYSREF pulse then use all pulses. |
| 3:2 | SYSREF_DLY | R/W | 00 | Delays the SYSREF into the CDRV_SER capture FF through 1 of 4 choices. This allows for extra delay in case the timing of the clock or SYSREF path isn’t as good as we think. |
| 1:0 | Reserved | R/W | 00 | Reserved |
| 15 | 14 | 13 | 12 | 11 | 10 | 9 | 8 |
| 0 | 0 | 0 | 0 | 0 | 0 | 0 | x |
| R/W | R/W | R/W | R/W | R/W | R/W | R/W | R/W |
| 7 | 6 | 5 | 4 | 3 | 2 | 1 | 0 |
| 0 | 0 | 1 | 0 | 0 | 1 | 0 | 1 |
| R/W | R/W | R/W | R/W | R/W | R/W | R/W | R/W |
| LEGEND: R/W = Read/Write; R = Read only; -n = value after reset |
| Bit | Field | Type | Reset | Description |
|---|---|---|---|---|
| 15:12 | CLKJESD_DIV | R/W | 0x7 | This controls the selection of the clk_jesd output 0000 = div4 0001 = div8 0010 = div12 0011 = div16 0100 = div18 0101 = div20 0110 = div24 0111 = div32 1001 = div36 1010 = div48 1011 = div64 1100 = div5.333 1101 = div10.666 1110 = div21p333 |
| 11:8 | CLKJESD_OUT_DIV | R/W | 0x7 | This controls the selection of the clk_jesd_out output 0000 = div8 0001 = div16 0010 = div32 0011 = div48 0100 = div64 0101 = div80 0110 = div96 0111 = div128 1000 = div144 1001 = div160 1010 = div192 |
| 7:0 | Reserved | R/W | 0x0 | Reserved |
| 15 | 14 | 13 | 12 | 11 | 10 | 9 | 8 |
| 0 | 0 | 0 | 0 | 0 | 0 | 0 | x |
| R/W | R/W | R/W | R/W | R/W | R/W | R/W | R/W |
| 7 | 6 | 5 | 4 | 3 | 2 | 1 | 0 |
| 0 | 0 | 1 | 0 | 0 | 1 | 1 | 1 |
| R/W | R/W | R/W | R/W | R/W | R/W | R/W | R/W |
| LEGEND: R/W = Read/Write; R = Read only; -n = value after reset |
| Bit | Field | Type | Reset | Description |
|---|---|---|---|---|
| 15:12 | SYNCSEL_MIXERAB | R/W | 0x1 | Controls the syncing of the double buffered SPI registers for the mixerAB block. These bits are enables so a ‘1’ in the bit place allows the sync to pass to the block. bit 0 = auto-sync from SPI register write bit 1 = sysref bit 2 = sync_out from JESD bit 3 = mem_spi_sync |
| 11:8 | SYNCSEL_MIXERCD | R/W | 0x1 | Controls the syncing of the double buffered SPI registers for the mixerCD block. These bits are enables so a ‘1’ in the bit place allows the sync to pass to the block. bit 0 = auto-sync from SPI register write bit 1 = sysref bit 2 = sync_out from JESD bit 3 = mem_spi_sync |
| 7:4 | SYNCSEL_NCOAB | R/W | 0x4 | Controls the syncing of NCOAB accumulators. These bits are enables so a ‘1’ in the bit place allows the sync to pass to the block. bit 0 = ‘0’ bit 1 = sysref bit 2 = sync_out from JESD bit 3 = mem_spi_sync |
| 3:0 | SYNCSEL_NCOCD | R/W | 0x4 | Controls the syncing of NCOCD accumulators. These bits are enables so a ‘1’ in the bit place allows the sync to pass to the block. bit 0 = ‘0’ bit 1 = sysref bit 2 = sync_out from JESD bit 3 = mem_spi_sync |
| 15 | 14 | 13 | 12 | 11 | 10 | 9 | 8 |
| 0 | 0 | 0 | 0 | 0 | 0 | 0 | x |
| R/W | R/W | R/W | R/W | R/W | R/W | R/W | R/W |
| 7 | 6 | 5 | 4 | 3 | 2 | 1 | 0 |
| 0 | 0 | 1 | 0 | 1 | 0 | 0 | 0 |
| R/W | R/W | R/W | R/W | R/W | R/W | R/W | R/W |
| LEGEND: R/W = Read/Write; R = Read only; -n = value after reset |
| Bit | Field | Type | Reset | Description |
|---|---|---|---|---|
| 15:12 | Reserved | R/W | 0x0 | Reserved |
| 11:8 | SYNCSEL_PAPAB | R/W | 0x0 | Select the sync for the PAP A and B. bit 0 = ‘0’ bit 1 = sysref bit 2 = sync_out from JESD bit 3 = mem_spi_sync |
| 7:4 | SYNCSEL_PAPCD | R/W | 0x0 | Select the sync for the PAP C and D. bit 0 = ‘0’ bit 1 = sysref bit 2 = sync_out from JESD bit 3 = mem_spi_sync |
| 3:2 | Reserved | R/W | 0b00 | Reserved |
| 1 | SPI_SYNC | R/W | 0 | This is used to generate the SPI_SYNC signal |
| 0 | Reserved | R/W | 0 | Reserved |
| 15 | 14 | 13 | 12 | 11 | 10 | 9 | 8 |
| 0 | 0 | 0 | 0 | 0 | 0 | 0 | x |
| R/W | R/W | R/W | R/W | R/W | R/W | R/W | R/W |
| 7 | 6 | 5 | 4 | 3 | 2 | 1 | 0 |
| 0 | 0 | 1 | 0 | 1 | 0 | 0 | 1 |
| R/W | R/W | R/W | R/W | R/W | R/W | R/W | R/W |
| LEGEND: R/W = Read/Write; R = Read only; -n = value after reset |
| Bit | Field | Type | Reset | Description |
|---|---|---|---|---|
| 15:10 | NOT USED | RW | 000000 | Not Used |
| 9:0 | PAPAB_GAIN_STEP | 0x000 | Gain attenuation step |
| 15 | 14 | 13 | 12 | 11 | 10 | 9 | 8 |
| 0 | 0 | 0 | 0 | 0 | 0 | 0 | x |
| R/W | R/W | R/W | R/W | R/W | R/W | R/W | R/W |
| 7 | 6 | 5 | 4 | 3 | 2 | 1 | 0 |
| 0 | 0 | 1 | 0 | 1 | 0 | 1 | 0 |
| R/W | R/W | R/W | R/W | R/W | R/W | R/W | R/W |
| LEGEND: R/W = Read/Write; R = Read only; -n = value after reset |
| Bit | Field | Type | Reset | Description |
|---|---|---|---|---|
| 15:10 | Reserved | 000000 | R/W | Reserved |
| 9:0 | PAPAB_WAIT | 0x000 | R/W | Number of clock cycles to wait after gain = 0 |
| 15 | 14 | 13 | 12 | 11 | 10 | 9 | 8 |
| 0 | 0 | 0 | 0 | 0 | 0 | 0 | x |
| R/W | R/W | R/W | R/W | R/W | R/W | R/W | R/W |
| 7 | 6 | 5 | 4 | 3 | 2 | 1 | 0 |
| 0 | 0 | 0 | 0 | 1 | 0 | 1 | 1 |
| R/W | R/W | R/W | R/W | R/W | R/W | R/W | R/W |
| LEGEND: R/W = Read/Write; R = Read only; -n = value after reset |
| Bit | Field | Type | Reset | Description |
|---|---|---|---|---|
| 15:10 | Not Used | R/W | 000000 | Not Used |
| 9:0 | PAPCD_GAIN_STEP | R/W | 0x000 | Gain attenuation step |
| 15 | 14 | 13 | 12 | 11 | 10 | 9 | 8 |
| 0 | 0 | 0 | 0 | 0 | 0 | 0 | x |
| R/W | R/W | R/W | R/W | R/W | R/W | R/W | R/W |
| 7 | 6 | 5 | 4 | 3 | 2 | 1 | 0 |
| 0 | 0 | 1 | 0 | 1 | 1 | 0 | 0 |
| R/W | R/W | R/W | R/W | R/W | R/W | R/W | R/W |
| LEGEND: R/W = Read/Write; R = Read only; -n = value after reset |
| Bit | Field | Type | Reset | Description |
|---|---|---|---|---|
| 15:10 | Reserved | R/W | 000000 | Reserved |
| 9:0 | PAPCD_WAIT | R/W | 0x000 | Number of clock cycles to wait after gain = 0 |
| 15 | 14 | 13 | 12 | 11 | 10 | 9 | 8 |
| 0 | 0 | Reserved | 0 | 0 | 0 | 0 | x |
| R/W | R/W | R/W | R/W | R/W | R/W | R/W | R/W |
| 7 | 6 | 5 | 4 | 3 | 2 | 1 | 0 |
| 0 | 0 | 1 | 0 | 1 | 1 | 0 | 1 |
| R/W | R/W | R/W | R/W | R/W | R/W | R/W | R/W |
| LEGEND: R/W = Read/Write; R = Read only; -n = value after reset |
| Bit | Field | Type | Reset | Description |
|---|---|---|---|---|
| 15:14 | PAPAB_SEL_DLY | R/W | 00 | Controls the length of the delayline in the PAP AB logic. 00 : N =32 01 : N = 64 10 : N = 128 11 : Not Valid |
| 13 | Reserved | R/W | 0 | Reserved |
| 12:0 | PAPAB_THRESH | R/W | 0xFFF | The threshold for the PAP AB trigger. |
| 15 | 14 | 13 | 12 | 11 | 10 | 9 | 8 |
| 0 | 0 | 0 | 0 | 0 | 0 | 0 | x |
| R/W | R/W | R/W | R/W | R/W | R/W | R/W | R/W |
| 7 | 6 | 5 | 4 | 3 | 2 | 1 | 0 |
| 0 | 0 | 1 | 0 | 1 | 1 | 1 | 0 |
| R/W | R/W | R/W | R/W | R/W | R/W | R/W | R/W |
| LEGEND: R/W = Read/Write; R = Read only; -n = value after reset |
| Bit | Field | Type | Reset | Description |
|---|---|---|---|---|
| 15:14 | PAPCD_SEL_DLY | R/W | 00 | Controls the length of the delay line in the PAP CD logic. 00 : N = 32 01 : N = 64 10 : N = 128 11 : Not Valid |
| 13 | Reserved | R/W | 0 | Reserved |
| 12:0 | PAPCD_THRESH | R/W | 0xFFF | The threshold for the PAP CD trigger. |
| 15 | 14 | 13 | 12 | 11 | 10 | 9 | 8 |
| 0 | 0 | 0 | 0 | 0 | 0 | 0 | x |
| R/W | R/W | R/W | R/W | R/W | R/W | R/W | R/W |
| 7 | 6 | 5 | 4 | 3 | 2 | 1 | 0 |
| 0 | 0 | 1 | 0 | 1 | 1 | 1 | 1 |
| R/W | R/W | R/W | R/W | R/W | R/W | R/W | R/W |
| LEGEND: R/W = Read/Write; R = Read only; -n = value after reset |
| Bit | Field | Type | Reset | Description |
|---|---|---|---|---|
| 15:1 | Reserved | R/W | 0x0000 | Reserved |
| 0 | SPIDAC_ENA | R/W | 0 | When asserted the DAC output is set to the value in register SPIDAC. This can be used for trim setting and other static tests. |
| 15 | 14 | 13 | 12 | 11 | 10 | 9 | 8 |
| 0 | 0 | 0 | 0 | 0 | 0 | 0 | x |
| R/W | R/W | R/W | R/W | R/W | R/W | R/W | R/W |
| 7 | 6 | 5 | 4 | 3 | 2 | 1 | 0 |
| 0 | 0 | 1 | 1 | 0 | 0 | 0 | 0 |
| R/W | R/W | R/W | R/W | R/W | R/W | R/W | R/W |
| LEGEND: R/W = Read/Write; R = Read only; -n = value after reset |
| Bit | Field | Type | Reset | Description |
|---|---|---|---|---|
| 15:0 | SPIDAC | R/W | 0x0000 | This value replaces the data at the output of the JESD so that the DAC value can be controlled |
| 15 | 14 | 13 | 12 | 11 | 10 | 9 | 8 |
| 0 | 0 | 0 | 0 | 0 | 0 | 0 | x |
| R/W | R/W | R/W | R/W | R/W | R/W | R/W | R/W |
| 7 | 6 | 5 | 4 | 3 | 2 | 1 | 0 |
| 0 | 0 | 1 | 1 | 0 | 0 | 1 | 0 |
| R/W | R/W | R/W | R/W | R/W | R/W | R/W | R/W |
| LEGEND: R/W = Read/Write; R = Read only; -n = value after reset |
| Bit | Field | Type | Reset | Description |
|---|---|---|---|---|
| 15 | GAINAB_ENA | R/W | 0 | Turns on the path AB gain block |
| 14:12 | Reserved | R/W | 0x0 | Reserved |
| 11:0 | GAINAB | R/W | 0x400 | Extra control of gain in the GAINAB block. This allows a fix gain to be added to the signal if needed. |
| 15 | 14 | 13 | 12 | 11 | 10 | 9 | 8 |
| 0 | 0 | 0 | 0 | 0 | 0 | 0 | x |
| R/W | R/W | R/W | R/W | R/W | R/W | R/W | R/W |
| 7 | 6 | 5 | 4 | 3 | 2 | 1 | 0 |
| 0 | 0 | 1 | 1 | 0 | 0 | 1 | 1 |
| R/W | R/W | R/W | R/W | R/W | R/W | R/W | R/W |
| LEGEND: R/W = Read/Write; R = Read only; -n = value after reset |
| Bit | Field | Type | Reset | Description |
|---|---|---|---|---|
| 15 | GAINCD_ENA | R/W | 0 | Turns on the Path CD gain block |
| 14:12 | Reserved | R/W | 0x0 | Reserved |
| 11:0 | GAINCD | R/W | 0x400 | Extra control of gain in the GAINCD block. This allows a fix gain to be added to the signal if needed. |
| 15 | 14 | 13 | 12 | 11 | 10 | 9 | 8 |
| 0 | 0 | 0 | 0 | 0 | 0 | 0 | x |
| R | R | R | R | R | R | R | R |
| 7 | 6 | 5 | 4 | 3 | 2 | 1 | 0 |
| 0 | 1 | 0 | 0 | 0 | 0 | 0 | 1 |
| R | R | R | R | R | R | R | R |
| LEGEND: R/W = Read/Write; R = Read only; -n = value after reset |
| Bit | Field | Type | Reset | Description |
|---|---|---|---|---|
| 15:0 | JESD_ERR_CNT | R | 0x0000 | This is the error count for the JESD link. This is a 16bit value that is not cleared until the JESD synchronization is required or errcnt_clr is programmed to '1' |
| 15 | 14 | 13 | 12 | 11 | 10 | 9 | 8 |
| 0 | 0 | 0 | 0 | 0 | 0 | 0 | x |
| R | R | R | R | R | R | R | R |
| 7 | 6 | 5 | 4 | 3 | 2 | 1 | 0 |
| 0 | 1 | 0 | 0 | 0 | 1 | 1 | 0 |
| R | R | R | R | R | R | R | R |
| LEGEND: R/W = Read/Write; R = Read only; -n = value after reset |
| Bit | Field | Type | Reset | Description |
|---|---|---|---|---|
| 15:11 | LID0 | R/W | 00000 | JESD ID for lane 0 |
| 10:6 | LID1 | R/W | 00001 | JESD ID for lane 1 |
| 5:1 | LID2 | R/W | 00010 | JESD ID for lane 2 |
| 0 | Reserved | R/W | 0 | Reserved |
| 15 | 14 | 13 | 12 | 11 | 10 | 9 | 8 |
| 0 | 0 | 0 | 0 | 0 | 0 | 0 | 0 |
| R | R | R | R | R | R | R | R |
| 7 | 6 | 5 | 4 | 3 | 2 | 1 | 0 |
| 0 | 1 | 0 | 0 | 0 | 1 | 1 | 1 |
| R | R | R | R | R | R | R | R |
| LEGEND: R/W = Read/Write; R = Read only; -n = value after reset |
| Bit | Field | Type | Reset | Description |
|---|---|---|---|---|
| 15:11 | LID3 | R/W | 00011 | JESD ID for lane 3 |
| 10:6 | LID4 | R/W | 00100 | JESD ID for lane 4 |
| 5:1 | LID5 | R/W | 00101 | JESD ID for lane 5 |
| 0 | Reserved | R/W | 0 | Reserved |
| 15 | 14 | 13 | 12 | 11 | 10 | 9 | 8 |
| 0 | 0 | 0 | 0 | 0 | 0 | 0 | x |
| R/W | R/W | R/W | R/W | R/W | R/W | R/W | R/W |
| 7 | 6 | 5 | 4 | 3 | 2 | 1 | 0 |
| 0 | 1 | 0 | 0 | 1 | 0 | 0 | 0 |
| R/W | R/W | R/W | R/W | R/W | R/W | R/W | R/W |
| LEGEND: R/W = Read/Write; R = Read only; -n = value after reset |
| Bit | Field | Type | Reset | Description |
|---|---|---|---|---|
| 15:11 | LID6 | R/W | 00110 | JESD ID for lane 6 |
| 10:6 | LID7 | R/W | 00111 | JESD ID for lane 7 |
| 5:4 | Reserved | R/W | 00 | Reserved |
| 3:1 | SUBCLASSV | R/W | 001 | Selects the JESD subclass supported. Note: “001” is subclass 1 and “000” is subclass 0 they are the only modes supported; not used for operation but used for configuration. See field MIN_LATENCY_ENA in register JESD_MATCH (9.5.46) for use in subclass0 |
| 0 | JESDV | R/W | 1 | Selects the version of JESD support(0=A; 1=B) NOTE: JESD 204B is only supported version. |
| 15 | 14 | 13 | 12 | 11 | 10 | 9 | 8 |
| 0 | 0 | 0 | 0 | 0 | 0 | 0 | x |
| R/W | R/W | R/W | R/W | R/W | R/W | R/W | R/W |
| 7 | 6 | 5 | 4 | 3 | 2 | 1 | 0 |
| 0 | 1 | 0 | 0 | 1 | 0 | 1 | 0 |
| R/W | R/W | R/W | R/W | R/W | R/W | R/W | R/W |
| LEGEND: R/W = Read/Write; R = Read only; -n = value after reset |
| Bit | Field | Type | Reset | Description |
|---|---|---|---|---|
| 15:8 | LANE_ENA | 0x00 | Turn on each lane as needed. Signal is active high. bit 15 : lane7 enable bit 14 : lane6 enable bit 13 : lane5 enable bit 12 : lane4 enable bit 11 : lane3 enable bit 10 : lane2 enable bit 9 : lane1 enable bit 8 : lane0 enable |
|
| 7:6 | JESD_TEST_SEQ | 00 | Set to select and verify link layer test sequences. The error for these sequences comes out the lane alarms bit0. 1= a fail and 0 = pass. 00 : test sequence disabled 01 : verify repeating D.21.5 high frequency pattern for random jitter 10 : verify repeating K.28.5 mixed frequency pattern for deterministic jitter 11 : verify repeating ILA sequence |
|
| 5:2 | Reserved | 0x0 | Reserved | |
| 1:0 | JESD_PHASE_MODE | 11 | Used to tell the JESD block how many clock phases are being used for lanes. 00 = 1 phase 01 = 2 phases 10 = 4 phases 11 = 8 phases |
| 15 | 14 | 13 | 12 | 11 | 10 | 9 | 8 |
| 0 | 0 | 0 | 0 | 0 | |||
| R/W | R/W | R/W | R/W | R/W | R/W | R/W | R/W |
| 7 | 6 | 5 | 4 | 3 | 2 | 1 | 0 |
| 0 | 1 | 0 | 0 | 0 | 1 | 1 | |
| R/W | R/W | R/W | R/W | R/W | R/W | R/W | R/W |
| LEGEND: R/W = Read/Write; R = Read only; -n = value after reset |
| Bit | Field | Type | Reset | Description |
|---|---|---|---|---|
| 15:13 | Reserved | R/W | 00 | Reserved |
| 12:8 | RBD | R/W | 10011 | This controls the amount of elastic buffers being used in the JESD. Larger numbers will mean more latency; but smaller numbers may not hold enough data to capture the input skew. This value must always be ≤ mem_k |
| 7:0 | F_M1 | R/W | 0x00 | This is the number of octets in the frame - 1 |
| 15 | 14 | 13 | 12 | 11 | 10 | 9 | 8 |
| 0 | 0 | 0 | 0 | 0 | 0 | 0 | x |
| R/W | R/W | R/W | R/W | R/W | R/W | R/W | R/W |
| 7 | 6 | 5 | 4 | 3 | 2 | 1 | 0 |
| 0 | 1 | 0 | 0 | 1 | 1 | 0 | 0 |
| R/W | R/W | R/W | R/W | R/W | R/W | R/W | R/W |
| LEGEND: R/W = Read/Write; R = Read only; -n = value after reset |
| Bit | Field | Type | Reset | Description |
|---|---|---|---|---|
| 15:13 | Reserved | R/W | 000 | Reserved |
| 12:8 | K_M1 | R/W | 10011 | The number of frames in a multi-frame - 1. 0 ≤ k - 1 < 32 |
| 7:5 | Reserved | R/W | 0 | Reserved |
| 4:0 | L_M1 | R/W | 00011 | The number of lanes used by the JESD - 1. 0 ≤ L -1 < 8 |
| 15 | 14 | 13 | 12 | 11 | 10 | 9 | 8 |
| 0 | 0 | 0 | 0 | 0 | 0 | 0 | 0 |
| R/W | R/W | R/W | R/W | R/W | R/W | R/W | R/W |
| 7 | 6 | 5 | 4 | 3 | 2 | 1 | 0 |
| 0 | 1 | 0 | 0 | 1 | 1 | 0 | 1 |
| R/W | R/W | R/W | R/W | R/W | R/W | R/W | R/W |
| LEGEND: R/W = Read/Write; R = Read only; -n = value after reset |
| Bit | Field | Type | Reset | Description |
|---|---|---|---|---|
| 15:8 | M_M1 | R/W | 0x01 | The number of streams per frame - 1. 0 ≤ M - 1 < 256 |
| 7:5 | Reserved | R/W | 000 | Reserved |
| 4:0 | S_M1 | R/W | 00000 | The number of samples per stream per frame - 1. |
| 15 | 14 | 13 | 12 | 11 | 10 | 9 | 8 |
| 0 | 0 | 0 | 0 | 0 | 0 | 0 | 0 |
| R/W | R/W | R/W | R/W | R/W | R/W | R/W | R/W |
| 7 | 6 | 5 | 4 | 3 | 2 | 1 | 0 |
| 0 | 1 | 0 | 0 | 1 | 1 | 1 | 0 |
| R/W | R/W | R/W | R/W | R/W | R/W | R/W | R/W |
| LEGEND: R/W = Read/Write; R = Read only; -n = value after reset |
| Bit | Field | Type | Reset | Description |
|---|---|---|---|---|
| 15:13 | Reserved | R/W | 000 | Reserved |
| 12:8 | NPRIME_M1 | R/W | 01111 | The number of adjusted bits per sample - 1 |
| 7 | Reserved | R/W | 0 | Reserved |
| 6 | HD | R/W | 1 | High density mode. Samples can cross the lane boundary |
| 5 | SCR | R/W | 0 | Turn on the scrambler |
| 4:0 | N_M1 | R/W | 01111 | The number of bits per sample - 1 |
| 15 | 14 | 13 | 12 | 11 | 10 | 9 | 8 |
| 0 | 0 | 0 | 0 | 0 | 0 | 0 | x |
| R/W | R/W | R/W | R/W | R/W | R/W | R/W | R/W |
| 7 | 6 | 5 | 4 | 3 | 2 | 1 | 0 |
| 0 | 1 | 0 | 0 | 1 | 1 | 1 | 1 |
| R/W | R/W | R/W | R/W | R/W | R/W | R/W | R/W |
| LEGEND: R/W = Read/Write; R = Read only; -n = value after reset |
| Bit | Field | Type | Reset | Description |
|---|---|---|---|---|
| 15:8 | MATCH_DATA | R/W | 0x1C | The character to match for buffer release. Normally it is a /R/=/K28.0/-0x1C but with these bits the user can program the value. |
| 7 | MATCH_SPECIFIC | R/W | 1 | Match a specific charater to start the JESD buffering when asserted; otherwise the first non-K will start the buffering. |
| 6 | MATCH_CTRL | R/W | 1 | When asserted the match character is a CONTROL character instead of a DATA character. |
| 5 | NO_LANE_SYNC | R/W | 0 | Assert if the TX side does not support lane initialization. This way the RX won’t flag errors in the configuration portion of the ILA. |
| 4:2 | Not Used | R/W | 000 | Not Used |
| 1 | MIN_LATENCY_ENA | R/W | 0 | Enable minimum latency when set. This is needed for subclass 0 support. |
| 0 | JESD_COMMAALIGN_ENA | R/W | 1 | When asserted the JESD block SERDES comma align signal will be added with the SERDES ALIGN bit(0) to control when to shut off comma alignment. When this bit is deasserted; then the programmed bit(spi_config62(11)) is the only control. |
| 15 | 14 | 13 | 12 | 11 | 10 | 9 | 8 |
| 0 | 0 | 0 | 0 | 0 | 0 | 0 | x |
| R/W | R/W | R/W | R/W | R/W | R/W | R/W | R/W |
| 7 | 6 | 5 | 4 | 3 | 2 | 1 | 0 |
| 0 | 1 | 0 | 1 | 0 | 0 | 0 | 0 |
| R/W | R/W | R/W | R/W | R/W | R/W | R/W | R/W |
| LEGEND: R/W = Read/Write; R = Read only; -n = value after reset |
| Bit | Field | Type | Reset | Description |
|---|---|---|---|---|
| 15-12 | ADJCNT | R/W | 0x0 | Lane configuration data for link. Reserved by DAC38RF8x except for lane configuration checking. |
| 11 | ADJDIR | R/W | 0 | Lane configuration data for link. Reserved by DAC38RF8x except for lane configuration checking. |
| 10-7 | BID | R/W | 0x0 | Lane configuration data for link. Reserved by DAC38RF8x except for lane configuration checking. |
| 6-2 | CF | R/W | 00000 | Lane configuration data for link. Reserved by DAC38RF8x except for lane configuration checking. |
| 1-0 | CS | R/W | 00 | Lane configuration data for link. Reserved by DAC38RF8x except for lane configuration checking. |
| 15 | 14 | 13 | 12 | 11 | 10 | 9 | 8 |
| 0 | 0 | 0 | 0 | 0 | 0 | 0 | x |
| R/W | R/W | R/W | R/W | R/W | R/W | R/W | R/W |
| 7 | 6 | 5 | 4 | 3 | 2 | 1 | 0 |
| 0 | 1 | 0 | 1 | 0 | 0 | 0 | 1 |
| R/W | R/W | R/W | R/W | R/W | R/W | R/W | R/W |
| LEGEND: R/W = Read/Write; R = Read only; -n = value after reset |
| Bit | Field | Type | Reset | Description |
|---|---|---|---|---|
| 15:8 | DID | R/W | 0x00 | Lane configuration |
| 7:0 | SYNC_REQUEST | R/W | 0xFF | These bits select which errors cause a sync request. Sync requests take priority over the error notification; so if sync request isn’t desired; set these bits to a ‘0’. bit 7 = multi-frame alignment error bit 6 = frame alignment error bit 5 = link configuration error bit 4 = elastic buffer overflow (bad RBD value) bit 3 = elastic buffer end char mismatch (match_ctrl match_data) bit 2 = code synchronization error bit 1 = 8b/10b not-in-table code error bit 0 = 8b/10b disparity error |
| 15 | 14 | 13 | 12 | 11 | 10 | 9 | 8 |
| 0 | 0 | 0 | 0 | 0 | 0 | 0 | x |
| R/W | R/W | R/W | R/W | R/W | R/W | R/W | R/W |
| 7 | 6 | 5 | 4 | 3 | 2 | 1 | 0 |
| 0 | 1 | 0 | 1 | 0 | 0 | 1 | 0 |
| R/W | R/W | R/W | R/W | R/W | R/W | R/W | R/W |
| LEGEND: R/W = Read/Write; R = Read only; -n = value after reset |
| Bit | Field | Type | Reset | Description |
|---|---|---|---|---|
| 15:10 | Reserved | R/W | 000000 | Reserved |
| 9 | DISABLE_ERR_RPT | R/W | 0 | Assertion means that errors will not be reported on the sync_n output. |
| 8 | PHADJ | R/W | 0 | Lane configuration |
| 7:0 | ERR_ENA | R/W | 0xFF | These bits select the errors generated are counted in the err_c for the link. The bits also control what signals are sent out the pad_syncb pin for error notification. bit 7 = multi-frame alignment error bit 6 = frame alignment error bit 5 = link configuration error bit 4 = elastic buffer overflow (bad RBD value) bit 3 = elastic buffer end char mismatch (match_ctrl match_data) bit 2 = code synchronization error bit 1 = 8b/10b not-in-table code error bit 0 = 8b/10b disparity error |
| 15 | 14 | 13 | 12 | 11 | 10 | 9 | 8 |
| 0 | 0 | 0 | 0 | 0 | 0 | 0 | x |
| R/W | R/W | R/W | R/W | R/W | R/W | R/W | R/W |
| 7 | 6 | 5 | 4 | 3 | 2 | 1 | 0 |
| 0 | 1 | 0 | 1 | 0 | 0 | 1 | 1 |
| R/W | R/W | R/W | R/W | R/W | R/W | R/W | R/W |
| LEGEND: R/W = Read/Write; R = Read only; -n = value after reset |
| Bit | Field | Type | Reset | Description |
|---|---|---|---|---|
| 15:8 | ILA_M | R/W | 0x01 | JESD M-1 configuration value used only for ILA checking; may be set independently of the actual JESD mode |
| 7:0 | ILA_F | R/W | 0x00 | JESD F-1 configuration value used only for ILA checking; may be set independently of the actual JESD mode |
| 15 | 14 | 13 | 12 | 11 | 10 | 9 | 8 |
| 0 | 0 | 0 | 0 | 0 | 0 | 0 | x |
| R/W | R/W | R/W | R/W | R/W | R/W | R/W | R/W |
| 7 | 6 | 5 | 4 | 3 | 2 | 1 | 0 |
| 0 | 1 | 0 | 1 | 0 | 1 | 0 | 0 |
| R/W | R/W | R/W | R/W | R/W | R/W | R/W | R/W |
| LEGEND: R/W = Read/Write; R = Read only; -n = value after reset |
| Bit | Field | Type | Reset | Description |
|---|---|---|---|---|
| 15 | ILA_HD | R/W | 1 | JESD HD configuration value used only for ILA checking; may be set independently of the actual JESD mode |
| 14:10 | ILA_L | R/W | 00011 | JESD L-1 configuration value used only for ILA checking; may be set independently of the actual JESD mode |
| 9:5 | ILA_K | R/W | 10011 | JESD K-1 configuration value used only for ILA checking; may be set independently of the actual JESD mode |
| 4:0 | ILA_S | R/W | 00000 | JESD S-1 configuration value used only for ILA checking; may be set independently of the actual JESD mode |
| 15 | 14 | 13 | 12 | 11 | 10 | 9 | 8 |
| 0 | 0 | 0 | 0 | 0 | 0 | 0 | x |
| R/W | R/W | R/W | R/W | R/W | R/W | R/W | R/W |
| 7 | 6 | 5 | 4 | 3 | 2 | 1 | 0 |
| 0 | 1 | 0 | 1 | 1 | 1 | 0 | 0 |
| R/W | R/W | R/W | R/W | R/W | R/W | R/W | R/W |
| LEGEND: R/W = Read/Write; R = Read only; -n = value after reset |
| Bit | Field | Type | Reset | Description |
|---|---|---|---|---|
| 15:4 | Reserved | R/W | 0x000 | Reserved |
| 3 | ERR_CNT_CLR | R/W | 0 | A transition from 0->1 causes the error_cnt to be cleared |
| 2:0 | SYSREF_MODE | R/W | 001 | Determines how SYSREF is used in the JESD synchronizing block. 000 = Don’t use SYSREF pulse 001 = Use all SYSREF pulses 010 = Use only the next SYSREF pulse 011 = Skip one SYSREF pulse then use only the next one 100 = Skip one SYSREF pulse then use all pulses. 101 = skip two SYSREFs and then use one 110 = skip two SYSREFs and then use all |
| 15 | 14 | 13 | 12 | 11 | 10 | 9 | 8 |
| Reserved | 0 | 0 | 0 | Reserved | 0 | 0 | x |
| R/W | R/W | R/W | R/W | R/W | R/W | R/W | R/W |
| 7 | 6 | 5 | 4 | 3 | 2 | 1 | 0 |
| 0 | 1 | 0 | 1 | 1 | 1 | 1 | 1 |
| R/W | R/W | R/W | R/W | R/W | R/W | R/W | R/W |
| LEGEND: R/W = Read/Write; R = Read only; -n = value after reset |
| Bit | Field | Type | Reset | Description |
|---|---|---|---|---|
| 15 | Reserved | R/W | 0 | Reserved |
| 14:12 | OCTETPATH0_SEL | R/W | 000 | These bits are used by the cross-bar switch to map any lane to any other lane. The 3 bit term tells the mapper block what lane this particular lane is supposed to be treated as. 000 = treat as lane0 001 = treat as lane1 010 = treat as lane2 011 = treat as lane3 100 = treat as lane4 101 = treat as lane5 110 = treat as lane6 111 = treat as lane7 |
| 11 | Reserved | R/W | 0 | Reserved |
| 10:8 | OCTETPATH1_SEL | R/W | 001 | These bits are used by the cross-bar switch to map any lane to any other lane. The 3 bit term tells the mapper block what lane this particular lane is supposed to be treated as. 000 = treat as lane0 001 = treat as lane1 010 = treat as lane2 011 = treat as lane3 100 = treat as lane4 101 = treat as lane5 110 = treat as lane6 111 = treat as lane7 |
| 7 | Reserved | R/W | 0 | Reserved |
| 6:4 | OCTETPATH2_SEL | R/W | 010 | These bits are used by the cross-bar switch to map any lane to any other lane. The 3 bit term tells the mapper block what lane this particular lane is supposed to be treated as. 000 = treat as lane0 001 = treat as lane1 010 = treat as lane2 011 = treat as lane3 100 = treat as lane4 101 = treat as lane5 110 = treat as lane6 111 = treat as lane7 |
| 3 | Reserved | R/W | 0 | Reserved |
| 2:0 | OCTETPATH3_SEL | R/W | 011 | These bits are used by the cross-bar switch to map any lane to any other lane. The 3 bit term tells the mapper block what lane this particular lane is supposed to be treated as. 000 = treat as lane0 001 = treat as lane1 010 = treat as lane2 011 = treat as lane3 100 = treat as lane4 101 = treat as lane5 110 = treat as lane6 111 = treat as lane7 |
| 15 | 14 | 13 | 12 | 11 | 10 | 9 | 8 |
| 0 | 0 | 0 | 0 | 0 | 0 | 0 | x |
| R/W | R/W | R/W | R/W | R/W | R/W | R/W | R/W |
| 7 | 6 | 5 | 4 | 3 | 2 | 1 | 0 |
| 0 | 1 | 1 | 0 | 0 | 0 | 0 | 1 |
| R/W | R/W | R/W | R/W | R/W | R/W | R/W | R/W |
| LEGEND: R/W = Read/Write; R = Read only; -n = value after reset |
| Bit | Field | Type | Reset | Description |
|---|---|---|---|---|
| 15 | Reserved | R/W | 0 | Reserved |
| 14:12 | OCTETPATH4_SEL | R/W | 100 | These bits are used by the cross-bar switch to map any lane to any other lane. The 3 bit term tells the mapper block what lane this particular lane is supposed to be treated as. 000 = treat as lane0 001 = treat as lane1 010 = treat as lane2 011 = treat as lane3 100 = treat as lane4 101 = treat as lane5 110 = treat as lane6 111 = treat as lane7 |
| 11 | Reserved | R/W | 0 | Reserved |
| 10:8 | OCTETPATH5_SEL | R/W | 101 | These bits are used by the cross-bar switch to map any lane to any other lane. The 3 bit term tells the mapper block what lane this particular lane is supposed to be treated as. 000 = treat as lane0 001 = treat as lane1 010 = treat as lane2 011 = treat as lane3 100 = treat as lane4 101 = treat as lane5 110 = treat as lane6 111 = treat as lane7 |
| 7 | Reserved | R/W | 0 | Reserved |
| 6:4 | OCTETPATH6_SEL | R/W | 110 | These bits are used by the cross-bar switch to map any lane to any other lane. The 3 bit term tells the mapper block what lane this particular lane is supposed to be treated as. 000 = treat as lane0 001 = treat as lane1 010 = treat as lane2 011 = treat as lane3 100 = treat as lane4 101 = treat as lane5 110 = treat as lane6 111 = treat as lane7 |
| 3 | Reserved | R/W | 0 | Reserved |
| 2:0 | OCTETPATH7_SEL | R/W | 111 | These bits are used by the cross-bar switch to map any lane to any other lane. The 3 bit term tells the mapper block what lane this particular lane is supposed to be treated as. 000 = treat as lane0 001 = treat as lane1 010 = treat as lane2 011 = treat as lane3 100 = treat as lane4 101 = treat as lane5 110 = treat as lane6 111 = treat as lane7 |
| 15 | 14 | 13 | 12 | 11 | 10 | 9 | 8 |
| 0 | 0 | 0 | 0 | 0 | 0 | 0 | x |
| W0C | W0C | W0C | W0C | W0C | W0C | W0C | W0C |
| 7 | 6 | 5 | 4 | 3 | 2 | 1 | 0 |
| 0 | 1 | 1 | 0 | 0 | 1 | 0 | 0 |
| W0C | W0C | W0C | W0C | W0C | W0C | W0C | W0C |
| LEGEND: R/W = Read/Write; R = Read only; W0C = Write 0 to clear bit; -n = value after reset; -n = value after reset |
| Bit | Field | Type | Reset | Description |
|---|---|---|---|---|
| 15:8 | ALM_LANE0_ERR | W0C | 0x00 | Lane0 errors: bit 15 = multiframe alignment error bit 14 = frame alignment error bit 13 = link configuration error bit 12 = elastic buffer overflow (bad RBD value) bit 11 = elastic buffer match error. The first non-/K/ doesn’t match “match_ctrl” and “match_data” programmed values. bit 10 = code synchronization error bit 9 = 8b/10b not-in-table code error bit 8 = 8b/10b disparity error |
| 7:4 | Reserved | W0C | 0x0 | Reserved |
| 3:0 | ALM_FIFO0_FLAGS | W0C | 0x0 | Lane0 FIFO errors: bit 3 = write_error : High if write request and FIFO is full (NOTE: only released when JESD block is initialize with mem_init_state) bit 2 = write_full : FIFO is FULL bit 1 = read_error : High if read request with empty FIFO (NOTE: only released when JESD block is initialize with mem_init_state) bit 0 = read_empty : FIFO is empty |
| 15 | 14 | 13 | 12 | 11 | 10 | 9 | 8 |
| 0 | 0 | 0 | 0 | 0 | 0 | 0 | x |
| W0C | W0C | W0C | W0C | W0C | W0C | W0C | W0C |
| 7 | 6 | 5 | 4 | 3 | 2 | 1 | 0 |
| 0 | 1 | 1 | 0 | 0 | 1 | 0 | 1 |
| W0C | W0C | W0C | W0C | W0C | W0C | W0C | W0C |
| LEGEND: R/W = Read/Write; R = Read only; W0C = Write 0 to clear bit; -n = value after reset; -n = value after reset |
| Bit | Field | Type | Reset | Description |
|---|---|---|---|---|
| 15:8 | ALM_LANE1_ERR | W0C | 0x00 | Lane1 errors: bit 15 = multiframe alignment error bit 14 = frame alignment error bit 13 = link configuration error bit 12 = elastic buffer overflow (bad RBD value) bit 11 = elastic buffer match error. The first non-/K/ doesn’t match “match_ctrl” and “match_data” programmed values. bit 10 = code synchronization error bit 9 = 8b/10b not-in-table code error bit 8 = 8b/10b disparity error |
| 7:4 | Reserved | W0C | 0x0 | Reserved |
| 3:0 | ALM_FIFO1_FLAGS | W0C | 0x0 | Lane1 FIFO errors: bit 3 = write_error : High if write request and FIFO is full (NOTE: only released when JESD block is initialize with mem_init_state) bit 2 = write_full : FIFO is FULL bit 1 = read_error : High if read request with empty FIFO (NOTE: only released when JESD block is initialize with mem_init_state) bit 0 = read_empty : FIFO is empty |
| 15 | 14 | 13 | 12 | 11 | 10 | 9 | 8 |
| 0 | 0 | 0 | 0 | 0 | 0 | 0 | x |
| W0C | W0C | W0C | W0C | W0C | W0C | W0C | W0C |
| 7 | 6 | 5 | 4 | 3 | 2 | 1 | 0 |
| 0 | 1 | 1 | 0 | 0 | 1 | 1 | 0 |
| W0C | W0C | W0C | W0C | W0C | W0C | W0C | W0C |
| LEGEND: R/W = Read/Write; R = Read only; W0C = Write 0 to clear bit; -n = value after reset; -n = value after reset |
| Bit | Field | Type | Reset | Description |
|---|---|---|---|---|
| 15:8 | ALM_LANE2_ERR | W0C | 0x00 | Lane2 errors: bit 15 = multiframe alignment error bit 14 = frame alignment error bit 13 = link configuration error bit 12 = elastic buffer overflow (bad RBD value) bit 11 = elastic buffer match error. The first non-/K/ doesn’t match “match_ctrl” and “match_data” programmed values. bit 10 = code synchronization error bit 9 = 8b/10b not-in-table code error bit 8 = 8b/10b disparity error |
| 7:4 | Reserved | W0C | 0x0 | Reserved |
| 3:0 | ALM_FIFO2_FLAGS | W0C | 0x0 | Lane2 FIFO errors: bit 3 = write_error : High if write request and FIFO is full (NOTE: only released when JESD block is initialize with mem_init_state) bit 2 = write_full : FIFO is FULL bit 1 = read_error : High if read request with empty FIFO (NOTE: only released when JESD block is initialize with mem_init_state) bit 0 = read_empty : FIFO is empty |
| 15 | 14 | 13 | 12 | 11 | 10 | 9 | 8 |
| 0 | 0 | 0 | 0 | 0 | 0 | 0 | x |
| W0C | W0C | W0C | W0C | W0C | W0C | W0C | W0C |
| 7 | 6 | 5 | 4 | 3 | 2 | 1 | 0 |
| 0 | 1 | 1 | 0 | 0 | 1 | 1 | 1 |
| W0C | W0C | W0C | W0C | W0C | W0C | W0C | W0C |
| LEGEND: R/W = Read/Write; R = Read only; W0C = Write 0 to clear bit; -n = value after reset; -n = value after reset |
| Bit | Field | Type | Reset | Description |
|---|---|---|---|---|
| 15:8 | ALM_LANE3_ERR | W0C | 0x00 | Lane3 errors: bit 15 = multiframe alignment error bit 14 = frame alignment error bit 13 = link configuration error bit 12 = elastic buffer overflow (bad RBD value) bit 11 = elastic buffer match error. The first non-/K/ doesn’t match “match_ctrl” and “match_data” programmed values. bit 10 = code synchronization error bit 9 = 8b/10b not-in-table code error bit 8 = 8b/10b disparity error |
| 7:4 | Reserved | W0C | 0x0 | Reserved |
| 3:0 | ALM_FIFO3_FLAGS | W0C | 0x0 | Lane3 FIFO errors: bit 3 = write_error : High if write request and FIFO is full (NOTE: only released when JESD block is initialize with mem_init_state) bit 2 = write_full : FIFO is FULL bit 1 = read_error : High if read request with empty FIFO (NOTE: only released when JESD block is initialize with mem_init_state) bit 0 = read_empty : FIFO is empty |
| 15 | 14 | 13 | 12 | 11 | 10 | 9 | 8 |
| 0 | 0 | 0 | 0 | 0 | 0 | 0 | x |
| W0C | W0C | W0C | W0C | W0C | W0C | W0C | W0C |
| 7 | 6 | 5 | 4 | 3 | 2 | 1 | 0 |
| 0 | 1 | 1 | 0 | 1 | 0 | 0 | 0 |
| W0C | W0C | W0C | W0C | W0C | W0C | W0C | W0C |
| LEGEND: R/W = Read/Write; R = Read only; W0C = Write 0 to clear bit; -n = value after reset; -n = value after reset |
| Bit | Field | Type | Reset | Description |
|---|---|---|---|---|
| 15:8 | ALM_LANE4_ERR | W0C | 0x00 | Lane4 errors: bit 15 = multiframe alignment error bit 14 = frame alignment error bit 13 = link configuration error bit 12 = elastic buffer overflow (bad RBD value) bit 11 = elastic buffer match error. The first non-/K/ doesn’t match “match_ctrl” and “match_data” programmed values. bit 10 = code synchronization error bit 9 = 8b/10b not-in-table code error bit 8 = 8b/10b disparity error |
| 7:4 | Reserved | W0C | 0x0 | Reserved |
| 3:0 | ALM_FIFO4_FLAGS | W0C | 0x0 | Lane4 FIFO errors: bit 3 = write_error : High if write request and FIFO is full (NOTE: only released when JESD block is initialize with mem_init_state) bit 2 = write_full : FIFO is FULL bit 1 = read_error : High if read request with empty FIFO (NOTE: only released when JESD block is initialize with mem_init_state) bit 0 = read_empty : FIFO is empty |
| 15 | 14 | 13 | 12 | 11 | 10 | 9 | 8 |
| 0 | 0 | 0 | 0 | 0 | 0 | 0 | x |
| W0C | W0C | W0C | W0C | W0C | W0C | W0C | W0C |
| 7 | 6 | 5 | 4 | 3 | 2 | 1 | 0 |
| 0 | 1 | 1 | 0 | 1 | 0 | 0 | 1 |
| W0C | W0C | W0C | W0C | W0C | W0C | W0C | W0C |
| LEGEND: R/W = Read/Write; R = Read only; W0C = Write 0 to clear bit; -n = value after reset; -n = value after reset |
| Bit | Field | Type | Reset | Description |
|---|---|---|---|---|
| 15:8 | ALM_LANE5_ERR | W0C | 0x00 | Lane5 errors: bit 15 = multiframe alignment error bit 14 = frame alignment error bit 13 = link configuration error bit 12 = elastic buffer overflow (bad RBD value) bit 11 = elastic buffer match error. The first non-/K/ doesn’t match “match_ctrl” and “match_data” programmed values. bit 10 = code synchronization error bit 9 = 8b/10b not-in-table code error bit 8 = 8b/10b disparity error |
| 7:4 | Reserved | W0C | 0x0 | Reserved |
| 3:0 | ALM_FIFO5_FLAGS | W0C | 0x0 | Lane5 FIFO errors: bit 3 = write_error : High if write request and FIFO is full (NOTE: only released when JESD block is initialize with mem_init_state) bit 2 = write_full : FIFO is FULL bit 1 = read_error : High if read request with empty FIFO (NOTE: only released when JESD block is initialize with mem_init_state) bit 0 = read_empty : FIFO is empty |
| 15 | 14 | 13 | 12 | 11 | 10 | 9 | 8 |
| 0 | 0 | 0 | 0 | 0 | 0 | 0 | x |
| W0C | W0C | W0C | W0C | W0C | W0C | W0C | W0C |
| 7 | 6 | 5 | 4 | 3 | 2 | 1 | 0 |
| 0 | 1 | 1 | 0 | 1 | 0 | 1 | 0 |
| W0C | W0C | W0C | W0C | W0C | W0C | W0C | W0C |
| LEGEND: R/W = Read/Write; R = Read only; W0C = Write 0 to clear bit; -n = value after reset; -n = value after reset |
| Bit | Field | Type | Reset | Description |
|---|---|---|---|---|
| 15:8 | ALM_LANE6_ERR | W0C | 0x00 | Lane6 errors: bit 15 = multiframe alignment error bit 14 = frame alignment error bit 13 = link configuration error bit 12 = elastic buffer overflow (bad RBD value) bit 11 = elastic buffer match error. The first non-/K/ doesn’t match “match_ctrl” and “match_data” programmed values. bit 10 = code synchronization error bit 9 = 8b/10b not-in-table code error bit 8 = 8b/10b disparity error |
| 7:4 | Reserved | W0C | 0x0 | Reserved |
| 3:0 | ALM_FIFO6_FLAGS | W0C | 0x0 | Lane6 FIFO errors: bit 3 = write_error : High if write request and FIFO is full (NOTE: only released when JESD block is initialize with mem_init_state) bit 2 = write_full : FIFO is FULL bit 1 = read_error : High if read request with empty FIFO (NOTE: only released when JESD block is initialize with mem_init_state) bit 0 = read_empty : FIFO is empty |
| 15 | 14 | 13 | 12 | 11 | 10 | 9 | 8 |
| 0 | 0 | 0 | 0 | 0 | 0 | 0 | x |
| W0C | W0C | W0C | W0C | W0C | W0C | W0C | W0C |
| 7 | 6 | 5 | 4 | 3 | 2 | 1 | 0 |
| 0 | 1 | 1 | 0 | 1 | 0 | 1 | 1 |
| W0C | W0C | W0C | W0C | W0C | W0C | W0C | W0C |
| LEGEND: R/W = Read/Write; R = Read only; W0C = Write 0 to clear bit; -n = value after reset; -n = value after reset |
| Bit | Field | Type | Reset | Description |
|---|---|---|---|---|
| 15:8 | ALM_LANE7_ERR | W0C | 0x00 | Lane7 errors: bit 15 = multiframe alignment error bit 14 = frame alignment error bit 13 = link configuration error bit 12 = elastic buffer overflow (bad RBD value) bit 11 = elastic buffer match error. The first non-/K/ doesn’t match “match_ctrl” and “match_data” programmed values. bit 10 = code synchronization error bit 9 = 8b/10b not-in-table code error bit 8 = 8b/10b disparity error |
| 7:4 | Reserved | W0C | 0x0 | Reserved |
| 3:0 | ALM_FIFO7_FLAGS | W0C | 0x0 | Lane7 FIFO errors: bit 3 = write_error : High if write request and FIFO is full (NOTE: only released when JESD block is initialize with mem_init_state) bit 2 = write_full : FIFO is FULL bit 1 = read_error : High if read request with empty FIFO (NOTE: only released when JESD block is initialize with mem_init_state) bit 0 = read_empty : FIFO is empty |
| 15 | 14 | 13 | 12 | 11 | 10 | 9 | 8 |
| 0 | 0 | 0 | 0 | 0 | 0 | 0 | x |
| W0C | W0C | W0C | W0C | W0C | W0C | W0C | W0C |
| 7 | 6 | 5 | 4 | 3 | 2 | 1 | 0 |
| 0 | 1 | 1 | 0 | 1 | 1 | 0 | 0 |
| W0C | W0C | W0C | W0C | W0C | W0C | W0C | W0C |
| LEGEND: R/W = Read/Write; R = Read only; W0C = Write 0 to clear bit; -n = value after reset; -n = value after reset |
| Bit | Field | Type | Reset | Description |
|---|---|---|---|---|
| 15:13 | Reserved | W0C | 0 | Reserved |
| 12 | ALM_SYSREF_ERR | W0C | Alarm caused when the sysref is placed at an incorrect location | |
| 11 | ALM_FROM_SHORTTEST | W0C | This is the alarm from JESD during the SHORT TEST checking. | |
| 10:7 | ALM_PAP | W0C | 0x0 | The alarms from the PAP blocks indicated which PAP was triggered. bit0 = PAPA bit1 = PAPB bit2 = PAPC bit3 = PAPD |
| 6:2 | Reserved | W0C | 0x0 | Reserved |
| 1 | ALM_DIV192_ZERO | W0C | 0 | This is asserted if the clkdiv192 in the CDRV_SER shift register is all zeros. |
| 0 | Not Used | W0C | 0 | Not Used |
| 15 | 14 | 13 | 12 | 11 | 10 | 9 | 8 |
| 0 | 0 | 0 | 0 | 0 | 0 | 0 | x |
| W0C | W0C | W0C | W0C | W0C | W0C | W0C | W0C |
| 7 | 6 | 5 | 4 | 3 | 2 | 1 | 0 |
| 0 | 1 | 1 | 0 | 1 | 1 | 0 | 1 |
| W0C | W0C | W0C | W0C | W0C | W0C | W0C | W0C |
| LEGEND: R/W = Read/Write; R = Read only; W0C = Write 0 to clear bit; -n = value after reset; -n = value after reset |
| Bit | Field | Type | Reset | Description |
|---|---|---|---|---|
| 15 | ALM_DIV8_ZERO | W0C | 0 | Asserted if the clkdiv8 in the CDRV_SER shift register is all zeros. |
| 14 | ALM_DIV12_ZERO | W0C | 0 | Asserted if the clkdiv12 in the CDRV_SER shift register is all zeros. |
| 13 | ALM_DIV16_ZERO | W0C | 0 | Asserted if the clkdiv16 in the CDRV_SER shift register is all zeros. |
| 12 | ALM_DIV24_ZERO | W0C | 0 | Asserted if the clkdiv24 in the CDRV_SER shift register is all zeros. (Connected to the div18 port) |
| 11 | ALM_DIV20_ZERO | W0C | 0 | Asserted if the clkdiv20 in the CDRV_SER shift register is all zeros. |
| 10 | ALM_DIV32_ZERO | W0C | 0 | Asserted if the clkdiv32 in the CDRV_SER shift register is all zeros. |
| 9 | ALM_DIV36_ZERO | W0C | 0 | Asserted if the clkdiv36 in the CDRV_SER shift register is all zeros. |
| 8 | ALM_DIV40_ZERO | W0C | 0 | Asserted if the clkdiv40 in the CDRV_SER shift register is all zeros. |
| 7 | ALM_DIV48_ZERO | W0C | 0 | Asserted if the clkdiv48 in the CDRV_SER shift register is all zeros. |
| 6 | ALM_DIV64_ZERO | W0C | 0 | Asserted if the clkdiv64 in the CDRV_SER shift register is all zeros. |
| 5 | ALM_DIV72_ZERO | W0C | 0 | Asserted if the clkdiv72 in the CDRV_SER shift register is all zeros. |
| 4 | ALM_DIV80_ZERO | W0C | 0 | Asserted if the clkdiv80 in the CDRV_SER shift register is all zeros. |
| 3 | ALM_DIV96_ZERO | W0C | 0 | Asserted if the clkdiv96 in the CDRV_SER shift register is all zeros. |
| 2 | ALM_DIV128_ZERO | W0C | 0 | Asserted if the clkdiv128 in the CDRV_SER shift register is all zeros. |
| 1 | ALM_DIV144_ZERO | W0C | 0 | Asserted if the clkdiv144 in the CDRV_SER shift register is all zeros. |
| 0 | ALM_DIV160_ZERO | W0C | 0 | Asserted if the clkdiv160 in the CDRV_SER shift register is all zeros. |
| 15 | 14 | 13 | 12 | 11 | 10 | 9 | 8 |
| 0 | 0 | 0 | 0 | 0 | 0 | 0 | x |
| R/W | R/W | R/W | R/W | R/W | R/W | R/W | R/W |
| 7 | 6 | 5 | 4 | 3 | 2 | 1 | 0 |
| 0 | 0 | 0 | 0 | 1 | 0 | 1 | 0 |
| R/W | R/W | R/W | R/W | R/W | R/W | R/W | R/W |
| LEGEND: R/W = Read/Write; R = Read only; -n = value after reset |
| 15 | 14 | 13 | 12 | 11 | 10 | 9 | 8 |
| 0 | 0 | 0 | 0 | 0 | 0 | 0 | x |
| R/W | R/W | R/W | R/W | R/W | R/W | R/W | R/W |
| 7 | 6 | 5 | 4 | 3 | 2 | 1 | 0 |
| 0 | 0 | 0 | 0 | 1 | 0 | 1 | 1 |
| R/W | R/W | R/W | R/W | R/W | R/W | R/W | R/W |
| LEGEND: R/W = Read/Write; R = Read only; -n = value after reset |
| Bit | Field | Type | Reset | Description |
|---|---|---|---|---|
| 15:9 | Reserved | RW | 0000000 | Reserved |
| 8 | VBGR_SLEEP | RW | 0 | Turns off the 'bandgap-over-R' bias |
| 7 | Reserved | RW | 0 | Reserved |
| 6 | TSENSE_SLEEP | RW | 0 | Turns off the temperature sensor |
| 5 | PLL_SLEEP | RW | 1 | Puts the PLL into sleep mode (FUSE Controlled) |
| 4 | CLKRECV_SLEEP | RW | 0 | When asserted the clock input receiver gets put into sleep mode. This also affects the FIFO_OSTR receiver as well. |
| 3 | DACA_SLEEP | RW | 0 | Puts the DACA into sleep mode |
| 2 | DACB_SLEEP | RW | 0 | Puts the DACB into sleep mode |
| 1 | CLK_TX_SLEEP | RW | 1 | When asserted the PLL TX clock output is in low power mode. |
| 0 | Reserved | RW | 0 | Reserved |
| 15 | 14 | 13 | 12 | 11 | 10 | 9 | 8 |
| 0 | 0 | 0 | 0 | 0 | 0 | 0 | x |
| R/W | R/W | R/W | R/W | R/W | R/W | R/W | R/W |
| 7 | 6 | 5 | 4 | 3 | 2 | 1 | 0 |
| 0 | 0 | 0 | 0 | 1 | 1 | 0 | 0 |
| R/W | R/W | R/W | R/W | R/W | R/W | R/W | R/W |
| LEGEND: R/W = Read/Write; R = Read only; -n = value after reset |
| Bit | Field | Type | Reset | Description |
|---|---|---|---|---|
| 15 | CLK_TX_IDLE | R/W | 1 | When high puts the CLK_TX circuitry in idle mode during which the CLKTX+ and CLKTX- output pins are driven to the proper common-mode levels in order to charge the external AC coupling caps. When low allows the divided clock to be driven onto the CLKTX+ and CLKTX- output pins. |
| 14:13 | CLK_TX_DIVSELECT | R/W | 01 | Selects either div2, div3 or div 4 output. 00 = divided by 3 01 = divided by 4 10 = divided by 2 11 = not valid |
| 12 | Reserved | R/W | 0 | Reserved |
| 11:8 | CLK_TX_SWING | R/W | 0x0 | Sets desired swing on CLKTX+ and CLKTX- outputs in mVpp-diff 0x0 125 0x1 232 0x2 337 0x3 440 0x4 540 0x5 639 0x6 736 0x7 831 0x8 924 0x9 1012 0xA 1097 0xB 1178 0xC 1255 0xD 1329 0xE 1398 0xF 1462 |
| 7:3 | Reserved | R/W | 00000 | Reserved |
| 2 | CLK_TX_FLIP | R/W | 0 | Flips the polarity of CLKTX |
| 1 | TX_SYNC_ENA | R/W | 1 | Syncs the CLKTX with SYSREF when asserted |
| 0 | EXTREF_ENA | R/W | 0 | Allows the chip to use an external refernce(1) or the internal reference(0) |
| 15 | 14 | 13 | 12 | 11 | 10 | 9 | 8 |
| 0 | 0 | 0 | 0 | 0 | 0 | 0 | x |
| R/W | R/W | R/W | R/W | R/W | R/W | R/W | R/W |
| 7 | 6 | 5 | 4 | 3 | 2 | 1 | 0 |
| 0 | 0 | 0 | 0 | 1 | 1 | 0 | 1 |
| R/W | R/W | R/W | R/W | R/W | R/W | R/W | R/W |
| LEGEND: R/W = Read/Write; R = Read only; -n = value after reset |
| Bit | Field | Type | Reset | Description |
|---|---|---|---|---|
| 15:12 | DACFS | R/W | 0xF | Scales the output current is 16 equal steps from 10-40mA (10mA + 2mA*DACFS) |
| 10:0 | Reserved | R/W | 0x000 | Reserved |
| 15 | 14 | 13 | 12 | 11 | 10 | 9 | 8 |
| 0 | 0 | 0 | 0 | 0 | 0 | 0 | x |
| R/W | R/W | R/W | R/W | R/W | R/W | R/W | R/W |
| 7 | 6 | 5 | 4 | 3 | 2 | 1 | 0 |
| 0 | 0 | 0 | 0 | 1 | 1 | 0 | 1 |
| R/W | R/W | R/W | R/W | R/W | R/W | R/W | R/W |
| LEGEND: R/W = Read/Write; R = Read only; -n = value after reset |
| Bit | Field | Type | Reset | Description |
|---|---|---|---|---|
| 15:4 | Reserved | R/W | 0x00 | Reserved |
| 3 | LCMGEN_ENA | R/W | 0 | Enables the LCM custom logic |
| 2 | LCMGEN_RESET | R/W | 0 | Reset the LCM custom logic |
| 1 | LCMGEN_SPI_SYSREF_ENA | R/W | 0 | TBD |
| 0 | LCM_SYSREF_OUTSEL | R/W | 0 | Chooses between internal and external SYSREF |
| 15 | 14 | 13 | 12 | 11 | 10 | 9 | 8 |
| 0 | 0 | 0 | 0 | 0 | 0 | 0 | x |
| R/W | R/W | R/W | R/W | R/W | R/W | R/W | R/W |
| 7 | 6 | 5 | 4 | 3 | 2 | 1 | 0 |
| 0 | 0 | 0 | 0 | 1 | 1 | 0 | 1 |
| R/W | R/W | R/W | R/W | R/W | R/W | R/W | R/W |
| LEGEND: R/W = Read/Write; R = Read only; -n = value after reset |
| Bit | Field | Type | Reset | Description |
|---|---|---|---|---|
| 15:0 | LCMGEN_DIV | R/W | 0x00 | Counter setting for the LCMGEN block |
| 15 | 14 | 13 | 12 | 11 | 10 | 9 | 8 |
| 0 | 0 | 0 | 0 | 0 | 0 | 0 | x |
| R/W | R/W | R/W | R/W | R/W | R/W | R/W | R/W |
| 7 | 6 | 5 | 4 | 3 | 2 | 1 | 0 |
| 0 | 0 | 0 | 0 | 1 | 1 | 0 | 1 |
| R/W | R/W | R/W | R/W | R/W | R/W | R/W | R/W |
| LEGEND: R/W = Read/Write; R = Read only; -n = value after reset |
| Bit | Field | Type | Reset | Description |
|---|---|---|---|---|
| 15:1 | Reserved | R/W | 0x00 | Reserved |
| 0 | LCMGEN_SPI_SYSREF | R/W | 0 | SPI SYSREF for the LCMGEN block |
| 15 | 14 | 13 | 12 | 11 | 10 | 9 | 8 |
| 0 | 0 | 0 | 0 | 0 | 0 | 0 | x |
| R/W | R/W | R/W | R/W | R/W | R/W | R/W | R/W |
| 7 | 6 | 5 | 4 | 3 | 2 | 1 | 0 |
| 0 | 0 | 0 | 1 | 1 | 0 | 1 | 1 |
| R/W | R/W | R/W | R/W | R/W | R/W | R/W | R/W |
| LEGEND: R/W = Read/Write; R = Read only; -n = value after reset |
| Bit | Field | Type | Reset | Description |
|---|---|---|---|---|
| 15 | Reserved | R/W | 0 | Reserved |
| 14:12 | DTEST_LANE | R/W | 000 | Selects the lane to check for the signals selected by field DTEST |
| 11:8 | DTEST | R/W | 0x0 | Allows digital test signals to come out the ALARM pin. 0000 : Test disabled; normal ALARM pin function 0001 : SERDES lanes 0 – 3 PLL clock/80 0010 : SERDES lanes 4 – 7 PLL clock/80 0011 : TESTFAIL (lane selected by field DTEST_LANE) 0100 : SYNC (lane selected by field DTEST_LANE) 0101 : OCIP (lane selected by field DTEST_LANE) 0110 : EQUNDER (lane selected by field DTEST_LANE) 0111 : EQOVER (lane selected by field DTEST_LANE) 1000 – 1111 : not used |
| 7:0 | Reserved | R/W | 0x00 | Reserved |
These fields control the routing of the SLEEP signal to different blocks. Assertion means that the SLEEP signal will be sent to the block. These bits do not override the SPI bits; just the SLEEP signal from the PAD.
| 15 | 14 | 13 | 12 | 11 | 10 | 9 | 8 |
| 0 | 0 | 0 | 0 | 0 | 0 | 0 | x |
| R/W | R/W | R/W | R/W | R/W | R/W | R/W | R/W |
| 7 | 6 | 5 | 4 | 3 | 2 | 1 | 0 |
| 0 | 0 | 1 | 0 | 0 | 0 | 1 | 1 |
| R/W | R/W | R/W | R/W | R/W | R/W | R/W | R/W |
| LEGEND: R/W = Read/Write; R = Read only; -n = value after reset |
| Bit | Field | Type | Reset | Description |
|---|---|---|---|---|
| 15:10 | Reserved | R/W | 11111 | Reserved |
| 9 | CLKOUT_SLEEP | R/W | 1 | Allows the output clock to sleep |
| 8 | BG_SLEEP | R/W | 1 | Allows the band gap to sleep |
| 7 | TEMP_SLEEP | R/W | 1 | Allows the temp sensor to sleep |
| 6 | PLL_CP_SLEEP | R/W | 1 | Allows the PLL charge pump to sleep |
| 5 | PLL_SLEEP | R/W | 1 | Allows the PLL to sleep |
| 4 | CLK_RECV_SLEEP | R/W | 1 | Allows the clock receiver to sleep |
| 3:2 | Reserved | R/W | 11 | Reserved |
| 1 | DACB_SLEEP | R/W | 1 | Allows DACB to sleep |
| 0 | DACA_SLEEP | R/W | 1 | Allows DACA to sleep |
| 15 | 14 | 13 | 12 | 11 | 10 | 9 | 8 |
| 0 | 0 | 0 | 0 | 0 | 0 | 0 | x |
| R/W | R/W | R/W | R/W | R/W | R/W | R/W | R/W |
| 7 | 6 | 5 | 4 | 3 | 2 | 1 | 0 |
| 0 | 1 | 0 | 0 | 0 | 1 | 0 | 0 |
| R/W | R/W | R/W | R/W | R/W | R/W | R/W | R/W |
| LEGEND: R/W = Read/Write; R = Read only; -n = value after reset |
| Bit | Field | Type | Reset | Description |
|---|---|---|---|---|
| 15:14 | SYSR_PHASE_WDW | R/W | 00 | sysref phase alignment tolerance window Centers sysref capture window as follows: 00 = Centered on phase φ12 (**DEFAULT**) 01 = Centered on phase φ23 10 = Centered on phase φ34 11 = Centered on phase φ41 |
| 13:12 | SYSR_ALIGN_DLY | R/W | 01 | sysref alignment offset delay Optional alignment offset that allows system designer to work around hardware (e.g. PCB) alignment errors by letting him specify that the sysref pulse should be treated as occurring one device clock earlier or later than its observed position. Legal settings are as follows: 00 = Offset by -1 device clock cycles. Treat sysref as if it were captured 1 cycle earlier. 01 = No offset (**DEFAULT**) 10 = Offset by +1 device clock cycles. Treat sysref as if it were captured 1 cycle later. 11 = Reserved |
| 11 | SYSR_STATUS_ENA | R/W | 0 | Enable alignment status monitoring Enable logic that generates sysref alignment status information and accumulates statistics that can be read by the user. 0 = Disable sysref alignment status outputs (**DEFAULT**). Used during normal operation. 1 = Enable sysref alignment status outputs. Used when characterizing sysref capture timing. |
| 10:2 | Reserved | R/W | 0x000 | Reserved |
| 1 | SYSR_ALIGN_SYNC | R/W | 0 | Write a ‘1’ to this bit to clear accumulated sysref align statistics |
| 0 | SYSR_BYPS_ALIGN | R/W | 0 | Bypass sysref alignment logic. Bypass the 4x oversampled sysref alignment logic and instead capture the sysref signal using the legacy implementation of a flip-flop clocked directly by the rising edge of the device clock. 0 = Capture sysref using full-featured alignment circuit (**DEFAULT**) 1 = Bypass sysref alignment logic NOTE: When mem_sysref_bypass_align is enabled, the other sysref alignment controls have no effect. |
| 15 | 14 | 13 | 12 | 11 | 10 | 9 | 8 |
| 0 | 0 | 0 | 0 | 0 | 0 | 0 | x |
| R/W | R/W | R/W | R/W | R/W | R/W | R/W | R/W |
| 7 | 6 | 5 | 4 | 3 | 2 | 1 | 0 |
| 0 | 0 | 1 | 1 | 0 | 0 | 0 | 1 |
| R/W | R/W | R/W | R/W | R/W | R/W | R/W | R/W |
| LEGEND: R/W = Read/Write; R = Read only; -n = value after reset |
| Bit | Field | Type | Reset | Description |
|---|---|---|---|---|
| 15:14 | Reserved | R/W | 00 | Reserved |
| 13 | SEL_EXTCLK_DIFFSE | R/W | 0 | Selects the external differential or single ended clock for DACCLK. 0 = differential 1 = single ended |
| 12 | PLL_RESET | R/W | 0 | When set the M divider; N divider and PFD are held reset |
| 11 | PLL_NDIVSYNC_ENA | R/W | 0 | When asserted; the SYSREF input is used to sync the N dividers of the PLL. |
| 10 | PLL_ENA | R/W | 0 | Enables the PLL output as the DAC clock when set; the clock provided at the DACCLKP/N is used as the PLL reference clock. When cleared; the PLL is bypassed and the clock provided at the DACCLKP/N pins is used as the DAC clock |
| 9 | PLL_CP_SLEEP | R/W | 1 | Must be set to '0' for proper PLL operation. 1 = Charge pump is put to sleep and can be driven by external source through the ATEST pins. |
| 8 | Reserved | R/W | 0 | Reserved |
| 7:3 | PLL_N_M1 | R/W | 00000 | Reference clock divider; divide by is N+1 |
| 2:0 | LOCKDET_ADJ | R/W | 000 | Adjusts the lock detector sensitivity. Upper bit isn't used: x00 - highest sensitivity x11 - lowest sensitivity |
| 15 | 14 | 13 | 12 | 11 | 10 | 9 | 8 |
| 0 | 0 | 0 | 0 | 0 | 0 | 0 | x |
| R/W | R/W | R/W | R/W | R/W | R/W | R/W | R/W |
| 7 | 6 | 5 | 4 | 3 | 2 | 1 | 0 |
| 0 | 0 | 1 | 1 | 0 | 0 | 1 | 0 |
| R/W | R/W | R/W | R/W | R/W | R/W | R/W | R/W |
| LEGEND: R/W = Read/Write; R = Read only; -n = value after reset |
| Bit | Field | Type | Reset | Description |
|---|---|---|---|---|
| 15:8 | PLL_M_M1 | R/W | 0x03 | VCO feedback divider; divide by is 4(M+1) |
| 7:4 | Reserved | R/W | 0x0 | Reserved |
| 3:0 | PLL_VCO_RDAC | R/W | 0x8 | Controls the VCO amplitude |
| 15 | 14 | 13 | 12 | 11 | 10 | 9 | 8 |
| 0 | 0 | 0 | 0 | 0 | 0 | 0 | x |
| R/W | R/W | R/W | R/W | R/W | R/W | R/W | R/W |
| 7 | 6 | 5 | 4 | 3 | 2 | 1 | 0 |
| 0 | 0 | 1 | 1 | 0 | 0 | 1 | 1 |
| R/W | R/W | R/W | R/W | R/W | R/W | R/W | R/W |
| LEGEND: R/W = Read/Write; R = Read only; -n = value after reset |
| Bit | Field | Type | Reset | Description |
|---|---|---|---|---|
| 15 | PLL_VCOSEL | R/W | 0 | Selects between two VCOs 0 = 5.9 GHz VCO(2 turn inductor in upper VCO) 1 = 8.9 GHz VCO (1 turn in the lower VCO) |
| 14:8 | PLL_VCO | R/W | 1000000 | VCO frequency range |
| 7:6 | Reserved | R/W | 000 | Reserved |
| 5:2 | PLL_CP_ADJ | R/W | 0110 | Adjusts the charge pump current; 0 to 1.55 mA in 50 µA steps. Setting to 0000 will hold the LPF pin at 0 V |
| 1 | Reserved | R/W | 0 | Reserved |
| 0 | GSMPLL_ENA | R/W | 0 | Enables the GSM PLL (coupled VCOs) if asserted |
| 15 | 14 | 13 | 12 | 11 | 10 | 9 | 8 |
| 0 | 0 | 0 | 0 | 0 | 0 | 0 | x |
| R/W | R/W | R/W | R/W | R/W | R/W | R/W | R/W |
| 7 | 6 | 5 | 4 | 3 | 2 | 1 | 0 |
| 0 | 0 | 1 | 1 | 0 | 1 | 0 | 0 |
| R/W | R/W | R/W | R/W | R/W | R/W | R/W | R/W |
| LEGEND: R/W = Read/Write; R = Read only; -n = value after reset |
| Bit | Field | Type | Reset | Description |
|---|---|---|---|---|
| 15 | LVDS_LOPWRB | R/W | 0 | LVDS Output current control LSB; allows output current to be scaled from ~2 mA to ~4 mA |
| 14 | LVDS_LOPWRA | R/W | 0 | LVDS Output current control MSB; allows output current to be scaled from ~2 mA to ~4 mA |
| 13 | LVDS_LPSEL | R/W | 0 | SYNC LVDS output on chip termination control; 100 Ω when cleared; 200 Ω Output current settings for the combination of bits 15:13 110 = 4.00 mA 010 = 3.50 mA 100 = 3.00 mA 000 = 2.50 mA – Default current 111 = 4.00 mA 011 = 3.33 mA 101 = 2.66 mA 001 = 2.00 mA |
| 12 | LVDS_EFUSE_SEL | R/W | 0 | Enable LVDS bias bandgap reference voltage to the ATEST multiplexer. |
| 11:10 | LVDS_TRIM | R/W | 00 | Adjusts the LVDS 1.2 V reference. LVDS_TRIM_ENA must be set and LVDS_EFUSE_SEL must be cleared for these bits to have any effect. 10 +70 mV 00 -70 mV 01 default 11 -20 mV. |
| 9 | LVDS_TRIM_ENA | R/W | 0 | When set and LVDS_EFUSE_SEL is cleared; the LVDS_TRIM adjustment is enabled. When cleared; the LVDS_TRIM has no effect. |
| 8 | LVDS_SYNC0\_PD | R/W | 0 | The SYNC0 LVDS output is in power down. |
| 7 | Reserved | R/W | 0 | Reserved |
| 6 | LVDS_SYNC0\_CM | R/W | 0 | SYNC0 LVDS output common mode is 1.2 V when cleared; 0.9 V when set. |
| 5:0 | Reserved | R/W | 0x00 | Reserved |
| 15 | 14 | 13 | 12 | 11 | 10 | 9 | 8 |
| 0 | 0 | 0 | 0 | 0 | 0 | 0 | x |
| R/W | R/W | R/W | R/W | R/W | R/W | R/W | R/W |
| 7 | 6 | 5 | 4 | 3 | 2 | 1 | 0 |
| 0 | 0 | 1 | 1 | 1 | 0 | 1 | 1 |
| R/W | R/W | R/1W | R/W | R/W | R/W | R/W | R/W |
| LEGEND: R/W = Read/Write; R = Read only; -n = value after rese1t |
| Bit | Field | Type | Reset | Description |
|---|---|---|---|---|
| 15:8 | Reserved | R/W | 0 | Reserved |
| 7:0 | PLL_FDIV | R/W | 0x18 | Clock divider for the Fuse farm |
| 15 | 14 | 13 | 12 | 11 | 10 | 9 | 8 |
| 0 | 0 | 0 | 0 | 0 | 0 | 0 | x |
| R/W | R/W | R/W | R/W | R/W | R/W | R/W | R/W |
| 7 | 6 | 5 | 4 | 3 | 2 | 1 | 0 |
| 0 | 0 | 1 | 1 | 1 | 0 | 1 | 1 |
| R/W | R/W | R/1W | R/W | R/W | R/W | R/W | R/W |
| LEGEND: R/W = Read/Write; R = Read only; -n = value after rese1t |
| Bit | Field | Type | Reset | Description |
|---|---|---|---|---|
| 15 | SERDES_CLK_SEL | R/W | 0 | Select either the PLL output of the DACCLK from the pad. 0 = DACCLK pad 1 = PLL output |
| 14:11 | SERDES_REFCLK_DIV | R/W | 0x0 | The divide amount for the serdes REFCLK minus 1 |
| 10:2 | Reserved | R/W | 0x000 | Reserved |
| 1:0 | SERDES_REFCLK_PREDIV | R/W | 10 | These bits select the pre-divide on the DACCLK input clock before the DACCLK is used in the dividers used in the SERDES PLL REFCLK and the Fusefarm SYSCLK. 00 = if DACCLK input ≤ 2 GHz; prediv is set to div1 01 = if DACCLK input is ≤ 4 GHz and > 2 GHz, prediv is set to div2 10 = if DACCLK input is ≤ 9 GHz and > 4 GHz, prediv is set to div4 11 = Not valid |
| 15 | 14 | 13 | 12 | 11 | 10 | 9 | 8 |
| 0 | 0 | 0 | 0 | 0 | 0 | 0 | x |
| R/W | R/W | R/W | R/W | R/W | R/W | R/W | R/W |
| 7 | 6 | 5 | 4 | 3 | 2 | 1 | 0 |
| 0 | 0 | 1 | 1 | 1 | 1 | 0 | 0 |
| R/W | R/W | R/W | R/W | R/W | R/W | R/W | R/W |
| LEGEND: R/W = Read/Write; R = Read only; -n = value after reset |
| Bit | Field | Type | Reset | Description |
|---|---|---|---|---|
| 15 | ENDIVCLK | R/W | 1 | Enable divided by 5 output clock |
| 14:3 | CLKBYP | R/W | 00 | Serdes clock bypass |
| 12:11 | LB | R/W | 00 | Serdes PLL loop bandwidth |
| 10 | SLEEPPLL | R/W | 0 | Serdes PLL Sleep |
| 9 | VRANGE | R/W | 1 | Serdes PLL loop filter range |
| 8:1 | MPY | R/W | 00010100 | Serdes reference clock multiply factor |
| 0 | CORRECT | R/W | 0 | AND'ed with LANE_ENA so it must be set to 1 for correct behavior |
| 15 | 14 | 13 | 12 | 11 | 10 | 9 | 8 |
| 0 | 0 | 0 | 0 | 0 | 0 | 0 | x |
| R/W | R/W | R/W | R/W | R/W | R/W | R/W | R/W |
| 7 | 6 | 5 | 4 | 3 | 2 | 1 | 0 |
| 0 | 0 | 1 | 1 | 1 | 1 | 0 | 1 |
| R/W | R/W | R/W | R/W | R/W | R/W | R/W | R/W |
| LEGEND: R/W = Read/Write; R = Read only; -n = value after reset |
| Bit | Field | Type | Reset | Description |
|---|---|---|---|---|
| 15 | Reserved | R/W | 0 | Reserved |
| 14:12 | TESTPATT | R/W | 000 | Test pattern |
| 11 | BSINRXN | R/W | 0 | Enable boundary scan - pins |
| 10 | BSINRXP | R/W | 0 | Enable boundary scan + pins |
| 9:8 | Reserved | R/W | 00 | Reserved |
| 7 | ENOC | R/W | 1 | Enable Serdes offset compensation |
| 6 | EQHLD | R/W | 0 | Equalizer hold |
| 5:3 | EQ | R/W | 001 | Serdes equalizer |
| 2:0 | CDR | R/W | 000 | Clock data recovery algorithm settings |
| 15 | 14 | 13 | 12 | 11 | 10 | 9 | 8 |
| 0 | 0 | 0 | 0 | 0 | 0 | 0 | x |
| R/W | R/W | R/W | R/W | R/W | R/W | R/W | R/W |
| 7 | 6 | 5 | 4 | 3 | 2 | 1 | 0 |
| 0 | 0 | 1 | 1 | 1 | 1 | 1 | 0 |
| R/W | R/W | R/W | R/W | R/W | R/W | R/W | R/W |
| LEGEND: R/W = Read/Write; R = Read only; -n = value after reset |
| Bit | Field | Type | Reset | Description |
|---|---|---|---|---|
| 15:13 | LOS | R/W | 000 | Enables loss of signal detection. 000 - Enable detection 100 - Disable detection other - reserved |
| 12:11 | ALIGN | R/W | 01 | Enables external or internal symbol alignment 00 : Disabled 01 : Comma alignment 10: Align jog |
| 10:8 | TERM | R/W | 001 | Valid programming: 001 – AC coupling with common mode = 0.7 V 100 – 0 V common mode. 101 – 0.25 V common mode 111 – DC coupling with common mode of 0.6 V. (NOTE: This is not compatible with JESD) |
| 7 | Reserved | R/W | 0 | Reserved |
| 6:5 | RATE | R/W | 00 | Selects full (00), half (01), quarter (10) or eighth (11) rate operation. |
| 4:2 | BUSWIDTH | R/W | 010 | Selects the parallel interface width (16 or 20 bits). 0 : 20 bits 1: 16 bits |
| 1 | SLEEPRX | R/W | 0 | Powers the receiver down into the sleep (fast power up) state when high. |
| 0 | Reserved | R/W | 1 | Reserved |
| 15 | 14 | 13 | 12 | 11 | 10 | 9 | 8 |
| 0 | 0 | 0 | 0 | 0 | 0 | 0 | x |
| R/W | R/W | R/W | R/W | R/W | R/W | R/W | R/W |
| 7 | 6 | 5 | 4 | 3 | 2 | 1 | 0 |
| 0 | 0 | 1 | 1 | 1 | 1 | 1 | 1 |
| R/W | R/W | R/W | R/W | R/W | R/W | R/W | R/W |
| LEGEND: R/W = Read/Write; R = Read only; -n = value after reset |
| Bit | Field | Type | Reset | Description |
|---|---|---|---|---|
| 15:8 | Reserved | R/W | 0x00 | Reserved |
| 7:0 | INVPAIR | R/W | 0x00 | Allows the PN pairs of the different lanes to be inverted. bit 7 = lane7 bit 6 = lane6 bit 5 = lane5 bit 4 = lane4 bit 3 = lane3 bit 2 = lane2 bit 1 = lane1 bit 0 = lane0 |
| 15 | 14 | 13 | 12 | 11 | 10 | 9 | 8 |
| 0 | 0 | 0 | 0 | 0 | 0 | 0 | x |
| R/W | R/W | R/W | R/W | R/W | R/W | R/W | R/W |
| 7 | 6 | 5 | 4 | 3 | 2 | 1 | 0 |
| 0 | 0 | 1 | 1 | 1 | 0 | 1 | 1 |
| R/W | R/W | R/1W | R/W | R/W | R/W | R/W | R/W |
| LEGEND: R/W = Read/Write; R = Read only; -n = value after reset |
| Bit | Field | Type | Reset | Description |
|---|---|---|---|---|
| 15:2 | Reserved | R/W | 0x00 | Reserved |
| 1 | SYNCBOUT1 | R/W | 0 | If the CMOS SYNC outputs are turned on, this bit will show the status of the JESD SYNCB1 signal |
| 0 | SYNCBOUT0 | R/W | 0 | If the CMOS SYNC outputs are turned on, this bit will show the status of the JESD SYNCB0 signal |