ZHCSFZ0D December 2016 – December 2023 DAC38RF80 , DAC38RF83 , DAC38RF84 , DAC38RF85 , DAC38RF90 , DAC38RF93
PRODUCTION DATA
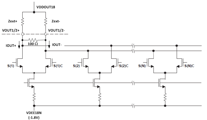
The DACs in the DAC38RFxx consist of a segmented array of NMOS current sources, capable of sinking a full-scale output current up to 40 mA (see Figure 7-27). Differential current switches direct the current to either one of the complimentary output nodes VOUT1/2+ or VOUT1/2-. On the DAC38RF80/90/84 with integrated balun, these output nodes are internal to the device. Complimentary output currents enable differential operation, thus canceling out common mode noise sources (digital feed-through, on-chip and PCB noise), dc offsets, even order distortion components, and increasing signal output power by a factor of four.
Figure 7-27 Current Steering DAC ArchitectureReferring to Figure 7-27, the total output current IOUTFS is fixed, and is switched to either the + or – output by switches S(N):

Since the output stage is a current sinking architecture, we will denote current into the DAC as + current, and the current flows IOUT+ and IOUT- into terminals VOUT1/2+ and VOUT1/2- respectively. IOUT+ and IOUT- can be expressed as:


where CODE is the decimal representation of the 14-bit DAC core data input word. Note the signal path up to the DAC is 16-bits and the 2 LSBs are truncated for the DAC core data input word.