ZHCSHB8A June   2017  – January 2018 CSD95495QVM

PRODUCTION DATA.  

  1. 1特性
  2. 2应用
  3. 3说明
    1.     典型功率级效率与功率损耗
  4. 4Revision History
  5. 5Pin Configuration and Functions
    1.     Pin Functions
  6. 6Specifications
    1. 6.1 Absolute Maximum Ratings
    2. 6.2 ESD Ratings
    3. 6.3 Recommended Operating Conditions
  7. 7Application Schematic
  8. 8器件和文档支持
    1. 8.1 接收文档更新通知
    2. 8.2 社区资源
    3. 8.3 商标
    4. 8.4 静电放电警告
    5. 8.5 Glossary
  9. 9机械、封装和可订购信息
    1. 9.1 机械制图
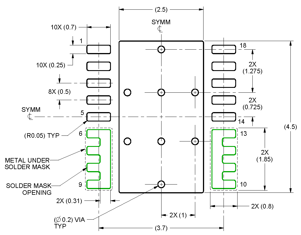
    2. 9.2 推荐 PCB 焊盘图案
    3. 9.3 建议模版开孔

封装选项

机械数据 (封装 | 引脚)
  • DMH|18
散热焊盘机械数据 (封装 | 引脚)
订购信息

推荐 PCB 焊盘图案

CSD95495QVM PCB1.png
CSD95495QVM PCB2.png
  1. 所有线性尺寸的单位均为毫米。括号中的任何尺寸仅供参考。尺寸和公差值符合 ASME Y14.5M 标准。
  2. 本图如有变更,恕不另行通知。
  3. 此封装设计用于焊接到电路板的散热焊盘上。有关更多信息,请参阅《QFN/SON PCB 连接》(SLUA271)。