ZHCSCB8C April   2014  – March 2017 CSD95378BQ5MC

PRODUCTION DATA.  

  1. 1特性
  2. 2应用
  3. 3说明
  4. 4修订历史记录
  5. 5Pin Configuration and Functions
  6. 6Specifications
    1. 6.1 Absolute Maximum Ratings
    2. 6.2 ESD Ratings
    3. 6.3 Recommended Operating Conditions
    4. 6.4 Thermal Information
  7. 7Application Schematic
  8. 8器件和文档支持
    1. 8.1 接收文档更新通知
    2. 8.2 社区资源
    3. 8.3 商标
    4. 8.4 静电放电警告
    5. 8.5 Glossary
  9. 9机械、封装和可订购信息
    1. 9.1 机械制图
    2. 9.2 建议印刷电路板 (PCB) 焊盘图案
    3. 9.3 建议模板开口

封装选项

机械数据 (封装 | 引脚)
  • DMC|12
散热焊盘机械数据 (封装 | 引脚)
订购信息

机械、封装和可订购信息

以下页中包括机械、封装和可订购信息。这些信息是针对指定器件可提供的最新数据。这些数据会在无通知且不对本文档进行修订的情况下发生改变。欲获得该数据表的浏览器版本,请查阅左侧的导航栏。

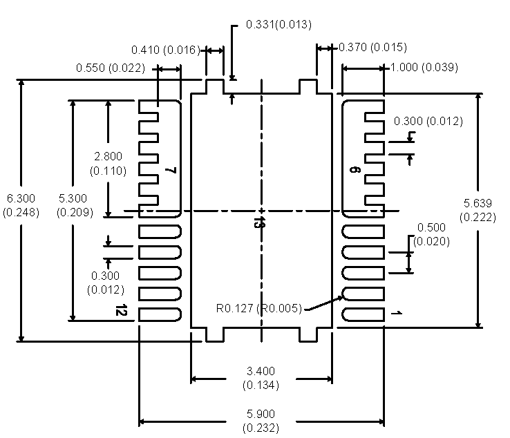
机械制图

CSD95378BQ5MC Mechanical_Drawing_0513.png
DIM 毫米 英寸
最小值 标称值 最大值 最小值 标称值 最大值
A 0.950 1.000 1.050 0.037 0.039 0.041
a1 0.000 0.000 0.050 0.000 0.000 0.002
b 0.200 0.250 0.320 0.008 0.010 0.013
b1 2.750 典型值 0.108 典型值
b2 0.200 0.250 0.320 0.008 0.010 0.013
b3 0.250 典型值 0.010 典型值
c1 0.150 0.200 0.250 0.006 0.008 0.010
c2 0.200 0.250 0.300 0.008 0.010 0.012
D2 5.300 5.400 5.500 0.209 0.213 0.217
d 0.200 0.250 0.300 0.008 0.010 0.012
d1 0.350 0.400 0.450 0.014 0.016 0.018
d2 1.900 2.000 2.100 0.075 0.079 0.083
E 5.900 6.000 6.100 0.232 0.236 0.240
E1 4.900 5.000 5.100 0.193 0.197 0.201
E2 3.200 3.300 3.400 0.126 0.130 0.134
e 0.500 典型值 0.020 典型值
K 0.350 典型值 0.014 典型值
L 0.400 0.500 0.600 0.016 0.020 0.024
L1 0.210 0.310 0.410 0.008 0.012 0.016
θ 0.000 0.000

建议印刷电路板 (PCB) 焊盘图案

CSD95378BQ5MC Recommended_PCB.png
  1. 尺寸单位为 mm(英寸)。

建议模板开口

CSD95378BQ5MC Recommended_Stencil.png
  1. 尺寸单位为 mm(英寸)。
  2. 模板厚度为 100µm。