ZHCSBY7A December 2013 – August 2014 CSD95373AQ5M
PRODUCTION DATA.
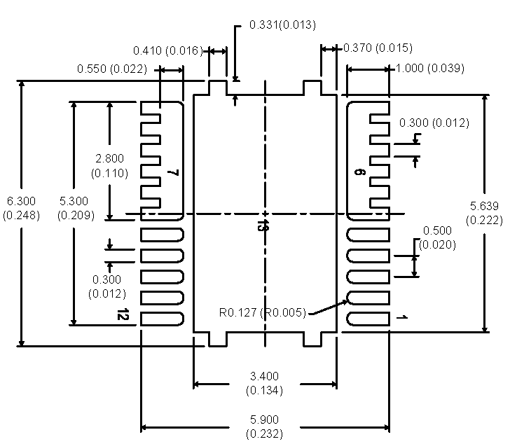
以下页中包括机械封装和可订购信息。 这些信息是针对指定器件可提供的最新数据。 这些数据会在无通知且不对本文档进行修订的情况下发生改变。 欲获得该数据表的浏览器版本,请查阅左侧的导航栏。

| DIM | 毫米 | 英寸 | ||||
|---|---|---|---|---|---|---|
| 最小值 | 标称值 | 最大值 | 最小值 | 标称值 | 最大值 | |
| A | 1.400 | 1.450 | 1.500 | 0.055 | 0.057 | 0.059 |
| a1 | 0.000 | 0.000 | 0.050 | 0.000 | 0.000 | 0.002 |
| b | 0.200 | 0.250 | 0.320 | 0.008 | 0.010 | 0.013 |
| b1 | 2.750 典型值 | 0.108 典型值 | ||||
| b2 | 0.200 | 0.250 | 0.320 | 0.008 | 0.010 | 0.013 |
| b3 | 0.250 典型值 | 0.010 典型值 | ||||
| c1 | 0.150 | 0.200 | 0.250 | 0.006 | 0.008 | 0.010 |
| D2 | 5.300 | 5.400 | 5.500 | 0.209 | 0.213 | 0.217 |
| d | 0.200 | 0.250 | 0.300 | 0.008 | 0.010 | 0.012 |
| d1 | 0.350 | 0.400 | 0.450 | 0.014 | 0.016 | 0.018 |
| d2 | 1.900 | 2.000 | 2.100 | 0.075 | 0.079 | 0.083 |
| E | 5.900 | 6.000 | 6.100 | 0.232 | 0.236 | 0.240 |
| E1 | 4.900 | 5.000 | 5.100 | 0.193 | 0.197 | 0.201 |
| E2 | 3.200 | 3.300 | 3.400 | 0.126 | 0.130 | 0.134 |
| e | 0.500 典型值 | 0.020 典型值 | ||||
| K | 0.350 典型值 | 0.014 典型值 | ||||
| L | 0.400 | 0.500 | 0.600 | 0.016 | 0.020 | 0.024 |
| L1 | 0.210 | 0.310 | 0.410 | 0.008 | 0.012 | 0.016 |
| θ | 0.00 | — | — | 0.00 | — | — |


注释: