ZHCSBY7A December   2013  – August 2014 CSD95373AQ5M

PRODUCTION DATA.  

  1. 特性
  2. 应用范围
  3. 说明
  4. 修订历史记录
  5. Pin Configuration And Functions
  6. Specifications
    1. 6.1 Absolute Maximum Ratings
    2. 6.2 Handling Ratings
    3. 6.3 Recommended Operating Conditions
    4. 6.4 Thermal Information
    5. 6.5 Electrical Characteristics
    6. 6.6 Typical Power Stage Device Characteristics
  7. Detailed Description
    1. 7.1 Functional Block Diagram
    2. 7.2 Feature Description
      1. 7.2.1 Powering CSD95373AQ5M And Gate Drivers
      2. 7.2.2 Undervoltage Lockout Protection (UVLO)
      3. 7.2.3 Enable
      4. 7.2.4 Power-Up Sequencing
      5. 7.2.5 PWM
      6. 7.2.6 FCCM
      7. 7.2.7 TAO/Fault (Thermal Analog Output/Protection Flag)
        1. 7.2.7.1 Overtemperature
        2. 7.2.7.2 Gate Drivers
  8. Application and Implementation
    1. 8.1 Application Information
      1. 8.1.1 Power Loss Curves
      2. 8.1.2 Safe Operating Curves (SOA)
      3. 8.1.3 Normalized Curves
      4. 8.1.4 Calculating Power Loss And SOA
        1. 8.1.4.1 Design Example
        2. 8.1.4.2 Calculating Power Loss
        3. 8.1.4.3 Calculating SOA Adjustments
  9. Layout
    1. 9.1 Layout Guidelines
      1. 9.1.1 Recommended Schematic Overview
      2. 9.1.2 Recommended PCB Design Overview
      3. 9.1.3 Electrical Performance
      4. 9.1.4 Thermal Performance
      5. 9.1.5 Sensing Performance
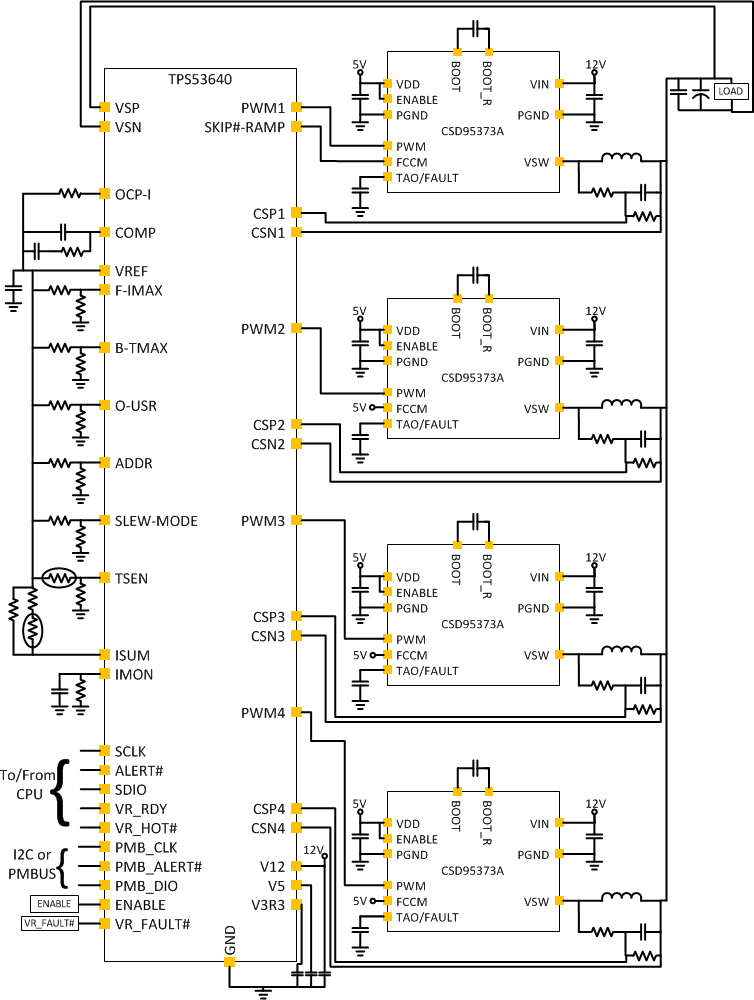
  10. 10Application Schematic
  11. 11器件和文档支持
    1. 11.1 商标
    2. 11.2 静电放电警告
    3. 11.3 术语表
  12. 12机械封装和可订购信息
    1. 12.1 机械制图
    2. 12.2 建议印刷电路板 (PCB) 焊盘图案
    3. 12.3 建议模板开口

封装选项

机械数据 (封装 | 引脚)
散热焊盘机械数据 (封装 | 引脚)
订购信息

10 Application Schematic

Application.gif