ZHCSB78C June   2014  – March 2015 CSD95372AQ5M

PRODUCTION DATA.  

  1. 特性
  2. 应用范围
  3. 说明
  4. 修订历史记录
  5. Pin Configuration and Functions
  6. Specifications
    1. 6.1 Absolute Maximum Ratings
    2. 6.2 ESD Ratings
    3. 6.3 Recommended Operating Conditions
    4. 6.4 Thermal Information
    5. 6.5 Electrical Characteristics
    6. 6.6 Typical Power Stage Characteristics
  7. Detailed Description
    1. 7.1 Functional Block Diagram
    2. 7.2 Functional Description
      1. 7.2.1 Powering the CSD95372AQ5M and Gate Drivers
      2. 7.2.2 Undervoltage Lockout (UVLO) Protection
      3. 7.2.3 ENABLE
      4. 7.2.4 Power Up Sequencing
      5. 7.2.5 PWM
      6. 7.2.6 FCCM
      7. 7.2.7 TAO/FAULT (Thermal Analog Output/Protection Flag)
      8. 7.2.8 Over Temperature
      9. 7.2.9 Gate Drivers
  8. Application and Implementation
    1. 8.1 Application Information
    2. 8.2 Power Loss Curves
    3. 8.3 Safe Operating Curves (SOA)
    4. 8.4 Normalized Curves
    5. 8.5 Calculating Power Loss and SOA
      1. 8.5.1 Design Example
      2. 8.5.2 Calculating Power Loss
      3. 8.5.3 Calculating SOA Adjustments
  9. Layout
    1. 9.1 Layout Guidelines
      1. 9.1.1 Recommended Schematic Overview
      2. 9.1.2 Recommended PCB Design Overview
        1. 9.1.2.1 Electrical Performance
        2. 9.1.2.2 Thermal Performance
      3. 9.1.3 Sensing Performance
    2. 9.2 Layout Example
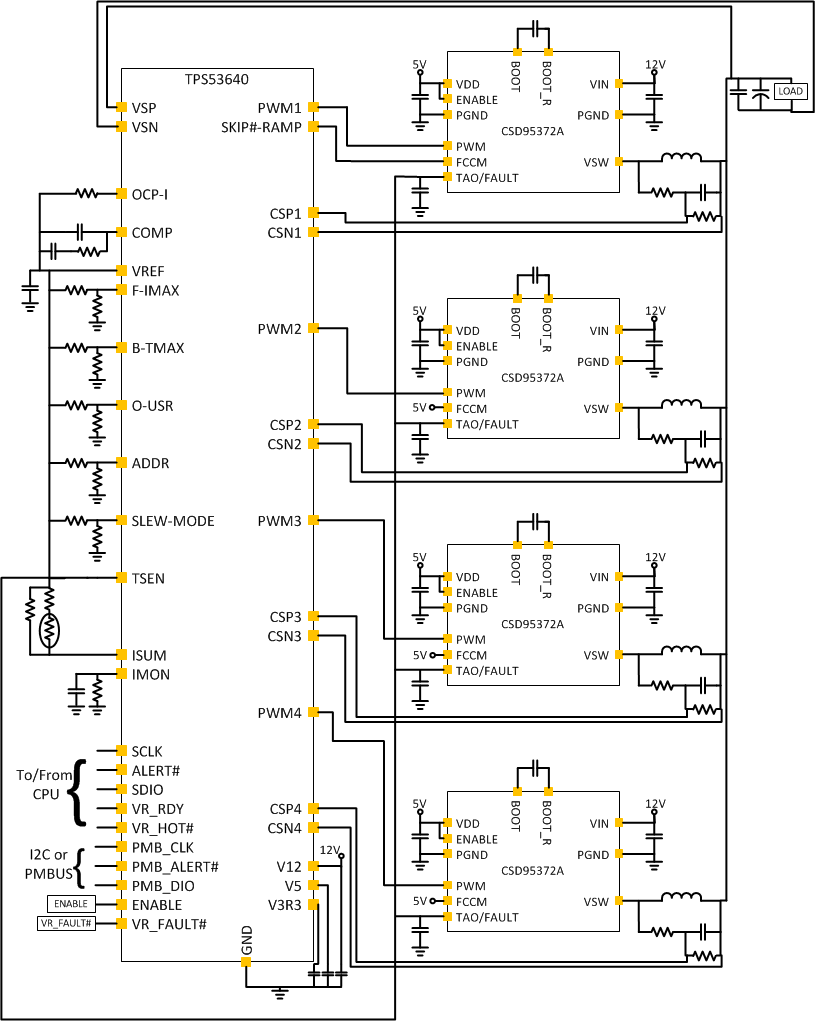
  10. 10Application Schematic
  11. 11器件和文档支持
    1. 11.1 商标
    2. 11.2 静电放电警告
    3. 11.3 术语表
  12. 12机械、封装和可订购信息
    1. 12.1 机械制图
    2. 12.2 建议印刷电路板 (PCB) 焊盘图案
    3. 12.3 建议模板开口

封装选项

请参考 PDF 数据表获取器件具体的封装图。

机械数据 (封装 | 引脚)
  • DQP|12
散热焊盘机械数据 (封装 | 引脚)
订购信息

10 Application Schematic

CSD95372AQ5M Application_Again_Again.gif