ZHCSE28B August   2015  – November 2022 CSD19537Q3

PRODUCTION DATA  

  1. 1特性
  2. 2应用
  3. 3说明
  4. 4Revision History
  5. 5Specifications
    1. 5.1 Electrical Characteristics
    2. 5.2 Thermal Information
    3. 5.3 Typical MOSFET Characteristics
  6. 6Device and Documentation Support
    1. 6.1 Community Resources
    2. 6.2 Trademarks
    3. 6.3 Electrostatic Discharge Caution
    4. 6.4 术语表
  7. 7Mechanical, Packaging, and Orderable Information
    1. 7.1 Q3 Package Dimensions
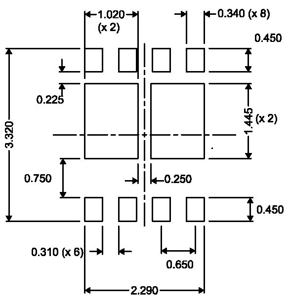
    2. 7.2 Recommended PCB Pattern
    3. 7.3 Recommended Stencil Opening
    4. 7.4 Q3 Tape and Reel Information

封装选项

请参考 PDF 数据表获取器件具体的封装图。

机械数据 (封装 | 引脚)
  • DQG|8
散热焊盘机械数据 (封装 | 引脚)
订购信息

Recommended Stencil Opening

GUID-4512734A-ED55-4423-9712-EEB1EFCA6B7A-low.png

All dimensions are in mm, unless otherwise specified.