ZHCSFG6 September   2016 CSD17581Q5A

PRODUCTION DATA.  

  1. 1特性
  2. 2应用范围
  3. 3说明
  4. 4修订历史记录
  5. 5Specifications
    1. 5.1 Electrical Characteristics
    2. 5.2 Thermal Information
    3. 5.3 Typical MOSFET Characteristics
  6. 6器件和文档支持
    1. 6.1 接收文档更新通知
    2. 6.2 社区资源
    3. 6.3 商标
    4. 6.4 静电放电警告
    5. 6.5 Glossary
  7. 7机械、封装和可订购信息
    1. 7.1 Q5A 封装尺寸
    2. 7.2 建议印刷电路板 (PCB) 布局
    3. 7.3 建议模板开口
    4. 7.4 Q5A 卷带信息

封装选项

机械数据 (封装 | 引脚)
散热焊盘机械数据 (封装 | 引脚)
订购信息

7 机械、封装和可订购信息

以下页中包括机械、封装和可订购信息。这些信息是针对指定器件可提供的最新数据。这些数据会在无通知且不对本文档进行修订的情况下发生改变。欲获得该数据表的浏览器版本,请查阅左侧的导航栏

7.1 Q5A 封装尺寸

CSD17581Q5A mechanical_data.png
DIM 毫米
最小值 标称值 最大值
A 0.90 1.00 1.10
b 0.33 0.41 0.51
c 0.20 0.25 0.34
D1 4.80 4.90 5.00
D2 3.61 3.81 4.02
E 5.90 6.00 6.10
E1 5.70 5.75 5.80
E2 3.38 3.58 3.78
E3 3.03 3.13 3.23
e 1.17 1.27 1.37
e1 0.27 0.37 0.47
e2 0.15 0.25 0.35
H 0.41 0.56 0.71
K 1.10
L 0.51 0.61 0.71
L1 0.06 0.13 0.20
θ 12°

7.2 建议印刷电路板 (PCB) 布局

CSD17581Q5A m0139-01_lps198.gif
DIM 毫米 英寸
最小值 最大值 最小值 最大值
F1 6.205 6.305 0.244 0.248
F2 4.46 4.56 0.176 0.18
F3 4.46 4.56 0.176 0.18
F4 0.65 0.7 0.026 0.028
F5 0.62 0.67 0.024 0.026
F6 0.63 0.68 0.025 0.027
F7 0.7 0.8 0.028 0.031
F8 0.65 0.7 0.026 0.028
F9 0.62 0.67 0.024 0.026
F10 4.9 5 0.193 0.197
F11 4.46 4.56 0.176 0.18

要获得与印刷电路板 (PCB) 设计相关的建议电路布局布线,请参见《应用说明》SLPA005 - 通过 PCB 布局布线技巧来减少振铃

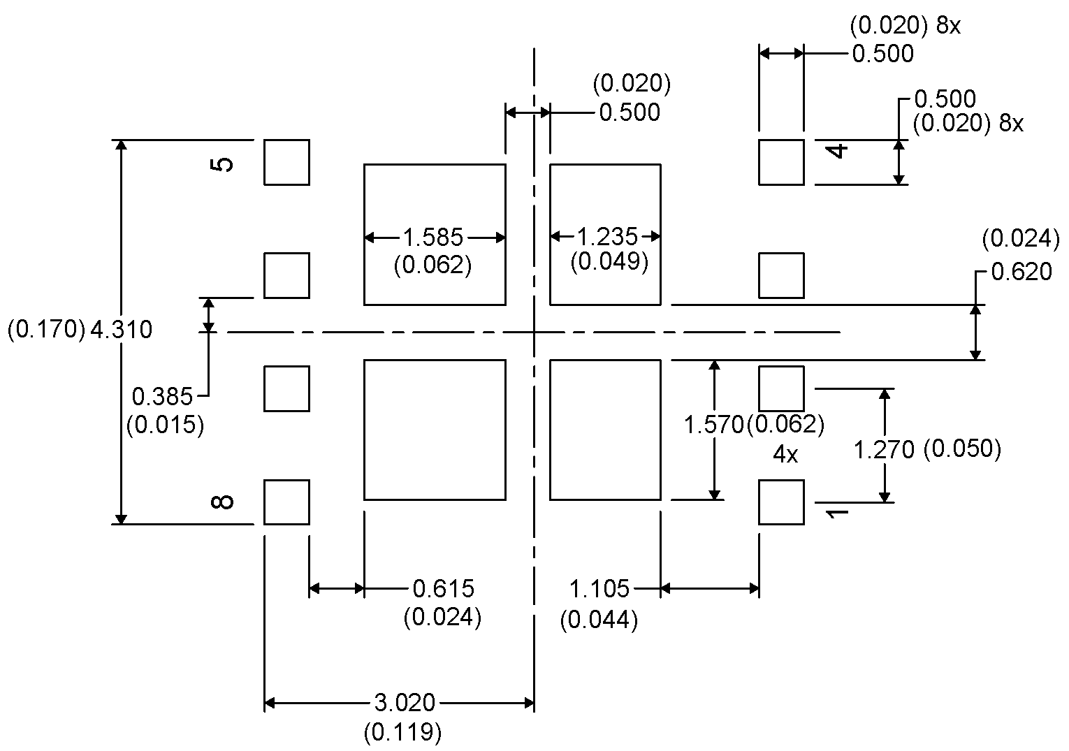
7.3 建议模板开口

CSD17581Q5A Stencil_opening.png

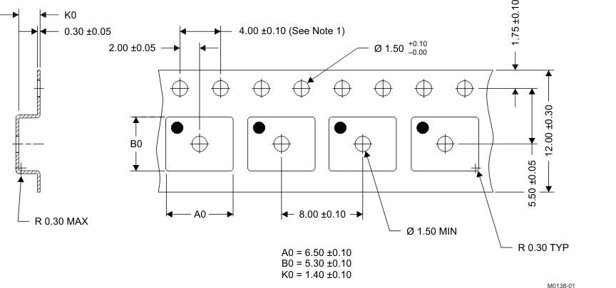
7.4 Q5A 卷带信息

CSD17581Q5A M0138-01_LPS198.gif

注:

  1. 10 链轮孔距累积容差 ±0.2
  2. 每 100mm 长度的翘曲不能超过 1mm,在 250mm 长度上不累积 (Camber not to exceed 1 mm in 100 mm, noncumulative over 250 mm)
  3. 材料:黑色抗静电聚苯乙烯
  4. 全部尺寸单位为 mm(除非另外注明)
  5. 高于孔眼底部 0.3mm 的平面上测量得到 A0 和 B0 值