ZHCSAE6B September   2012  – January 2016 CSD17551Q3A

PRODUCTION DATA.  

  1. 1特性
  2. 2应用
  3. 3说明
    1.     顶视图
      1.      Device Images
  4. 4修订历史记录
  5. 5Specifications
    1. 5.1 Electrical Characteristics
    2. 5.2 Thermal Information
    3. 5.3 Typical MOSFET Characteristics
  6. 6器件和文档支持
    1. 6.1 社区资源
    2. 6.2 商标
    3. 6.3 静电放电警告
    4. 6.4 Glossary
  7. 7机械、封装和可订购信息
    1. 7.1 Q3A 封装尺寸
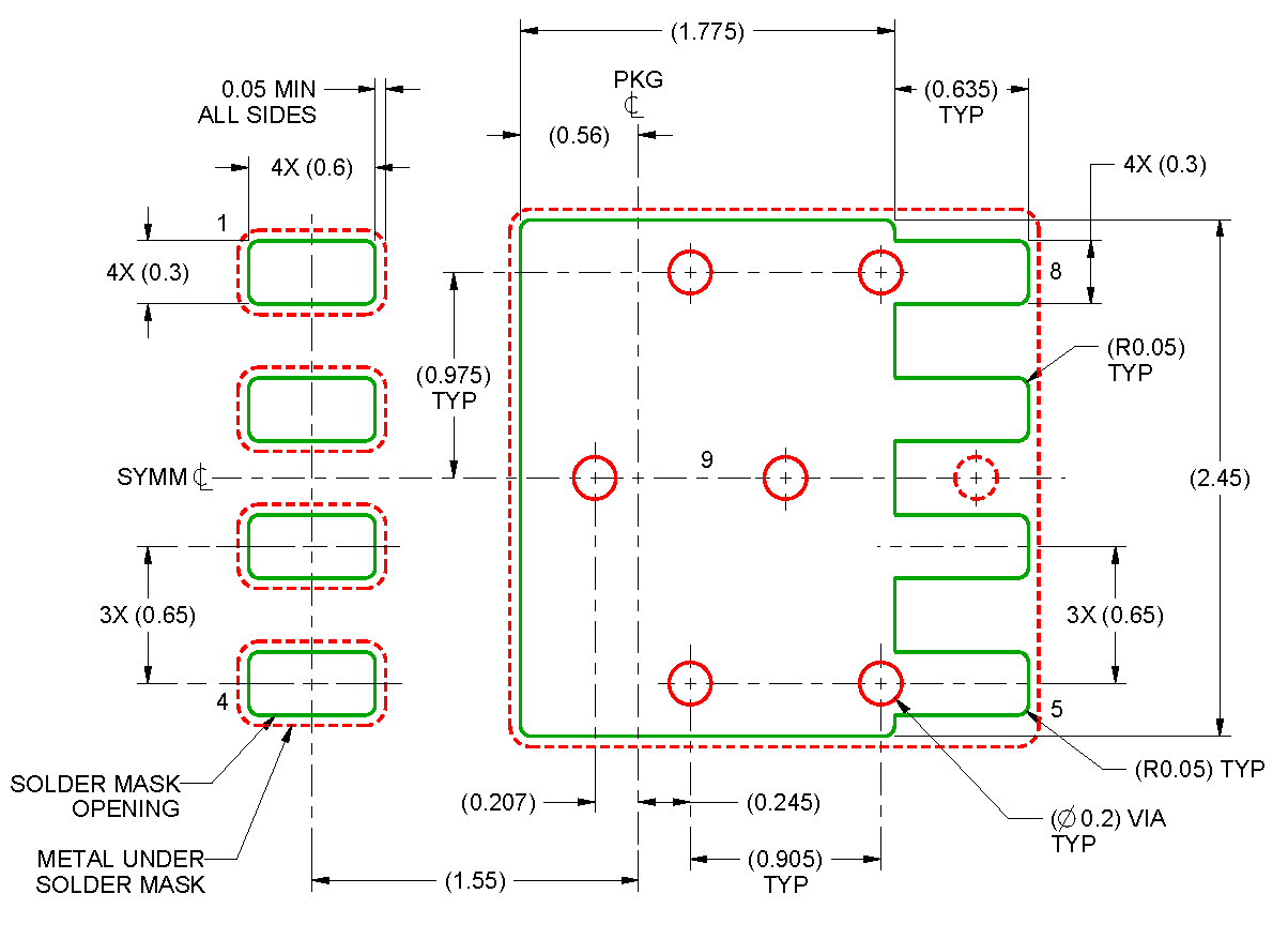
    2. 7.2 Q3A 建议的 PCB 布局
    3. 7.3 Q3A 建议的模板布局
    4. 7.4 Q3A 卷带信息

封装选项

请参考 PDF 数据表获取器件具体的封装图。

机械数据 (封装 | 引脚)
  • DNH|8
散热焊盘机械数据 (封装 | 引脚)
订购信息

Q3A 建议的 PCB 布局

CSD17551Q3A PCB.png
  1. 此封装设计用于焊接到电路板的散热焊盘上。有关更多信息,请参阅《QFN/SON PCB 连接》应用报告 (SLUA271)。
  2. 根据应用决定是否选用过孔,详情请参见器件产品说明书。如果实现了部分或全部过孔,则会显示建议的过孔位置。

增加了空格文本

要获得与印刷电路板 (PCB) 设计相关的建议电路布局布线,请参阅《应用说明》SLPA005 - 通过 PCB 布局布线技巧来减少振铃