ZHCSDH7 March   2015 CSD13306W

PRODUCTION DATA.  

  1. 1特性
  2. 2应用范围
  3. 3说明
  4. 4修订历史记录
  5. 5Specifications
    1. 5.1 Electrical Characteristics
    2. 5.2 Thermal Information
    3. 5.3 Typical MOSFET Characteristics
  6. 6器件和文档支持
    1. 6.1 商标
    2. 6.2 静电放电警告
    3. 6.3 术语表
  7. 7机械封装和可订购信息
    1. 7.1 CSD13306W 封装尺寸
    2. 7.2 卷带信息

封装选项

机械数据 (封装 | 引脚)
散热焊盘机械数据 (封装 | 引脚)
订购信息

7 机械封装和可订购信息

以下页中包括机械封装和可订购信息。 这些信息是针对指定器件可提供的最新数据。 这些数据会在无通知且不对本文档进行修订的情况下发生改变。 欲获得该数据表的浏览器版本,请查阅左侧的导航栏。

7.1 CSD13306W 封装尺寸

CSD13306W N-W1015.png

NOTE:

全部尺寸单位为 mm(除非另外注明)

引脚分配

位置 名称
C2,B2 源极
A2 栅极
A1,B1,C1 漏极

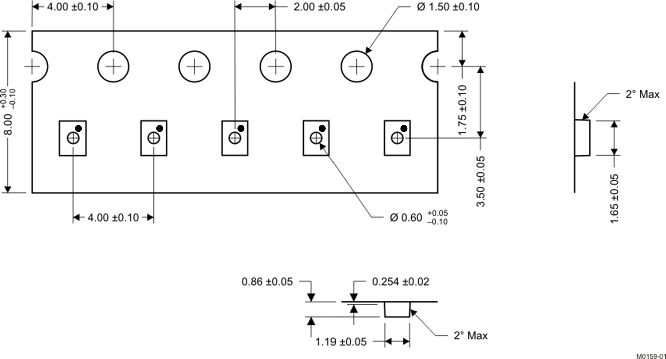
焊盘布局建议

CSD13306W m0158-01_lps210.gif

NOTE:

全部尺寸单位为 mm(除非另外注明)

7.2 卷带信息

CSD13306W tape and reel.png

NOTE:

全部尺寸单位为 mm(除非另外注明)