SCAS793G June   2005  – August 2017 CDCM7005

PRODUCTION DATA.  

  1. Features
  2. Applications
  3. Description
  4. Revision History
  5. Description (continued)
  6. Pin Configuration and Functions
  7. Specifications
    1. 7.1 Absolute Maximum Ratings
    2. 7.2 ESD Ratings
    3. 7.3 Recommended Operating Conditions
    4. 7.4 Thermal Information
    5. 7.5 Electrical Characteristics
    6. 7.6 Timing Requirements
    7. 7.7 Typical Characteristics
  8. Parameter Measurement Information
  9. Detailed Description
    1. 9.1 Overview
    2. 9.2 Functional Block Diagram
    3. 9.3 Feature Description
      1. 9.3.1 Automatic/Manual Reference Clock Switching
      2. 9.3.2 PLL Lock for Analog and Digital Detect
        1. 9.3.2.1 PLL Lock/Out-of-Lock Definition
        2. 9.3.2.2 Digital vs Analog Lock
      3. 9.3.3 Differential LVPECL Outputs and Single-Ended LVCMOS Outputs
      4. 9.3.4 Frequency Hold-Over Mode
      5. 9.3.5 Charge Pump Preset to VCC_CP/2
      6. 9.3.6 Charge Pump Current Direction
    4. 9.4 Device Functional Modes
    5. 9.5 Programming
      1. 9.5.1 SPI Control Interface
      2. 9.5.2 Functional Description of the Logic
  10. 10Application and Implementation
    1. 10.1 Application Information
      1. 10.1.1 Application Information on the Clock Generation for Interpolating DACs With the CDCM7005
        1. 10.1.1.1 AC-Coupled Interface to ADC/DAC
      2. 10.1.2 Phase Noise
      3. 10.1.3 In-Band Noise Performance
    2. 10.2 Typical Application
      1. 10.2.1 Design Requirements
      2. 10.2.2 Detailed Design Procedure
      3. 10.2.3 Application Curve
  11. 11Power Supply Recommendations
  12. 12Layout
    1. 12.1 Layout Guidelines
    2. 12.2 Layout Example
  13. 13Device and Documentation Support
    1. 13.1 Receiving Notification of Documentation Updates
    2. 13.2 Community Resources
    3. 13.3 Trademarks
    4. 13.4 Electrostatic Discharge Caution
    5. 13.5 Glossary
  14. 14Mechanical, Packaging, and Orderable Information

封装选项

请参考 PDF 数据表获取器件具体的封装图。

机械数据 (封装 | 引脚)
  • RGZ|48
  • ZVA|64
散热焊盘机械数据 (封装 | 引脚)
订购信息

Application and Implementation

NOTE

Information in the following applications sections is not part of the TI component specification, and TI does not warrant its accuracy or completeness. TI’s customers are responsible for determining suitability of components for their purposes. Customers should validate and test their design implementation to confirm system functionality.

Application Information

Application Information on the Clock Generation for Interpolating DACs With the CDCM7005

The CDCM7005, with its specified phase noise performance, is an ideal sampling clock generator for high speed ADCs and DACs. The CDCM7005 is especially of interest for the new high speed DACs, which have integrated interpolation filter. Such DACs achieve sampling rates up to 500 MSPS. This high data rate can typically not be supported from the digital side driving the DAC (e.g., DUC, digital up-converter). Therefore, one approach to interface the DUC to the DAC is the integration of an interpolation filter within the DAC to reduce the data rate at the digital input of the DAC. In 3G systems, for example, a common sampling rate of a high speed DAC is 491.52 MSPS. With a four times interpolation of the digital data, the required input data rate results into
122.88 MSPS, which can be supported easily from the digital side. The DUC GC5016, which supports up to four WCDMA carriers, provides a maximum output data rate of 150 MSPS. An example is shown in Figure 24, where the CDCM7005 supplies the clock signal for the DUC/DDC and ADC/DAC.

CDCM7005 b0064-01.gif Figure 24. CDCM7005 as a Clock Generator for High-Speed ADCs and DACs

The generation of the two required clock signals (data input clock, clock for DAC) for such an interpolating DAC can be done in different ways. The recommended way is to use the CDCM7005, which generates the fast sampling clock for the DAC from the data input clock signal. The DAC5687 demands that the edges of the two input clocks must be phase aligned within ±500 ps for latching the data properly. This phase alignment is well achieved with the CDCM7005, which assures a maximum skew of 70 ps of the different different outputs to each other.

AC-Coupled Interface to ADC/DAC

Another advantage of this clock solution is that the ADC or DAC can be driven directly in an ac-coupling interface as shown in Figure 25, with an external termination in a differential configuration. There is no need for a transformer to generate a differential signal from a single-ended clock source.

CDCM7005 s0083-01_cas793.png Figure 25. Driving DAC or ADC With PECL Output of the CDCM7005

Phase Noise

Table 16. Phase Noise Performance

PARAMETER(1) TEST CONDITIONS REF_IN PHASE NOISE
AT 30.72 MHz
VCXO PHASE NOISE
AT 245.76 MHz
Yx PHASE NOISE AT 30.72 MHz UNIT
LVCMOS LVPECL
TYP(2) TYP(2)
phn10 Phase noise at 10 Hz Y = 30.72 MHz; fPFD = 200 kHz, Loop BW = 20 Hz, Feedback Divider = 8 x 128 (N x P), fREF_IN = 30.72 MHz, M-Divider = 128, ICP = 2 mA –109 –75 –104 –100 dBc/Hz
phn100 Phase noise at 100 Hz –125 –97 –116 –116 dBc/Hz
phn1k Phase noise at 1 kHz –134 –117 –140 –140 dBc/Hz
phn10k Phase noise at 10 kHz –136 –138 –153 –152 dBc/Hz
phn100k Phase noise at 100 kHz –138 –148 –156 –153 dBc/Hz
phn1Mk Phase noise at 1 MHz –144 –148 –156 –153 dBc/Hz
phn10M Phase noise at 10 MHz –144 –148 –156 –153 dBc/Hz
PLL STABILIZATION TIME
tstabi PLL stabilization time(3) Y = 30.72 MHz, fPFD = 200 kHz, Loop BW = 20 Hz, Feedback Divider = 8 x 128 (N x P), fREF_IN = 30.72 MHz, M-Divider = 128, ICP = 2 mA 400 ms
Output phase noise is dependent on the noise of the REF_IN clock and VCXO clock noise floor. The phase noise performance of the BGA and the QFN package is equal. The phase noise measurements were taken with the CDCM7005 EVM and CDCM7005 SPI default settings.
The typical stabilization time is based on the above application example. The stabilization criterion was a stable high level of PLL_LOCK.
For further explanations, as well as phase noise/jitter test results using various VCXOs, see application note SCAA067.

In-Band Noise Performance

Table 17. CDCM7005 In-Band Noise

PARAMETER TEST CONDITIONS MIN TYP MAX UNIT
pnin-band In-band phase noise test conditions Y = 900 MHz, fPFD = 400 kHz, Loop
BW = 27 kHz, Feedback Divider = 8 x 282
(N x P), fREF_IN = 10 MHz; M-Divider = 25, ICP = 3 mA
–95 dBc/Hz
pnf400 Phase noise floor at 400 kHz fPFD, in-band noise – 20log(feedback div) (1) –162 dBc/Hz
pnf1 Phase noise floor at 1 Hz fPFD, in-band noise – 20log(feedback div) – 10log(fPFD)(2) –218 dBc/Hz
The synthesizer phase noise floor can be estimated by measuring the in-band noise at the output of the CDCM7005 and subtracting 20log(Feedback Divider) N (in case of CDCM7005 it is the N+P divider). The calculated phase noise floor still based on the PFD update frequency, in the above specification, is 400 kHz.
The in-band noise can also be normalized to a comparison frequency of 1 Hz. The resulting phase noise floor is: pnfloor = PNmeasured - 20log(N+P) - 10log(fPFD)
where:
pnNfloor = normalized phase noise floor in dBc/Hz
PNmeasured = in-band phase noise measurement in dBc/Hz
20log(N+P) = divider ratio of feedback loop
10log(fPFD) = PFD update frequency in Hz

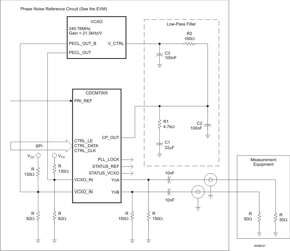
Typical Application

CDCM7005 s0082-01.gif Figure 26. Typical Applications Diagram With Passive Loop Filter

Design Requirements

Before PLL design starts, design targets and constraints should be specified.

Design targets include: output frequency, output phase noise or output jitter over certain band, maximum lock time or maximum dynamic frequency deviation during settling.

Design constraints might include: input frequency, specific VCO/VCXO device, certain type of filter (e.g. passive)

Most probably VCO/VCXO is determined based on the noise requirements, or frequency plan needs. Input frequency is typically given by application or system needs. Power or noise requirement might dictate certain type of filter.

Detailed Design Procedure

The CDCM7005 design procedure aims at:

  • Properly configuring the PLL dividers to achieve lock under given frequency plan
  • Determining loop BW/phase margin/gain peaking to achieve given noise/dynamic performance
  • Determine the filter type and component values based on the loop BW/phase margin
The proper division ratios can be calculated from the given relations:

fout: the desired output frequency (250 MHz for LVCMOS, 1.5 GHz max for LVPECL)

fin: the given input frequency (200 MHz maximum)

fVCO : the selected VCO or VCXO frequency (2.2 GHz maximum)

fPFD: the update frequency of the PFD, 100 MHz maximum

M : reference divider (10 bits: 1 to 1024)

P2 : output divider, also known as Output Mux (/1, /2, /3, /4, /6, /8, /16)

P1 : Pre-scalar, also known as Feedback Mux (/1, /2, /3, /4, /6, /8, /16)

N : feedback divider (12 bits: 1 to 4096), with max input freq of 300 MHz.

Once frequency plan and feasible divider settings are determined, a proper BW/phase margin and gain peaking should be determined. The best way to determine those parameters is to use the TI CDCM7005 PLL Calculator tool (PLL-SIM) available on TI website.

Several iterations might be required to achieve the optimum BW/phase margin for a given phase noise and dynamic performance. Better dynamic performance (faster settling) requires higher BW, and possibly some peaking. This is, however, typically increases the phase noise contribution of the PLL and increases frequency offset during settling. Noise performance doesn’t only depend on the loop parameters, but also on the noise performance of the input source and the selected VCO/VCXO. PLL Calculator tool allows the user to include noise profiles from those two sources into noise calculation.

Once the loop parameters are specified, filter design and charge pump current can be determined. CDCM72005 charge pump can be set in the range of 200uA to 3mA with 200uA step. PLL Calculator tool supports filter component value synthesis for three types of filter: second order passive filter, third order passive filter, and third order active filter. Other filter types can be used but the user has to carry out the calculation manually.

3rd order pole placement is typically a trade-off between stability and spur performance (spur suppression) the closer the 3rd pole to the loop BW, the higher the suppression, but the phase margin deteriorates and hence loop stability is affected.

Example:

Design a PLL using CDCM7005 using an input reference of 10.23 MHz, and VCXO of 155 MHz and an output of the same frequency, using a passive filter.

A common divisor of 10.23 MHz and 155 MHz is 310 kHz which can be used as update frequency.

M = 33, N = 125, P1 = 4, and P2 = 1 should lead to loop lock.

Using the PLL calculator tool, an RMS jitter of 700 ps (given the reference and VCXO noise profile) can be achieved using a loop BW of 1.34 kHz and phase margin of around 80 degrees.

This can be achieved with Charge pump current of 3mA. The PLL calculator tool can also calculate the filter component values.

Application Curve

CDCM7005 scas793_g009.gif Figure 27. Phase Noise (61.44-MHz REF_IN and 61.44-MHz Output Frequency)