ZHCSJS2N November   1997  – April 2024 CD54HC4051 , CD54HC4052 , CD54HC4053 , CD54HCT4051 , CD74HC4051 , CD74HC4052 , CD74HC4053 , CD74HCT4051 , CD74HCT4052 , CD74HCT4053

PRODUCTION DATA  

  1.   1
  2. 特性
  3. 应用
  4. 说明
  5. Pin Configuration and Functions
  6. Specifications
    1. 5.1  Absolute Maximum Ratings
    2. 5.2  ESD Ratings
    3. 5.3  Thermal Information
    4. 5.4  Recommended Operating Conditions
    5. 5.5  Electrical Characteristics: HC Devices
    6. 5.6  Electrical Characteristics: HCT Devices
    7. 5.7  Switching Characteristics, VCC = 5V
    8. 5.8  Switching Characteristics, CL = 50pF
    9. 5.9  Analog Channel Specifications
    10. 5.10 Typical Characteristics
  7. Parameter Measurement Information
  8. Detailed Description
    1. 7.1 Overview
    2. 7.2 Functional Block Diagrams
    3. 7.3 Feature Description
    4. 7.4 Device Functional Modes
  9. Application and Implementation
    1. 8.1 Application Information
    2. 8.2 Typical Application
      1. 8.2.1 Design Requirements
      2. 8.2.2 Detailed Design Procedure
      3. 8.2.3 Application Curve
    3. 8.3 Power Supply Recommendations
    4. 8.4 Layout
      1. 8.4.1 Layout Guidelines
      2. 8.4.2 Layout Example
  10. Device and Documentation Support
    1. 9.1 Documentation Support
      1. 9.1.1 Related Documentation
    2. 9.2 接收文档更新通知
    3. 9.3 支持资源
    4. 9.4 Trademarks
    5. 9.5 静电放电警告
    6. 9.6 术语表
  11. 10Revision History
  12. 11Mechanical, Packaging, and Orderable Information

封装选项

请参考 PDF 数据表获取器件具体的封装图。

机械数据 (封装 | 引脚)
  • PW|16
  • NS|16
  • N|16
  • D|16
散热焊盘机械数据 (封装 | 引脚)
订购信息

Functional Block Diagrams

GUID-1D2AE83C-C37B-498D-828A-44A55E6FA88D-low.gif
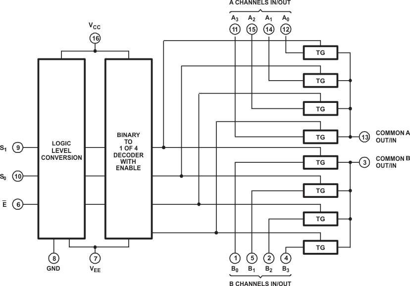
All inputs are protected by standard CMOS protection network.
Figure 7-1 CDx4HCx4051 Functional Block Diagram
GUID-BE418BF2-6ED7-4FC1-9303-901072E72FF4-low.gif
All inputs are protected by standard CMOS protection network.
Figure 7-2 CDx4HCx4052 Functional Block Diagram
GUID-B75AC991-4320-4972-82A2-C463BA0D3AB2-low.gif
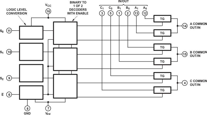
All inputs are protected by standard CMOS protection network.
Figure 7-3 CDx4HCx4053 Functional Block Diagram