ZHCSWN9D June   2003  – August 2024 CD4067B , CD4097B

PRODUCTION DATA  

  1.   1
  2. 特性
  3. 应用
  4. 说明
  5. Pin Configuration and Functions
  6. Specifications
    1. 5.1 Absolute Maximum Ratings
    2. 5.2 ESD Ratings
    3. 5.3 Recommended Operating Conditions
    4. 5.4 Thermal Information
    5. 5.5 Electrical Characteristics
    6. 5.6 AC Performance Characteristics
    7. 5.7 Typical Characteristics
  7. Parameter Measurement Information
    1. 6.1 Test Circuits
  8. Detailed Description
    1. 7.1 Functional Block Diagram
    2. 7.2 Device Functional Modes
  9. Application and Implementation
    1. 8.1 Application Information
      1. 8.1.1 Special Considerations
    2. 8.2 Typical Application
  10. Device and Documentation Support
    1. 9.1 接收文档更新通知
    2. 9.2 支持资源
    3. 9.3 Trademarks
    4. 9.4 静电放电警告
    5. 9.5 术语表
  11. 10Revision History
  12. 11Mechanical, Packaging, and Orderable Information

封装选项

请参考 PDF 数据表获取器件具体的封装图。

机械数据 (封装 | 引脚)
  • DW|24
  • PW|24
散热焊盘机械数据 (封装 | 引脚)
订购信息

Test Circuits

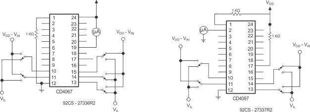
CD4067B CD4097B OFF Channel Leakage Current – Any Channel OFFFigure 6-1 OFF Channel Leakage Current – Any Channel OFF
CD4067B CD4097B Input Voltage –Measure <2µA on all OFF Channels (For Example, Channel 12)Figure 6-2 Input Voltage –Measure <2µA on all OFF Channels (For Example, Channel 12)
CD4067B CD4097B OFF Channel Leakage Current – All Channels OFFFigure 6-3 OFF Channel Leakage Current – All Channels OFF
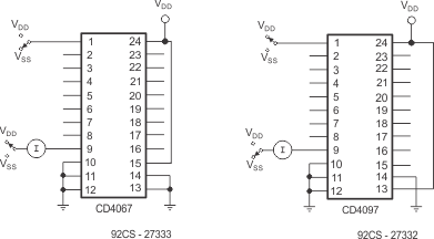
CD4067B CD4097B Quiescent Device CurrentFigure 6-4 Quiescent Device Current
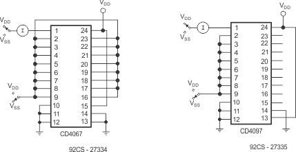
CD4067B CD4097B Turn-on and Turn-off Propagation Delay – Address Select Input to Signal Output  (For Example,, Measured on Channel 0)Figure 6-5 Turn-on and Turn-off Propagation Delay – Address Select Input to Signal Output (For Example,, Measured on Channel 0)
CD4067B CD4097B Turn-on and Turn-off Propagation Delay – Inhibit Input to Signal Output  (For Example,, Measured on Channel 1)Figure 6-6 Turn-on and Turn-off Propagation Delay – Inhibit Input to Signal Output (For Example,, Measured on Channel 1)
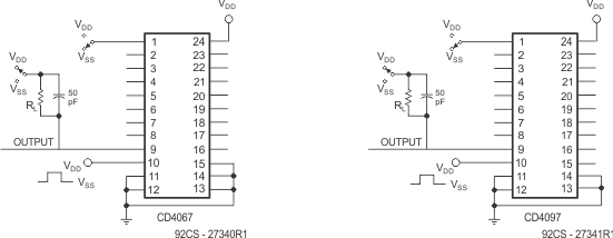
CD4067B CD4097B Channel ON Resistance Measurement CircuitFigure 6-7 Channel ON Resistance Measurement Circuit
CD4067B CD4097B Propagation Delay Waveform Channel Being turned ON  (RL = 10kΩ, CL = 50 pF)Figure 6-8 Propagation Delay Waveform Channel Being turned ON (RL = 10kΩ, CL = 50 pF)
CD4067B CD4097B Propagation Delay Waveform Channel Being turned OFF  (RL = 300Ω, CL = 50 pF)Figure 6-9 Propagation Delay Waveform Channel Being turned OFF (RL = 300Ω, CL = 50 pF)