ZHCSKT0J November   1998  – August 2024 CD4066B

PRODUCTION DATA  

  1.   1
  2. 特性
  3. 应用
  4. 说明
  5. Pin Configuration and Functions
  6. Specifications
    1. 5.1 Absolute Maximum Ratings
    2. 5.2 ESD Ratings
    3. 5.3 Recommended Operating Conditions
    4. 5.4 Thermal Information
    5. 5.5 Electrical Characteristics
    6. 5.6 Switching Characteristics
    7. 5.7 Typical Characteristics
  7. Parameter Measurement Information
  8. Detailed Description
    1. 7.1 Overview
    2. 7.2 Functional Block Diagram
    3. 7.3 Feature Description
    4. 7.4 Device Functional Modes
  9. Application and Implementation
    1. 8.1 Application Information
    2. 8.2 Typical Application
      1. 8.2.1 Design Requirements
      2. 8.2.2 Detailed Design Procedure
      3. 8.2.3 Application Curve
    3. 8.3 Power Supply Recommendations
    4. 8.4 Layout
      1. 8.4.1 Layout Guidelines
      2. 8.4.2 Layout Example
  10. Device and Documentation Support
    1. 9.1 接收文档更新通知
    2. 9.2 支持资源
    3. 9.3 Trademarks
    4. 9.4 静电放电警告
    5. 9.5 术语表
  11. 10Revision History
  12. 11Mechanical, Packaging, and Orderable Information

封装选项

请参考 PDF 数据表获取器件具体的封装图。

机械数据 (封装 | 引脚)
  • D|14
  • PW|14
  • N|14
  • NS|14
散热焊盘机械数据 (封装 | 引脚)
订购信息

Parameter Measurement Information

CD4066B Determination of ron as a Test Condition for Control-Input
                        High-Voltage (VIHC) Specification Figure 6-1 Determination of ron as a Test Condition for Control-Input High-Voltage (VIHC) Specification
CD4066B Channel On-State Resistance Measurement Circuit Figure 6-2 Channel On-State Resistance Measurement Circuit
CD4066B Typical On Characteristics for One of Four Channels Figure 6-3 Typical On Characteristics for One of Four Channels
CD4066B Off-Switch Input or Output Leakage Figure 6-4 Off-Switch Input or Output Leakage
CD4066B Propagation Delay Time Signal Input (Vis) to Signal Output
                            (Vos) Figure 6-5 Propagation Delay Time Signal Input (Vis) to Signal Output (Vos)
CD4066B Crosstalk-Control Input to Signal Output Figure 6-6 Crosstalk-Control Input to Signal Output
CD4066B Propagation Delay, tPLH, tPHL Control-Signal
                        Output
All unused pins are connected to VSS.
Delay is measured at Vos level of +10% from ground (turn-on) or on-state output level (turn-off).
Figure 6-7 Propagation Delay, tPLH, tPHL Control-Signal Output
CD4066B Maximum Allowable Control-Input Repetition Rate
All unused pins are connected to VSS.
Figure 6-8 Maximum Allowable Control-Input Repetition Rate
CD4066B Input
                        Leakage-Current Test Circuit Figure 6-9 Input Leakage-Current Test Circuit
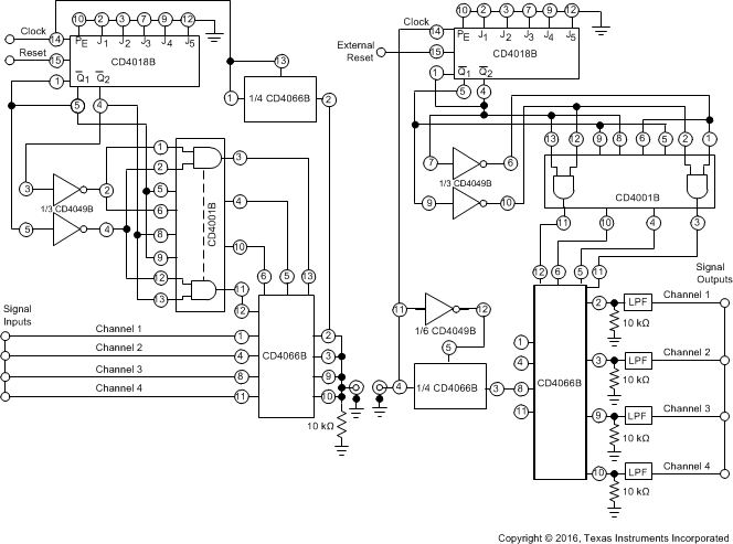
CD4066B Four-Channel PAM Multiplex System Diagram Figure 6-10 Four-Channel PAM Multiplex System Diagram