ZHCSJ35C September   2016  – May 2021 CC3220R , CC3220S , CC3220SF

PRODUCTION DATA  

  1. 特性
  2. 应用
  3. 说明
  4. 功能方框图
  5. Revision History
  6. Device Comparison
    1. 6.1 Related Products
  7. Terminal Configuration and Functions
    1. 7.1 Pin Diagram
    2. 7.2 Pin Attributes and Pin Multiplexing
      1. 7.2.1 Pin Descriptions
    3. 7.3 Signal Descriptions
      1. 7.3.1 Signal Descriptions
    4. 7.4 Pin Multiplexing
    5. 7.5 Drive Strength and Reset States for Analog and Digital Multiplexed Pins
    6. 7.6 Pad State After Application of Power to Chip But Before Reset Release
    7. 7.7 Connections for Unused Pins
  8. Specifications
    1. 8.1  Absolute Maximum Ratings
    2. 8.2  ESD Ratings
    3. 8.3  Power-On Hours (POH)
    4. 8.4  Recommended Operating Conditions
    5. 8.5  Current Consumption Summary (CC3220R, CC3220S)
    6. 8.6  Current Consumption Summary (CC3220SF)
    7. 8.7  TX Power and IBAT versus TX Power Level Settings
    8. 8.8  Brownout and Blackout Conditions
    9. 8.9  Electrical Characteristics (3.3 V, 25°C)
    10. 8.10 WLAN Receiver Characteristics
    11. 8.11 WLAN Transmitter Characteristics
    12. 8.12 WLAN Filter Requirements
      1. 8.12.1 WLAN Filter Requirements
    13. 8.13 Thermal Resistance Characteristics
      1. 8.13.1 Thermal Resistance Characteristics for RGK Package
    14. 8.14 Timing and Switching Characteristics
      1. 8.14.1 Power Supply Sequencing
      2. 8.14.2 Device Reset
      3. 8.14.3 Reset Timing
        1. 8.14.3.1 nRESET (32-kHz Crystal)
        2. 8.14.3.2 First-Time Power-Up and Reset Removal Timing Requirements (32-kHz Crystal)
        3. 8.14.3.3 nRESET (External 32-kHz)
          1. 8.14.3.3.1 First-Time Power-Up and Reset Removal Timing Requirements (External 32-kHz)
      4. 8.14.4 Wakeup From HIBERNATE Mode
      5. 8.14.5 Clock Specifications
        1. 8.14.5.1 Slow Clock Using Internal Oscillator
          1. 8.14.5.1.1 RTC Crystal Requirements
        2. 8.14.5.2 Slow Clock Using an External Clock
          1. 8.14.5.2.1 External RTC Digital Clock Requirements
        3. 8.14.5.3 Fast Clock (Fref) Using an External Crystal
          1. 8.14.5.3.1 WLAN Fast-Clock Crystal Requirements
        4. 8.14.5.4 Fast Clock (Fref) Using an External Oscillator
          1. 8.14.5.4.1 External Fref Clock Requirements (–40°C to +85°C)
      6. 8.14.6 Peripherals Timing
        1. 8.14.6.1  SPI
          1. 8.14.6.1.1 SPI Master
            1. 8.14.6.1.1.1 SPI Master Timing Parameters
          2. 8.14.6.1.2 SPI Slave
            1. 8.14.6.1.2.1 SPI Slave Timing Parameters
        2. 8.14.6.2  I2S
          1. 8.14.6.2.1 I2S Transmit Mode
            1. 8.14.6.2.1.1 I2S Transmit Mode Timing Parameters
          2. 8.14.6.2.2 I2S Receive Mode
            1. 8.14.6.2.2.1 I2S Receive Mode Timing Parameters
        3. 8.14.6.3  GPIOs
          1. 8.14.6.3.1 GPIO Output Transition Time Parameters (Vsupply = 3.3 V)
            1. 8.14.6.3.1.1 GPIO Output Transition Times (Vsupply = 3.3 V) (1) (1)
          2. 8.14.6.3.2 GPIO Output Transition Time Parameters (Vsupply = 1.85 V)
            1. 8.14.6.3.2.1 GPIO Output Transition Times (Vsupply = 1.85 V) (1) (1)
          3. 8.14.6.3.3 GPIO Input Transition Time Parameters
            1. 8.14.6.3.3.1 GPIO Input Transition Time Parameters'
        4. 8.14.6.4  I2C
          1. 8.14.6.4.1 I2C Timing Parameters (1)
        5. 8.14.6.5  IEEE 1149.1 JTAG
          1. 8.14.6.5.1 JTAG Timing Parameters
        6. 8.14.6.6  ADC
          1. 8.14.6.6.1 ADC Electrical Specifications
        7. 8.14.6.7  Camera Parallel Port
          1. 8.14.6.7.1 Camera Parallel Port Timing Parameters
        8. 8.14.6.8  UART
        9. 8.14.6.9  SD Host
        10. 8.14.6.10 Timers
  9. Detailed Description
    1. 9.1 Arm® Cortex®-M4 Processor Core Subsystem
    2. 9.2 Wi-Fi Network Processor Subsystem
      1. 9.2.1 WLAN
      2. 9.2.2 Network Stack
    3. 9.3 Security
    4. 9.4 Power-Management Subsystem
      1. 9.4.1 VBAT Wide-Voltage Connection
      2. 9.4.2 Preregulated 1.85-V Connection
    5. 9.5 Low-Power Operating Mode
    6. 9.6 Memory
      1. 9.6.1 External Memory Requirements
      2. 9.6.2 Internal Memory
        1. 9.6.2.1 SRAM
        2. 9.6.2.2 ROM
        3. 9.6.2.3 Flash Memory
        4. 9.6.2.4 Memory Map
    7. 9.7 Restoring Factory Default Configuration
    8. 9.8 Boot Modes
      1. 9.8.1 Boot Mode List
  10. 10Applications, Implementation, and Layout
    1. 10.1 Application Information
      1. 10.1.1 Typical Application —CC3220x Wide-Voltage Mode
      2. 10.1.2 Typical Application Schematic—CC3220x Preregulated, 1.85-V Mode
    2. 10.2 PCB Layout Guidelines
      1. 10.2.1 General PCB Guidelines
      2. 10.2.2 Power Layout and Routing
        1. 10.2.2.1 Design Considerations
      3. 10.2.3 Clock Interfaces
      4. 10.2.4 Digital Input and Output
      5. 10.2.5 RF Interface
  11. 11Device and Documentation Support
    1. 11.1 Development Tools and Software
    2. 11.2 Firmware Updates
    3. 11.3 Device Nomenclature
    4. 11.4 Documentation Support
    5. 11.5 支持资源
    6. 11.6 Trademarks
    7. 11.7 Electrostatic Discharge Caution
    8. 11.8 Export Control Notice
    9. 11.9 术语表
  12. 12Mechanical, Packaging, and Orderable Information
    1. 12.1 Packaging Information

封装选项

机械数据 (封装 | 引脚)
散热焊盘机械数据 (封装 | 引脚)
订购信息

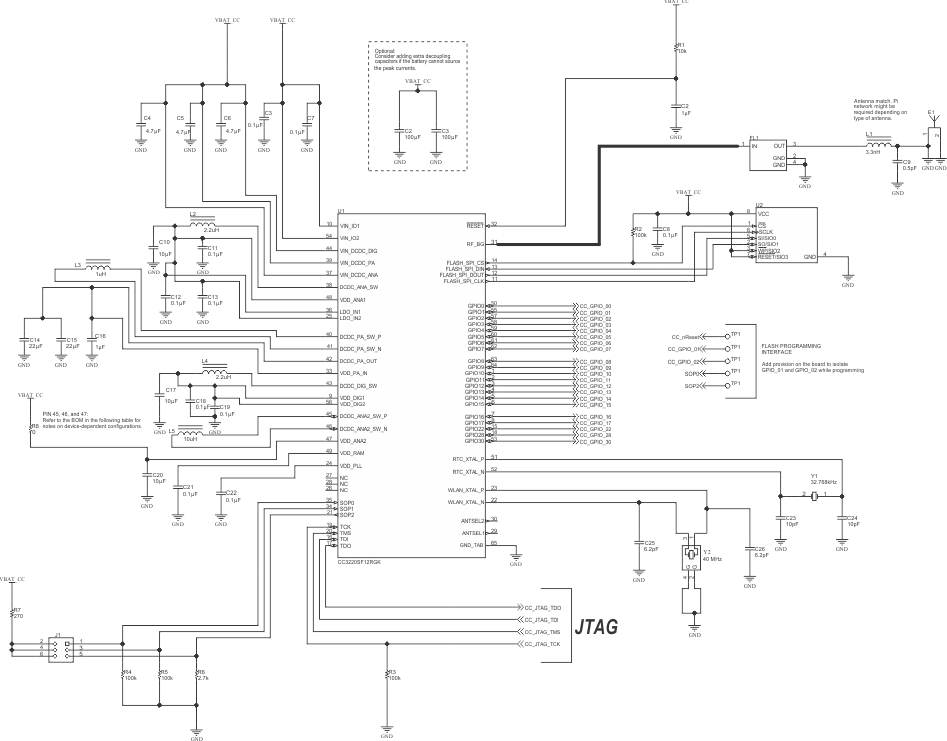
Typical Application —CC3220x Wide-Voltage Mode

Figure 10-1 shows the schematic for an application using the CC3220x device in the wide-voltage mode of operation. For a full operation reference design, refer to CC3220 SimpleLink™ and Internet of Things Hardware Design Files.

Note:

For complete reference schematics and BOM, see the CC3220x product page.

Table 10-1 lists the bill of materials for an application using the CC3220x device in wide-voltage mode.

GUID-725569FA-34A7-4323-A683-1E6A3DAA090B-low.gif Figure 10-1 CC3220x Wide-Voltage Mode Application Circuit
Table 10-1 Bill of Materials for CC3220x in Wide-Voltage Mode
QUANTITYDESIGNATORVALUEMANUFACTURERPART NUMBERDESCRIPTION
1C11 µFMuRataGRM155R61A105KE15DCapacitor, Ceramic, 1 µF, 10 V, ±10%, X5R, 0402
10C2, C6, C10, C12, C13, C14, C19, C20, C22, C230.1 µFTDKC1005X5R1A104K050BACapacitor, Ceramic, 0.1 µF, 10 V, ±10%, X5R, 0402
3C3, C4, C54.7 µFTDKC1005X5R0J475M050BCCapacitor, Ceramic, 4.7 µF, 6.3 V, ±20%, X5R, 0402
2C7, C8100 µFTaiyo YudenLMK325ABJ107MMHTCapacitor, Ceramic, 100 µF, 10 V, ±20%, X5R, AEC-Q200 Grade 3, 1210
1C90.5 pFMuRataGRM1555C1HR50BA01DCapacitor, Ceramic, 0.5 pF, 50 V, ±20%, C0G/NP0, 0402
3C11, C18, C2110 µFMuRataGRM188R60J106ME47DCapacitor, Ceramic, 10 µF, 6.3 V, ±20%, X5R, 0603
1C151 µFTDKC1005X5R1A105K050BBCapacitor, Ceramic, 1 µF, 10 V, ±10%, X5R, 0402
2C16, C1722 µFTDKC1608X5R0G226M080AACapacitor, Ceramic, 22 µF, 4 V, ±20%, X5R, 0603
2C24, C2510 pFMuRataGRM1555C1H100JA01DCapacitor, Ceramic, 10 pF, 50 V, ±5%, C0G/NP0, 0402
2C26, C276.2 pFMuRataGRM1555C1H6R2CA01DCapacitor, Ceramic, 6.2 pF, 50 V, ±5%, C0G/NP0, 0402
1E12.45-GHz AntennaTaiyo YudenAH316M245001-TANT Bluetooth W-LAN Zigbee®WiMAX™, SMD
1FL11.02 dBTDKDEA202450BT-1294C1-HMultilayer Chip Band Pass Filter For 2.4 GHz W-LAN/Bluetooth, SMD
1L13.3 nHMuRataLQG15HS3N3S02DInductor, Multilayer, Air Core, 3.3 nH, 0.3 A, 0.17 ohm, SMD
2L2, L42.2 µHMuRataLQM2HPN2R2MG0LInductor, Multilayer, Ferrite, 2.2 µH, 1.3 A, 0.08 ohm, SMD
1L31 µHMuRataLQM2HPN1R0MG0LInductor, Multilayer, Ferrite, 1 µH, 1.6 A, 0.055 ohm, SMD
1L5(1)10 µHTaiyo YudenCBC2518T100MInductor, Wirewound, Ceramic, 10 µH, 0.48 A, 0.36 ohm, SMD
1R110 kVishay-DaleCRCW040210K0JNEDResistor, 10 k, 5%, 0.063 W, 0402
4R2, R3, R4, R5100 kVishay-DaleCRCW0402100KJNEDResistor, 100 k, 5%, 0.063 W, 0402
1R62.7 kVishay-DaleCRCW04022K70JNEDResistor, 2.7 k, 5%, 0.063 W, 0402
1R7270Vishay-DaleCRCW0402270RJNEDResistor, 270, 5%, 0.063 W, 0402
1R8(2)0PanasonicERJ-2GE0R00XResistor, 0, 5% 0.063W, 0402
1U1MX25RMacronix International Co., LTDMX25R3235FM1IL0Ultra-Low Power, 32-Mbit [x 1/x 2/x 4] CMOS MXSMIO
(Serial Multi I/O) Flash Memory, SOP-8
1U2CC3220Texas InstrumentsCC3220SF12RGKSimpleLink™ Wi-Fi® and internet-of-things Solution, a Single-Chip Wireless MCU, RGK0064B
1Y1CrystalAbracon CorportationABS07-32.768KHZ-9-TCrystal, 32.768 KHz, 9PF, SMD
1Y2CrystalEpsonQ24FA20H0039600Crystal, 40 MHz, 8pF, SMD
For CC3220SF device, L5 is populated. For CC3220R and CC3220S devices, L5 is not populated.
For CC3220SF device, R8 is not populated. For CC3220R and CC3220S devices if R8 is populated, Pin 47 can be used as GPIO_31.