ZHCS348C August   2011  – August 2018 BUF20800-Q1

PRODUCTION DATA.  

  1. 特性
  2. 应用
  3. 说明
    1.     Device Images
      1.      简化框图
  4. 修订历史记录
  5. Pin Configuration and Functions
    1.     Pin Functions
  6. Specifications
    1. 6.1 Absolute Maximum Ratings
    2. 6.2 ESD Ratings
    3. 6.3 Recommended Operating Conditions
    4. 6.4 Thermal Information
    5. 6.5 Electrical Characteristics
    6. 6.6 Typical Characteristics
  7. Detailed Description
    1. 7.1 Overview
    2. 7.2 Functional Block Diagram
    3. 7.3 Feature Description
      1. 7.3.1 General-call Reset and Power-up
      2. 7.3.2 Output Voltage
      3. 7.3.3 Output Latch
      4. 7.3.4 Programmable VCOM
      5. 7.3.5 REFH and REFL Input range
    4. 7.4 Device Functional Modes
      1. 7.4.1 Replacement of Traditional Gamma Buffer
      2. 7.4.2 Dynamic Gamma Control
    5. 7.5 Programming
      1. 7.5.1 Two-wire Bus Overview
      2. 7.5.2 Data Rates
      3. 7.5.3 Read/Write Operations
        1. 7.5.3.1 Writing
        2. 7.5.3.2 Reading
      4. 7.5.4 Register Maps
        1. 7.5.4.1 Addressing the BUF20800-Q1
      5. 7.5.5 Registers
  8. Application and Implementation
    1. 8.1 Application Information
    2. 8.2 Typical Application
      1. 8.2.1 Design Requirements
      2. 8.2.2 Detailed Design Procedure
        1. 8.2.2.1 Input Capacitor Selection
        2. 8.2.2.2 REFH and REFL Voltage Settings
      3. 8.2.3 Application Curves
      4. 8.2.4 Configuration for 20 Gamma Channels
      5. 8.2.5 Configuration for 22 Gamma Channels
      6. 8.2.6 The BUF20800-Q1 in Industrial Applications
      7. 8.2.7 Total TI Panel Solution
  9. Power Supply Recommendations
  10. 10Layout
    1. 10.1 Layout Guidelines
      1. 10.1.1 General PowerPAD Design Considerations
    2. 10.2 Layout Example
  11. 11器件和文档支持
    1. 11.1 文档支持
      1. 11.1.1 相关文档
    2. 11.2 接收文档更新通知
    3. 11.3 社区资源
    4. 11.4 商标
    5. 11.5 静电放电警告
    6. 11.6 术语表
  12. 12机械、封装和可订购信息

封装选项

机械数据 (封装 | 引脚)
散热焊盘机械数据 (封装 | 引脚)
订购信息

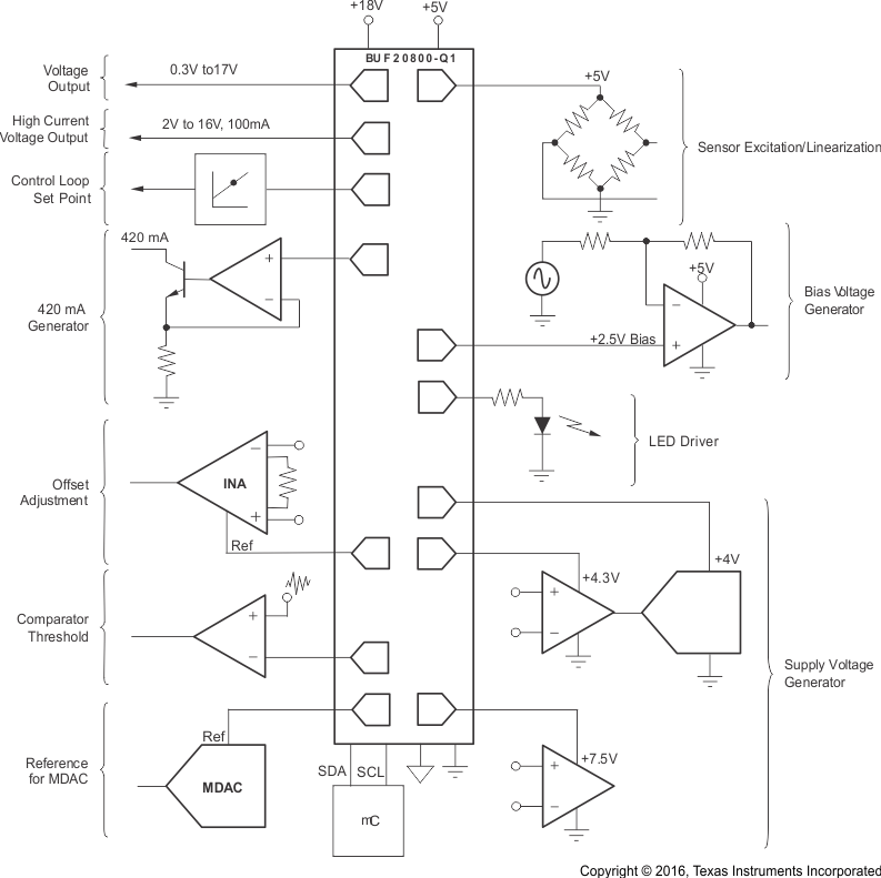
The BUF20800-Q1 in Industrial Applications

The wide supply range, high output current, and very low cost make the BUF20800-Q1 attractive for a range of medium accuracy industrial applications such as programmable power supplies, multi-channel data-acquisition systems, data loggers, sensor excitation and linearization, power-supply generation, and other uses. Each DAC channel features 1LSB DNL and INL.

Many systems require different levels of biasing and power supply for various components as well as sensor excitation, control-loop set-points, voltage outputs, current outputs, and other functions. The BUF20800-Q1, with its 20 total programmable DAC channels, provides great flexibility to the entire system by allowing the designer to change all these parameters via software.

Figure 19 provides various ideas on how the BUF20800-Q1 can be used in applications. A micro-controller with two-wire serial interface controls the various DACs of the BUF20800-Q1. The BUF20800-Q1 can be used for:

  • sensor excitation
  • programmable bias/reference voltages
  • variable power-supplies
  • high-current voltage output
  • 4-20mA output
  • set-point generators for control loops

NOTE: The output voltages of the BUF20800-Q1 DACs will be set to (VREFH − VREFL)/2 at power-up or reset.

BUF20800-Q1 appinfo_indapps_SBOS571.gifFigure 19. Industrial Applications for the BUF20800-Q1