ZHCSF60K June   2016  – July 2020 BQ77904 , BQ77905

PRODUCTION DATA  

  1. 特性
  2. 应用
  3. 说明
  4. Revision History
  5. Device Comparison
  6. Pin Configuration and Functions
    1.     Pin Functions
  7. Specifications
    1. 7.1 Absolute Maximum Ratings
    2. 7.2 ESD Ratings
    3. 7.3 Recommended Operating Conditions
    4. 7.4 Thermal Information
    5. 7.5 Electrical Characteristics
    6. 7.6 Timing Requirements
    7. 7.7 Typical Characteristics
  8. Detailed Description
    1. 8.1 Overview
      1. 8.1.1 Device Functionality Summary
    2. 8.2 Functional Block Diagram
    3. 8.3 Feature Description
      1. 8.3.1  Protection Summary
      2. 8.3.2  Fault Operation
        1. 8.3.2.1  Operation in OV
        2. 8.3.2.2  Operation in UV
        3. 8.3.2.3  Operation in OW
        4. 8.3.2.4  Operation in OCD1
        5. 8.3.2.5  Operation in OCD2
        6. 8.3.2.6  Operation in SCD
        7. 8.3.2.7  Overcurrent Recovery Timer
        8. 8.3.2.8  Load Removal Detection
        9. 8.3.2.9  Load Removal Detection in UV
        10. 8.3.2.10 Operation in OTC
        11. 8.3.2.11 Operation in OTD
        12. 8.3.2.12 Operation in UTC
        13. 8.3.2.13 Operation in UTD
      3. 8.3.3  Protection Response and Recovery Summary
      4. 8.3.4  Configuration CRC Check and Comparator Built-In-Self-Test
      5. 8.3.5  Fault Detection Method
        1. 8.3.5.1 Filtered Fault Detection
      6. 8.3.6  State Comparator
      7. 8.3.7  DSG FET Driver Operation
      8. 8.3.8  CHG FET Driver Operation
      9. 8.3.9  External Override of CHG and DSG Drivers
      10. 8.3.10 Configuring 3-S, 4-S, or 5-S Mode
      11. 8.3.11 Stacking Implementations
      12. 8.3.12 Zero-Volt Battery Charging Inhibition
    4. 8.4 Device Functional Modes
      1. 8.4.1 Power Modes
        1. 8.4.1.1 Power-On Reset (POR)
        2. 8.4.1.2 FAULT Mode
        3. 8.4.1.3 SHUTDOWN Mode
        4. 8.4.1.4 Customer Fast Production Test Modes
  9. Application and Implementation
    1. 9.1 Application Information
      1. 9.1.1 Recommended System Implementation
        1. 9.1.1.1 CHG and DSG FET Rise and Fall Time
        2. 9.1.1.2 Protecting CHG and LD
        3. 9.1.1.3 Protecting CHG FET
        4. 9.1.1.4 Using Load Detect for UV Fault Recovery
        5. 9.1.1.5 Temperature Protection
        6. 9.1.1.6 Adding Filter to Sense Resistor
        7. 9.1.1.7 Using a State Comparator in an Application
          1. 9.1.1.7.1 Examples
    2. 9.2 Typical Application
      1. 9.2.1 Design Requirements
      2. 9.2.2 Detailed Design Procedure
        1. 9.2.2.1 Design Example
      3. 9.2.3 Application Curves
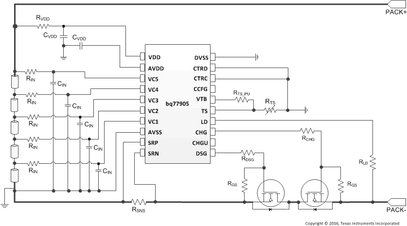
    3. 9.3 System Examples
  10. 10Power Supply Recommendations
  11. 11Layout
    1. 11.1 Layout Guidelines
    2. 11.2 Layout Example
  12. 12Device and Documentation Support
    1. 12.1 Documentation Support
      1. 12.1.1 Related Links
    2. 12.2 Receiving Notification of Documentation Updates
    3. 12.3 Support Resources
    4. 12.4 Trademarks
    5. 12.5 Electrostatic Discharge Caution
    6. 12.6 Glossary
  13. 13Mechanical, Packaging, and Orderable Information

封装选项

机械数据 (封装 | 引脚)
散热焊盘机械数据 (封装 | 引脚)
订购信息

System Examples

GUID-954BEC88-FDAA-499C-B764-A49CD9BA5072-low.gifFigure 9-16 BQ77905 with Five Cells