ZHCSF60K June   2016  – July 2020 BQ77904 , BQ77905

PRODUCTION DATA  

  1. 特性
  2. 应用
  3. 说明
  4. Revision History
  5. Device Comparison
  6. Pin Configuration and Functions
    1.     Pin Functions
  7. Specifications
    1. 7.1 Absolute Maximum Ratings
    2. 7.2 ESD Ratings
    3. 7.3 Recommended Operating Conditions
    4. 7.4 Thermal Information
    5. 7.5 Electrical Characteristics
    6. 7.6 Timing Requirements
    7. 7.7 Typical Characteristics
  8. Detailed Description
    1. 8.1 Overview
      1. 8.1.1 Device Functionality Summary
    2. 8.2 Functional Block Diagram
    3. 8.3 Feature Description
      1. 8.3.1  Protection Summary
      2. 8.3.2  Fault Operation
        1. 8.3.2.1  Operation in OV
        2. 8.3.2.2  Operation in UV
        3. 8.3.2.3  Operation in OW
        4. 8.3.2.4  Operation in OCD1
        5. 8.3.2.5  Operation in OCD2
        6. 8.3.2.6  Operation in SCD
        7. 8.3.2.7  Overcurrent Recovery Timer
        8. 8.3.2.8  Load Removal Detection
        9. 8.3.2.9  Load Removal Detection in UV
        10. 8.3.2.10 Operation in OTC
        11. 8.3.2.11 Operation in OTD
        12. 8.3.2.12 Operation in UTC
        13. 8.3.2.13 Operation in UTD
      3. 8.3.3  Protection Response and Recovery Summary
      4. 8.3.4  Configuration CRC Check and Comparator Built-In-Self-Test
      5. 8.3.5  Fault Detection Method
        1. 8.3.5.1 Filtered Fault Detection
      6. 8.3.6  State Comparator
      7. 8.3.7  DSG FET Driver Operation
      8. 8.3.8  CHG FET Driver Operation
      9. 8.3.9  External Override of CHG and DSG Drivers
      10. 8.3.10 Configuring 3-S, 4-S, or 5-S Mode
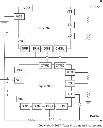
      11. 8.3.11 Stacking Implementations
      12. 8.3.12 Zero-Volt Battery Charging Inhibition
    4. 8.4 Device Functional Modes
      1. 8.4.1 Power Modes
        1. 8.4.1.1 Power-On Reset (POR)
        2. 8.4.1.2 FAULT Mode
        3. 8.4.1.3 SHUTDOWN Mode
        4. 8.4.1.4 Customer Fast Production Test Modes
  9. Application and Implementation
    1. 9.1 Application Information
      1. 9.1.1 Recommended System Implementation
        1. 9.1.1.1 CHG and DSG FET Rise and Fall Time
        2. 9.1.1.2 Protecting CHG and LD
        3. 9.1.1.3 Protecting CHG FET
        4. 9.1.1.4 Using Load Detect for UV Fault Recovery
        5. 9.1.1.5 Temperature Protection
        6. 9.1.1.6 Adding Filter to Sense Resistor
        7. 9.1.1.7 Using a State Comparator in an Application
          1. 9.1.1.7.1 Examples
    2. 9.2 Typical Application
      1. 9.2.1 Design Requirements
      2. 9.2.2 Detailed Design Procedure
        1. 9.2.2.1 Design Example
      3. 9.2.3 Application Curves
    3. 9.3 System Examples
  10. 10Power Supply Recommendations
  11. 11Layout
    1. 11.1 Layout Guidelines
    2. 11.2 Layout Example
  12. 12Device and Documentation Support
    1. 12.1 Documentation Support
      1. 12.1.1 Related Links
    2. 12.2 Receiving Notification of Documentation Updates
    3. 12.3 Support Resources
    4. 12.4 Trademarks
    5. 12.5 Electrostatic Discharge Caution
    6. 12.6 Glossary
  13. 13Mechanical, Packaging, and Orderable Information

封装选项

机械数据 (封装 | 引脚)
散热焊盘机械数据 (封装 | 引脚)
订购信息

说明

BQ77904 和 BQ77905 器件为低功耗电池组保护器,无需微控制器 (MCU) 控制即可实现一系列电压、电流和温度保护。该器件的可堆叠接口可进行简单扩展,支持从 3 节串联到 20 节或更多节数串联的电池应用。保护阈值和延迟均为出厂编程设定,有多种配置可供选用。为提升灵活性,还提供了单独的过热和欠温放电阈值(OTD 和 UTD)以及过热和欠温充电阈值(OTC 和 UTC)。

此器件可通过集成的独立 CHG 和 DSG 低侧 NMOS FET 驱动器实现电池组保护,这些驱动器可通过两个控制引脚禁用。这些控制引脚还能够以简单经济的方式为更多节串联电池(6 节以上)提供电池保护解决方案。为此,只需将上级器件的 CHG 和 DSG 输出级联到下级器件控制引脚。为减少元件数量,所有保护故障均使用内部延迟计时器。

器件信息
器件型号(1)封装封装尺寸(标称值)
BQ77904TSSOP (20)6.50mm × 4.40mm
BQ77905
如需了解所有可用封装,请参阅数据表末尾的可订购产品附录。
GUID-43E5C88D-4EB4-4617-95DA-968D3959BFD8-low.gif简化版原理图